Vous trouverez ici toutes les pièces et dessins disponibles du 'Hikoki CR13VB'. De là, vous pouvez commander directement toutes les pièces souhaitées. De nombreuses pièces doivent être commandées auprès du fabricant, selon la marque, cela prend une à quatre semaines. Toutes les informations dont nous disposons se trouvent sur notre site Web, nous ne pouvons pas vous conseiller sur ce dont vous avez besoin, pour cela vous devrez retourner la machine pour réparation. Veuillez noter ce qui suit lors de la commande:
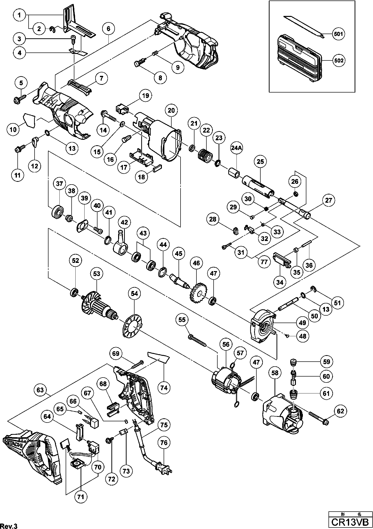
Dessins des Hikoki CR13VB
Liste de pièces de rechange des Hikoki CR13VB
| Pos. | Description | Prix hors TVA | Prix TTC | |
| Les prix affichés incluent la TVA | ||||
| Goupille | ||||
| *50 | 326602 | 4.20 | 5.04 | |
| Pas d'informations disponibles, non commandable | ||||
| *53 | 360783U | |||
| Stator 220v-230v H-90sa Includ.103 Pour Nzl,saf | ||||
| *56 | 340563J | 31.55 | 37.86 | |
| Jeu De Poignees | ||||
| *63A | 326600 | 28.60 | 34.32 | |
| Pas d'informations disponibles, non commandable | ||||
| *70 | 321962 | |||
| Pas d'informations disponibles, non commandable | ||||
| *71 | 320142 | |||
| Pas d'informations disponibles, non commandable | ||||
| *76 | 500439Z | |||
| Plaque de base | ||||
| 1 | 326575 | 6.75 | 8.10 | |
| Circlips Sod-110 Till 6.1998 | ||||
| 2 | 872971 | 1.05 | 1.26 | |
| Vis Ø4*8 | ||||
| 3 | 310222 | 1.05 | 1.26 | |
| Languette | ||||
| 4 | 326595 | 4.50 | 5.40 | |
| Vis Ø 4*25 noir | ||||
| 5 | 307028 | 1.05 | 1.26 | |
| Protection Nez Complet | ||||
| 6 | 326584 | 24.75 | 29.70 | |
| Protection Nez Complet | ||||
| 6A | 326584 | 24.75 | 29.70 | |
| Levier de réglage | ||||
| 7 | 326597 | 4.20 | 5.04 | |
| Bouton-poussoir | ||||
| 8 | 326596 | 4.20 | 5.04 | |
| Ressort | ||||
| 9 | 326594 | 1.05 | 1.26 | |
| Vis M.4*10 Bm25y/cr13va | ||||
| 11 | 303851 | 1.05 | 1.26 | |
| Levier | ||||
| 12 | 326593 | 1.05 | 1.26 | |
| Plus disponible, pas de remplacement | ||||
| 13 | 872654 | |||
| Boulon Nylock (avec bride) M6x35 | ||||
| 14 | 318451 | 1.65 | 1.98 | |
| Rondelle | ||||
| 15 | 318452 | 1.20 | 1.44 | |
| Boulon M10 | ||||
| 16 | 318493 | 6.45 | 7.74 | |
| Support Appui | ||||
| 17 | 326574 | 2.10 | 2.52 | |
| Caoutchouc | ||||
| 18 | 326779 | 1.05 | 1.26 | |
| Adapteur | ||||
| 19 | 326589 | 7.95 | 9.54 | |
| Pas d'informations disponibles, non commandable | ||||
| 20 | 326582 | |||
| Rondelle | ||||
| 21 | 318458 | 1.65 | 1.98 | |
| Anneau, Retenue | ||||
| 22 | 326576 | 2.10 | 2.52 | |
| Joint V Ring | ||||
| 23 | 318459 | 1.65 | 1.98 | |
| MÉTAL (C) (ANCIEN 326579) | ||||
| 24A | 334994 | 1.05 | 1.26 | |
| BAGUE DE GUIDAGE | ||||
| 25 | 326578 | 20.90 | 25.08 | |
| Entretoise M5 (10 pces) | ||||
| 26 | 949566 | 1.04 | 1.24 | |
| Plongeur | ||||
| 27 | 326580 | 34.24 | 41.08 | |
| Capuchon pour Cr13vc | ||||
| 28 | 321130 | 1.35 | 1.62 | |
| Porte Ressort Cr13vc | ||||
| 29 | 321134 | 12.45 | 14.94 | |
| Ressort | ||||
| 30 | 318483 | 1.20 | 1.44 | |
| Vis | ||||
| 31 | 326590 | 1.05 | 1.26 | |
| Levier | ||||
| 32 | 326588 | 7.50 | 9.00 | |
| Ressort A Lame | ||||
| 33 | 326591 | 1.05 | 1.26 | |
| Pas d'informations disponibles, non commandable | ||||
| 34 | 326592 | |||
| Bague Cr 13vc | ||||
| 35 | 321136 | 1.65 | 1.98 | |
| ÉPINGLE D6 (ANCIEN 318491) | ||||
| 36 | 326585 | 3.15 | 3.78 | |
| Roulement à billes 6003 Dd | ||||
| 37 | 6003DD | 7.50 | 9.00 | |
| Pas d'informations disponibles, non commandable | ||||
| 38 | 326587 | |||
| Couvercle de palier (b) | ||||
| 39 | 318476 | 4.65 | 5.58 | |
| Vis Ø4x10 | ||||
| 40 | 326573 | 1.65 | 1.98 | |
| Bague | ||||
| 41 | 967261 | 1.05 | 1.26 | |
| Biellette | ||||
| 42 | 326581 | 14.55 | 17.46 | |
| Roulement à billes 6003 Vv | ||||
| 43 | 6003VV | 7.65 | 9.18 | |
| Clips D35 (x10) paquet de 10 | ||||
| 44 | 939556 | 10.20 | 12.24 | |
| Pas d'informations disponibles, non commandable | ||||
| 45 | 326586 | |||
| Pignon | ||||
| 46 | 318473 | 14.03 | 16.83 | |
| Roulement A Billes | ||||
| 47 | 608VVM | 5.70 | 6.84 | |
| Vis à tête ranurée (Seal Lock) M4x10 | ||||
| 48 | 314430 | 1.05 | 1.26 | |
| Pas d'informations disponibles, non commandable | ||||
| 49 | 326583 | |||
| Goupille | ||||
| 50 | 326602 | 4.20 | 5.04 | |
| Rondelle Elastique | ||||
| 51 | 974577 | 1.05 | 1.26 | |
| Roulement A Billes | ||||
| 52 | 6001VV | 6.60 | 7.92 | |
| Pas d'informations disponibles, non commandable | ||||
| 53 | 360783U | |||
| Baffle | ||||
| 54 | 318467 | 2.10 | 2.52 | |
| Vis D5*55 | ||||
| 55 | 953174 | 1.04 | 1.24 | |
| Stator 220v-230v H-90sa Includ.103 Pour Nzl,saf | ||||
| 56 | 340563J | 31.55 | 37.86 | |
| Raccord | ||||
| 57 | 930703 | 2.40 | 2.88 | |
| Carcasse | ||||
| 58 | 322120 | 9.60 | 11.52 | |
| Bouchon Charbon | ||||
| 59 | 945161 | 1.20 | 1.44 | |
| Charbons (1 Paire) | ||||
| 60 | 999043 | 4.50 | 5.40 | |
| S/e Porte Balais | ||||
| 61 | 958900 | 6.45 | 7.74 | |
| Vis à tête hexagonale M5x60 avec rondelles (noir) | ||||
| 62 | 307224 | 1.05 | 1.26 | |
| Jeu De Poignees | ||||
| 63 | 326600 | 28.60 | 34.32 | |
| Gachette | ||||
| 64 | 322133 | 1.05 | 1.26 | |
| Manchon à cabler | ||||
| 65 | 981373 | 1.05 | 1.26 | |
| Condensateur | ||||
| 66 | 930039 | 1.95 | 2.34 | |
| Manchon à cabler | ||||
| 67 | 981373 | 1.05 | 1.26 | |
| Porte-Triac | ||||
| 68 | 326598 | 1.05 | 1.26 | |
| Vis à tôle D4x30 (noir) | ||||
| 69 | 305490 | 1.04 | 1.24 | |
| Pas d'informations disponibles, non commandable | ||||
| 70 | 321962 | |||
| Pas d'informations disponibles, non commandable | ||||
| 71 | 320142 | |||
| Pas d'informations disponibles, non commandable | ||||
| 72 | 984750 | |||
| Serre Cable | ||||
| 73 | 937631 | 1.04 | 1.24 | |
| Pas d'informations disponibles, non commandable | ||||
| 75 | 953327 | |||
| Pas d'informations disponibles, non commandable | ||||
| 76 | 500439Z | |||
| Vis spéciale M5 | ||||
| 77 | 334921 | 4.05 | 4.86 | |
| Pas d'informations disponibles, non commandable | ||||
| 501 | 318621 | |||
| Pas d'informations disponibles, non commandable | ||||
| 502 | 327054 | |||
| Pas d'informations disponibles, non commandable | ||||
| 602 | 958182 | |||
| Pas d'informations disponibles, non commandable | ||||
| 603 | 958183 | |||
| Pas d'informations disponibles, non commandable | ||||
| 604 | 959611 | |||
| Pas d'informations disponibles, non commandable | ||||
| 605 | 958185 | |||
| Pas d'informations disponibles, non commandable | ||||
| 606 | 958188 | |||
| Pas d'informations disponibles, non commandable | ||||
| 607 | 996427 | |||
| Pas d'informations disponibles, non commandable | ||||
| 608 | 318611 | |||
| Pas d'informations disponibles, non commandable | ||||
| 609 | 318612 | |||
| Pas d'informations disponibles, non commandable | ||||
| 610 | 318614 | |||
| Pas d'informations disponibles, non commandable | ||||
| 611 | 318617 | |||
| Pas d'informations disponibles, non commandable | ||||
| 612 | 318618 | |||
| Pas d'informations disponibles, non commandable | ||||
| 613 | 324818 | |||
| Pas d'informations disponibles, non commandable | ||||
| 614 | 324819 | |||
| Pas d'informations disponibles, non commandable | ||||
| 615 | 318619 | |||
| Pas d'informations disponibles, non commandable | ||||
| 616 | 318620 | |||