Vous trouverez ici toutes les pièces et dessins disponibles du 'Hikoki CR13V'. De là, vous pouvez commander directement toutes les pièces souhaitées. De nombreuses pièces doivent être commandées auprès du fabricant, selon la marque, cela prend une à quatre semaines. Toutes les informations dont nous disposons se trouvent sur notre site Web, nous ne pouvons pas vous conseiller sur ce dont vous avez besoin, pour cela vous devrez retourner la machine pour réparation. Veuillez noter ce qui suit lors de la commande:
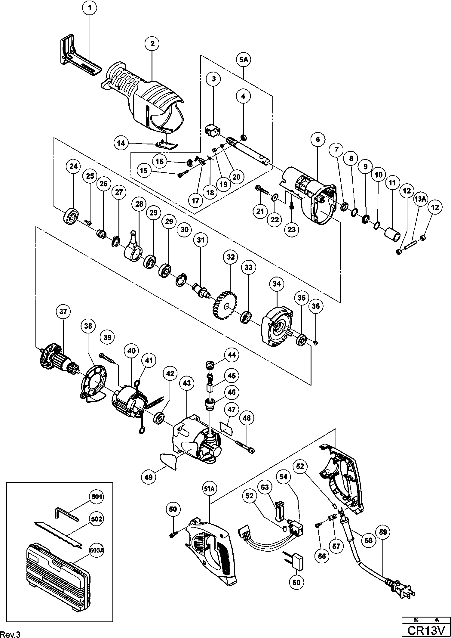
Dessins des Hikoki CR13V
Liste de pièces de rechange des Hikoki CR13V
| Pos. | Description | Prix hors TVA | Prix TTC | |
| Les prix affichés incluent la TVA | ||||
| ASSEMBLAGE D'INDUIT 120 VOLTS | ||||
| *37 | 360616U | 78.79 | 94.54 | |
| Induit 230v | ||||
| *37 | 360616E | 45.30 | 54.36 | |
| ANKER 110-115 VOLT | ||||
| *37 | 360616C | 42.35 | 50.82 | |
| VELD 110-115 VOLT | ||||
| *40 | 340563H | 32.40 | 38.88 | |
| Stator 220v-230v H-90sa Includ.103 Pour Nzl,saf | ||||
| *40 | 340563J | 31.55 | 37.86 | |
| Pas d'informations disponibles, non commandable | ||||
| *54 | 327130 | |||
| Pas d'informations disponibles, non commandable | ||||
| *59 | 500455Z | |||
| Base (b) Cr13vc | ||||
| 1 | 321116 | 9.69 | 11.62 | |
| Boîtier Avant | ||||
| 2 | 321125 | 24.61 | 29.54 | |
| Adaptateur | ||||
| 3 | 321132 | 15.95 | 19.14 | |
| Écrou M4 (10 Pièces) | ||||
| 4 | 949554 | 1.05 | 1.26 | |
| Assemblage de piston (b) y compris 3,14a,15-19,62 | ||||
| 5A | 333738 | 91.30 | 109.56 | |
| Carter Cr13vc | ||||
| 6 | 321123 | 37.95 | 45.54 | |
| Rondelle | ||||
| 7 | 318458 | 1.65 | 1.98 | |
| Bague | ||||
| 8 | 321117 | 1.35 | 1.62 | |
| Joint V Ring | ||||
| 9 | 318459 | 1.65 | 1.98 | |
| Joint Cr13vc | ||||
| 10 | 321118 | 1.65 | 1.98 | |
| Metal Cr13vc | ||||
| 11 | 321214 | 4.80 | 5.76 | |
| Bague Cr 13vc | ||||
| 12 | 321136 | 1.65 | 1.98 | |
| ÉPINGLE D6 (ANCIEN 318491) | ||||
| 13A | 326585 | 3.15 | 3.78 | |
| Clip | ||||
| 14 | 321126 | 5.71 | 6.86 | |
| Vis M4 | ||||
| 15 | 322134 | 1.65 | 1.98 | |
| Capuchon pour Cr13vc | ||||
| 16 | 321130 | 1.35 | 1.62 | |
| Levier Cr13vc | ||||
| 17 | 321131 | 9.69 | 11.62 | |
| Ressort | ||||
| 18 | 321135 | 2.55 | 3.06 | |
| Porte Ressort Cr13vc | ||||
| 19 | 321134 | 12.45 | 14.94 | |
| Ressort | ||||
| 20 | 318483 | 1.20 | 1.44 | |
| Boulon Nylock (avec bride) M6x35 | ||||
| 21 | 318451 | 1.65 | 1.98 | |
| Rondelle | ||||
| 22 | 318452 | 1.20 | 1.44 | |
| Vis Ø5*12 | ||||
| 23 | 322142 | 1.65 | 1.98 | |
| Roulement A Billes | ||||
| 24 | 6002DD | 7.05 | 8.46 | |
| Boulon NYLOCK M4X12 | ||||
| 25 | 317196 | 1.65 | 1.98 | |
| Arbre | ||||
| 26 | 322119 | 2.10 | 2.52 | |
| Bague | ||||
| 27 | 967261 | 1.05 | 1.26 | |
| Plaque réciproque | ||||
| 28 | 322118 | 13.35 | 16.02 | |
| Roulement à billes 6003 Vv | ||||
| 29 | 6003VV | 7.65 | 9.18 | |
| Clips D35 (x10) paquet de 10 | ||||
| 30 | 939556 | 10.20 | 12.24 | |
| Deuxième Arbre (b) Cr13vc | ||||
| 31 | 321128 | 22.31 | 26.78 | |
| Pignon | ||||
| 32 | 318473 | 14.03 | 16.83 | |
| Roulement A Billes | ||||
| 33 | 608VVM | 5.70 | 6.84 | |
| Couverture intérieure | ||||
| 34 | 321124 | 18.98 | 22.77 | |
| Roulement A Billes | ||||
| 35 | 6001VV | 6.60 | 7.92 | |
| Vis à tête ranurée (Seal Lock) M4x10 | ||||
| 36 | 314430 | 1.05 | 1.26 | |
| ASSEMBLAGE D'INDUIT 120 VOLTS | ||||
| 37 | 360616U | 78.79 | 94.54 | |
| Induit 230v | ||||
| 37 | 360616E | 45.30 | 54.36 | |
| ANKER 110-115 VOLT | ||||
| 37 | 360616C | 42.35 | 50.82 | |
| Baffle | ||||
| 38 | 321122 | 2.55 | 3.06 | |
| Vis D5*55 | ||||
| 39 | 953174 | 1.04 | 1.24 | |
| VELD 110-115 VOLT | ||||
| 40 | 340563H | 32.40 | 38.88 | |
| Stator 220v-230v H-90sa Includ.103 Pour Nzl,saf | ||||
| 40 | 340563J | 31.55 | 37.86 | |
| Raccord | ||||
| 41 | 930703 | 2.40 | 2.88 | |
| Roulement A Billes | ||||
| 42 | 608VVM | 5.70 | 6.84 | |
| Carcasse | ||||
| 43 | 322120 | 9.60 | 11.52 | |
| Bouchon Charbon | ||||
| 44 | 945161 | 1.20 | 1.44 | |
| Charbons (1 Paire) | ||||
| 45 | 999043 | 4.50 | 5.40 | |
| S/e Porte Balais | ||||
| 46 | 958900 | 6.45 | 7.74 | |
| Vis à tête hexagonale M5x60 avec rondelles (noir) | ||||
| 48 | 307224 | 1.05 | 1.26 | |
| Vis Ø 4*25 noir | ||||
| 50 | 307028 | 1.05 | 1.26 | |
| Ensemble de poignées (c+d) | ||||
| 51A | 324823 | 11.85 | 14.22 | |
| Manchon à cabler | ||||
| 52 | 981373 | 1.05 | 1.26 | |
| Gachette | ||||
| 53 | 322133 | 1.05 | 1.26 | |
| Commutateur | ||||
| 54 | 322135 | 46.75 | 56.10 | |
| Pas d'informations disponibles, non commandable | ||||
| 56 | 984750 | |||
| Serre Cable | ||||
| 57 | 937631 | 1.04 | 1.24 | |
| Pas d'informations disponibles, non commandable | ||||
| 58 | 953327 | |||
| Pas d'informations disponibles, non commandable | ||||
| 59 | 500434Z | |||
| NOISE SUPPRESSOR | ||||
| 60 | 334380 | 1.00 | 1.20 | |
| Pas d'informations disponibles, non commandable | ||||
| 501 | 944458 | |||
| Pas d'informations disponibles, non commandable | ||||
| 502 | 318621 | |||
| Pas d'informations disponibles, non commandable | ||||
| 503A | 327054 | |||
| Pas d'informations disponibles, non commandable | ||||
| 602 | 958182 | |||
| Pas d'informations disponibles, non commandable | ||||
| 603 | 958183 | |||
| Pas d'informations disponibles, non commandable | ||||
| 604 | 959611 | |||
| Pas d'informations disponibles, non commandable | ||||
| 605 | 958185 | |||
| Pas d'informations disponibles, non commandable | ||||
| 606 | 958188 | |||
| Pas d'informations disponibles, non commandable | ||||
| 607 | 996427 | |||
| Pas d'informations disponibles, non commandable | ||||
| 608 | 318611 | |||
| Pas d'informations disponibles, non commandable | ||||
| 609 | 318612 | |||
| Pas d'informations disponibles, non commandable | ||||
| 610 | 318613 | |||
| Pas d'informations disponibles, non commandable | ||||
| 611 | 318614 | |||
| Pas d'informations disponibles, non commandable | ||||
| 612 | 324818 | |||
| Pas d'informations disponibles, non commandable | ||||
| 613 | 324819 | |||
| Pas d'informations disponibles, non commandable | ||||
| 614 | 318617 | |||
| Pas d'informations disponibles, non commandable | ||||
| 615 | 318618 | |||
| Pas d'informations disponibles, non commandable | ||||
| 616 | 318619 | |||
| Pas d'informations disponibles, non commandable | ||||
| 617 | 318620 | |||
| Pas d'informations disponibles, non commandable | ||||
| 618 | 321113 | |||
| LEVER | ||||
| 619 | 996423 | 3.72 | 4.46 | |
| BOUT | ||||
| 620 | 996422 | 15.51 | 18.61 | |
| GELEIDBAR | ||||
| 621 | 996421 | 6.66 | 7.99 | |
| GLIJPLAAT | ||||
| 622 | 996424 | 20.90 | 25.08 | |
| Vis M6x16 (paquet de 10) | ||||
| 623 | 949755 | 3.00 | 3.60 | |
| Base (b) Cr13vc | ||||
| 624 | 321116 | 9.69 | 11.62 | |
| Plaque (b) | ||||
| 625 | 321427 | 21.04 | 25.24 | |
| Pas d'informations disponibles, non commandable | ||||
| 626 | 321428 | |||
| Vis M5*14 (paquet de 10) | ||||
| 627 | 949665 | 2.10 | 2.52 | |
| Vis M6x16 (paquet de 10) | ||||
| 628 | 949755 | 3.00 | 3.60 | |
| Rondelle M.6 (x10) paquet de 10 | ||||
| 629 | 949425 | 1.05 | 1.26 | |
| Pas d'informations disponibles, non commandable | ||||
| 630 | 944458 | |||
| Pas d'informations disponibles, non commandable | ||||
| 631 | 944459 | |||