Vous trouverez ici toutes les pièces et dessins disponibles du 'Hikoki CM4ST'. De là, vous pouvez commander directement toutes les pièces souhaitées. De nombreuses pièces doivent être commandées auprès du fabricant, selon la marque, cela prend une à quatre semaines. Toutes les informations dont nous disposons se trouvent sur notre site Web, nous ne pouvons pas vous conseiller sur ce dont vous avez besoin, pour cela vous devrez retourner la machine pour réparation. Veuillez noter ce qui suit lors de la commande:
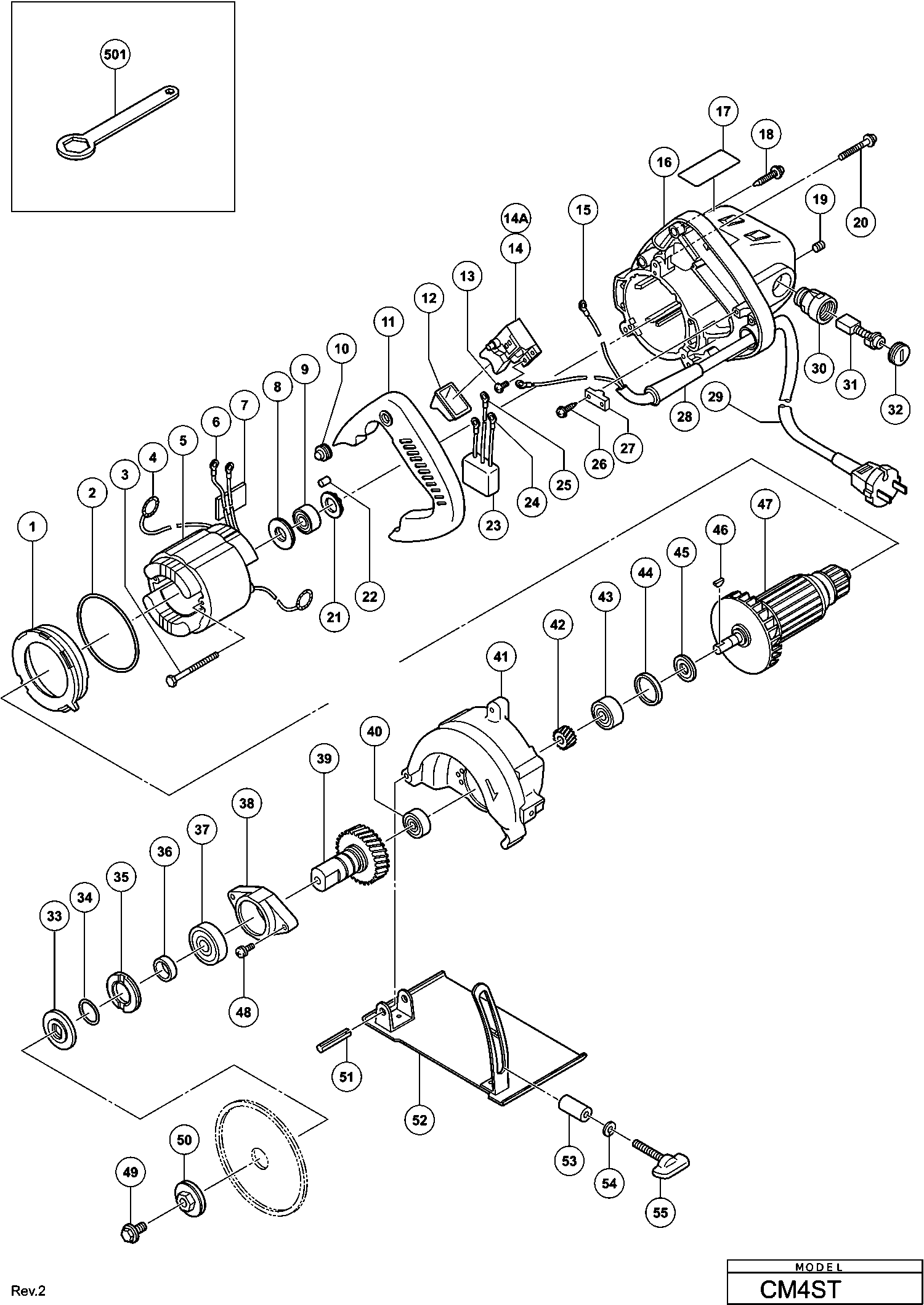
Dessins des Hikoki CM4ST
Liste de pièces de rechange des Hikoki CM4ST
| Pos. | Description | Prix hors TVA | Prix TTC | |
| Les prix affichés incluent la TVA | ||||
| Pas d'informations disponibles, non commandable | ||||
| 1A | 370666 | |||
| Pas d'informations disponibles, non commandable | ||||
| 2 | 317756 | |||
| Vis Ø 5*65 | ||||
| 3 | 960251 | 1.05 | 1.26 | |
| Raccord | ||||
| 4 | 930703 | 2.40 | 2.88 | |
| Pas d'informations disponibles, non commandable | ||||
| 5 | 340783G | |||
| Terminal M4 | ||||
| 6 | 930804 | 3.00 | 3.60 | |
| SEAL PACKING | ||||
| 7 | 983858 | 1.00 | 1.20 | |
| Pas d'informations disponibles, non commandable | ||||
| 8A | 370667 | |||
| Roulement A Billes | ||||
| 9 | 608VVM | 5.70 | 6.84 | |
| RUBBER COVER (B) | ||||
| 10 | 956866 | 1.00 | 1.20 | |
| Pas d'informations disponibles, non commandable | ||||
| 11 | 333137 | |||
| Pas d'informations disponibles, non commandable | ||||
| 12 | 303328 | |||
| Vis machine (avec rondelle) M3,5x6 | ||||
| 13 | 305499 | 1.05 | 1.26 | |
| Pas d'informations disponibles, non commandable | ||||
| 14 | 325531 | |||
| Pas d'informations disponibles, non commandable | ||||
| 14A | 339708 | |||
| Terminal M4 | ||||
| 15 | 930804 | 3.00 | 3.60 | |
| Borne | ||||
| 15 | 980063 | 1.04 | 1.24 | |
| Pas d'informations disponibles, non commandable | ||||
| 16 | 317752 | |||
| Vis à tarauder D4x20 avec bride (noir) | ||||
| 18 | 301653 | 1.04 | 1.24 | |
| Vis de réglage hexagonale M5x8 | ||||
| 19 | 938477 | 1.05 | 1.26 | |
| Vis Ø5x25 | ||||
| 20 | 317751 | 2.70 | 3.24 | |
| RONDELLE D'ARRET | ||||
| 21 | 316394 | 3.30 | 3.96 | |
| STYLO EN CAOUTCHOUC | ||||
| 22 | 931701 | 1.05 | 1.26 | |
| Condensateur | ||||
| 23 | 994273 | 4.29 | 5.14 | |
| Borne | ||||
| 24 | 980063 | 1.04 | 1.24 | |
| Borne For Noise Suppressor | ||||
| 25 | 938108 | 1.20 | 1.44 | |
| Pas d'informations disponibles, non commandable | ||||
| 26 | 984750 | |||
| Serre Cable | ||||
| 27 | 960266 | 1.04 | 1.24 | |
| Entree De Cable Ø 8.8 | ||||
| 28 | 380090 | 1.04 | 1.25 | |
| Entree De Cable Ø 10,1 | ||||
| 28 | 938051 | 1.04 | 1.24 | |
| Pas d'informations disponibles, non commandable | ||||
| 29 | 500522Z | |||
| S/e Porte Balais | ||||
| 30 | 958900 | 6.45 | 7.74 | |
| Charbons (1 Paire) | ||||
| 31 | 999043 | 4.50 | 5.40 | |
| Bouchon Charbon | ||||
| 32 | 945161 | 1.20 | 1.44 | |
| Pas d'informations disponibles, non commandable | ||||
| 33 | 956879 | |||
| O-ring Cm-6 | ||||
| 34 | 944486 | 1.05 | 1.26 | |
| Couvercle de palier | ||||
| 35 | 956872 | 2.70 | 3.24 | |
| Entretoise | ||||
| 36 | 303323 | 2.40 | 2.88 | |
| Roulement A Billes | ||||
| 37 | 6002VV | 7.35 | 8.82 | |
| Pas d'informations disponibles, non commandable | ||||
| 38 | 333240 | |||
| Pas d'informations disponibles, non commandable | ||||
| 39 | 333241 | |||
| Roulement A Billes | ||||
| 40 | 606ZZM | 15.40 | 18.48 | |
| Pas d'informations disponibles, non commandable | ||||
| 41 | 333126 | |||
| Pas d'informations disponibles, non commandable | ||||
| 42 | 333242 | |||
| Roulement A Bille | ||||
| 43 | 629VVM | 5.85 | 7.02 | |
| Plaq.en Caoutchouc (1) | ||||
| 44 | 318647 | 1.65 | 1.98 | |
| Bague Pour Palier | ||||
| 45 | 958915 | 1.04 | 1.24 | |
| GOUJON D'INSERTION 2,5X8 | ||||
| 46 | 940220 | 1.35 | 1.62 | |
| Pas d'informations disponibles, non commandable | ||||
| 47 | 360900F | |||
| Pas d'informations disponibles, non commandable | ||||
| 48 | 303327 | |||
| Pas d'informations disponibles, non commandable | ||||
| 49 | 303326 | |||
| Pas d'informations disponibles, non commandable | ||||
| 50 | 956878 | |||
| ROL PIN D6X32 (10 STUKS) | ||||
| 51 | 949576 | 3.06 | 3.67 | |
| Pas d'informations disponibles, non commandable | ||||
| 52 | 317759 | |||
| Pas d'informations disponibles, non commandable | ||||
| 53 | 303330 | |||
| Rondelle de ressort M6 (ancien 949455z, 10 pieces) | ||||
| 54 | 949455 | 1.05 | 1.26 | |
| Boulon à ailes M6x37 | ||||
| 55 | 303331 | 1.04 | 1.24 | |
| Pas d'informations disponibles, non commandable | ||||
| 501 | 941057 | |||
| BOUCHON D'EAU | ||||
| 601 | 303648 | 6.30 | 7.56 | |
| Pas d'informations disponibles, non commandable | ||||
| 602 | 956885 | |||
| Pas d'informations disponibles, non commandable | ||||
| 603 | 956883 | |||
| Pas d'informations disponibles, non commandable | ||||
| 604 | 321192 | |||
| Pas d'informations disponibles, non commandable | ||||
| 605 | 939586 | |||
| Pas d'informations disponibles, non commandable | ||||
| 606 | 939587 | |||