Vous trouverez ici toutes les pièces et dessins disponibles du 'Hikoki CG22EJ2'. De là, vous pouvez commander directement toutes les pièces souhaitées. De nombreuses pièces doivent être commandées auprès du fabricant, selon la marque, cela prend une à quatre semaines. Toutes les informations dont nous disposons se trouvent sur notre site Web, nous ne pouvons pas vous conseiller sur ce dont vous avez besoin, pour cela vous devrez retourner la machine pour réparation. Veuillez noter ce qui suit lors de la commande:
Dessins des Hikoki CG22EJ2
Liste de pièces de rechange des Hikoki CG22EJ2
| Pos. | Description | Prix hors TVA | Prix TTC | |
| Les prix affichés incluent la TVA | ||||
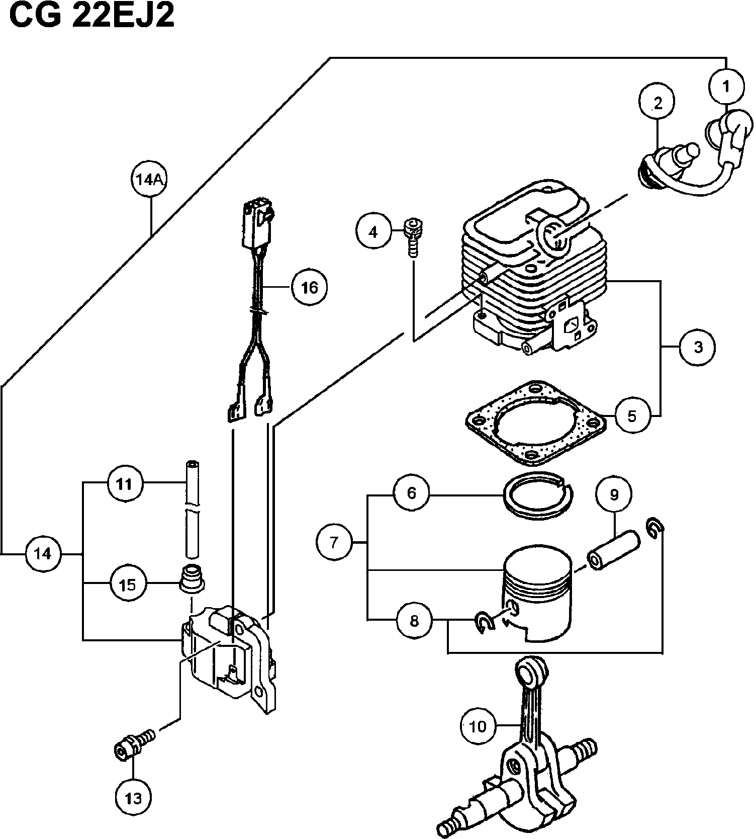
| Capuchon de bougie d'allumage d'ensemble (ancien 1 | ||||
| 1 | 6687468 | 2.31 | 2.78 | |
| Bougie d'allumage Rcj8y | ||||
| 2 | 6699328 | 3.30 | 3.96 | |
| Jeu de cylindres (ancien 001-07130-91) | ||||
| 3 | 6685489 | 34.19 | 41.02 | |
| Boulon à trou hexagonal M5x18 / s (ancien 994-6105 | ||||
| 4 | 6684586 | 2.15 | 2.58 | |
| Joint de cylindre (ancien 017-00980-20 & 6685743) | ||||
| 5 | 6685709 | 1.15 | 1.38 | |
| Bague de piston (ancien 041-00601-21/ 6686117) | ||||
| 6 | 6686118 | 4.45 | 5.34 | |
| Ensemble piston (ancien 030-00070-90) | ||||
| 7 | 6685869 | 15.58 | 18.69 | |
| Circlip de goupille de piston (ancien 039-00601-20 | ||||
| 8 | 6684590 | 2.15 | 2.58 | |
| Axe de piston | ||||
| 9 | 6696944 | 3.33 | 3.99 | |
| Arbre à manivelle comp. (ancien 046-07135-80) | ||||
| 10 | 6686217 | 42.20 | 50.64 | |
| Cordon Haute tension 140l (old 178-20549-20/668788 | ||||
| 11 | 6687888 | 2.31 | 2.78 | |
| Boulon à trou hexagonal 4x15/ps (ancien 994-63040- | ||||
| 13 | 6684682 | 2.15 | 2.58 | |
| Ass'y de Bobine d'Allumage (vieux 6687665/6699774) | ||||
| 14 | 6699772 | 17.85 | 21.42 | |
| Pas d'informations disponibles, non commandable | ||||
| 14A | 6697638 | |||
| Capuchon en Caoutchouc | ||||
| 15 | 6684602 | 2.15 | 2.58 | |
| Montage de fils de plomb | ||||
| 16 | 6697836 | 5.45 | 6.54 | |
| Cale d'arbre d'engrenage 0.20 (ancien 330-00200-23 | ||||
| 31 | 6684604 | 2.15 | 2.58 | |
| Cale d'arbre d'engrenage 0.30 (ancien 330-00200-24 | ||||
| 31 | 6684605 | 2.15 | 2.58 | |
| Carter de Manivelle Ass' (ancien 072-07120-92) | ||||
| 32 | 6686585 | 36.15 | 43.38 | |
| Joint d'huile | ||||
| 33 | 6684607 | 4.29 | 5.14 | |
| Roulement à billes 6001 C3 | ||||
| 34 | 6684608 | 3.80 | 4.56 | |
| Joint de carter de manivelle (ancien 090-06410-20) | ||||
| 35 | 6686719 | 1.15 | 1.38 | |
| Boulon à trou hexagonal M5x18 / s (ancien 994-6105 | ||||
| 36 | 6684586 | 2.15 | 2.58 | |
| Roto Magneto Comp. | ||||
| 37 | 6601171 | 22.99 | 27.58 | |
| Pas d'informations disponibles, non commandable | ||||
| 37A | 6696928 | |||
| Rondelle M8 (ancien 992-01080-011) | ||||
| 38 | 6684611 | 2.15 | 2.58 | |
| Écrou M8 (ancien 991-01080-011/327325/332299/72660 | ||||
| 39 | 6684612 | 2.15 | 2.58 | |
| Joint de collecteur d'admission | ||||
| 51 | 6689890 | 1.15 | 1.38 | |
| Set d'isolateurs de carburateur | ||||
| 52 | 6689914 | 5.94 | 7.12 | |
| Joint de carburateur (ancien 402-0602K-21/6689836) | ||||
| 53 | 6684615 | 2.15 | 2.58 | |
| Boulon à trou hexagonal 5x22/ws (ancien 994-64050- | ||||
| 54 | 6695514 | 1.15 | 1.38 | |
| Vis 5x60/s (ancienne 994-14050-601) | ||||
| 55 | 6695354 | 1.15 | 1.38 | |
| Bague | ||||
| 56 | 6684661 | 2.15 | 2.58 | |
| Tube de protection (ancien 223-07000-90) | ||||
| 57 | 6688174 | 2.31 | 2.78 | |
| Clip D6 (ancien 680-00070-20) | ||||
| 58 | 6685198 | 1.15 | 1.38 | |
| Pas d'informations disponibles, non commandable | ||||
| 59 | 6684620 | |||
| Réservoir, blanc (ancien 591-07120-21/6691593/6691 | ||||
| 60 | 6691592 | 9.58 | 11.49 | |
| Pas d'informations disponibles, non commandable | ||||
| 61 | 6685049 | |||
| Collier 5.8 (ancien 659-00801-20) | ||||
| 62 | 6692244 | 1.15 | 1.38 | |
| Set de carburateur | ||||
| 63 | 6690512 | 66.40 | 79.68 | |
| Boulon à trou hexagonal 5x16/ps (ancien 994-63050- | ||||
| 65 | 6695504 | 1.15 | 1.38 | |
| Boulon (avec bride) | ||||
| 65A | 6696574 | 1.05 | 1.26 | |
| Vis 5x20ws (ancien 994-65050-205) | ||||
| 66 | 6695516 | 1.15 | 1.38 | |
| Boulon (avec bride) | ||||
| 66A | 6696574 | 1.05 | 1.26 | |
| Pas d'informations disponibles, non commandable | ||||
| 67 | 6684625 | |||
| Plus disponible, pas de remplacement | ||||
| 68 | 6684880 | |||
| Grommet de retour (ancien 6684627) | ||||
| 69 | 6697846 | 1.04 | 1.24 | |
| Capuchon pivotant (ancien 560-07120-21/6684628) | ||||
| 70 | 6691337 | 1.15 | 1.38 | |
| Protecteur de Silencieux Noir (ancien 738-07162-20 | ||||
| 91 | 6692809 | 5.11 | 6.14 | |
| Vis 4x15ps (ancien 994-15040-151) | ||||
| 92 | 6695373 | 1.15 | 1.38 | |
| Vis autotaraudeuse D4.5x12 (ancien 990-73045-124) | ||||
| 94 | 6684637 | 2.15 | 2.58 | |
| Boulon de Tête de Douille Hex. M5x50 (ancien 990-5 | ||||
| 95 | 6685114 | 1.15 | 1.38 | |
| Rondelle Ø 5 | ||||
| 96 | 6684918 | 2.15 | 2.58 | |
| Ensemble de silencieux (ancien 704-07001-90) | ||||
| 98 | 6692487 | 11.88 | 14.25 | |
| Joint de silencieux (ancien 737-07000-20 & 6692743 | ||||
| 100 | 6692745 | 1.15 | 1.38 | |
| Bouclier thermique | ||||
| 101 | 6687253 | 2.31 | 2.78 | |
| Pas d'informations disponibles, non commandable | ||||
| 103 | 6697619 | |||
| Chaussure d'accouplement | ||||
| 104 | 6688616 | 7.59 | 9.10 | |
| BRAS D'EMBRAYAGE COMP 54 NOUVEAU | ||||
| 104A | 6697161 | 6.90 | 8.28 | |
| Ressort d'embrayage (ancien 342-06410-20) | ||||
| 105 | 6689430 | 2.31 | 2.78 | |
| Pas d'informations disponibles, non commandable | ||||
| 105A | 6697618 | |||
| Plaque d'embrayage A (ancien 348-0602r-20) | ||||
| 106 | 6689528 | 1.15 | 1.38 | |
| Boulon d'étape (ancien 357-00601-20) | ||||
| 107 | 6689627 | 1.15 | 1.38 | |
| Boulon d'étape (ancien 357-0075t-20) | ||||
| 107A | 6684646 | 2.15 | 2.58 | |
| Bague | ||||
| 108 | 6684648 | 2.15 | 2.58 | |
| Ensemble d'embrayage (ancien 276-06410-91) Nouveau | ||||
| 109 | 6688484 | 14.53 | 17.43 | |
| Pas d'informations disponibles, non commandable | ||||
| 109A | 6696932 | |||
| Boulon à trou hexagonal M5x18/ws (ancien 994-64050 | ||||
| 110 | 6684647 | 2.15 | 2.58 | |
| Boulon à trou hexagonal M5x30/ws (ancien 994-64050 | ||||
| 112 | 6684973 | 2.15 | 2.58 | |
| Composant de bride de cordon (ancien 198-11600-80/ | ||||
| 113 | 6688011 | 1.15 | 1.38 | |
| Boitier de démarreur à rappel (ancien 762-07130-91 | ||||
| 131 | 6692988 | 42.20 | 50.64 | |
| Poignée de démarrage | ||||
| 132 | 6693240 | 14.35 | 17.22 | |
| Corps de démarreur à rappel Comp. (ancien 772-0713 | ||||
| 133 | 6693039 | 24.20 | 29.04 | |
| Corde 2.6x830 (ancienne 783-07130-20) | ||||
| 134 | 6693175 | 6.44 | 7.72 | |
| Ressort de rappel (ancien 780-07130-20) | ||||
| 135 | 6693139 | 9.74 | 11.68 | |
| Boîtier de ressort (ancien 778-07130-90) | ||||
| 136 | 6693102 | 30.25 | 36.30 | |
| Bobine de corde de démarrage (ancien 774-07130-20) | ||||
| 137 | 6693080 | 6.44 | 7.72 | |
| Bague | ||||
| 138 | 6687947 | 2.31 | 2.78 | |
| Vis à fileter D5x14 (ancien 990-72050-144) | ||||
| 139 | 6685275 | 1.15 | 1.38 | |
| Boulon à trou hexagonal 4x18ws (ancien 994-64040-1 | ||||
| 140 | 6695508 | 1.15 | 1.38 | |
| Ensemble Poulie de Démarreur (old 798-07085-90) | ||||
| 141 | 6693408 | 32.21 | 38.66 | |
| Écrou à collerette 5 (ancien 991-82050-001) | ||||
| 142 | 6695169 | 1.15 | 1.38 | |
| Pas d'informations disponibles, non commandable | ||||
| 171A | 6699995 | |||
| Boîtier de Démarreur à Rappel Comp. (ancien 772-07 | ||||
| 172 | 6684673 | 19.06 | 22.88 | |
| Corde de démarrage 3.5x860 (ancien 783-0720f-20/66 | ||||
| 173 | 6684674 | 4.29 | 5.14 | |
| Ressort de rappel (ancien 780-06097-20/6697591) | ||||
| 174 | 6684675 | 11.55 | 13.86 | |
| Bobine de corde de démarrage | ||||
| 175A | 6699997 | 8.41 | 10.10 | |
| Ressort d'amortisseur (ancien 758-0651h-20) | ||||
| 176 | 6684677 | 8.58 | 10.29 | |
| PLAQUE À CAMES | ||||
| 177A | 6699996 | 2.55 | 3.06 | |
| Vis de réglage (ancienne 839-03045-20) | ||||
| 178 | 6684679 | 2.15 | 2.58 | |
| Poignée de démarrage | ||||
| 179 | 6684680 | 2.15 | 2.58 | |
| Poulie de démarrage Ass'y (ancien 798-0651h-90) | ||||
| 180 | 6684681 | 13.20 | 15.84 | |
| Boulon à trou hexagonal 4x18ws (ancien 994-64040-1 | ||||
| 181 | 6695508 | 1.15 | 1.38 | |
| Anneau d'arrêt E-5 (ancien 993-55050-000) | ||||
| 182 | 6684683 | 2.15 | 2.58 | |
| Ressort de griffe de démarrage (ancien 790-06097-2 | ||||
| 183 | 6684684 | 4.29 | 5.14 | |
| Pince d'allumage (ancien 788-0651h-20) | ||||
| 184 | 6684685 | 4.29 | 5.14 | |
| Ass'y de Plaque de Came | ||||
| 185 | 6699691 | 6.10 | 7.32 | |
| Cleaner Assy (ancien 410-07142-91 et 6690047) | ||||
| 231 | 6690048 | 9.58 | 11.49 | |
| Couvercle du filtre à air | ||||
| 232 | 6690391 | 4.45 | 5.34 | |
| Élément de filtre à air | ||||
| 233 | 6684654 | 2.15 | 2.58 | |
| Vis spéciale (ancien 380-0637c-20) | ||||
| 234 | 6689737 | 1.15 | 1.38 | |
| Corps de nettoyeur Comp. (ancien 423-00070-81) | ||||
| 235 | 6684656 | 8.58 | 10.29 | |
| Soupape d'étranglement (ancien 528-07143-81) | ||||
| 236 | 6684657 | 4.29 | 5.14 | |
| Pas d'informations disponibles, non commandable | ||||
| 237 | 6684658 | |||
| Collier 8 (ancien 657-3252a-20) | ||||
| 238 | 6684659 | 2.15 | 2.58 | |
| Corps de pompe comp. (ancien 575-25153-80) | ||||
| 281 | 6684879 | 62.16 | 74.60 | |
| Pompe d'amorçage comp. (ancien 442-25151-80) | ||||
| 282 | 6684687 | 16.34 | 19.60 | |
| Couvercle de membrane (ancien 476-25151-20) | ||||
| 283 | 6684688 | 8.58 | 10.29 | |
| Corps d'amorçage (ancien 447-25108-20) | ||||
| 284 | 6684689 | 6.44 | 7.72 | |
| Diaphragme de mesure Comp. (ancien 474-25241-80) | ||||
| 285 | 6690830 | 11.88 | 14.25 | |
| Joint de diaphragme (ancien 475-25153-20) | ||||
| 286 | 6684691 | 8.58 | 10.29 | |
| Diaphragme de pompe (ancien 576-25100-20 & 6696325 | ||||
| 287 | 6684693 | 8.58 | 10.29 | |
| Joint de pompe (ancien 577-25100-20) | ||||
| 288 | 6691457 | 7.10 | 8.52 | |
| Jet principal #38 (ancien 599-2000w-38) | ||||
| 289 | 6691844 | 4.45 | 5.34 | |
| O-RING (ancien 550-25100-20) | ||||
| 290 | 6684695 | 4.29 | 5.14 | |
| Bague d'arrêt (ancien 489-25100-20) | ||||
| 291 | 6684696 | 2.15 | 2.58 | |
| Pivot (ancien 539-25120-20) | ||||
| 292 | 6684697 | 6.44 | 7.72 | |
| Vis de réglage de l'accélérateur (ancien 548-25140 | ||||
| 293 | 6684698 | 4.29 | 5.14 | |
| Vis de réglage (ancien 548-25151-20 & 6696324) | ||||
| 294 | 6684699 | 2.15 | 2.58 | |
| Écran d'entrée (ancien 578-25007-20) | ||||
| 295 | 6684700 | 4.29 | 5.14 | |
| Arbre de béquille comp. (ancien 289-07061-80/66885 | ||||
| 301 | 6695969 | 15.73 | 18.87 | |
| Anneau d'arrêt C-12 Extérieur | ||||
| 302 | 6684664 | 2.15 | 2.58 | |
| Caoutchouc anti-vibrateur | ||||
| 303 | 6691839 | 3.30 | 3.96 | |
| Boulon à trou hexagonal 5x16 (ancien 990-51050-163 | ||||
| 304 | 6695046 | 1.15 | 1.38 | |
| Boulon trou hexagonal M5x25/s (ancien 994-16050-25 | ||||
| 305 | 6684709 | 2.15 | 2.58 | |
| Enveloppe De Ventilateur | ||||
| 306 | 6687029 | 15.13 | 18.15 | |
| Support de tuyau, TPE | ||||
| 307 | 6689651 | 5.94 | 7.12 | |
| Rondelle Ø 5 | ||||
| 308 | 6684918 | 2.15 | 2.58 | |
| Bague | ||||
| 309 | 6689159 | 1.15 | 1.38 | |
| Raccord métallique (ancien 361-00990-20) | ||||
| 310 | 6689664 | 3.30 | 3.96 | |
| Arbre d'entraînement 1480l (ancien 343-38379-20/66 | ||||
| 321 | 6696009 | 13.53 | 16.23 | |
| Tube de direction | ||||
| 322 | 6689410 | 24.20 | 29.04 | |
| Pas d'informations disponibles, non commandable | ||||
| 323 | 6684831 | |||
| Hex.nut 6 (ancien 6684792/991-01060-041/790444) | ||||
| 324 | 6684835 | 2.15 | 2.58 | |
| HANDLE (OLD 500-37300-20) | ||||
| 325 | 6684836 | 14.58 | 17.50 | |
| Barrière (noir) (ancien 520-37277-20) | ||||
| 326 | 6684837 | 9.40 | 11.28 | |
| Boulon 6x43/p (noir) (ancien 994-23060-432) | ||||
| 327 | 6684838 | 2.15 | 2.58 | |
| Collier de cintre (ancien 334-38360-20) | ||||
| 328 | 6689260 | 1.15 | 1.38 | |
| Cintre (ancien 335-38360-80) | ||||
| 329 | 6689281 | 12.88 | 15.45 | |
| Support de fixation de cintre pour les États-Unis | ||||
| 330 | 6689294 | 1.15 | 1.38 | |
| Plus disponible, pas de remplacement | ||||
| 331 | 6696988 | |||
| Levier de papillon Ass'y (ancien 870-38449-90) | ||||
| 332 | 6693769 | 36.15 | 43.38 | |
| Câble d'accélérateur | ||||
| 333 | 6693982 | 19.96 | 23.96 | |
| Câble d'accélérateur 4t (ancien 887-38449-80) | ||||
| 334 | 6694025 | 8.41 | 10.10 | |
| Bouton d'arrêt Comp. (ancien 156-37821-80) | ||||
| 335 | 6687452 | 13.91 | 16.70 | |
| Tube de protection 7x145l (ancien 164-07014-50) No | ||||
| 336 | 6687523 | 1.05 | 1.26 | |
| Plus disponible, pas de remplacement | ||||
| 337 | 6684721 | |||
| Ressort de rappel (ancien 832-38400-20) | ||||
| 338 | 6684722 | 2.15 | 2.58 | |
| Bouchon aveugle (ancien 322-38400-20) | ||||
| 339 | 6684724 | 2.15 | 2.58 | |
| Vis M5x20 (ancien 994-31050-203) | ||||
| 340 | 6684803 | 2.15 | 2.58 | |
| Pas d'informations disponibles, non commandable | ||||
| 341 | 6684727 | |||
| Vis M4x20 (noire) (ancienne 993-46040-202) | ||||
| 342 | 6684725 | 2.15 | 2.58 | |
| Levier de gaz (ancien 880-38400-20) | ||||
| 343 | 6684804 | 8.58 | 10.29 | |
| Carter | ||||
| 351 | 6688817 | 66.40 | 79.68 | |
| Boulon trou hexagonal M5x25/s (ancien 994-16050-25 | ||||
| 352 | 6684709 | 2.15 | 2.58 | |
| Arrêt Anneau C-24.inner (ancien 993-51024-002) | ||||
| 353 | 6684732 | 2.15 | 2.58 | |
| Bague d'arrêt C-9, externe (ancien 993-50009-002) | ||||
| 354 | 6695281 | 1.15 | 1.38 | |
| Roulement à billes 609z ST | ||||
| 355 | 6684735 | 8.58 | 10.29 | |
| Boîtier d'engrenages 24 (ancien 300-38360-21) | ||||
| 356 | 6688815 | 12.38 | 14.85 | |
| Vis 5x12/w.s (ancien 994-16050-121) | ||||
| 357 | 6695414 | 1.15 | 1.38 | |
| Boulon d'huilage (ancien 316-38150-20) | ||||
| 358 | 6689109 | 1.15 | 1.38 | |
| Roulement à billes | ||||
| 359 | 6695567 | 4.45 | 5.34 | |
| Arbre de transmission (ancien 304-38360-20) | ||||
| 360 | 6688948 | 9.74 | 11.68 | |
| Roulement à billes | ||||
| 361 | 6695527 | 6.60 | 7.92 | |
| BAGUE D'ARRÊT C-26, interne (ANCIEN 993-51026-002) | ||||
| 362 | 6695294 | 1.15 | 1.38 | |
| Porte-cutter (ancien 310-38360-20) | ||||
| 363 | 6689033 | 6.44 | 7.72 | |
| Capuchon de Porte-Couteau (ancien 311-38360-20) | ||||
| 364 | 6689056 | 3.30 | 3.96 | |
| Couvercle de protection (ancien 308-38360-20) | ||||
| 365 | 6688996 | 3.30 | 3.96 | |
| Écrou de Fixation M8 L/h (ancien 313-38360-20/6689 | ||||
| 366 | 6689075 | 1.15 | 1.38 | |
| Couvercle de boîte d'engrenages (ancien 303-38360- | ||||
| 367 | 6688917 | 2.31 | 2.78 | |
| Vis 5x12/w.s (ancien 994-16050-121) | ||||
| 368 | 6695414 | 1.15 | 1.38 | |
| Ensemble Pignon d'Engrenage (ancien 301-38360-00) | ||||
| 369 | 6688883 | 13.91 | 16.70 | |
| VIS A TETE HEXAGONALE AVEC TROU 6X25S (ANCIEN 994- | ||||
| 380 | 6684714 | 2.15 | 2.58 | |
| Support de Couvercle D24 (ancien 442-38455-20) | ||||
| 381 | 6690317 | 3.30 | 3.96 | |
| Support de Couvercle (ancien 442-38470-20) | ||||
| 381A | 6690318 | 5.11 | 6.14 | |
| Garde de lame 26 Ce (ancien 441-37380-21/6690241) | ||||
| 382 | 6690242 | 16.64 | 19.96 | |
| Garde de Lame 24 Ce (ancien 441-38505-20) | ||||
| 382A | 6684747 | 30.70 | 36.84 | |
| Support de couvercle de sécurité (ancien 445-37380 | ||||
| 383 | 6684748 | 4.29 | 5.14 | |
| Plus disponible, pas de remplacement | ||||
| 384 | 6690372 | |||
| Garde de couvert (ancien 447-38455-20) | ||||
| 384A | 6684749 | 14.98 | 17.97 | |
| Lame (ancienne 797-37380-21/6693385) | ||||
| 385 | 6693386 | 4.45 | 5.34 | |
| Lame (ancien 797-37714-20) | ||||
| 385A | 6684750 | 4.29 | 5.14 | |
| Vis 5x12/s (ancienne 994-14050-121) | ||||
| 386 | 6695334 | 1.15 | 1.38 | |
| Vis autotaraudeuse 4x14 (ancien 993-48040-142) | ||||
| 386A | 6684751 | 2.15 | 2.58 | |
| Écrou hexagonal 5 (ancien 991-01050-011) | ||||
| 387 | 6684965 | 1.04 | 1.24 | |
| Entretoise de support (ancien 444-37609-20) | ||||
| 388 | 6690332 | 1.15 | 1.38 | |
| Vis autotaraudeuse 5x20 (ancien 993-17052-002) | ||||
| 389 | 6684753 | 2.15 | 2.58 | |
| Lame (ancienne 797-38331-20) | ||||
| 390 | 6684754 | 8.58 | 10.29 | |
| Pas d'informations disponibles, non commandable | ||||
| 501 | 6684813 | |||
| Clé combinée 13x19 (ancienne 829-29005-2h) Nouvell | ||||
| 502 | 6693588 | 3.30 | 3.96 | |
| Pas d'informations disponibles, non commandable | ||||
| 504A | 875769 | |||
| Pas d'informations disponibles, non commandable | ||||
| 505 | 6695795 | |||
| Pas d'informations disponibles, non commandable | ||||
| 511 | 6695783 | |||
| Corps de coupe (ancien 786-38454-20) | ||||
| 512 | 6693273 | 17.55 | 21.06 | |
| Écrou spécial (ancien 315-38454-20) | ||||
| 513 | 6689103 | 9.74 | 11.68 | |
| Ressort de bobine (ancien 793-38454-20) | ||||
| 514 | 6693380 | 3.30 | 3.96 | |
| Œillet (ancien 788-37770-20) | ||||
| 515 | 6684810 | 2.15 | 2.58 | |
| Bobine (ancien 787-38454-20) | ||||
| 516 | 6693294 | 11.05 | 13.26 | |
| Plus disponible, pas de remplacement | ||||
| 517 | 6693340 | |||
| Pas d'informations disponibles, non commandable | ||||
| 518 | 6697932 | |||
| Pas d'informations disponibles, non commandable | ||||
| 602 | 6699680 | |||