Vous trouverez ici toutes les pièces et dessins disponibles du 'Hikoki CD12F'. De là, vous pouvez commander directement toutes les pièces souhaitées. De nombreuses pièces doivent être commandées auprès du fabricant, selon la marque, cela prend une à quatre semaines. Toutes les informations dont nous disposons se trouvent sur notre site Web, nous ne pouvons pas vous conseiller sur ce dont vous avez besoin, pour cela vous devrez retourner la machine pour réparation. Veuillez noter ce qui suit lors de la commande:
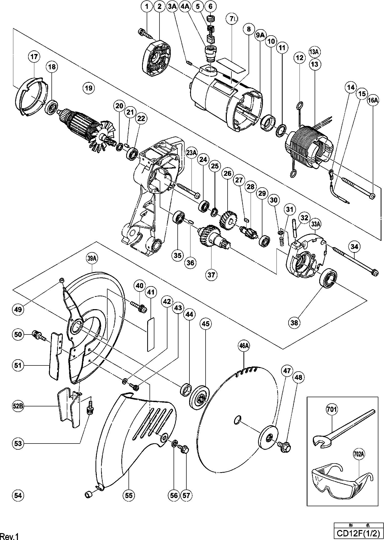
Dessins des Hikoki CD12F
Liste de pièces de rechange des Hikoki CD12F
| Pos. | Description | Prix hors TVA | Prix TTC | |
| Les prix affichés incluent la TVA | ||||
| Pas d'informations disponibles, non commandable | ||||
| 1 | 305726 | |||
| Pas d'informations disponibles, non commandable | ||||
| 2 | 307563 | |||
| INBUSSTELSCHROEF M4X8 | ||||
| 3A | 977089 | 1.00 | 1.20 | |
| Porte Charbon | ||||
| 4A | 980487 | 5.68 | 6.81 | |
| Jeu De Charbons (1 paire) | ||||
| 5 | 999044 | 4.50 | 5.40 | |
| Pas d'informations disponibles, non commandable | ||||
| 6 | 978445 | |||
| Bouchon De Charbon | ||||
| 6A | 940540 | 1.04 | 1.24 | |
| Carcasse Cc-14 Includ.3a,4a,10 | ||||
| 9A | 951867 | 64.21 | 77.06 | |
| Coussinet | ||||
| 10 | 951878 | 14.70 | 17.64 | |
| Pas d'informations disponibles, non commandable | ||||
| 11 | 306001 | |||
| Raccord | ||||
| 12 | 998744 | 1.20 | 1.44 | |
| Borne For Noise Suppressor | ||||
| 14 | 938108 | 1.20 | 1.44 | |
| Vis Autotaraudeuse D5x75 | ||||
| 16A | 320210 | 1.50 | 1.80 | |
| Roulement | ||||
| 18 | 6300VV | 8.25 | 9.90 | |
| Induit 230v | ||||
| 19 | 360313E | 157.44 | 188.92 | |
| Entretoise | ||||
| 20 | 947622 | 1.04 | 1.24 | |
| GOUJON EN CAOUTCHOUC (ANCIEN 976441) | ||||
| 21 | 946362 | 1.05 | 1.26 | |
| Roulement A Billes | ||||
| 22 | 6002DD | 7.05 | 8.46 | |
| Vis D5x50 (ancienne 956669) | ||||
| 23A | 931554 | 1.50 | 1.80 | |
| Roulement | ||||
| 24 | 6000VV | 6.15 | 7.38 | |
| Bague de retenue pour arbre D16 (10 pièces) | ||||
| 25 | 939545 | 3.30 | 3.96 | |
| Pas d'informations disponibles, non commandable | ||||
| 26 | 306004 | |||
| Goupille 5x5x10 | ||||
| 27 | 948015 | 1.05 | 1.26 | |
| Second Pignon Cd 12f | ||||
| 28 | 306003 | 37.95 | 45.54 | |
| Roulement à billes 6200 Vv | ||||
| 29 | 6200VV | 6.15 | 7.38 | |
| Rondelle Elastique | ||||
| 30 | 974577 | 1.05 | 1.26 | |
| Pas d'informations disponibles, non commandable | ||||
| 31 | 306007 | |||
| Pas d'informations disponibles, non commandable | ||||
| 32 | 303426 | |||
| Pas d'informations disponibles, non commandable | ||||
| 33A | 306006 | |||
| Pas d'informations disponibles, non commandable | ||||
| 34 | 306008 | |||
| Roulement Cr12v H90sc | ||||
| 35 | 6201VV | 6.45 | 7.74 | |
| GOUJON EN CAOUTCHOUC (ANCIEN 976441) | ||||
| 36 | 946362 | 1.05 | 1.26 | |
| Pas d'informations disponibles, non commandable | ||||
| 37 | 306005 | |||
| Roulement A Bille | ||||
| 38 | 6205DD | 10.35 | 12.42 | |
| Housse de scie | ||||
| 39A | 306009 | 64.21 | 77.06 | |
| Pas d'informations disponibles, non commandable | ||||
| 40 | 300196 | |||
| HITACHI LABEL | ||||
| 41 | 978956 | 1.00 | 1.20 | |
| Rondelle de ressort M6 (ancien 949455z, 10 pieces) | ||||
| 42 | 949455 | 1.05 | 1.26 | |
| INBUSBOUT M6X10 ( 10 STUKS ) | ||||
| 43 | 949830 | 2.46 | 2.95 | |
| Manchon (b) | ||||
| 44 | 305994 | 8.40 | 10.08 | |
| Bride Intermediaire | ||||
| 45 | 305995 | 20.49 | 24.58 | |
| Pas d'informations disponibles, non commandable | ||||
| 46A | 308088 | |||
| Serre Lame Cd 12f | ||||
| 47 | 305996 | 19.94 | 23.92 | |
| Pas d'informations disponibles, non commandable | ||||
| 48 | 305997 | |||
| Caoutchouc | ||||
| 49 | 306471 | 1.65 | 1.98 | |
| Vis Cd 12f | ||||
| 50 | 995046 | 1.05 | 1.26 | |
| Pas d'informations disponibles, non commandable | ||||
| 51 | 306011 | |||
| Guide de collecteur de poussière (a) (307566) | ||||
| 52B | 306010 | 9.60 | 11.52 | |
| Vis Cd 12f | ||||
| 53 | 995046 | 1.05 | 1.26 | |
| Protecteur | ||||
| 55 | 307571 | 105.05 | 126.06 | |
| Rondelle Cd 12f | ||||
| 56 | 302311 | 1.95 | 2.34 | |
| Boulon Cd 12f | ||||
| 57 | 306013 | 5.85 | 7.02 | |
| Vis Cd 12f | ||||
| 58 | 995046 | 1.05 | 1.26 | |
| Pas d'informations disponibles, non commandable | ||||
| 59B | 305998 | |||
| Bouclier Protecteur | ||||
| 60 | 306015 | 7.65 | 9.18 | |
| Vis M.5*16 | ||||
| 61 | 990541 | 1.05 | 1.26 | |
| Manchon à cabler | ||||
| 62 | 981373 | 1.05 | 1.26 | |
| Pas d'informations disponibles, non commandable | ||||
| 63 | 952806Z | |||
| Serre Cable | ||||
| 64 | 937631 | 1.04 | 1.24 | |
| Vis Cj 65vai (paquet de 10) | ||||
| 65 | 949219 | 1.20 | 1.44 | |
| Entree De Cable Ø 10,1 | ||||
| 66A | 938051 | 1.04 | 1.24 | |
| Pas d'informations disponibles, non commandable | ||||
| 67A | 307351 | |||
| Pas d'informations disponibles, non commandable | ||||
| 68 | 305988 | |||
| Pas d'informations disponibles, non commandable | ||||
| 69 | 305982 | |||
| Circlips en "e" pour Ø6 | ||||
| 70 | 955479 | 1.05 | 1.26 | |
| Douille | ||||
| 71 | 971563 | 1.05 | 1.26 | |
| Vis Etau Cd 12f y compris 70,71 | ||||
| 72 | 305983 | 26.40 | 31.68 | |
| Pas d'informations disponibles, non commandable | ||||
| 73A | 305984 | |||
| VEER | ||||
| 75 | 978946 | 2.94 | 3.53 | |
| BUS | ||||
| 76 | 978947 | 11.70 | 14.04 | |
| ONTGRENDELGRIP | ||||
| 77 | 978948 | 4.32 | 5.18 | |
| AFDEKPLAATJE | ||||
| 78 | 978949 | 1.26 | 1.51 | |
| Vis Ø 4x12 noir Till 8.2019 (since 9.2017 Except | ||||
| 79 | 935196 | 1.04 | 1.24 | |
| ROLL PIN D4X40 (10 STUKS) | ||||
| 80 | 949688 | 3.48 | 4.18 | |
| Rondelle M.8 (x10) Paquet de 10 | ||||
| 81 | 949433 | 1.05 | 1.26 | |
| Goupille fendue D3x15 (10 pièces) | ||||
| 82 | 949537 | 1.35 | 1.62 | |
| Goupille Cc 14 | ||||
| 83 | 949681 | 3.60 | 4.32 | |
| Rondelle Cc-14 | ||||
| 84 | 955818 | 1.05 | 1.26 | |
| Pas d'informations disponibles, non commandable | ||||
| 85 | 305987 | |||
| Pas d'informations disponibles, non commandable | ||||
| 86 | 305986 | |||
| Axe | ||||
| 87 | 305985 | 11.55 | 13.86 | |
| Pas d'informations disponibles, non commandable | ||||
| 88 | 949339 | |||
| Pas d'informations disponibles, non commandable | ||||
| 89 | 305981 | |||
| Pas d'informations disponibles, non commandable | ||||
| 90A | 305980 | |||
| Silent Bloc Cc-14 | ||||
| 91 | 964851 | 1.05 | 1.26 | |
| Rondelle Ø5 (x10) paquet de 10 | ||||
| 92 | 949431 | 1.04 | 1.24 | |
| Vis M.5*20 (paquet de 10) | ||||
| 93 | 949241 | 1.35 | 1.62 | |
| Couvercle de la poignée (ancien 951898) | ||||
| 94A | 320266 | 6.75 | 8.10 | |
| Vis Ø 4*25 noir | ||||
| 95A | 307028 | 1.05 | 1.26 | |
| Connecteur 50092 | ||||
| 96 | 959141 | 3.75 | 4.50 | |
| SMOORSPOEL | ||||
| 98 | 965140 | 43.18 | 51.82 | |
| Manchon à cabler | ||||
| 99 | 981373 | 1.05 | 1.26 | |
| Condensateur | ||||
| 100 | 965141 | 11.85 | 14.22 | |
| Bouclier Jusqu'à 7.1993 | ||||
| 101 | 307564 | 1.80 | 2.16 | |
| Pas d'informations disponibles, non commandable | ||||
| 102 | 307384 | |||
| Pas d'informations disponibles, non commandable | ||||
| 103 | 968523 | |||
| Vis Cd 12f | ||||
| 104 | 977133 | 1.05 | 1.26 | |
| Rondelle M4 (x10) Paquet de 10 | ||||
| 105 | 949429 | 1.05 | 1.26 | |
| Pas d'informations disponibles, non commandable | ||||
| 106 | 955835 | |||
| Interrupteur Cc-14 | ||||
| 107 | 976825 | 22.00 | 26.40 | |
| Poignee | ||||
| 108A | 951524 | 18.15 | 21.78 | |
| Pas d'informations disponibles, non commandable | ||||
| 109 | 306002 | |||
| Pas d'informations disponibles, non commandable | ||||
| 110A | 306000 | |||
| Pas d'informations disponibles, non commandable | ||||
| 111 | 306065 | |||
| INBUSSCHROEF M5X12 | ||||
| 112 | 966292 | 1.00 | 1.20 | |
| Ressort | ||||
| 113 | 305993 | 9.60 | 11.52 | |
| Boulon (avec rondelles) M10x35 | ||||
| 114 | 305126 | 1.35 | 1.62 | |
| Vis Cd 12f | ||||
| 115 | 995046 | 1.05 | 1.26 | |
| Pas d'informations disponibles, non commandable | ||||
| 116 | 305990 | |||
| Mord Cd 12f | ||||
| 117 | 305989 | 55.41 | 66.50 | |
| Ecrou M8(x10) (paquet de 10) | ||||
| 118 | 949558 | 1.05 | 1.26 | |
| Vis à six pans M8 X 30 | ||||
| 119 | 949759 | 7.05 | 8.46 | |
| Pas d'informations disponibles, non commandable | ||||
| 120 | 988872 | |||
| Écrou de blocage (insert en nylon) M10 | ||||
| 121A | 949572 | 2.40 | 2.88 | |
| Pas d'informations disponibles, non commandable | ||||
| 122 | 305992 | |||
| Pas d'informations disponibles, non commandable | ||||
| 123B | 305991 | |||
| Vis M6x10 (paquet de 10) | ||||
| 124 | 949394 | 7.05 | 8.46 | |
| Rondelle M8 (x10) Paquet de 10 | ||||
| 125 | 949457 | 1.05 | 1.26 | |
| Pas d'informations disponibles, non commandable | ||||
| 701 | 879055 | |||
| Pas d'informations disponibles, non commandable | ||||
| 702A | 875769 | |||
| Pas d'informations disponibles, non commandable | ||||
| 901A | 308089 | |||