Vous trouverez ici toutes les pièces et dessins disponibles du 'Hikoki CB18DBL'. De là, vous pouvez commander directement toutes les pièces souhaitées. De nombreuses pièces doivent être commandées auprès du fabricant, selon la marque, cela prend une à quatre semaines. Toutes les informations dont nous disposons se trouvent sur notre site Web, nous ne pouvons pas vous conseiller sur ce dont vous avez besoin, pour cela vous devrez retourner la machine pour réparation. Veuillez noter ce qui suit lors de la commande:
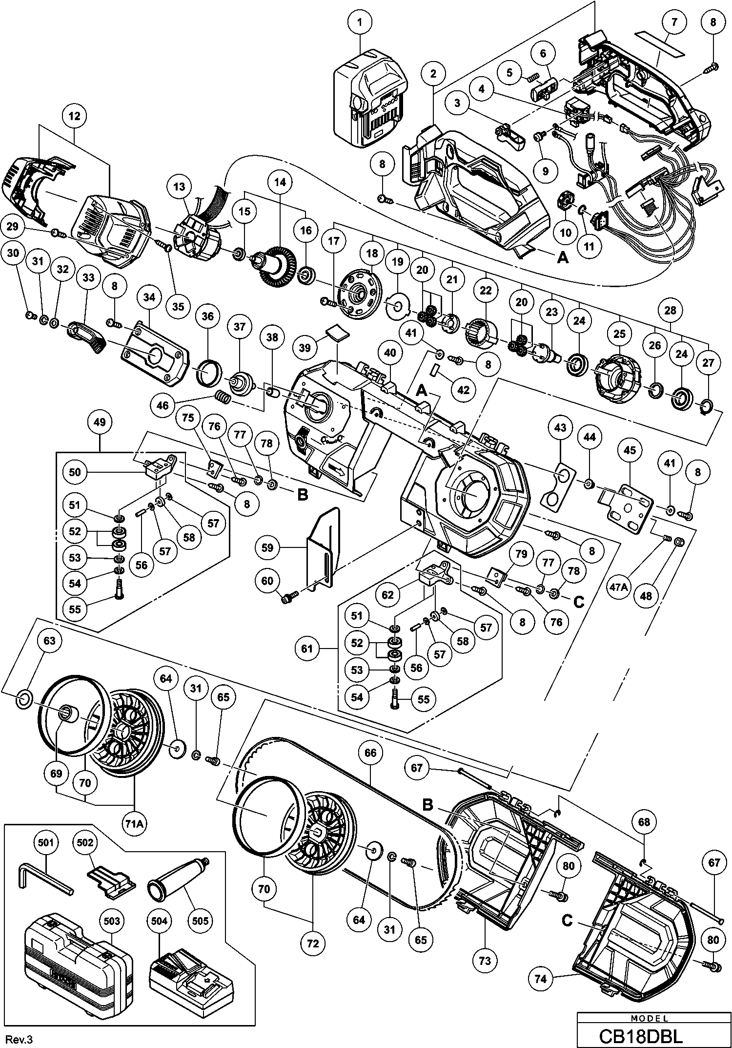
Dessins des Hikoki CB18DBL
Liste de pièces de rechange des Hikoki CB18DBL
| Pos. | Description | Prix hors TVA | Prix TTC | |
| Les prix affichés incluent la TVA | ||||
| Couvercle de poulie de lame (b) | ||||
| *73 | 339370 | 5.40 | 6.48 | |
| Couvercle de poulie de lame (a) | ||||
| *74 | 339369 | 5.40 | 6.48 | |
| Pas d'informations disponibles, non commandable | ||||
| 1 | 336385 | |||
| Poignee | ||||
| 2 | 338953 | 21.45 | 25.74 | |
| Poignee | ||||
| 2A | 338953 | 21.45 | 25.74 | |
| Gachette | ||||
| 3 | 338899 | 1.04 | 1.24 | |
| Pas d'informations disponibles, non commandable | ||||
| 4 | 338900 | |||
| Interrupteur (1) | ||||
| 4A | 371322 | 12.30 | 14.76 | |
| Ressort | ||||
| 5 | 336650 | 1.05 | 1.26 | |
| Bouton | ||||
| 6 | 339247 | 1.04 | 1.24 | |
| Pas d'informations disponibles, non commandable | ||||
| 8 | 307811 | |||
| Vis Ø3,5x6 | ||||
| 9 | 307887 | 1.04 | 1.24 | |
| Cadran | ||||
| 10 | 337397 | 1.50 | 1.80 | |
| O Ring D 6sh | ||||
| 11 | 987105 | 1.05 | 1.26 | |
| Pas d'informations disponibles, non commandable | ||||
| 12 | 338951 | |||
| Inducteur | ||||
| 13 | 340922 | 153.18 | 183.81 | |
| Ensemble de pignon de rotor Incl.15,16 | ||||
| 14 | 361012 | 54.73 | 65.67 | |
| Roulement à billes 625dd | ||||
| 15 | 333826 | 5.10 | 6.12 | |
| Roulement à billes 608vv | ||||
| 16 | 333945 | 1.80 | 2.16 | |
| Pas d'informations disponibles, non commandable | ||||
| 17 | 339251 | |||
| Couvercle de boîte de vitesses | ||||
| 18 | 339128 | 2.85 | 3.42 | |
| Pas d'informations disponibles, non commandable | ||||
| 19 | 339133 | |||
| Pas d'informations disponibles, non commandable | ||||
| 20 | 339249 | |||
| Pas d'informations disponibles, non commandable | ||||
| 21 | 339132 | |||
| Pas d'informations disponibles, non commandable | ||||
| 22 | 339131 | |||
| Pas d'informations disponibles, non commandable | ||||
| 23 | 339129 | |||
| Pas d'informations disponibles, non commandable | ||||
| 24 | 6902VV | |||
| Carter | ||||
| 25 | 339127 | 4.95 | 5.94 | |
| Pas d'informations disponibles, non commandable | ||||
| 26 | 339130 | |||
| Clips Pour Ø 15 (x10) paquet 10 | ||||
| 27 | 939544 | 2.13 | 2.55 | |
| Ensemble de boîte d'engrenages | ||||
| 28 | 339126 | 57.20 | 68.64 | |
| Vis à tôle (avec bride) D4x20 | ||||
| 29 | 339250 | 1.04 | 1.24 | |
| Vis Tôlière Avec Rondelle D4x23 (noir) | ||||
| 29A | 328643 | 1.05 | 1.26 | |
| Vis M6x10 (paquet de 10) | ||||
| 30 | 949256 | 1.35 | 1.62 | |
| Rondelle de ressort M6 (ancien 949455z, 10 pieces) | ||||
| 31 | 949455 | 1.05 | 1.26 | |
| Rondelle M.6 (x10) paquet de 10 | ||||
| 32 | 949432 | 1.05 | 1.26 | |
| Levier De Tension (1) | ||||
| 33 | 338965 | 1.04 | 1.24 | |
| Pas d'informations disponibles, non commandable | ||||
| 34 | 338961 | |||
| Vis autotaraudeuse (avec bride) D3x20 | ||||
| 35 | 332929 | 1.80 | 2.16 | |
| Bague | ||||
| 36 | 338963 | 3.60 | 4.32 | |
| Arbre de levier | ||||
| 37 | 338962 | 10.05 | 12.06 | |
| Pas d'informations disponibles, non commandable | ||||
| 38 | 338964 | |||
| Pas d'informations disponibles, non commandable | ||||
| 39 | 339248 | |||
| Pas d'informations disponibles, non commandable | ||||
| 39A | 339495 | |||
| Chassis | ||||
| 40 | 338950 | 21.31 | 25.58 | |
| Rondelle | ||||
| 41 | 338971 | 1.04 | 1.24 | |
| Broche de palier | ||||
| 42 | 338978 | 1.04 | 1.24 | |
| Plaque De Protection | ||||
| 43 | 338970 | 1.04 | 1.24 | |
| Pas d'informations disponibles, non commandable | ||||
| 44 | 338968 | |||
| Plaque De Glissement | ||||
| 45 | 338969 | 8.55 | 10.26 | |
| Ressort de tension | ||||
| 46 | 338967 | 1.20 | 1.44 | |
| Vis d'arrêt Hex. Socket M5x12 | ||||
| 47A | 339604 | 1.04 | 1.24 | |
| Entretoise M5 (10 pces) | ||||
| 48 | 949566 | 1.04 | 1.24 | |
| Support de roulement (b) Ass'y Includ.50-58 | ||||
| 49 | 338974 | 13.05 | 15.66 | |
| Pas d'informations disponibles, non commandable | ||||
| 50 | 338976 | |||
| Rondelle M5 (x10) paquet de 10 | ||||
| 51 | 949424 | 1.05 | 1.26 | |
| Roulement A Billes | ||||
| 52 | 606ZZM | 15.40 | 18.48 | |
| Rondelle M.6 (x10) paquet de 10 | ||||
| 53 | 949432 | 1.05 | 1.26 | |
| Rondelle de ressort M6 (ancien 949455z, 10 pieces) | ||||
| 54 | 949455 | 1.05 | 1.26 | |
| Broche de roulement (b) | ||||
| 55 | 322681 | 1.20 | 1.44 | |
| Broche de roulement | ||||
| 56 | 322680 | 1.20 | 1.44 | |
| Rondelle de boulon M4 (noir) Pour 220v-240v | ||||
| 57 | 323210 | 1.05 | 1.26 | |
| Rouleau 604vv | ||||
| 58 | 323043 | 3.15 | 3.78 | |
| Support de guidage | ||||
| 59 | 338977 | 5.55 | 6.66 | |
| Vis Cc 14 New | ||||
| 60 | 996728 | 1.05 | 1.26 | |
| Support de roulement (a) Ass'y Includ.51-58,62 | ||||
| 61 | 338973 | 13.05 | 15.66 | |
| Support de roulement (a) | ||||
| 62 | 338975 | 2.55 | 3.06 | |
| Rondelle Plate | ||||
| 63 | 338972 | 1.04 | 1.24 | |
| RONDELLE (A) | ||||
| 64 | 338960 | 1.04 | 1.24 | |
| Vis M6x16 (paquet de 10) | ||||
| 65 | 949755 | 3.00 | 3.60 | |
| Pas d'informations disponibles, non commandable | ||||
| 66 | 338431 | |||
| Goupille D4 | ||||
| 67 | 339134 | 1.05 | 1.26 | |
| Circlips Sod-110 Till 6.1998 | ||||
| 68 | 872971 | 1.05 | 1.26 | |
| Roul. A Aiguilles (1) | ||||
| 69 | 338957 | 1.50 | 1.80 | |
| Caoutchouc de poulie de lame | ||||
| 70 | 338959 | 1.35 | 1.62 | |
| Poulie de lame (b) Ensemble incluant 69,70 | ||||
| 71A | 370037 | 17.46 | 20.96 | |
| Poulie de lame (a) ass'y inclut.70 | ||||
| 72 | 338955 | 14.85 | 17.82 | |
| Couvercle de poulie de lame (b) | ||||
| 73 | 339370 | 5.40 | 6.48 | |
| Couvercle de poulie de lame (a) | ||||
| 74 | 339369 | 5.40 | 6.48 | |
| Porte-couvercle (b) | ||||
| 75 | 339372 | 5.40 | 6.48 | |
| Vis à tôle (avec bride) D4x20 | ||||
| 76 | 339250 | 1.04 | 1.24 | |
| O-RING (S-4) | ||||
| 77 | 981317 | 1.05 | 1.26 | |
| Rondelle M5 (x10) paquet de 10 | ||||
| 78 | 949424 | 1.05 | 1.26 | |
| Pas d'informations disponibles, non commandable | ||||
| 79 | 339371 | |||
| Vis Cc 14 New | ||||
| 80 | 996728 | 1.05 | 1.26 | |
| Pas d'informations disponibles, non commandable | ||||
| 501 | 944458 | |||
| Capuchon de protection pour batterie | ||||
| 502 | 329897 | 1.80 | 2.16 | |
| Pas d'informations disponibles, non commandable | ||||
| 503 | 338954 | |||
| Pas d'informations disponibles, non commandable | ||||
| 505 | 981828 | |||
| Pas d'informations disponibles, non commandable | ||||
| 601 | 338430 | |||