Vous trouverez ici toutes les pièces et dessins disponibles du 'Hikoki C7UY'. De là, vous pouvez commander directement toutes les pièces souhaitées. De nombreuses pièces doivent être commandées auprès du fabricant, selon la marque, cela prend une à quatre semaines. Toutes les informations dont nous disposons se trouvent sur notre site Web, nous ne pouvons pas vous conseiller sur ce dont vous avez besoin, pour cela vous devrez retourner la machine pour réparation. Veuillez noter ce qui suit lors de la commande:
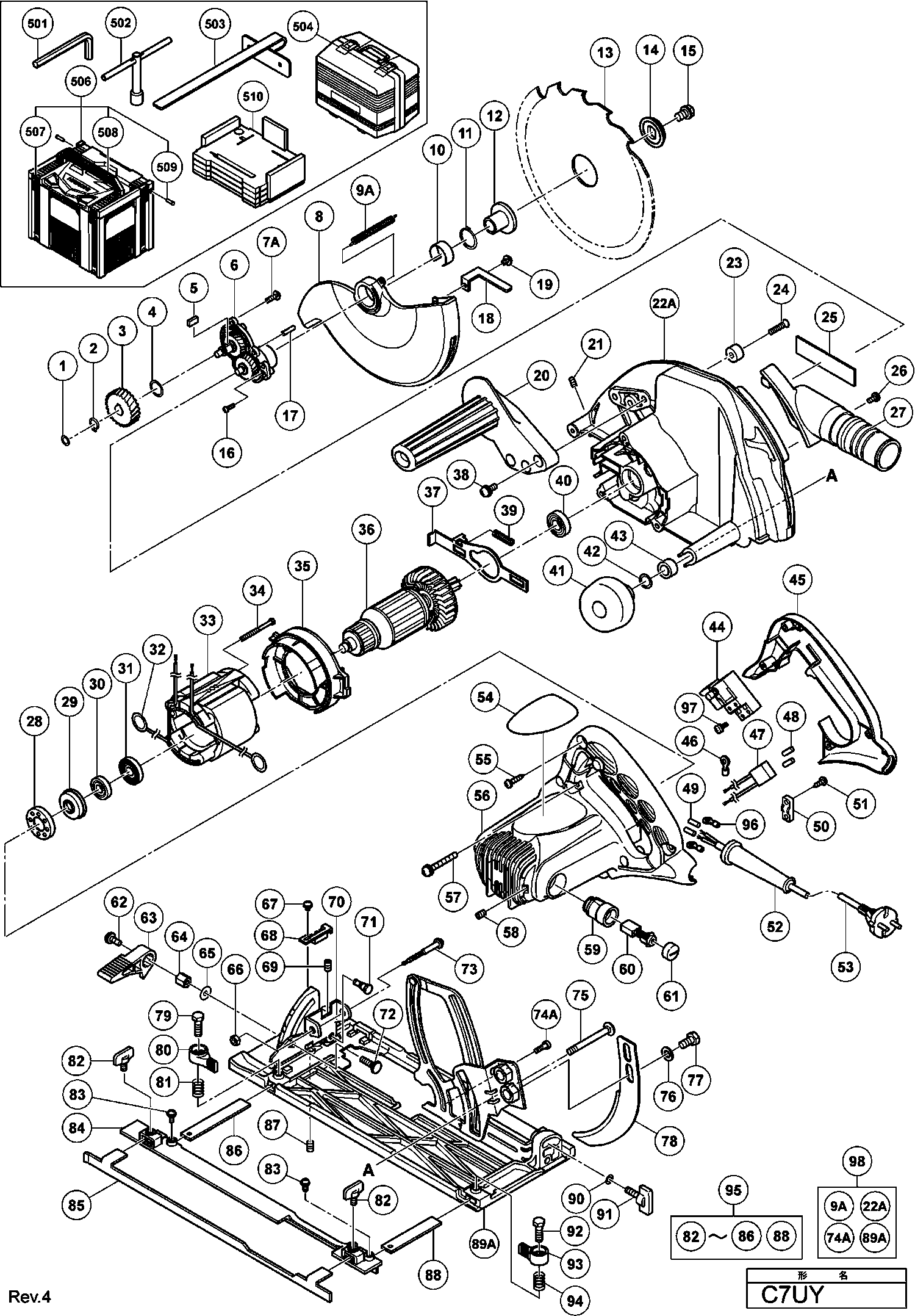
Dessins des Hikoki C7UY
Liste de pièces de rechange des Hikoki C7UY
| Pos. | Description | Prix hors TVA | Prix TTC | |
| Les prix affichés incluent la TVA | ||||
| Pas d'informations disponibles, non commandable | ||||
| *27 | 997247 | |||
| Stator 220v-230v H-90sa Includ.103 Pour Nzl,saf | ||||
| *33 | 340762E | 51.84 | 62.20 | |
| VELD 110 VOLT | ||||
| *33 | 340762G | 30.20 | 36.24 | |
| Induit 230v | ||||
| *36 | 360882E | 94.46 | 113.36 | |
| Commutateur | ||||
| *44 | 963756Z | 13.20 | 15.84 | |
| Interrupteur | ||||
| *44 | 302470 | 10.95 | 13.14 | |
| Entree De Cable Ø 8.8 | ||||
| *52 | 380090 | 1.04 | 1.25 | |
| Entree De Cable Ø 10,1 | ||||
| *52 | 938051 | 1.04 | 1.24 | |
| SNOER 2.5M 2 X 1.0 H05VV-F W/PLUG 13A/250V (OLD 50 | ||||
| *53 | 500423Z | 12.87 | 15.44 | |
| SNOER 10.7 (USE 714500=2X1 5M) | ||||
| *53 | 500247Z | 6.18 | 7.42 | |
| Pas d'informations disponibles, non commandable | ||||
| *56 | 330996 | |||
| Rondelle M.6 (x10) paquet de 10 | ||||
| *76 | 949432 | 1.05 | 1.26 | |
| Vis Ø6*10(2) Sui,saf | ||||
| *77 | 331513 | 1.05 | 1.26 | |
| Couteau Diviseur | ||||
| *78 | 331016 | 3.15 | 3.78 | |
| Pas d'informations disponibles, non commandable | ||||
| *8 | 335414 | |||
| Boulon à ailettes M6x12 | ||||
| *82 | 307947 | 1.35 | 1.62 | |
| Vis Machine M5x12 Noir | ||||
| *83 | 331761 | 1.65 | 1.98 | |
| Adaptateur de Rail de Guidage Sui | ||||
| *84 | 330968 | 8.33 | 9.99 | |
| Plaque de Rail de Guidage Sui | ||||
| *85 | 330978 | 4.20 | 5.04 | |
| Pas d'informations disponibles, non commandable | ||||
| *86 | 330979 | |||
| Pas d'informations disponibles, non commandable | ||||
| *88 | 330980 | |||
| Vis Ø6*10 Sui | ||||
| *92 | 331004 | 5.55 | 6.66 | |
| Levier | ||||
| *93 | 330972 | 1.95 | 2.34 | |
| Ressort Sui | ||||
| *94 | 330983 | 1.05 | 1.26 | |
| Rail De Guidage | ||||
| *95 | 331762 | 14.65 | 17.58 | |
| Bague | ||||
| 1 | 991733 | 1.05 | 1.26 | |
| Circlips Dim 11 Till 9.2012 | ||||
| 2 | 316487 | 1.65 | 1.98 | |
| Engrenage | ||||
| 3 | 331756 | 8.25 | 9.90 | |
| Joint Torique | ||||
| 4 | 331304 | 1.05 | 1.26 | |
| Clavette 4*4*10 | ||||
| 5 | 930511 | 2.40 | 2.88 | |
| Carter Engrenage C 7buy Includ.2-5 | ||||
| 6 | 330999 | 55.14 | 66.16 | |
| Vis Ø 4x12 | ||||
| 7A | 328628 | 1.05 | 1.26 | |
| Protecteur | ||||
| 8 | 331015 | 12.45 | 14.94 | |
| Ressort de retour | ||||
| 9A | 337086 | 1.04 | 1.24 | |
| RONDELLE AVANT | ||||
| 10 | 330981 | 1.05 | 1.26 | |
| Rondelle Elastique | ||||
| 11 | 939548 | 4.65 | 5.58 | |
| Rondelle | ||||
| 12 | 330985 | 5.03 | 6.03 | |
| Pas d'informations disponibles, non commandable | ||||
| 13 | 330888 | |||
| Bride | ||||
| 14 | 330986 | 3.15 | 3.78 | |
| Vis Ø7x17,5 | ||||
| 15 | 957749 | 1.05 | 1.26 | |
| Vis M3(3) | ||||
| 16 | 331001 | 1.95 | 2.34 | |
| Aiguille Nzl) | ||||
| 17 | 998426 | 1.05 | 1.26 | |
| Levier | ||||
| 18 | 330977 | 1.05 | 1.26 | |
| Vis Ø 4*8 Noir | ||||
| 19 | 325079 | 1.65 | 1.98 | |
| Poignee Laterale | ||||
| 20 | 330973 | 4.20 | 5.04 | |
| Vis Ø 5x6 Till 2.1986 | ||||
| 21 | 962782 | 1.04 | 1.24 | |
| Couvercle d'engrenages | ||||
| 22A | 337079 | 20.76 | 24.92 | |
| Butee C9u/c6u/c6dd | ||||
| 23 | 961729 | 1.05 | 1.26 | |
| Vis M.6*20 (x10) | ||||
| 24 | 949794 | 1.65 | 1.98 | |
| Plaque Hitachi | ||||
| 25 | 328922 | 1.95 | 2.34 | |
| Plaque Hitachi | ||||
| 25A | 328922 | 1.95 | 2.34 | |
| Vis Ø 4x12 noir Till 8.2019 (since 9.2017 Except | ||||
| 26 | 935196 | 1.04 | 1.24 | |
| Pas d'informations disponibles, non commandable | ||||
| 27 | 997247 | |||
| Guide | ||||
| 28 | 331006 | 1.95 | 2.34 | |
| Coussinet | ||||
| 29 | 322089 | 4.80 | 5.76 | |
| Roulement A Billes | ||||
| 30 | 608VVM | 5.70 | 6.84 | |
| Protecteur Poussiere | ||||
| 31 | 315877 | 1.05 | 1.26 | |
| Raccord | ||||
| 32 | 930703 | 2.40 | 2.88 | |
| Stator 220v-230v H-90sa Includ.103 Pour Nzl,saf | ||||
| 33 | 340762E | 51.84 | 62.20 | |
| VELD 110 VOLT | ||||
| 33 | 340762G | 30.20 | 36.24 | |
| Vis D5*55 | ||||
| 34 | 953174 | 1.04 | 1.24 | |
| Baffle | ||||
| 35 | 330971 | 3.45 | 4.14 | |
| Induit 230v | ||||
| 36 | 360882E | 94.46 | 113.36 | |
| Blocage | ||||
| 37 | 330976 | 2.10 | 2.52 | |
| Vis M.5*16 | ||||
| 38 | 990541 | 1.05 | 1.26 | |
| Ressort | ||||
| 39 | 330982 | 1.05 | 1.26 | |
| Roulement | ||||
| 40 | 6000VV | 6.15 | 7.38 | |
| Bouton | ||||
| 41 | 324660 | 4.35 | 5.22 | |
| O-RING (P-7) (OUD 676531) | ||||
| 42 | 889335 | 1.00 | 1.20 | |
| Douille | ||||
| 43 | 319830 | 2.10 | 2.52 | |
| Commutateur | ||||
| 44 | 963756Z | 13.20 | 15.84 | |
| Interrupteur | ||||
| 44 | 302470 | 10.95 | 13.14 | |
| Couverture de Poignée | ||||
| 45 | 330969 | 8.40 | 10.08 | |
| Terminal M4 | ||||
| 46 | 930804 | 3.00 | 3.60 | |
| Condensateur | ||||
| 47 | 930039 | 1.95 | 2.34 | |
| Manchon à cabler | ||||
| 48 | 981373 | 1.05 | 1.26 | |
| Manchon à cabler | ||||
| 49 | 981373 | 1.05 | 1.26 | |
| Serre Cable | ||||
| 50 | 937631 | 1.04 | 1.24 | |
| Pas d'informations disponibles, non commandable | ||||
| 51 | 984750 | |||
| Entree De Cable Ø 8.8 | ||||
| 52 | 380090 | 1.04 | 1.25 | |
| Entree De Cable Ø 10,1 | ||||
| 52 | 938051 | 1.04 | 1.24 | |
| Câble 3M 2 X 1,0 H05vv-f avec prise 16a CEE | ||||
| 53 | 500461Z | 17.88 | 21.45 | |
| SNOER 2.5M 2 X 1.0 H05VV-F W/PLUG 13A/250V (OLD 50 | ||||
| 53 | 500423Z | 12.87 | 15.44 | |
| SNOER 10.7 (USE 714500=2X1 5M) | ||||
| 53 | 500247Z | 6.18 | 7.42 | |
| Vis à tarauder D4x20 avec bride (noir) | ||||
| 55 | 301653 | 1.04 | 1.24 | |
| Carter | ||||
| 56 | 330995 | 26.60 | 31.92 | |
| Vis de machine (avec rondelles) M5x40 (noir) | ||||
| 57 | 322123 | 1.65 | 1.98 | |
| Vis de réglage hexagonale M5x8 | ||||
| 58 | 938477 | 1.05 | 1.26 | |
| Porte-balais (2) | ||||
| 59 | 957051 | 5.25 | 6.30 | |
| Charbons (1 Paire) | ||||
| 60 | 999043 | 4.50 | 5.40 | |
| Bouchon Charbon H41sa Vb13y | ||||
| 61 | 935829 | 1.05 | 1.26 | |
| Vis Ø6x14 | ||||
| 62 | 322260 | 1.50 | 1.80 | |
| Levier | ||||
| 63 | 322600 | 3.15 | 3.78 | |
| Ecrou Frein | ||||
| 64 | 328048 | 1.05 | 1.26 | |
| Rondelle | ||||
| 65 | 320975 | 1.05 | 1.26 | |
| Écrou en U M5 | ||||
| 66 | 308387 | 1.05 | 1.26 | |
| NYLON MOER M5 | ||||
| 66A | 377291 | 1.00 | 1.20 | |
| Vis M4 Noir | ||||
| 67 | 331003 | 1.95 | 2.34 | |
| Pince | ||||
| 68 | 324659 | 1.95 | 2.34 | |
| Vis de blocage hexagonale M5x6 | ||||
| 69 | 319541 | 1.50 | 1.80 | |
| Guide | ||||
| 70 | 330975 | 3.15 | 3.78 | |
| Goupille Étagée D6x13 | ||||
| 71 | 320163 | 1.50 | 1.80 | |
| Écrou | ||||
| 72 | 942808 | 1.05 | 1.26 | |
| Vis | ||||
| 73 | 322096 | 1.95 | 2.34 | |
| Vis M6 | ||||
| 74A | 337081 | 1.04 | 1.24 | |
| Boulon M.8 Diagonal | ||||
| 75 | 303800 | 2.55 | 3.06 | |
| Rondelle M.6 (x10) paquet de 10 | ||||
| 76 | 949432 | 1.05 | 1.26 | |
| Vis Ø6*10(2) Sui,saf | ||||
| 77 | 331513 | 1.05 | 1.26 | |
| Couteau Diviseur | ||||
| 78 | 331016 | 3.15 | 3.78 | |
| Vis Ø6*10 Sui | ||||
| 79 | 331004 | 5.55 | 6.66 | |
| Levier | ||||
| 80 | 330972 | 1.95 | 2.34 | |
| Ressort Sui | ||||
| 81 | 330983 | 1.05 | 1.26 | |
| Boulon à ailettes M6x12 | ||||
| 82 | 307947 | 1.35 | 1.62 | |
| Vis Machine M5x12 Noir | ||||
| 83 | 331761 | 1.65 | 1.98 | |
| Adaptateur de Rail de Guidage Sui | ||||
| 84 | 330968 | 8.33 | 9.99 | |
| Plaque de Rail de Guidage Sui | ||||
| 85 | 330978 | 4.20 | 5.04 | |
| Pas d'informations disponibles, non commandable | ||||
| 86 | 330979 | |||
| Vis M.6*6 | ||||
| 87 | 302469 | 1.05 | 1.26 | |
| Pas d'informations disponibles, non commandable | ||||
| 88 | 330980 | |||
| Plaque de base | ||||
| 89A | 337083 | 35.75 | 42.90 | |
| Rondelle M.6 (x10) paquet de 10 | ||||
| 90 | 949425 | 1.05 | 1.26 | |
| Ecrou Papillon M6*17 | ||||
| 91 | 302459 | 1.05 | 1.26 | |
| Vis Ø6*10 Sui | ||||
| 92 | 331004 | 5.55 | 6.66 | |
| Levier | ||||
| 93 | 330972 | 1.95 | 2.34 | |
| Ressort Sui | ||||
| 94 | 330983 | 1.05 | 1.26 | |
| Rail De Guidage | ||||
| 95 | 331762 | 14.65 | 17.58 | |
| Borne | ||||
| 96 | 980063 | 1.04 | 1.24 | |
| Vis machine (avec rondelle) M3,5x6 | ||||
| 97 | 305499 | 1.05 | 1.26 | |
| Boîtier d'engrenage + plaque de base | ||||
| 98 | 337085 | 57.34 | 68.80 | |
| Pas d'informations disponibles, non commandable | ||||
| 501 | 990666 | |||
| Pas d'informations disponibles, non commandable | ||||
| 502 | 940543 | |||
| Pas d'informations disponibles, non commandable | ||||
| 503 | 302756 | |||
| Pas d'informations disponibles, non commandable | ||||
| 504 | 331498 | |||
| Pas d'informations disponibles, non commandable | ||||
| 506 | 337528 | |||
| Pas d'informations disponibles, non commandable | ||||
| 507 | 336472 | |||
| Pas d'informations disponibles, non commandable | ||||
| 508 | 336473 | |||
| Pas d'informations disponibles, non commandable | ||||
| 509 | 336474 | |||
| Pas d'informations disponibles, non commandable | ||||
| 510 | 337658 | |||