Vous trouverez ici toutes les pièces et dessins disponibles du 'Hikoki C7SS'. De là, vous pouvez commander directement toutes les pièces souhaitées. De nombreuses pièces doivent être commandées auprès du fabricant, selon la marque, cela prend une à quatre semaines. Toutes les informations dont nous disposons se trouvent sur notre site Web, nous ne pouvons pas vous conseiller sur ce dont vous avez besoin, pour cela vous devrez retourner la machine pour réparation. Veuillez noter ce qui suit lors de la commande:
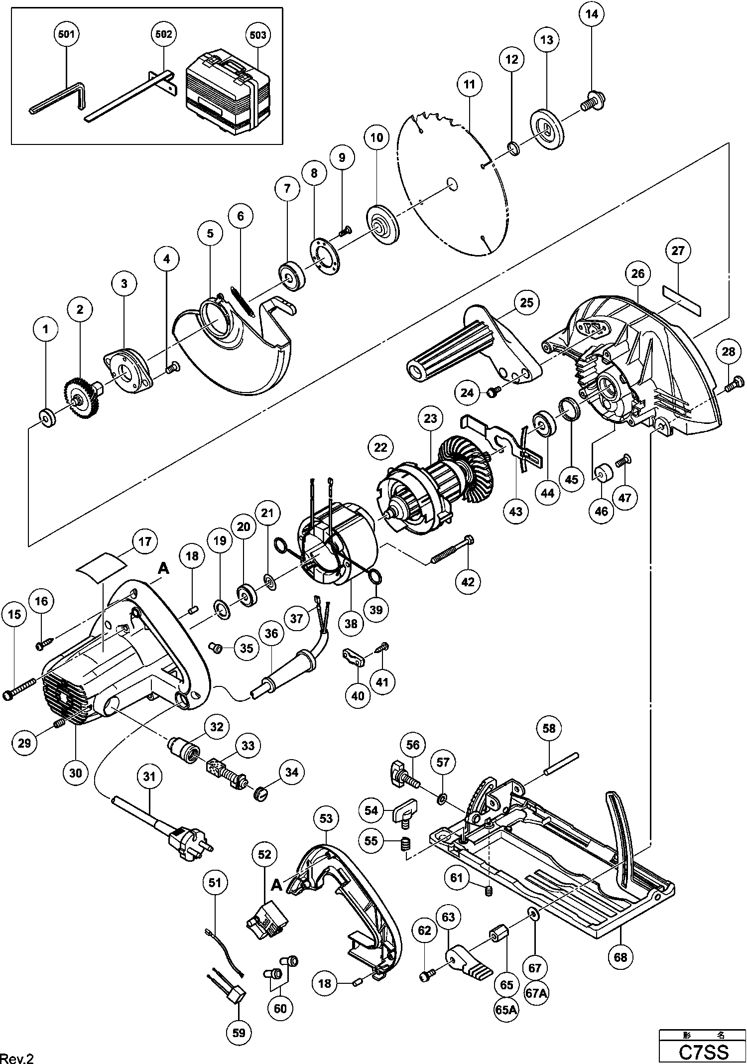
Dessins des Hikoki C7SS
Liste de pièces de rechange des Hikoki C7SS
| Pos. | Description | Prix hors TVA | Prix TTC | |
| Les prix affichés incluent la TVA | ||||
| Rondelle (a1) pour Chi,pan,mex | ||||
| *10 | 317466 | 9.00 | 10.80 | |
| Rondelle (a) | ||||
| *10 | 322099 | 7.35 | 8.82 | |
| Rondelle | ||||
| *10 | 323928 | 3.15 | 3.78 | |
| Pas d'informations disponibles, non commandable | ||||
| *11 | 331659 | |||
| Pas d'informations disponibles, non commandable | ||||
| *11A | 372881 | |||
| Bride De Fixation | ||||
| *13 | 324563 | 4.20 | 5.04 | |
| Induit 230v | ||||
| *23 | 360883E | 53.63 | 64.35 | |
| Pas d'informations disponibles, non commandable | ||||
| *24 | 887021 | |||
| Poignee Laterale | ||||
| *25 | 330973 | 4.20 | 5.04 | |
| AS EN TANDWIELSET (OUD 322088) | ||||
| *2A | 373459 | 5.82 | 6.98 | |
| Cordon | ||||
| *31 | 500240Z | 13.18 | 15.81 | |
| Cordon 2,5m 2 X 1.0 H05vv-f (ancien 500395z) | ||||
| *31 | 500447Z | 6.60 | 7.92 | |
| SNOER 10.7 (USE 714500=2X1 5M) | ||||
| *31 | 500247Z | 6.18 | 7.42 | |
| Entree De Cable Ø 10,1 | ||||
| *36 | 938051 | 1.04 | 1.24 | |
| Inducteur C 6mfa/c 7ss Includ.39 | ||||
| *38 | 340614E | 24.75 | 29.70 | |
| Plus disponible, pas de remplacement | ||||
| *51 | 331269 | |||
| Interrupteur | ||||
| *52 | 331259 | 20.35 | 24.42 | |
| Vis à ailes (a) M6x15 | ||||
| *56 | 308364 | 1.05 | 1.26 | |
| VIS À AILE (A) | ||||
| *56 | 307937 | 1.05 | 1.26 | |
| Condensateur | ||||
| *59 | 930039 | 1.95 | 2.34 | |
| Pas d'informations disponibles, non commandable | ||||
| *61A | 381655 | |||
| Plaque de base | ||||
| *68 | 331270 | 32.31 | 38.78 | |
| Entretoise | ||||
| 1 | 963803 | 1.50 | 1.80 | |
| Engrenage | ||||
| 2 | 322088 | 32.18 | 38.61 | |
| Carter Roulement | ||||
| 3 | 308361 | 3.30 | 3.96 | |
| VIS DE VERRILLAGE M5X12 | ||||
| 4 | 305568 | 1.05 | 1.26 | |
| Garde-bas (depuis 04.2007 Pour Aus,nzl) | ||||
| 5 | 331273 | 10.05 | 12.06 | |
| Ressort De Rappel | ||||
| 6 | 331268 | 1.05 | 1.26 | |
| Roulement A Billes | ||||
| 7 | 6002VV | 7.35 | 8.82 | |
| Flasque De Palier | ||||
| 8 | 308362 | 2.40 | 2.88 | |
| Vis Ø3x12 | ||||
| 9 | 308773 | 1.05 | 1.26 | |
| Rondelle (a1) pour Chi,pan,mex | ||||
| 10 | 317466 | 9.00 | 10.80 | |
| Rondelle | ||||
| 10 | 323928 | 3.15 | 3.78 | |
| RONDELLE (A) | ||||
| 10A | 373052 | 2.40 | 2.88 | |
| Pas d'informations disponibles, non commandable | ||||
| 11 | 334709 | |||
| Pas d'informations disponibles, non commandable | ||||
| 11A | 372881 | |||
| Entretoise C8fa For Usa,can | ||||
| 12 | 990100 | 1.65 | 1.98 | |
| Bride De Fixation | ||||
| 13 | 324563 | 4.20 | 5.04 | |
| RONDELLE (B) (ANCIEN 323924) | ||||
| 13A | 375604 | 1.04 | 1.24 | |
| Vis Ø7x17,5 | ||||
| 14 | 325541 | 3.75 | 4.50 | |
| Vis M.5*45 | ||||
| 15 | 302434 | 1.04 | 1.24 | |
| Vis Tôlière Avec Rondelle D4x23 (noir) | ||||
| 16 | 328643 | 1.05 | 1.26 | |
| STYLO EN CAOUTCHOUC | ||||
| 18 | 931701 | 1.05 | 1.26 | |
| Rondelle | ||||
| 19 | 331264 | 1.05 | 1.26 | |
| Roulement A Billes | ||||
| 20 | 608VVM | 5.70 | 6.84 | |
| Rondelle | ||||
| 21 | 982631 | 1.04 | 1.24 | |
| Baffle | ||||
| 22 | 322002 | 1.35 | 1.62 | |
| Induit 230v | ||||
| 23 | 360883E | 53.63 | 64.35 | |
| Pas d'informations disponibles, non commandable | ||||
| 24 | 887021 | |||
| Poignee Laterale | ||||
| 25 | 330973 | 4.20 | 5.04 | |
| Palier | ||||
| 26 | 331272 | 26.60 | 31.92 | |
| Écrou | ||||
| 28 | 942808 | 1.05 | 1.26 | |
| Vis de réglage hexagonale M5x8 | ||||
| 29 | 938477 | 1.05 | 1.26 | |
| Carter | ||||
| 30 | 331260 | 14.30 | 17.16 | |
| Câble 3M 2 X 1,0 H05vv-f avec prise 16a CEE | ||||
| 31 | 500461Z | 17.88 | 21.45 | |
| Cordon | ||||
| 31 | 500240Z | 13.18 | 15.81 | |
| Cordon 2,5m 2 X 1.0 H05vv-f (ancien 500395z) | ||||
| 31 | 500447Z | 6.60 | 7.92 | |
| SNOER 10.7 (USE 714500=2X1 5M) | ||||
| 31 | 500247Z | 6.18 | 7.42 | |
| Porte-balais (2) | ||||
| 32 | 957051 | 5.25 | 6.30 | |
| Charbons (1 Paire) | ||||
| 33 | 999043 | 4.50 | 5.40 | |
| Bouchon Charbon H41sa Vb13y | ||||
| 34 | 935829 | 1.05 | 1.26 | |
| Connecteur 50091 | ||||
| 35 | 959140 | 3.30 | 3.96 | |
| Entree De Cable Ø 8.8 | ||||
| 36 | 380090 | 1.04 | 1.25 | |
| Entree De Cable Ø 10,1 | ||||
| 36 | 938051 | 1.04 | 1.24 | |
| Fil | ||||
| 37 | 331707 | 1.88 | 2.25 | |
| Inducteur C 6mfa/c 7ss Includ.39 | ||||
| 38 | 340614E | 24.75 | 29.70 | |
| Raccord | ||||
| 39 | 930703 | 2.40 | 2.88 | |
| Serre Cable | ||||
| 40 | 937631 | 1.04 | 1.24 | |
| Pas d'informations disponibles, non commandable | ||||
| 41 | 984750 | |||
| Vis D5*55 | ||||
| 42 | 953174 | 1.04 | 1.24 | |
| Blocage | ||||
| 43 | 307918 | 5.25 | 6.30 | |
| Roulement | ||||
| 44 | 6000VV | 6.15 | 7.38 | |
| Plaq.en Caoutchouc (1) | ||||
| 45 | 318647 | 1.65 | 1.98 | |
| Butee C9u/c6u/c6dd | ||||
| 46 | 961729 | 1.05 | 1.26 | |
| Vis M.6*20 (x10) | ||||
| 47 | 949794 | 1.65 | 1.98 | |
| Plus disponible, pas de remplacement | ||||
| 51 | 331269 | |||
| Interrupteur | ||||
| 52 | 331259 | 20.35 | 24.42 | |
| Couvercle De Poignee | ||||
| 53 | 331261 | 4.20 | 5.04 | |
| Vis à aile M6x18 Sauf Pour Usa,can | ||||
| 54 | 307898 | 1.65 | 1.98 | |
| Ressort | ||||
| 55 | 941056 | 1.05 | 1.26 | |
| VIS À AILE (A) | ||||
| 56 | 307937 | 1.05 | 1.26 | |
| Vis à ailes (a) M6x15 | ||||
| 56 | 308364 | 1.05 | 1.26 | |
| Rondelle Psu Single-phase | ||||
| 57 | 948167 | 1.04 | 1.24 | |
| GOUPILLE ROULANTE D6X50 (10 PIÈCES) | ||||
| 58 | 949750 | 7.35 | 8.82 | |
| Condensateur | ||||
| 59 | 930039 | 1.95 | 2.34 | |
| Connecteur 50092 | ||||
| 60 | 959141 | 3.75 | 4.50 | |
| Vis Ø6*8 | ||||
| 61 | 308109 | 1.04 | 1.24 | |
| Vis Ø6x14 | ||||
| 62 | 322260 | 1.50 | 1.80 | |
| Levier For Usa,can | ||||
| 63 | 323923 | 1.05 | 1.26 | |
| Ecrou Frein | ||||
| 65 | 328048 | 1.05 | 1.26 | |
| Ecrou Frein | ||||
| 65A | 331267 | 2.10 | 2.52 | |
| Rondelle Till 10.2009 | ||||
| 67 | 329933 | 1.88 | 2.25 | |
| Rondelle | ||||
| 67A | 320975 | 1.05 | 1.26 | |
| Plaque de base | ||||
| 68 | 331270 | 32.31 | 38.78 | |
| Pas d'informations disponibles, non commandable | ||||
| 501 | 944459 | |||
| Pas d'informations disponibles, non commandable | ||||
| 502 | 302756 | |||
| Pas d'informations disponibles, non commandable | ||||
| 503 | 331671 | |||
| Pas d'informations disponibles, non commandable | ||||
| 601 | 302981 | |||
| Rondelle (a) | ||||
| 602 | 322099 | 7.35 | 8.82 | |