Vous trouverez ici toutes les pièces et dessins disponibles du 'Hikoki C7SE'. De là, vous pouvez commander directement toutes les pièces souhaitées. De nombreuses pièces doivent être commandées auprès du fabricant, selon la marque, cela prend une à quatre semaines. Toutes les informations dont nous disposons se trouvent sur notre site Web, nous ne pouvons pas vous conseiller sur ce dont vous avez besoin, pour cela vous devrez retourner la machine pour réparation. Veuillez noter ce qui suit lors de la commande:
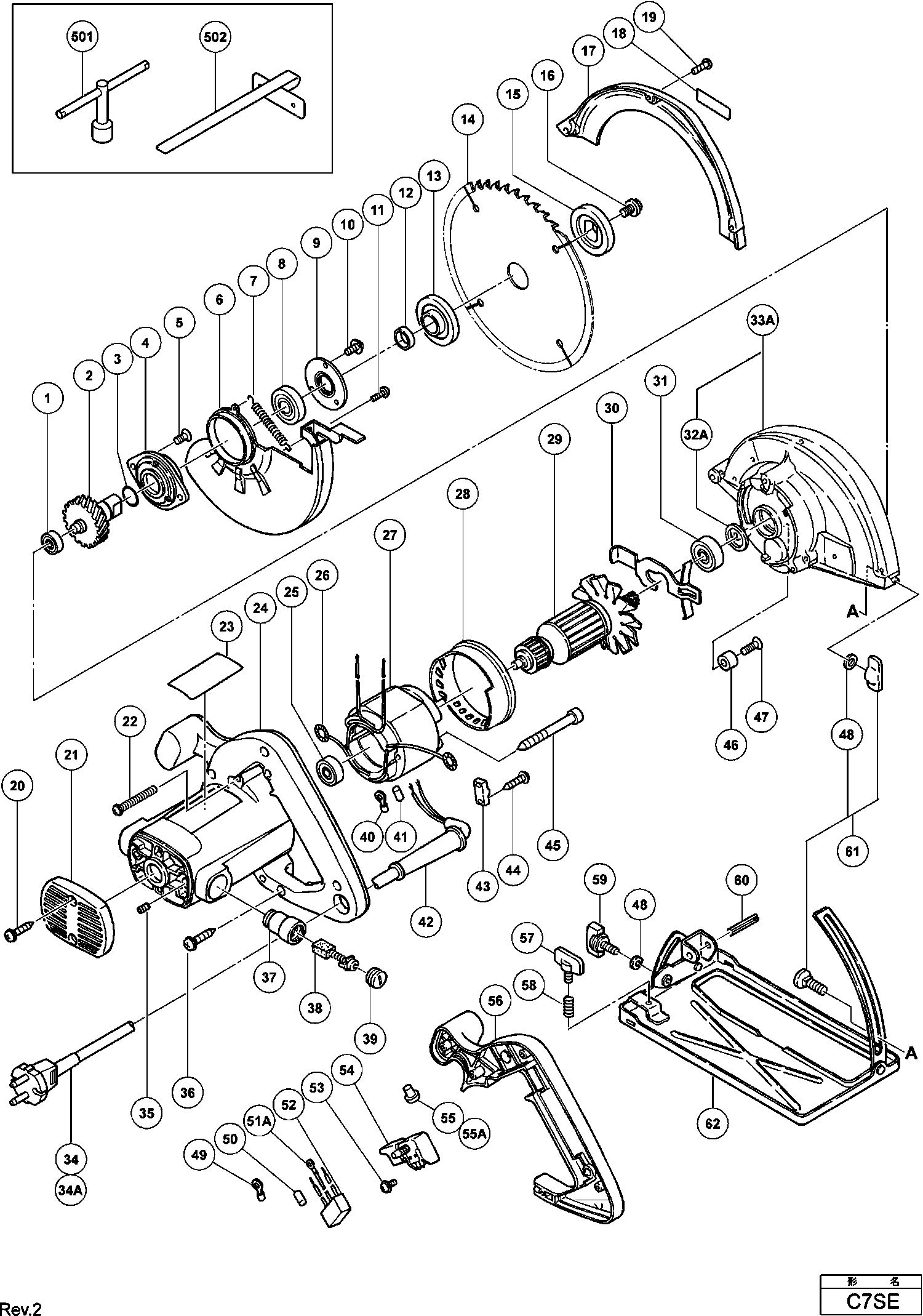
Dessins des Hikoki C7SE
Liste de pièces de rechange des Hikoki C7SE
| Pos. | Description | Prix hors TVA | Prix TTC | |
| Les prix affichés incluent la TVA | ||||
| Roulement à billes 626vvmc2erps2s | ||||
| 1 | 626VVM | 5.70 | 6.84 | |
| Pas d'informations disponibles, non commandable | ||||
| 2 | 317925 | |||
| O Ring | ||||
| 3 | 873095 | 1.04 | 1.24 | |
| LAGERHOUDER | ||||
| 4 | 940867 | 6.90 | 8.28 | |
| Pas d'informations disponibles, non commandable | ||||
| 5 | 990299 | |||
| Pas d'informations disponibles, non commandable | ||||
| 6 | 317923 | |||
| Ressort De Rappel Fc 5sa1 | ||||
| 7 | 957062 | 1.04 | 1.24 | |
| Roulement | ||||
| 8 | 6202VV | 7.05 | 8.46 | |
| LAGERKAP | ||||
| 9 | 940868 | 1.08 | 1.30 | |
| Vis de machine (avec rondelle spéciale) M4x10 | ||||
| 10 | 307635 | 1.05 | 1.26 | |
| Vis P-20sa Except For Double Edged Blade Type | ||||
| 11 | 986723 | 1.05 | 1.26 | |
| Entretoise | ||||
| 12 | 961366 | 1.04 | 1.24 | |
| Bague | ||||
| 13 | 993598 | 2.70 | 3.24 | |
| Pas d'informations disponibles, non commandable | ||||
| 14 | 317929 | |||
| Rondelle | ||||
| 15 | 957064 | 4.50 | 5.40 | |
| Vis Ø7x17,5 | ||||
| 16 | 957749 | 1.05 | 1.26 | |
| Pas d'informations disponibles, non commandable | ||||
| 17 | 317926 | |||
| Vis Cj 65vai (paquet de 10) | ||||
| 19 | 949219 | 1.20 | 1.44 | |
| Vis à tarauder D4x20 avec bride (noir) | ||||
| 20 | 301653 | 1.04 | 1.24 | |
| ACHTER DEKSEL | ||||
| 21 | 961732 | 1.74 | 2.09 | |
| Vis M.5*45 | ||||
| 22 | 302434 | 1.04 | 1.24 | |
| Pas d'informations disponibles, non commandable | ||||
| 24 | 317936 | |||
| Roulement A Billes | ||||
| 25 | 608VVM | 5.70 | 6.84 | |
| Raccord | ||||
| 26 | 930703 | 2.40 | 2.88 | |
| Pas d'informations disponibles, non commandable | ||||
| 27 | 340448H | |||
| Pas d'informations disponibles, non commandable | ||||
| 28 | 987940 | |||
| Pas d'informations disponibles, non commandable | ||||
| 29 | 360501F | |||
| SCHAKELBLOKKERING | ||||
| 30 | 987981 | 3.48 | 4.18 | |
| Roulement A Billes | ||||
| 31 | 6001VV | 6.60 | 7.92 | |
| Bague en caoutchouc (ANCIEN 996252) | ||||
| 32A | 958130 | 1.65 | 1.98 | |
| Pas d'informations disponibles, non commandable | ||||
| 33A | 317924 | |||
| SNOER 2.5M 2 X 1.0 H05VV-F W/PLUG 13A/250V (OLD 50 | ||||
| 34 | 500423Z | 12.87 | 15.44 | |
| Vis de réglage hexagonale M5x8 | ||||
| 35 | 938477 | 1.05 | 1.26 | |
| Vis Ø 4*25 noir | ||||
| 36 | 307028 | 1.05 | 1.26 | |
| Porte-balais (2) | ||||
| 37 | 957051 | 5.25 | 6.30 | |
| Charbons (1 Paire) | ||||
| 38 | 999043 | 4.50 | 5.40 | |
| Bouchon Charbon H41sa Vb13y | ||||
| 39 | 935829 | 1.05 | 1.26 | |
| Borne | ||||
| 40 | 980063 | 1.04 | 1.24 | |
| Manchon à cabler | ||||
| 41 | 981373 | 1.05 | 1.26 | |
| Entree De Cable Ø 8.8 | ||||
| 42 | 380090 | 1.04 | 1.25 | |
| Entree De Cable Ø 10,1 | ||||
| 42 | 938051 | 1.04 | 1.24 | |
| Serre Cable | ||||
| 43 | 937631 | 1.04 | 1.24 | |
| Pas d'informations disponibles, non commandable | ||||
| 44 | 984750 | |||
| Vis Ø5*60 | ||||
| 45 | 961501 | 1.04 | 1.24 | |
| Butee C9u/c6u/c6dd | ||||
| 46 | 961729 | 1.05 | 1.26 | |
| Vis M.6*20 (x10) | ||||
| 47 | 949794 | 1.65 | 1.98 | |
| Rondelle Psu Single-phase | ||||
| 48 | 948167 | 1.04 | 1.24 | |
| Borne | ||||
| 49 | 980063 | 1.04 | 1.24 | |
| Terminal | ||||
| 49 | 311741 | 1.04 | 1.24 | |
| Manchon à cabler | ||||
| 50 | 981373 | 1.05 | 1.26 | |
| Borne For Noise Suppressor | ||||
| 51A | 938108 | 1.20 | 1.44 | |
| Condensateur | ||||
| 52 | 994273 | 4.29 | 5.14 | |
| Vis machine (avec rondelle) M3,5x6 | ||||
| 53 | 305499 | 1.05 | 1.26 | |
| Commutateur | ||||
| 54 | 957747 | 14.03 | 16.83 | |
| Commutateur | ||||
| 54 | 963756Z | 13.20 | 15.84 | |
| Interrupteur | ||||
| 54 | 302470 | 10.95 | 13.14 | |
| Connecteur 50091 | ||||
| 55 | 959140 | 3.30 | 3.96 | |
| Connecteur 50092 | ||||
| 55A | 959141 | 3.75 | 4.50 | |
| Pas d'informations disponibles, non commandable | ||||
| 56 | 302320 | |||
| Ecrou Papillon M.6*15 | ||||
| 57 | 301806 | 1.05 | 1.26 | |
| Ressort (ancien 996224) | ||||
| 58 | 947859 | 1.04 | 1.24 | |
| Ecrou Papillon M6*17 | ||||
| 59 | 302459 | 1.05 | 1.26 | |
| ROL PIN D6X30 (10 STUKS) | ||||
| 60 | 949515 | 3.48 | 4.18 | |
| Assemblage de boulon (carré) M6x22 Includ.89 | ||||
| 61 | 314620 | 6.45 | 7.74 | |
| Pas d'informations disponibles, non commandable | ||||
| 62 | 317927 | |||
| Pas d'informations disponibles, non commandable | ||||
| 501 | 940543 | |||
| Pas d'informations disponibles, non commandable | ||||
| 502 | 316106 | |||
| Pas d'informations disponibles, non commandable | ||||
| 601 | 940878 | |||
| Pas d'informations disponibles, non commandable | ||||
| 602 | 879099 | |||
| Pas d'informations disponibles, non commandable | ||||
| 603 | 879101 | |||
| Pas d'informations disponibles, non commandable | ||||
| 604 | 879100 | |||
| Pas d'informations disponibles, non commandable | ||||
| 605 | 879102 | |||
| Pas d'informations disponibles, non commandable | ||||
| 606 | 939156 | |||
| Pas d'informations disponibles, non commandable | ||||
| 607 | 961734 | |||
| Pas d'informations disponibles, non commandable | ||||
| 608 | 323717 | |||