Vous trouverez ici toutes les pièces et dessins disponibles du 'Hikoki C7BUR'. De là, vous pouvez commander directement toutes les pièces souhaitées. De nombreuses pièces doivent être commandées auprès du fabricant, selon la marque, cela prend une à quatre semaines. Toutes les informations dont nous disposons se trouvent sur notre site Web, nous ne pouvons pas vous conseiller sur ce dont vous avez besoin, pour cela vous devrez retourner la machine pour réparation. Veuillez noter ce qui suit lors de la commande:
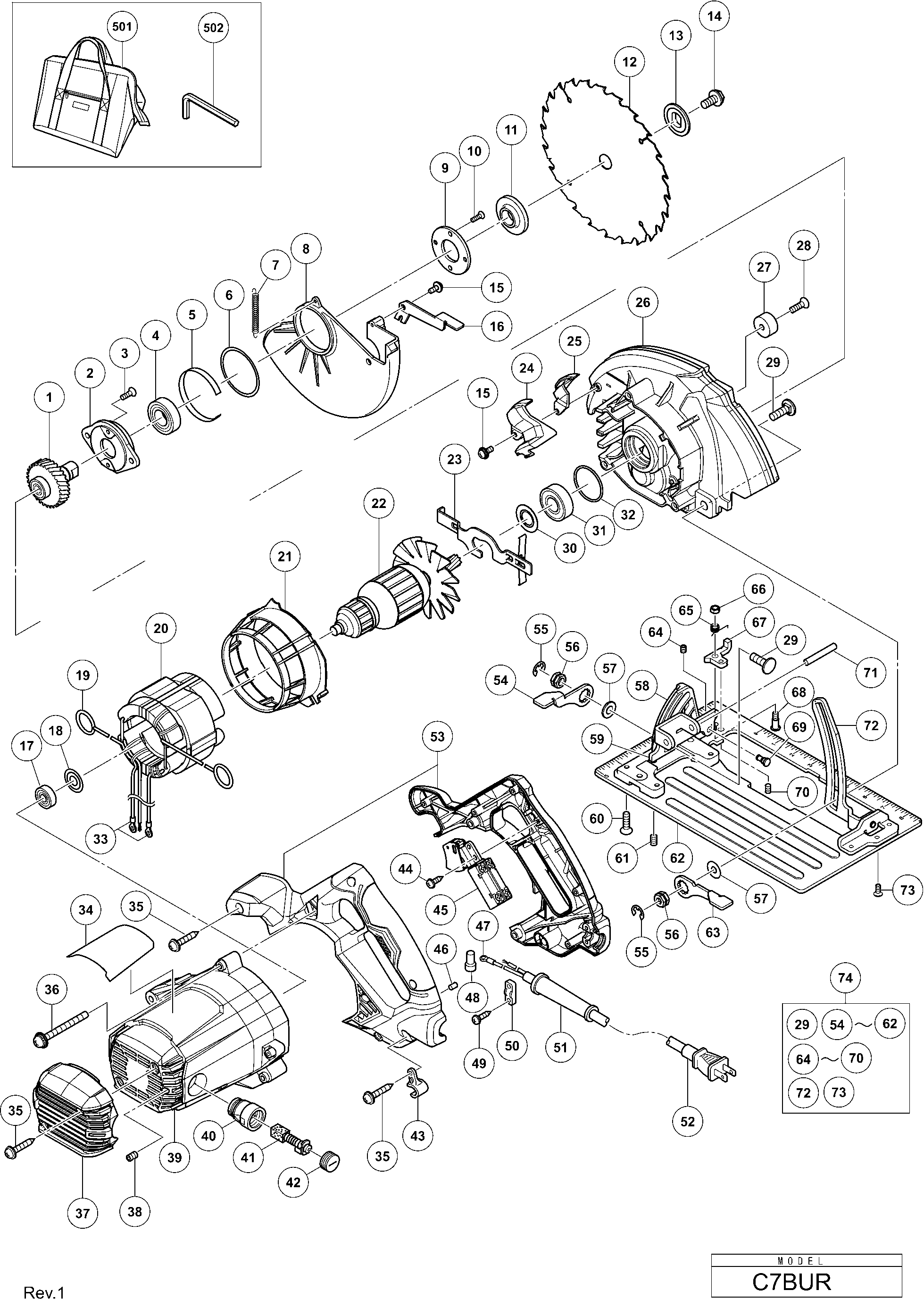
Dessins des Hikoki C7BUR
Liste de pièces de rechange des Hikoki C7BUR
| Pos. | Description | Prix hors TVA | Prix TTC | |
| Les prix affichés incluent la TVA | ||||
| Pas d'informations disponibles, non commandable | ||||
| *501 | 371108M | |||
| Essieu + Ensemble d'engrenages | ||||
| 1 | 372782 | 8.85 | 10.62 | |
| Porte-Roulement | ||||
| 2 | 372765 | 2.70 | 3.24 | |
| Vis M.5*14 | ||||
| 3 | 992013 | 1.05 | 1.26 | |
| Roulement à billes 6003 Vv | ||||
| 4 | 6003VV | 7.65 | 9.18 | |
| ENTRETOISE | ||||
| 5 | 373811 | 1.80 | 2.16 | |
| Bague | ||||
| 6 | 370591 | 1.04 | 1.24 | |
| Ressort de retour | ||||
| 7 | 373026 | 1.04 | 1.24 | |
| Pas d'informations disponibles, non commandable | ||||
| 8 | 372758 | |||
| Garde inférieure | ||||
| 8A | 373812 | 13.75 | 16.50 | |
| Flasque De Palier | ||||
| 9 | 302435 | 1.35 | 1.62 | |
| Vis M4*10 | ||||
| 10 | 990430 | 1.04 | 1.24 | |
| Pas d'informations disponibles, non commandable | ||||
| 11 | 372780 | |||
| Bride De Fixation | ||||
| 13 | 324598 | 3.15 | 3.78 | |
| Vis D8*15,5 Serre Lame | ||||
| 14 | 324662 | 1.95 | 2.34 | |
| Vis Ø 4x12 noir Till 8.2019 (since 9.2017 Except | ||||
| 15 | 935196 | 1.04 | 1.24 | |
| Levier | ||||
| 16 | 328045 | 1.20 | 1.44 | |
| Roulement | ||||
| 17 | 6000VV | 6.15 | 7.38 | |
| Bague | ||||
| 18 | 302428 | 1.04 | 1.24 | |
| Raccord | ||||
| 19 | 937623 | 1.04 | 1.24 | |
| Pas d'informations disponibles, non commandable | ||||
| 20 | 340984C | |||
| Baffle | ||||
| 21 | 372743 | 1.20 | 1.44 | |
| ANKER 110-120 VOLT | ||||
| 22 | 361074U | 35.42 | 42.50 | |
| Blocage | ||||
| 23 | 320959 | 2.55 | 3.06 | |
| Guide de ventilateur (b) | ||||
| 24 | 372768 | 1.05 | 1.26 | |
| Guide de ventilateur (a) | ||||
| 25 | 372767 | 1.04 | 1.24 | |
| Pas d'informations disponibles, non commandable | ||||
| 26 | 372763 | |||
| Pas d'informations disponibles, non commandable | ||||
| 26A | 375923M | |||
| Butee | ||||
| 27 | 337080 | 1.05 | 1.26 | |
| Vis M.6*20 (x10) | ||||
| 28 | 949794 | 1.65 | 1.98 | |
| Boulon M8 (Carré) | ||||
| 29 | 372774 | 1.04 | 1.24 | |
| Rondelle | ||||
| 30 | 980700 | 1.04 | 1.24 | |
| Roulement | ||||
| 31 | 6202VV | 7.05 | 8.46 | |
| JOINT TORIQUE (I.D. 34.5) | ||||
| 32 | 372783 | 1.04 | 1.24 | |
| Terminal M4 | ||||
| 33 | 930804 | 3.00 | 3.60 | |
| Vis à tarauder D4x20 avec bride (noir) | ||||
| 35 | 301653 | 1.04 | 1.24 | |
| Vis C 8fs/c 8fc | ||||
| 36 | 997841 | 1.05 | 1.26 | |
| Couvercle arrière | ||||
| 37 | 372762 | 2.25 | 2.70 | |
| Vis de réglage hexagonale M5x8 | ||||
| 38 | 938477 | 1.05 | 1.26 | |
| Boîte de boîtier DUO 110 - Ensemble | ||||
| 39 | 372759 | 14.40 | 17.28 | |
| Pte Charbon Pde | ||||
| 40 | 938241 | 6.45 | 7.74 | |
| Jeu De Charbons (1 paire) | ||||
| 41 | 999038 | 9.30 | 11.16 | |
| Bouchon Charbon | ||||
| 42 | 945161 | 1.20 | 1.44 | |
| Porte-cordon | ||||
| 43 | 370269 | 1.04 | 1.24 | |
| VIS D4X10 (LIEN PLASTIQUE) | ||||
| 44 | 373166 | 1.04 | 1.24 | |
| Commutateur | ||||
| 45 | 320950 | 32.18 | 38.61 | |
| STYLO EN CAOUTCHOUC | ||||
| 46 | 931701 | 1.05 | 1.26 | |
| Terminal M4 | ||||
| 47 | 930804 | 3.00 | 3.60 | |
| Connecteur 50092 | ||||
| 48 | 959141 | 3.75 | 4.50 | |
| Pas d'informations disponibles, non commandable | ||||
| 49 | 984750 | |||
| Serre Cable | ||||
| 50 | 937631 | 1.04 | 1.24 | |
| Entree De Cable Ø 10,1 | ||||
| 51 | 938051 | 1.04 | 1.24 | |
| Pas d'informations disponibles, non commandable | ||||
| 52 | 500453Z | |||
| Ensemble de poignée (a)+(b) | ||||
| 53 | 373432 | 11.40 | 13.68 | |
| LEVIER (A) | ||||
| 54 | 372773 | 1.20 | 1.44 | |
| Bague | ||||
| 55 | 670514 | 1.05 | 1.26 | |
| Écrou de Blocage | ||||
| 56 | 372772 | 1.35 | 1.62 | |
| Rondelle M.8 (x10) Paquet de 10 | ||||
| 57 | 949433 | 1.05 | 1.26 | |
| SUPPORT DE BISEAU | ||||
| 58 | 372764 | 6.30 | 7.56 | |
| Plaque d'ajustement | ||||
| 59 | 372770 | 1.65 | 1.98 | |
| Vis M.5*14 | ||||
| 60 | 992013 | 1.05 | 1.26 | |
| Vis Ø6*8 | ||||
| 61 | 308109 | 1.04 | 1.24 | |
| Pas d'informations disponibles, non commandable | ||||
| 61A | 381655 | |||
| Plaque de base | ||||
| 62 | 372769 | 12.15 | 14.58 | |
| LEVIER | ||||
| 63 | 372745 | 1.05 | 1.26 | |
| Vis de blocage hexagonale M5x6 | ||||
| 64 | 319541 | 1.50 | 1.80 | |
| Ressort (b) | ||||
| 65 | 372778 | 1.04 | 1.24 | |
| Écrou en U M5 | ||||
| 66 | 308387 | 1.05 | 1.26 | |
| NYLON MOER M5 | ||||
| 66A | 377291 | 1.00 | 1.20 | |
| Levier d'arrêt | ||||
| 67 | 372776 | 1.04 | 1.24 | |
| Vis Speciale | ||||
| 68 | 372777 | 1.04 | 1.24 | |
| Broche Étape | ||||
| 69 | 372775 | 1.04 | 1.24 | |
| JOINT DE VERROUILLAGE HEX. BTR VIS M5X8 | ||||
| 70 | 372779 | 1.04 | 1.24 | |
| Goupille Ø6*40 (10 pces) | ||||
| 71 | 949686 | 6.75 | 8.10 | |
| MAILLON | ||||
| 72 | 372771 | 2.85 | 3.42 | |
| VIS À TÊTE PLATE SCELLÉE M4X8 | ||||
| 73 | 328604 | 1.80 | 2.16 | |
| PLATEAU COMPLET | ||||
| 74 | 372785 | 25.30 | 30.36 | |
| Pas d'informations disponibles, non commandable | ||||
| 501 | 371108 | |||
| Pas d'informations disponibles, non commandable | ||||
| 502 | 872422 | |||
| Pas d'informations disponibles, non commandable | ||||
| 601 | 302691 | |||
| ADAPTATEUR D'EXTRACTION DE POUSSIÈRE | ||||
| 602 | 372757 | 3.00 | 3.60 | |
| Vis Ø 4x12 noir Till 8.2019 (since 9.2017 Except | ||||
| 603 | 935196 | 1.04 | 1.24 | |