Vous trouverez ici toutes les pièces et dessins disponibles du 'Hikoki C6MFA'. De là, vous pouvez commander directement toutes les pièces souhaitées. De nombreuses pièces doivent être commandées auprès du fabricant, selon la marque, cela prend une à quatre semaines. Toutes les informations dont nous disposons se trouvent sur notre site Web, nous ne pouvons pas vous conseiller sur ce dont vous avez besoin, pour cela vous devrez retourner la machine pour réparation. Veuillez noter ce qui suit lors de la commande:
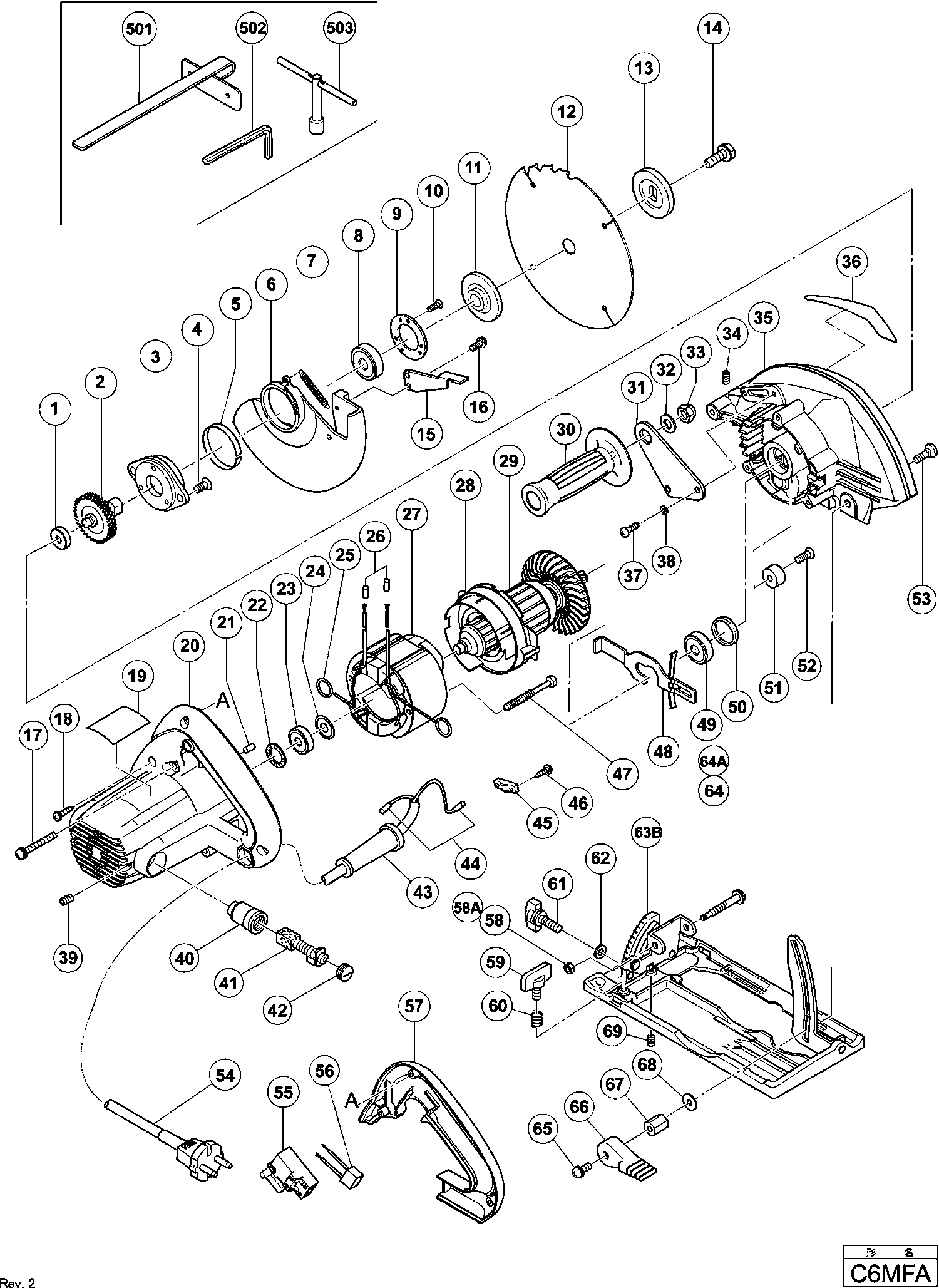
Dessins des Hikoki C6MFA
Liste de pièces de rechange des Hikoki C6MFA
| Pos. | Description | Prix hors TVA | Prix TTC | |
| Les prix affichés incluent la TVA | ||||
| Entretoise | ||||
| 1 | 963803 | 1.50 | 1.80 | |
| Pas d'informations disponibles, non commandable | ||||
| 2 | 322088 | |||
| Carter Roulement | ||||
| 3 | 308361 | 3.30 | 3.96 | |
| VIS DE VERRILLAGE M5X12 | ||||
| 4 | 305568 | 1.05 | 1.26 | |
| Rondelle | ||||
| 5 | 318192 | 1.65 | 1.98 | |
| Pas d'informations disponibles, non commandable | ||||
| 6 | 323937 | |||
| Pas d'informations disponibles, non commandable | ||||
| 7 | 302442 | |||
| Roulement A Billes | ||||
| 8 | 6002VV | 7.35 | 8.82 | |
| Flasque De Palier | ||||
| 9 | 308362 | 2.40 | 2.88 | |
| Vis Ø3x12 | ||||
| 10 | 308773 | 1.05 | 1.26 | |
| Rondelle (a) | ||||
| 11 | 322099 | 7.35 | 8.82 | |
| Rondelle | ||||
| 11 | 323928 | 3.15 | 3.78 | |
| Pas d'informations disponibles, non commandable | ||||
| 12 | 323892 | |||
| Pas d'informations disponibles, non commandable | ||||
| 13 | 323924 | |||
| Vis Ø7x17,5 | ||||
| 14 | 957749 | 1.05 | 1.26 | |
| Pas d'informations disponibles, non commandable | ||||
| 15 | 302464 | |||
| Vis machine (avec rondelles) M4x10 (noir) | ||||
| 16 | 304043 | 1.05 | 1.26 | |
| Vis M.5*45 | ||||
| 17 | 302434 | 1.04 | 1.24 | |
| Vis à tarauder D4x20 avec bride (noir) | ||||
| 18 | 301653 | 1.04 | 1.24 | |
| Carcasse | ||||
| 20 | 323930 | 31.49 | 37.78 | |
| Boîtier d'assemblage (vert) Inclu.39,40 | ||||
| 20 | 323929 | 26.68 | 32.01 | |
| STYLO EN CAOUTCHOUC | ||||
| 21 | 931701 | 1.05 | 1.26 | |
| RONDELLE D'ARRET | ||||
| 22 | 316394 | 3.30 | 3.96 | |
| Roulement A Billes | ||||
| 23 | 608VVM | 5.70 | 6.84 | |
| Rondelle | ||||
| 24 | 982631 | 1.04 | 1.24 | |
| Raccord | ||||
| 25 | 930703 | 2.40 | 2.88 | |
| Manchon à cabler | ||||
| 26 | 981373 | 1.05 | 1.26 | |
| Inducteur C 6mfa/c 7ss Includ.39 | ||||
| 27 | 340614E | 24.75 | 29.70 | |
| Baffle | ||||
| 28 | 322002 | 1.35 | 1.62 | |
| Induit | ||||
| 29 | 360694E | 41.80 | 50.16 | |
| ANKER 110 VOLT | ||||
| 29 | 360694C | 39.05 | 46.86 | |
| Pas d'informations disponibles, non commandable | ||||
| 30 | 323925 | |||
| Plaque | ||||
| 31 | 323926 | 2.10 | 2.52 | |
| Rondelle M10 (x10) paquet de 10 | ||||
| 32 | 949458 | 1.05 | 1.26 | |
| Ecrou Ø10 | ||||
| 33 | 323927 | 1.65 | 1.98 | |
| Vis Ø 5x6 Till 2.1986 | ||||
| 34 | 962782 | 1.04 | 1.24 | |
| Pas d'informations disponibles, non commandable | ||||
| 35 | 323935 | |||
| Vis Ø 5x12(paquet de 10) | ||||
| 37 | 949237 | 1.05 | 1.26 | |
| Rondelle de ressort M5 (10 pièces) | ||||
| 38 | 949454 | 1.04 | 1.24 | |
| Vis de réglage hexagonale M5x8 | ||||
| 39 | 938477 | 1.05 | 1.26 | |
| Porte-balais (2) | ||||
| 40 | 957051 | 5.25 | 6.30 | |
| Charbons (1 Paire) | ||||
| 41 | 999043 | 4.50 | 5.40 | |
| Bouchon Charbon H41sa Vb13y | ||||
| 42 | 935829 | 1.05 | 1.26 | |
| Pas d'informations disponibles, non commandable | ||||
| 43 | 953327 | |||
| Manchon à cabler | ||||
| 44 | 981373 | 1.05 | 1.26 | |
| Serre Cable | ||||
| 45 | 937631 | 1.04 | 1.24 | |
| Pas d'informations disponibles, non commandable | ||||
| 46 | 984750 | |||
| Vis D5*55 | ||||
| 47 | 953174 | 1.04 | 1.24 | |
| Blocage | ||||
| 48 | 307918 | 5.25 | 6.30 | |
| Roulement | ||||
| 49 | 6000VV | 6.15 | 7.38 | |
| Plaq.en Caoutchouc (1) | ||||
| 50 | 318647 | 1.65 | 1.98 | |
| Butee C9u/c6u/c6dd | ||||
| 51 | 961729 | 1.05 | 1.26 | |
| Vis M.6*20 (x10) | ||||
| 52 | 949794 | 1.65 | 1.98 | |
| Écrou | ||||
| 53 | 942808 | 1.05 | 1.26 | |
| Câble 3M 2 X 1,0 H05vv-f avec prise 16a CEE | ||||
| 54 | 500461Z | 17.88 | 21.45 | |
| SNOER 10.7 (USE 714500=2X1 5M) | ||||
| 54 | 500247Z | 6.18 | 7.42 | |
| Pas d'informations disponibles, non commandable | ||||
| 55 | 963756Z | |||
| Condensateur | ||||
| 56 | 930039 | 1.95 | 2.34 | |
| Couvercle de Poignée (vert) | ||||
| 57 | 323931 | 5.70 | 6.84 | |
| Couvercle de poignée (noir vert) Pour Fra | ||||
| 57 | 323932 | 5.70 | 6.84 | |
| Ecrou (till 09.2008) | ||||
| 58 | 315253 | 7.35 | 8.82 | |
| Écrou en U M5 | ||||
| 58A | 308387 | 1.05 | 1.26 | |
| Vis à aile M6x18 Sauf Pour Usa,can | ||||
| 59 | 307898 | 1.65 | 1.98 | |
| Ressort | ||||
| 60 | 941056 | 1.05 | 1.26 | |
| VIS À AILE (A) | ||||
| 61 | 307937 | 1.05 | 1.26 | |
| Rondelle Psu Single-phase | ||||
| 62 | 948167 | 1.04 | 1.24 | |
| Pas d'informations disponibles, non commandable | ||||
| 63B | 330841 | |||
| Vis de réglage (a) (jusqu'à 09.2008) | ||||
| 64 | 315183 | 4.80 | 5.76 | |
| Vis | ||||
| 64A | 322096 | 1.95 | 2.34 | |
| Vis Ø6x14 | ||||
| 65 | 322260 | 1.50 | 1.80 | |
| Levier For Usa,can | ||||
| 66 | 323923 | 1.05 | 1.26 | |
| Ecrou Frein | ||||
| 67 | 323922 | 2.10 | 2.52 | |
| Rondelle | ||||
| 68 | 320975 | 1.05 | 1.26 | |
| Vis Ø6*8 | ||||
| 69 | 308109 | 1.04 | 1.24 | |
| Pas d'informations disponibles, non commandable | ||||
| 501 | 302756 | |||
| Pas d'informations disponibles, non commandable | ||||
| 502 | 990666 | |||
| Pas d'informations disponibles, non commandable | ||||
| 503 | 940543 | |||
| Pas d'informations disponibles, non commandable | ||||
| 601 | 302981 | |||
| HANGER | ||||
| 602 | 954619 | 3.30 | 3.96 | |