Vous trouverez ici toutes les pièces et dessins disponibles du 'Hikoki C6DC2'. De là, vous pouvez commander directement toutes les pièces souhaitées. De nombreuses pièces doivent être commandées auprès du fabricant, selon la marque, cela prend une à quatre semaines. Toutes les informations dont nous disposons se trouvent sur notre site Web, nous ne pouvons pas vous conseiller sur ce dont vous avez besoin, pour cela vous devrez retourner la machine pour réparation. Veuillez noter ce qui suit lors de la commande:
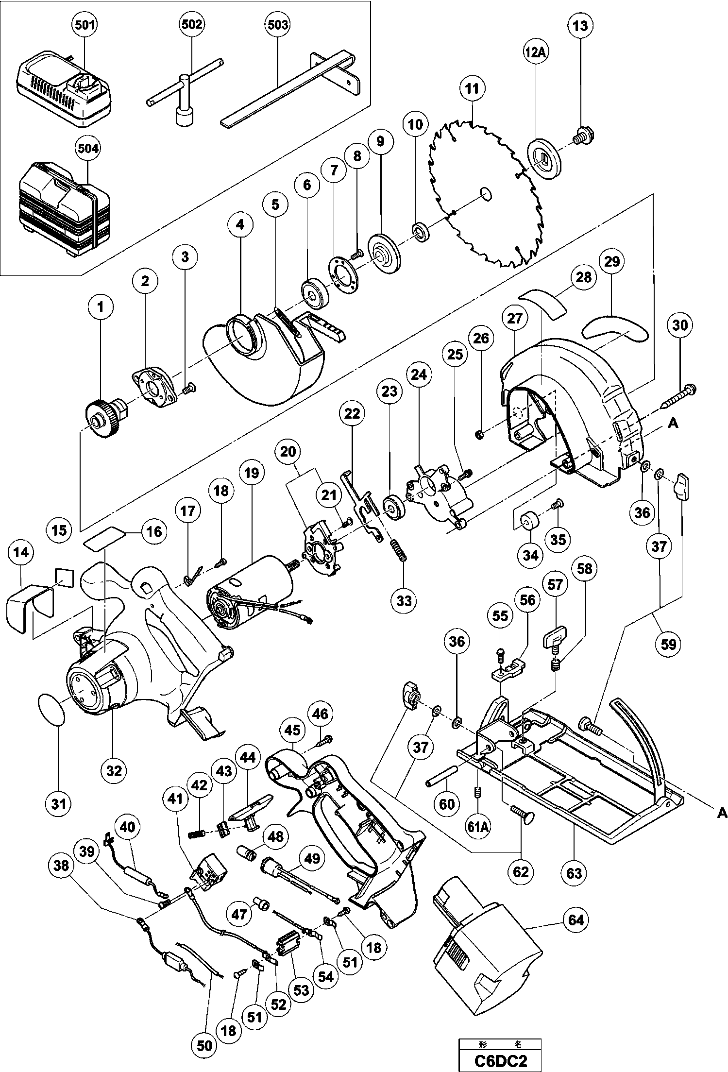
Dessins des Hikoki C6DC2
Liste de pièces de rechange des Hikoki C6DC2
| Pos. | Description | Prix hors TVA | Prix TTC | |
| Les prix affichés incluent la TVA | ||||
| Pas d'informations disponibles, non commandable | ||||
| 1 | 317468 | |||
| Carter Roulement | ||||
| 2 | 308361 | 3.30 | 3.96 | |
| VIS DE VERRILLAGE M5X12 | ||||
| 3 | 305568 | 1.05 | 1.26 | |
| Pas d'informations disponibles, non commandable | ||||
| 4 | 317202 | |||
| Ressort | ||||
| 5 | 317203 | 3.30 | 3.96 | |
| Roulement A Billes | ||||
| 6 | 6002VV | 7.35 | 8.82 | |
| Flasque De Palier | ||||
| 7 | 308362 | 2.40 | 2.88 | |
| Vis Ø3x12 | ||||
| 8 | 308773 | 1.05 | 1.26 | |
| Rondelle (a2) | ||||
| 9 | 317465 | 9.00 | 10.80 | |
| Rondelle (a1) pour Chi,pan,mex | ||||
| 9 | 317466 | 9.00 | 10.80 | |
| Entretoise C8fa For Usa,can | ||||
| 10 | 990100 | 1.65 | 1.98 | |
| Pas d'informations disponibles, non commandable | ||||
| 11 | 317452 | |||
| Bride De Fixation | ||||
| 12A | 324563 | 4.20 | 5.04 | |
| Vis Ø7x17,5 | ||||
| 13 | 957749 | 1.05 | 1.26 | |
| Pas d'informations disponibles, non commandable | ||||
| 14 | 317204 | |||
| Pas d'informations disponibles, non commandable | ||||
| 17 | 317211 | |||
| Vis | ||||
| 18 | 958715 | 1.04 | 1.24 | |
| Pas d'informations disponibles, non commandable | ||||
| 19 | 320996 | |||
| Pas d'informations disponibles, non commandable | ||||
| 20 | 318347 | |||
| Vis spéciale M5 | ||||
| 21 | 317914 | 1.65 | 1.98 | |
| Pas d'informations disponibles, non commandable | ||||
| 22 | 317194 | |||
| Roulement A Billes | ||||
| 23 | 609VVM | 6.00 | 7.20 | |
| Pas d'informations disponibles, non commandable | ||||
| 24 | 317195 | |||
| Boulon NYLOCK M4X12 | ||||
| 25 | 317196 | 1.65 | 1.98 | |
| Ecrou M.5 | ||||
| 26 | 302012 | 1.05 | 1.26 | |
| Pas d'informations disponibles, non commandable | ||||
| 27 | 317201 | |||
| Vis Ø5*50 | ||||
| 30 | 317449 | 1.65 | 1.98 | |
| Carter (1) | ||||
| 32 | 321003 | 27.50 | 33.00 | |
| Ressort Psm | ||||
| 33 | 961803 | 1.20 | 1.44 | |
| Butee | ||||
| 34 | 310842 | 1.05 | 1.26 | |
| Vis Ø5*20 (x10) | ||||
| 35 | 949793 | 1.35 | 1.62 | |
| Rondelle M.6 (x10) paquet de 10 | ||||
| 36 | 949425 | 1.05 | 1.26 | |
| Rondelle Psu Single-phase | ||||
| 37 | 948167 | 1.04 | 1.24 | |
| Pas d'informations disponibles, non commandable | ||||
| 38 | 320998 | |||
| Vis Ø3,5x6 | ||||
| 39 | 307887 | 1.04 | 1.24 | |
| Pas d'informations disponibles, non commandable | ||||
| 40 | 317455 | |||
| SCHAKELAAR | ||||
| 41 | 980061 | 15.34 | 18.41 | |
| Ressort | ||||
| 42 | 301631 | 1.04 | 1.24 | |
| Terminal | ||||
| 43 | 317207 | 1.35 | 1.62 | |
| Bouton | ||||
| 44 | 319904 | 1.50 | 1.80 | |
| Pas d'informations disponibles, non commandable | ||||
| 45 | 321004 | |||
| Vis Ø 4*16 Noir | ||||
| 46 | 305812 | 1.04 | 1.24 | |
| Connecteur 50092 | ||||
| 47 | 959141 | 3.75 | 4.50 | |
| Lampe Temoin (12v 5w) | ||||
| 48 | 315229 | 9.30 | 11.16 | |
| Pas d'informations disponibles, non commandable | ||||
| 49 | 320999 | |||
| Fil | ||||
| 50 | 321002 | 1.35 | 1.62 | |
| Ressort | ||||
| 51 | 996118 | 2.55 | 3.06 | |
| Pas d'informations disponibles, non commandable | ||||
| 52 | 321001 | |||
| Support Ds 14dmr | ||||
| 53 | 320997 | 1.20 | 1.44 | |
| Fil | ||||
| 54 | 321000 | 4.05 | 4.86 | |
| Vis M.4*8 | ||||
| 55 | 317200 | 1.65 | 1.98 | |
| Pas d'informations disponibles, non commandable | ||||
| 56 | 321006 | |||
| Vis à aile M6x18 Sauf Pour Usa,can | ||||
| 57 | 307898 | 1.65 | 1.98 | |
| Ressort | ||||
| 58 | 941056 | 1.05 | 1.26 | |
| Assemblage de boulon (carré) M6x22 Includ.89 | ||||
| 59 | 314620 | 6.45 | 7.74 | |
| ROLL PIN D6X45 (10 PCS.) NEW | ||||
| 60 | 949523 | 6.06 | 7.27 | |
| Vis Ø6*8 | ||||
| 61A | 308109 | 1.04 | 1.24 | |
| Pas d'informations disponibles, non commandable | ||||
| 62 | 314621 | |||
| Pas d'informations disponibles, non commandable | ||||
| 63 | 321005 | |||
| Pas d'informations disponibles, non commandable | ||||
| 64 | 319764 | |||
| Pas d'informations disponibles, non commandable | ||||
| 502 | 940543 | |||
| Pas d'informations disponibles, non commandable | ||||
| 503 | 302756 | |||
| Pas d'informations disponibles, non commandable | ||||
| 504 | 321100 | |||