Vous trouverez ici toutes les pièces et dessins disponibles du 'Hikoki C15FB'. De là, vous pouvez commander directement toutes les pièces souhaitées. De nombreuses pièces doivent être commandées auprès du fabricant, selon la marque, cela prend une à quatre semaines. Toutes les informations dont nous disposons se trouvent sur notre site Web, nous ne pouvons pas vous conseiller sur ce dont vous avez besoin, pour cela vous devrez retourner la machine pour réparation. Veuillez noter ce qui suit lors de la commande:
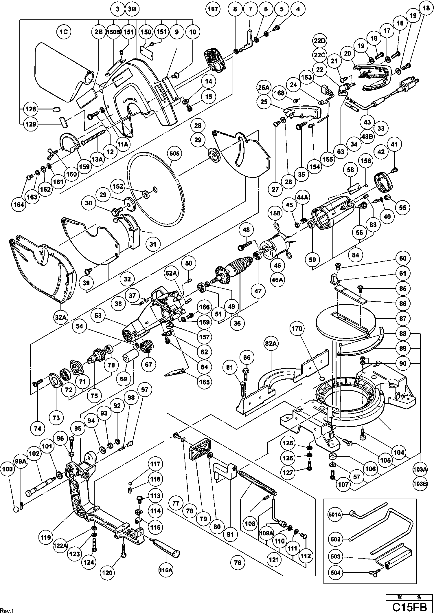
Dessins des Hikoki C15FB
Liste de pièces de rechange des Hikoki C15FB
| Pos. | Description | Prix hors TVA | Prix TTC | |
| Les prix affichés incluent la TVA | ||||
| Pas d'informations disponibles, non commandable | ||||
| 1C | 322955 | |||
| Pas d'informations disponibles, non commandable | ||||
| 2B | 951653 | |||
| Plus disponible, pas de remplacement | ||||
| 3B | 988908 | |||
| Pas d'informations disponibles, non commandable | ||||
| 3S | 988912 | |||
| Pas d'informations disponibles, non commandable | ||||
| 3T | 988914 | |||
| Vis M6*12 (paquet de 10) | ||||
| 4 | 949255 | 1.35 | 1.62 | |
| Rondelle de ressort M6 (ancien 949455z, 10 pieces) | ||||
| 5 | 949455 | 1.05 | 1.26 | |
| RING | ||||
| 6 | 972256 | 1.98 | 2.38 | |
| Pas d'informations disponibles, non commandable | ||||
| 7 | 988901 | |||
| Bague | ||||
| 8 | 974484 | 1.05 | 1.26 | |
| COVER | ||||
| 9 | 988112 | 3.30 | 3.96 | |
| Vis Ø 5*10 For Usa | ||||
| 10 | 976706 | 1.04 | 1.24 | |
| RING (B) | ||||
| 11A | 936311 | 1.00 | 1.20 | |
| Vis M5 X 16 | ||||
| 12 | 987512 | 1.04 | 1.24 | |
| Vis d'Autotaraudeuse D5x90 | ||||
| 13A | 320186 | 1.50 | 1.80 | |
| Rondelle Ø5 (x10) paquet de 10 | ||||
| 14 | 949431 | 1.04 | 1.24 | |
| Vis machine M4x10 (10 pièces) (ANCIEN 949216Z) | ||||
| 15 | 949216 | 1.05 | 1.26 | |
| Vis à Métaux M5X16 (10 Pièces) | ||||
| 16 | 949239 | 1.05 | 1.26 | |
| Rondelle Ø5 (x10) paquet de 10 | ||||
| 17 | 949431 | 1.04 | 1.24 | |
| Vis M.5*20 (paquet de 10) | ||||
| 18 | 949241 | 1.35 | 1.62 | |
| Rondelle Ø5 (x10) paquet de 10 | ||||
| 19 | 949431 | 1.04 | 1.24 | |
| Poignee | ||||
| 20 | 988107 | 13.95 | 16.74 | |
| Vis Cc-14 | ||||
| 21 | 974572 | 1.05 | 1.26 | |
| Commutateur | ||||
| 22 | 974664Z | 37.95 | 45.54 | |
| Commutateur | ||||
| 22 | 976450 | 27.09 | 32.50 | |
| Plus disponible, pas de remplacement | ||||
| 25A | 988920 | |||
| HANDGREEPDEKSEL | ||||
| 25S | 988108 | 5.04 | 6.05 | |
| Rondelle Ø5 (x10) paquet de 10 | ||||
| 26 | 949431 | 1.04 | 1.24 | |
| Vis Ø 5x12(paquet de 10) | ||||
| 27 | 949237 | 1.05 | 1.26 | |
| Bague | ||||
| 29 | 988896 | 17.33 | 20.79 | |
| Boulon (a) M10 | ||||
| 30 | 988101 | 1.95 | 2.34 | |
| Entree De Cable Ø 10,7 | ||||
| 33 | 940778 | 2.10 | 2.52 | |
| Pas d'informations disponibles, non commandable | ||||
| 34 | 988893 | |||
| Vis C 8fs/c 8fc | ||||
| 35 | 988889 | 1.05 | 1.26 | |
| Induit 230v | ||||
| 36 | 360065E | 183.70 | 220.44 | |
| Induit 240v | ||||
| 36 | 360065F | 183.70 | 220.44 | |
| Rondelle Elastique | ||||
| 37 | 974577 | 1.05 | 1.26 | |
| Ressort C 8fs | ||||
| 38 | 948363 | 1.05 | 1.26 | |
| Jeu De Charbons (1 paire) | ||||
| 40 | 999044 | 4.50 | 5.40 | |
| Vis Cc-14 | ||||
| 41 | 974572 | 1.05 | 1.26 | |
| Couvercle | ||||
| 42 | 974571 | 5.25 | 6.30 | |
| Pas d'informations disponibles, non commandable | ||||
| 43 | 952802Z | |||
| MOERDEKSEL | ||||
| 44A | 937892 | 1.00 | 1.20 | |
| Écrou M5 (10 pièces) (ANCIEN 949555Z) | ||||
| 45 | 949555 | 1.05 | 1.26 | |
| Pas d'informations disponibles, non commandable | ||||
| 46 | 974613D | |||
| Inducteur Includ.12 For Fra,hol,gbr (230v),aut | ||||
| 46A | 340198H | 99.00 | 118.80 | |
| Ensemble Stator 240v Includ.103 | ||||
| 46S | 974613F | 121.96 | 146.36 | |
| Roulement à billes 6200 Vv | ||||
| 47 | 6200VV | 6.15 | 7.38 | |
| Vis machine M5x75 | ||||
| 48 | 974603 | 1.05 | 1.26 | |
| Entretoise | ||||
| 49 | 947622 | 1.04 | 1.24 | |
| GOUJON EN CAOUTCHOUC (ANCIEN 976441) | ||||
| 50 | 946362 | 1.05 | 1.26 | |
| Roulement A Billes | ||||
| 51 | 6002DD | 7.05 | 8.46 | |
| Goupille C 8fs | ||||
| 52A | 974576 | 1.35 | 1.62 | |
| Carter | ||||
| 53 | 988881 | 99.14 | 118.96 | |
| Vis hexagonale creuse M6x10 | ||||
| 54 | 968247 | 1.04 | 1.24 | |
| Bouchon De Charbon Cd 12f | ||||
| 55 | 978445 | 1.05 | 1.26 | |
| Porte Charbon | ||||
| 56 | 980487 | 5.68 | 6.81 | |
| Rondelle Ø5 (x10) paquet de 10 | ||||
| 57 | 949431 | 1.04 | 1.24 | |
| BEARING BUSHING | ||||
| 59 | 988886 | 8.16 | 9.79 | |
| Vis M.4*10 (paquet de 10) | ||||
| 60 | 949322 | 1.05 | 1.26 | |
| Carter Protection (1) | ||||
| 61 | 988900 | 1.95 | 2.34 | |
| SNOERKLEM | ||||
| 62 | 934028 | 1.00 | 1.20 | |
| Manchon à cabler | ||||
| 63 | 981373 | 1.05 | 1.26 | |
| Vis machine M4x10 (10 pièces) (ANCIEN 949216Z) | ||||
| 64 | 949216 | 1.05 | 1.26 | |
| Pas d'informations disponibles, non commandable | ||||
| 66 | 988877 | |||
| Ressort | ||||
| 67 | 988878 | 10.95 | 13.14 | |
| Douille | ||||
| 69 | 988879 | 11.55 | 13.86 | |
| Roulement A Billes | ||||
| 70 | 6001VV | 6.60 | 7.92 | |
| BEARING HOLDER | ||||
| 71 | 988883 | 8.76 | 10.51 | |
| Roulement à billes 6006ZZ | ||||
| 72 | 6006ZZ | 10.20 | 12.24 | |
| Pas d'informations disponibles, non commandable | ||||
| 73 | 988884 | |||
| Vis M.6*25 (paquet de 10) | ||||
| 74 | 949342 | 1.65 | 1.98 | |
| Engrenage Complet | ||||
| 75 | 988882 | 84.56 | 101.48 | |
| Pas d'informations disponibles, non commandable | ||||
| 76 | 988897 | |||
| Vis de machine M6 X 10(ancien303405) | ||||
| 77 | 997314 | 1.05 | 1.26 | |
| WAVE WASHER M10 | ||||
| 78 | 974612 | 1.00 | 1.20 | |
| Pas d'informations disponibles, non commandable | ||||
| 79 | 988106 | |||
| Rondelle M10 (x10) paquet de 10 | ||||
| 80 | 949434 | 1.35 | 1.62 | |
| Boulon M10x60 (10 pièces) | ||||
| 81 | 949634 | 5.10 | 6.12 | |
| Étau (b) C15fb | ||||
| 82A | 988876 | 78.79 | 94.54 | |
| INBUSSTELSCHROEF M4X5 | ||||
| 83 | 967508 | 1.00 | 1.20 | |
| HUIS | ||||
| 84 | 974566 | 52.80 | 63.36 | |
| Vis M.4*10 (paquet de 10) | ||||
| 85 | 949322 | 1.05 | 1.26 | |
| Guide de lame de scie | ||||
| 86 | 974579 | 3.90 | 4.68 | |
| Pas d'informations disponibles, non commandable | ||||
| 87 | 988870 | |||
| Rivet D2,5x4,8 (10 pièces) | ||||
| 88 | 949510 | 1.04 | 1.24 | |
| Graduation (1) | ||||
| 89 | 988907 | 5.85 | 7.02 | |
| Écrou de blocage (insert en nylon) M10 | ||||
| 90 | 949572 | 2.40 | 2.88 | |
| Pas d'informations disponibles, non commandable | ||||
| 91 | 988898 | |||
| Ecrou M12 (x10) (paquet de 10) | ||||
| 92 | 949574 | 3.00 | 3.60 | |
| Ecrou M12 (10 Pièces) | ||||
| 93 | 949561 | 3.00 | 3.60 | |
| Rondelle M12 (x10) Paquet de 10 | ||||
| 94 | 949437 | 1.95 | 2.34 | |
| Pas d'informations disponibles, non commandable | ||||
| 95 | 988872 | |||
| Écrou de blocage (insert en nylon) M10 | ||||
| 96 | 949572 | 2.40 | 2.88 | |
| Broche | ||||
| 97 | 988874 | 4.80 | 5.76 | |
| Ressort C 8fs | ||||
| 98 | 948363 | 1.05 | 1.26 | |
| Goupille enroulée D4x32 (10 Pièces) | ||||
| 99A | 949685 | 2.55 | 3.06 | |
| Boule C 8fs | ||||
| 100 | 967896 | 2.55 | 3.06 | |
| Rondelle Cc-14 | ||||
| 101 | 955818 | 1.05 | 1.26 | |
| Pas d'informations disponibles, non commandable | ||||
| 102 | 988880 | |||
| Pas d'informations disponibles, non commandable | ||||
| 103A | 988906 | |||
| VIS DE BLOCAGE | ||||
| 104 | 988891 | 3.75 | 4.50 | |
| BOUT M10X30 (10 STUKS) | ||||
| 105 | 949698 | 3.06 | 3.67 | |
| Silent Bloc Cc-14 | ||||
| 106 | 964851 | 1.05 | 1.26 | |
| Vis M.5*20 (paquet de 10) | ||||
| 107 | 949241 | 1.35 | 1.62 | |
| Goupille | ||||
| 108 | 949496 | 1.65 | 1.98 | |
| BUS (OUD 964860) | ||||
| 109A | 962561 | 1.00 | 1.20 | |
| Rondelle de fermeture (b) (ancien 976448) | ||||
| 110 | 962569 | 1.05 | 1.26 | |
| Rondelle de ressort M4 (10 pièces) | ||||
| 111 | 949453 | 1.05 | 1.26 | |
| Vis machine M4x10 (10 pièces) (ANCIEN 949216Z) | ||||
| 112 | 949216 | 1.05 | 1.26 | |
| Vis Ø 5*10 For Usa | ||||
| 113 | 976706 | 1.04 | 1.24 | |
| INDICATEUR | ||||
| 114 | 976826 | 1.05 | 1.26 | |
| SPACER | ||||
| 115 | 976804 | 1.00 | 1.20 | |
| Pas d'informations disponibles, non commandable | ||||
| 116A | 988875 | |||
| Bille d'acier D12.7 (10 pièces) | ||||
| 117 | 959153 | 5.40 | 6.48 | |
| VEER | ||||
| 118 | 967150 | 1.00 | 1.20 | |
| Support | ||||
| 119 | 988871 | 154.55 | 185.46 | |
| BOLT M10X65 (W/WASHERS) | ||||
| 120 | 988873 | 1.08 | 1.30 | |
| Vis Etau Cd 12f y compris 70,71 | ||||
| 121 | 988104 | 25.71 | 30.86 | |
| Bague | ||||
| 122A | 302998 | 1.05 | 1.26 | |
| Rondelle M10 (x10) paquet de 10 | ||||
| 123 | 949458 | 1.05 | 1.26 | |
| SCREW (G) | ||||
| 124 | 988905 | 1.00 | 1.20 | |
| RING (B) | ||||
| 125 | 936311 | 1.00 | 1.20 | |
| Rondelle de ressort M6 (ancien 949455z, 10 pieces) | ||||
| 126 | 949455 | 1.05 | 1.26 | |
| Vis M6x10 (paquet de 10) | ||||
| 127 | 949256 | 1.35 | 1.62 | |
| Bague de remplissage pour D25.4 | ||||
| 152 | 976451 | 3.30 | 3.96 | |
| Raccord | ||||
| 158 | 998744 | 1.20 | 1.44 | |
| Pas d'informations disponibles, non commandable | ||||
| 501A | 985051 | |||
| HOUDER | ||||
| 502 | 974562 | 9.36 | 11.23 | |
| Arrêt | ||||
| 503 | 974561 | 7.05 | 8.46 | |
| Vis à papillon M6x20 | ||||
| 504 | 949404 | 7.65 | 9.18 | |
| Pas d'informations disponibles, non commandable | ||||
| 601 | 988904 | |||