Vous trouverez ici toutes les pièces et dessins disponibles du 'Hikoki C12RSH2'. De là, vous pouvez commander directement toutes les pièces souhaitées. De nombreuses pièces doivent être commandées auprès du fabricant, selon la marque, cela prend une à quatre semaines. Toutes les informations dont nous disposons se trouvent sur notre site Web, nous ne pouvons pas vous conseiller sur ce dont vous avez besoin, pour cela vous devrez retourner la machine pour réparation. Veuillez noter ce qui suit lors de la commande:
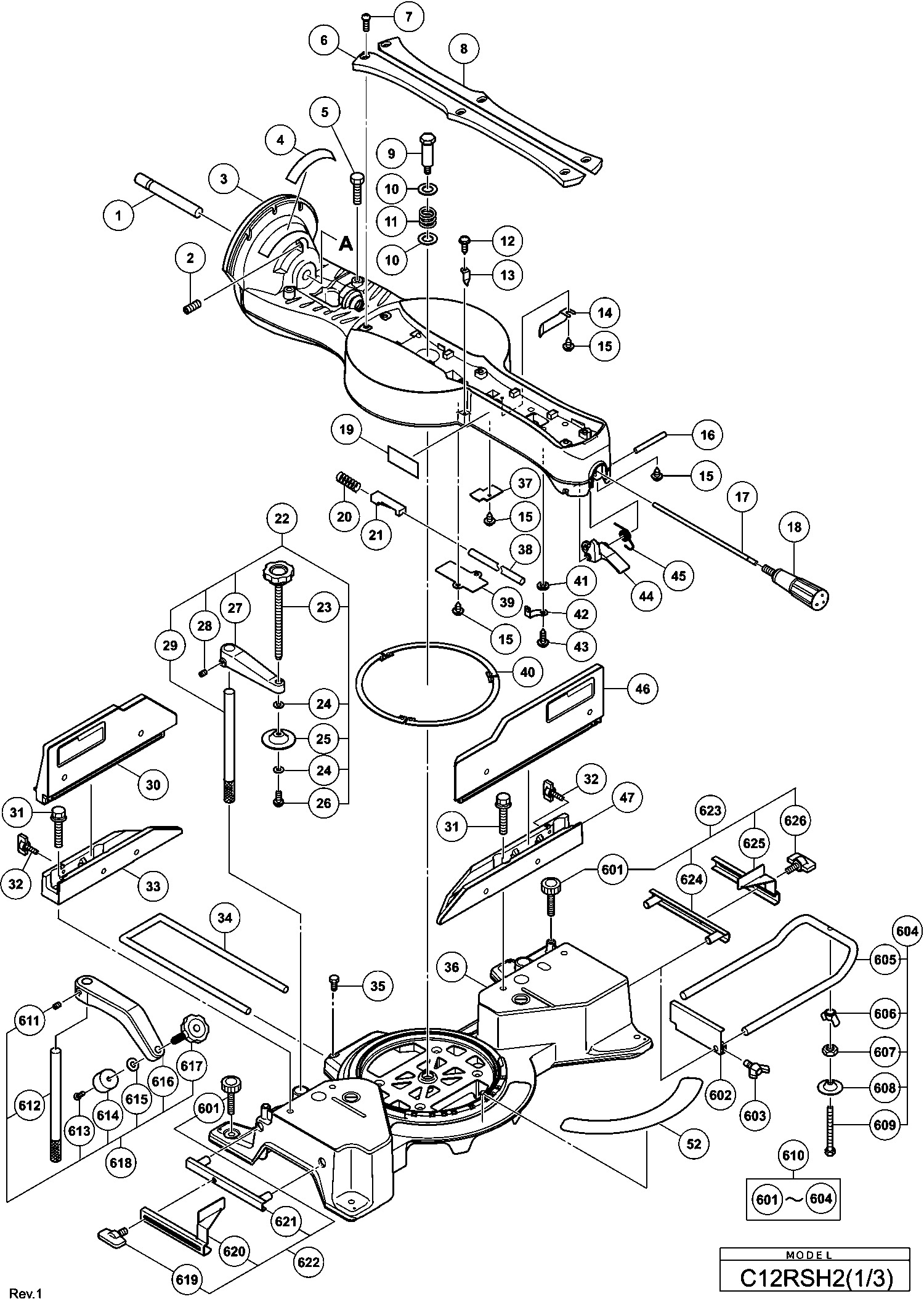
Dessins des Hikoki C12RSH2
Liste de pièces de rechange des Hikoki C12RSH2
| Pos. | Description | Prix hors TVA | Prix TTC | |
| Les prix affichés incluent la TVA | ||||
| Guide For Europe,gbr,rus,aus,nzl,bra | ||||
| *114 | 328522 | 13.05 | 15.66 | |
| LIEN DEPUIS MAI 2019 POUR L'EUROPE | ||||
| *114 | 381242 | 9.30 | 11.16 | |
| Assemblage d'alimentation à commutation | ||||
| *142A | 371121 | 18.98 | 22.77 | |
| Pas d'informations disponibles, non commandable | ||||
| *143 | 984750 | |||
| SNOER 10.7 (USE 714500=2X1 5M) | ||||
| *144 | 500247Z | 6.18 | 7.42 | |
| Connecteur 50092 | ||||
| *153 | 959141 | 3.75 | 4.50 | |
| Charbons | ||||
| *159 | 999065 | 7.95 | 9.54 | |
| Vis de réglage hexagonale M5x8 | ||||
| *161 | 938477 | 1.05 | 1.26 | |
| BOÎTIER D'ENGRENAGE (ANCIEN 339640) | ||||
| *164C | 373191 | 81.95 | 98.34 | |
| STATOR ASS'Y (A) 110 VOLT | ||||
| *165 | 340924D | 54.67 | 65.60 | |
| Assemblage de stator (b) 220v-240v Includ.166 | ||||
| *165 | 340925E | 47.58 | 57.09 | |
| Induit 230v | ||||
| *169 | 361021C | 40.84 | 49.00 | |
| ARMATURE ASS'Y 110-120 VOLT | ||||
| *169 | 361021B | 34.70 | 41.64 | |
| Vis | ||||
| *177 | 995096 | 1.05 | 1.26 | |
| Vis de machine M5x10 (noire) | ||||
| *191 | 336342 | 1.04 | 1.24 | |
| Pas d'informations disponibles, non commandable | ||||
| *198 | 339650 | |||
| WASHER (B) (OLD 323652) | ||||
| *201 | 339652 | 1.80 | 2.16 | |
| Pas d'informations disponibles, non commandable | ||||
| *202 | 328326 | |||
| Pas d'informations disponibles, non commandable | ||||
| *203 | 324452 | |||
| Ressort | ||||
| *206 | 328188 | 1.50 | 1.80 | |
| Commutateur | ||||
| *212 | 324424 | 6.45 | 7.74 | |
| Pas d'informations disponibles, non commandable | ||||
| *213 | 339637 | |||
| Pas d'informations disponibles, non commandable | ||||
| *214 | 339646 | |||
| Pas d'informations disponibles, non commandable | ||||
| *502 | 322955M | |||
| Pied caoutchou (cc 14se) | ||||
| *51 | 323606 | 1.05 | 1.26 | |
| Serre Cable C 8fc | ||||
| *81 | 948614 | 1.05 | 1.26 | |
| Pas d'informations disponibles, non commandable | ||||
| *82 | 339733 | |||
| Arbre (c) D16 | ||||
| 1 | 339629 | 1.04 | 1.24 | |
| Vis Hex. À Douille Nylock M8x16 | ||||
| 2 | 324612 | 1.65 | 1.98 | |
| Table tournante | ||||
| 3 | 339633 | 87.86 | 105.44 | |
| Marquage | ||||
| 4 | 324416 | 3.15 | 3.78 | |
| NYLOCK BOUT M8X25 | ||||
| 5 | 303409 | 1.00 | 1.20 | |
| Protection Gauche | ||||
| 6 | 324411 | 3.00 | 3.60 | |
| Vis M.5*16 Noir | ||||
| 7 | 302317 | 1.05 | 1.26 | |
| Protection Droite | ||||
| 8 | 324410 | 3.00 | 3.60 | |
| Vis | ||||
| 9 | 324401 | 7.20 | 8.64 | |
| Rondelle Cc-14 | ||||
| 10 | 955818 | 1.05 | 1.26 | |
| VEER | ||||
| 11 | 324402 | 2.70 | 3.24 | |
| Vis M4*12 (paquet de 10) | ||||
| 12 | 949217 | 1.05 | 1.26 | |
| Indicateur | ||||
| 13 | 321329 | 1.65 | 1.98 | |
| Glissiere (a) | ||||
| 14 | 321342 | 1.65 | 1.98 | |
| Vis M4*8 (paquet de 10) | ||||
| 15 | 949215 | 1.05 | 1.26 | |
| Axe | ||||
| 16 | 321339 | 1.80 | 2.16 | |
| Axe (a) (till 08.2008) | ||||
| 17 | 334378 | 1.80 | 2.16 | |
| Pas d'informations disponibles, non commandable | ||||
| 18 | 322283 | |||
| POIGNÉE LATÉRALE (ANCIEN 322283/322898) | ||||
| 18A | 376050 | 1.20 | 1.44 | |
| Ressort (e) | ||||
| 20 | 321417 | 3.45 | 4.14 | |
| Guide | ||||
| 21 | 322280 | 4.95 | 5.94 | |
| Pas d'informations disponibles, non commandable | ||||
| 22 | 339624 | |||
| Pas d'informations disponibles, non commandable | ||||
| 23 | 339625 | |||
| Bague | ||||
| 24 | 996722 | 1.05 | 1.26 | |
| KLEMPLAAT | ||||
| 25 | 322047 | 1.38 | 1.66 | |
| Vis Diam 5x12 Cc 14se | ||||
| 26 | 996247 | 1.05 | 1.26 | |
| Vis à six pans creux M6x10 | ||||
| 28 | 307956 | 1.05 | 1.26 | |
| Pas d'informations disponibles, non commandable | ||||
| 29 | 339626 | |||
| Pas d'informations disponibles, non commandable | ||||
| 30 | 339657 | |||
| Boulon (avec rondelles) M.8*35 (noir) | ||||
| 31 | 307221 | 1.04 | 1.24 | |
| Vis à ailettes M6x22 | ||||
| 32 | 322959 | 1.05 | 1.26 | |
| Pas d'informations disponibles, non commandable | ||||
| 33 | 339628 | |||
| Support | ||||
| 34 | 998834 | 9.30 | 11.16 | |
| HOLDER (OLD 998834) | ||||
| 34A | 376730 | 1.26 | 1.51 | |
| Vis M6x10 (paquet de 10) | ||||
| 35 | 949610 | 1.20 | 1.44 | |
| Pas d'informations disponibles, non commandable | ||||
| 36 | 339631 | |||
| Couvercle | ||||
| 37 | 324395 | 1.50 | 1.80 | |
| Axe | ||||
| 38 | 324396 | 3.00 | 3.60 | |
| Plaque de Broche | ||||
| 39 | 321336 | 1.65 | 1.98 | |
| Guide | ||||
| 40 | 324400 | 1.50 | 1.80 | |
| Rondelle Ø5 (x10) paquet de 10 | ||||
| 41 | 949431 | 1.04 | 1.24 | |
| Support | ||||
| 42 | 321331 | 1.65 | 1.98 | |
| Vis | ||||
| 43 | 995096 | 1.05 | 1.26 | |
| Levier | ||||
| 44 | 321338 | 1.65 | 1.98 | |
| Ressort | ||||
| 45 | 321340 | 1.80 | 2.16 | |
| Pas d'informations disponibles, non commandable | ||||
| 46 | 339656 | |||
| Pas d'informations disponibles, non commandable | ||||
| 47 | 339627 | |||
| Pied caoutchou (cc 14se) | ||||
| 51 | 323606 | 1.05 | 1.26 | |
| Pas d'informations disponibles, non commandable | ||||
| 52 | 370011 | |||
| Rondelle M4 (x10) Paquet de 10 | ||||
| 53 | 949429 | 1.05 | 1.26 | |
| Vis Ø 4x12 noir Till 8.2019 (since 9.2017 Except | ||||
| 54 | 935196 | 1.04 | 1.24 | |
| Serre Cable C 8fc | ||||
| 81 | 948614 | 1.05 | 1.26 | |
| Pas d'informations disponibles, non commandable | ||||
| 82 | 339732 | |||
| INBUSSTELSCHROEF M8X10 | ||||
| 83 | 961554 | 1.00 | 1.20 | |
| Pas d'informations disponibles, non commandable | ||||
| 84 | 339621 | |||
| Pas d'informations disponibles, non commandable | ||||
| 85 | 339620 | |||
| Pas d'informations disponibles, non commandable | ||||
| 86 | 339619 | |||
| Pas d'informations disponibles, non commandable | ||||
| 87 | 339618 | |||
| Pas d'informations disponibles, non commandable | ||||
| 88 | 339622 | |||
| Pas d'informations disponibles, non commandable | ||||
| 89 | 339623 | |||
| Axe | ||||
| 90 | 324420 | 6.00 | 7.20 | |
| Vis à six pans creux M6x10 | ||||
| 94 | 307956 | 1.05 | 1.26 | |
| Verrou | ||||
| 98 | 324421 | 1.65 | 1.98 | |
| Vis M5*16 | ||||
| 99 | 307294 | 1.05 | 1.26 | |
| Douille | ||||
| 100 | 324415 | 6.45 | 7.74 | |
| BOUTON M6X25 | ||||
| 101 | 324418 | 3.00 | 3.60 | |
| Ressort (ancien 996224) | ||||
| 102 | 947859 | 1.04 | 1.24 | |
| Soutien | ||||
| 103A | 334458 | 8.85 | 10.62 | |
| Coussinet | ||||
| 104 | 324414 | 19.11 | 22.94 | |
| Couvercle | ||||
| 105 | 320183 | 3.30 | 3.96 | |
| Axe Includ.107 | ||||
| 106 | 324419 | 5.40 | 6.48 | |
| O Ring (p-9) | ||||
| 107 | 872645 | 1.65 | 1.98 | |
| Axe De Chape | ||||
| 108 | 324387 | 2.10 | 2.52 | |
| Charnière (a) | ||||
| 109 | 324467 | 64.63 | 77.55 | |
| Pas d'informations disponibles, non commandable | ||||
| 110 | 312672 | |||
| Pied caoutchou (cc 14se) | ||||
| 110A | 323606 | 1.05 | 1.26 | |
| Ajusteur | ||||
| 111 | 319270 | 5.85 | 7.02 | |
| Vis Ø 5x12(paquet de 10) | ||||
| 112 | 949237 | 1.05 | 1.26 | |
| Douille | ||||
| 113 | 303854 | 1.05 | 1.26 | |
| LIEN DEPUIS MAI 2019 POUR L'EUROPE | ||||
| 114 | 381242 | 9.30 | 11.16 | |
| Ressort | ||||
| 115 | 319267 | 1.50 | 1.80 | |
| Plaque (b) | ||||
| 116 | 319268 | 1.65 | 1.98 | |
| Ressort d'embrayage | ||||
| 117 | 305179 | 1.05 | 1.26 | |
| Laser | ||||
| 118 | 329863 | 43.18 | 51.81 | |
| Vis de blocage hexagonale M5x6 | ||||
| 119 | 319541 | 1.50 | 1.80 | |
| Couvercle (a) | ||||
| 120 | 319271 | 15.54 | 18.64 | |
| Plaque | ||||
| 121 | 322291 | 3.30 | 3.96 | |
| Vis d'embrayage | ||||
| 123 | 305180 | 4.50 | 5.40 | |
| Rondelle | ||||
| 124 | 962614 | 1.04 | 1.24 | |
| Support | ||||
| 125 | 319269 | 7.80 | 9.36 | |
| Pas d'informations disponibles, non commandable | ||||
| 141 | 339644 | |||
| Assemblage d'alimentation à commutation | ||||
| 142A | 371121 | 18.98 | 22.77 | |
| Pas d'informations disponibles, non commandable | ||||
| 143 | 984750 | |||
| SNOER 10.7 (USE 714500=2X1 5M) | ||||
| 144 | 500247Z | 6.18 | 7.42 | |
| Entree De Cable Ø 10,1 | ||||
| 145 | 938051 | 1.04 | 1.24 | |
| Serre Cable | ||||
| 146 | 937631 | 1.04 | 1.24 | |
| Douille de Cordon | ||||
| 147 | 319349 | 1.50 | 1.80 | |
| Vis à tarauder D4x20 avec bride (noir) | ||||
| 148 | 301653 | 1.04 | 1.24 | |
| Commutateur | ||||
| 149 | 319503 | 12.60 | 15.12 | |
| Vis Ø 5*25 | ||||
| 150 | 880734 | 1.04 | 1.24 | |
| Vis auto-taraudeuse (avec bride) D5x25 (noir) | ||||
| 151 | 305558 | 1.04 | 1.24 | |
| Entretoise For Europe,aus,ina,model (s) | ||||
| 152 | 324518 | 12.15 | 14.58 | |
| Connecteur 50092 | ||||
| 153 | 959141 | 3.75 | 4.50 | |
| Fil interne | ||||
| 154 | 324458 | 1.65 | 1.98 | |
| Pas d'informations disponibles, non commandable | ||||
| 157 | 339643 | |||
| Bouchon Charbon | ||||
| 158 | 945161 | 1.20 | 1.44 | |
| Charbons | ||||
| 159 | 999065 | 7.95 | 9.54 | |
| Pte Charbon Pde | ||||
| 160 | 938241 | 6.45 | 7.74 | |
| Vis de réglage hexagonale M5x8 | ||||
| 161 | 938477 | 1.05 | 1.26 | |
| Douille | ||||
| 162 | 324388 | 4.80 | 5.76 | |
| Ressort | ||||
| 163 | 310898 | 13.75 | 16.50 | |
| BOÎTIER D'ENGRENAGE (ANCIEN 339640) | ||||
| 164A | 373191 | 81.95 | 98.34 | |
| Pas d'informations disponibles, non commandable | ||||
| 164D | 378855 | |||
| STATOR ASS'Y (A) 110 VOLT | ||||
| 165 | 340924D | 54.67 | 65.60 | |
| Assemblage de stator (b) 220v-240v Includ.166 | ||||
| 165 | 340925E | 47.58 | 57.09 | |
| Raccord | ||||
| 166 | 937623 | 1.04 | 1.24 | |
| Pas d'informations disponibles, non commandable | ||||
| 167 | 339734 | |||
| Pas d'informations disponibles, non commandable | ||||
| 168 | 339642 | |||
| Induit 230v | ||||
| 169 | 361021C | 40.84 | 49.00 | |
| ARMATURE ASS'Y 110-120 VOLT | ||||
| 169 | 361021B | 34.70 | 41.64 | |
| Roulement | ||||
| 170 | 6000VV | 6.15 | 7.38 | |
| Roulement Cr12v H90sc | ||||
| 171 | 6201VV | 6.45 | 7.74 | |
| Pas d'informations disponibles, non commandable | ||||
| 172 | 339641 | |||
| Vis M.4*10 (paquet de 10) | ||||
| 173 | 949322 | 1.05 | 1.26 | |
| Poulie | ||||
| 174 | 324443 | 4.20 | 5.04 | |
| POELIE (A) (OUD 324443) | ||||
| 174 | 378182 | 1.68 | 2.02 | |
| Axe | ||||
| 175 | 983545 | 1.05 | 1.26 | |
| Guide | ||||
| 176 | 325259 | 3.15 | 3.78 | |
| Vis | ||||
| 177 | 995096 | 1.05 | 1.26 | |
| Bague | ||||
| 178 | 324427 | 26.26 | 31.52 | |
| Pas d'informations disponibles, non commandable | ||||
| 179 | 307811 | |||
| Bague De Calage | ||||
| 180 | 302757 | 1.04 | 1.24 | |
| Ressort | ||||
| 182 | 322457 | 1.50 | 1.80 | |
| Vis à machine M4x16 | ||||
| 183 | 954878 | 1.05 | 1.26 | |
| Pas d'informations disponibles, non commandable | ||||
| 184 | 339651 | |||
| Vis | ||||
| 185 | 995096 | 1.05 | 1.26 | |
| Ressort De Maintien | ||||
| 186 | 988821 | 3.60 | 4.32 | |
| Stoppeur | ||||
| 187 | 307732 | 4.50 | 5.40 | |
| Bouton | ||||
| 188 | 961468 | 1.35 | 1.62 | |
| Vis à tête creuse avec joint d'étanchéité M5x10 | ||||
| 189 | 877839 | 1.05 | 1.26 | |
| Vis Ø 4x12 noir Till 8.2019 (since 9.2017 Except | ||||
| 190 | 935196 | 1.04 | 1.24 | |
| Vis Ø 6*25 (x10) | ||||
| 192 | 949260 | 1.35 | 1.62 | |
| Roulement A Billes | ||||
| 193 | 606ZZM | 15.40 | 18.48 | |
| Rondelle de ressort M6 (ancien 949455z, 10 pieces) | ||||
| 194 | 949455 | 1.05 | 1.26 | |
| Rondelle M.6 (x10) paquet de 10 | ||||
| 195 | 949425 | 1.05 | 1.26 | |
| Pas d'informations disponibles, non commandable | ||||
| 196 | 339649 | |||
| Pas d'informations disponibles, non commandable | ||||
| 197 | 339648 | |||
| Pas d'informations disponibles, non commandable | ||||
| 199 | 339653 | |||
| Boulon (a) M10 | ||||
| 200 | 988101 | 1.95 | 2.34 | |
| WASHER (B) (OLD 323652) | ||||
| 201 | 339652 | 1.80 | 2.16 | |
| Pas d'informations disponibles, non commandable | ||||
| 202 | 328326 | |||
| Pas d'informations disponibles, non commandable | ||||
| 203 | 324452 | |||
| Couvercle | ||||
| 204 | 307731 | 2.55 | 3.06 | |
| Pas d'informations disponibles, non commandable | ||||
| 205 | 339654 | |||
| Ressort | ||||
| 206 | 328188 | 1.50 | 1.80 | |
| Engrenage Complet | ||||
| 207 | 324438 | 36.99 | 44.38 | |
| ROULEMENT À BILLES 6003VVCM (SUPPORT EN NYLON) | ||||
| 208 | 327694 | 5.25 | 6.30 | |
| Carter | ||||
| 209 | 324439 | 10.20 | 12.24 | |
| Roulement A Billes | ||||
| 210 | 608VVM | 5.70 | 6.84 | |
| MACHINESCHROEF M5X20 | ||||
| 211 | 333963 | 1.68 | 2.02 | |
| Commutateur | ||||
| 212 | 324424 | 6.45 | 7.74 | |
| Pas d'informations disponibles, non commandable | ||||
| 213 | 339637 | |||
| Pas d'informations disponibles, non commandable | ||||
| 214 | 339646 | |||
| Pas d'informations disponibles, non commandable | ||||
| 215 | 373165 | |||
| Vis | ||||
| 216 | 995096 | 1.05 | 1.26 | |
| Pas d'informations disponibles, non commandable | ||||
| 501 | 333732 | |||
| Pas d'informations disponibles, non commandable | ||||
| 502 | 322955 | |||
| Flasque For Aus | ||||
| 503 | 328520 | 9.45 | 11.34 | |
| Vis | ||||
| 601 | 960017 | 1.65 | 1.98 | |
| Arrêt | ||||
| 602 | 974561 | 7.05 | 8.46 | |
| Vis à papillon M6x20 | ||||
| 603 | 949404 | 7.65 | 9.18 | |
| Ensemble Support Incluant 620-625 | ||||
| 604 | 324464 | 40.84 | 49.00 | |
| Pas d'informations disponibles, non commandable | ||||
| 605 | 321549 | |||
| Papillon M6 (paquet de 10) | ||||
| 606 | 949313 | 4.65 | 5.58 | |
| Ecrou M.6 (x10) (paquet de 10) For Europe (sl),us | ||||
| 607 | 949556 | 1.05 | 1.26 | |
| KLEMPLAAT | ||||
| 608 | 322047 | 1.38 | 1.66 | |
| Boulon | ||||
| 609 | 324412 | 13.95 | 16.74 | |
| Pas d'informations disponibles, non commandable | ||||
| 610 | 324369 | |||
| Vis à six pans creux M6x10 | ||||
| 611 | 307956 | 1.05 | 1.26 | |
| Pas d'informations disponibles, non commandable | ||||
| 612 | 339626 | |||
| Vis machine (avec rondelles) M4x10 (noir) | ||||
| 613 | 304043 | 1.05 | 1.26 | |
| Silent Bloc Cc-14 | ||||
| 614 | 964851 | 1.05 | 1.26 | |
| Bague (h) | ||||
| 615 | 322677 | 1.65 | 1.98 | |
| Pas d'informations disponibles, non commandable | ||||
| 616 | 339661 | |||
| Pas d'informations disponibles, non commandable | ||||
| 617 | 339662 | |||
| Pas d'informations disponibles, non commandable | ||||
| 618 | 339660 | |||
| Ecrou Papillon M.6*15 | ||||
| 619 | 301806 | 1.05 | 1.26 | |
| Pas d'informations disponibles, non commandable | ||||
| 621 | 321390 | |||
| Pas d'informations disponibles, non commandable | ||||
| 622 | 339730 | |||
| Pas d'informations disponibles, non commandable | ||||
| 623 | 339731 | |||
| Pas d'informations disponibles, non commandable | ||||
| 624 | 321390 | |||
| Ecrou Papillon M.6*15 | ||||
| 626 | 301806 | 1.05 | 1.26 | |