Vous trouverez ici toutes les pièces et dessins disponibles du 'Hikoki C10FCG'. De là, vous pouvez commander directement toutes les pièces souhaitées. De nombreuses pièces doivent être commandées auprès du fabricant, selon la marque, cela prend une à quatre semaines. Toutes les informations dont nous disposons se trouvent sur notre site Web, nous ne pouvons pas vous conseiller sur ce dont vous avez besoin, pour cela vous devrez retourner la machine pour réparation. Veuillez noter ce qui suit lors de la commande:
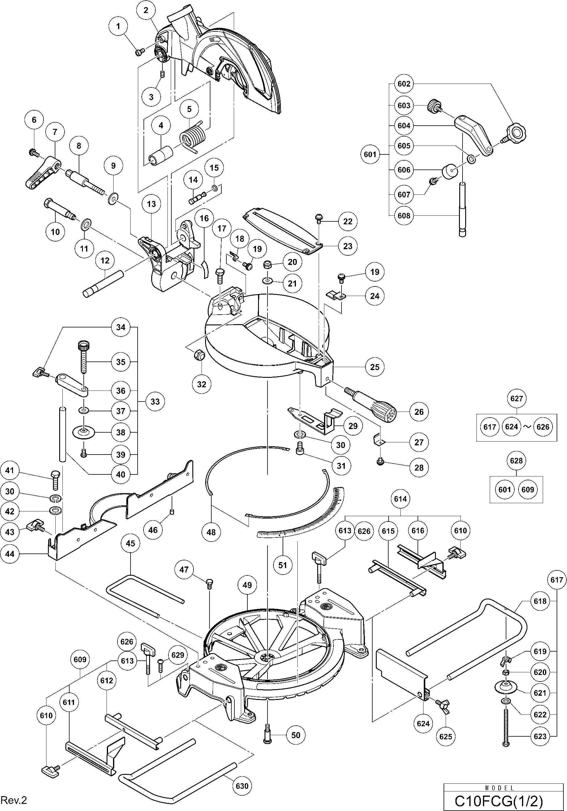
Dessins des Hikoki C10FCG
Liste de pièces de rechange des Hikoki C10FCG
| Pos. | Description | Prix hors TVA | Prix TTC | |
| Les prix affichés incluent la TVA | ||||
| Pas d'informations disponibles, non commandable | ||||
| *501 | 322955M | |||
| Vis M.5*10 (paquet de 10) | ||||
| 1 | 949819 | 2.55 | 3.06 | |
| Pas d'informations disponibles, non commandable | ||||
| 2 | 371727 | |||
| Pas d'informations disponibles, non commandable | ||||
| 2A | 371727M | |||
| Vis à six pans creux M6x10 | ||||
| 3 | 307956 | 1.05 | 1.26 | |
| Douille | ||||
| 4 | 322889 | 1.05 | 1.26 | |
| Ressort | ||||
| 5 | 322890 | 4.20 | 5.04 | |
| Pas d'informations disponibles, non commandable | ||||
| 6 | 323208 | |||
| POIGNÉE DE SERRAGE (ANCIEN 322935) | ||||
| 7 | 371742 | 1.20 | 1.44 | |
| Boulon (main gauche) M10 | ||||
| 8 | 371743 | 2.40 | 2.88 | |
| Rondelle | ||||
| 9 | 318934 | 1.50 | 1.80 | |
| Arbre (d) | ||||
| 10 | 371740 | 2.10 | 2.52 | |
| Rondelle | ||||
| 11 | 322934 | 1.05 | 1.26 | |
| Axe | ||||
| 12 | 322888 | 5.10 | 6.12 | |
| Pas d'informations disponibles, non commandable | ||||
| 13 | 371732 | |||
| Goupille (avec o ring) Includ.94 | ||||
| 14 | 302518 | 4.50 | 5.40 | |
| O Ring (p-6) | ||||
| 15 | 984528 | 1.05 | 1.26 | |
| Pas d'informations disponibles, non commandable | ||||
| 16 | 371733 | |||
| NYLOCK BOUT M8X25 | ||||
| 17 | 303409 | 1.00 | 1.20 | |
| Indicateur | ||||
| 18 | 321329 | 1.65 | 1.98 | |
| Vis machine (avec rondelles) M4x10 (noir) | ||||
| 19 | 304043 | 1.05 | 1.26 | |
| NYLON MOER M8 | ||||
| 20 | 371739 | 1.00 | 1.20 | |
| Pas d'informations disponibles, non commandable | ||||
| 21 | 318929 | |||
| Vis de Machine M4x12 (noir) avec Rondelle | ||||
| 22 | 333781 | 1.20 | 1.44 | |
| Pas d'informations disponibles, non commandable | ||||
| 23 | 371729 | |||
| Indicateur | ||||
| 24 | 322904 | 1.05 | 1.26 | |
| Pas d'informations disponibles, non commandable | ||||
| 25 | 371719 | |||
| Pas d'informations disponibles, non commandable | ||||
| 26 | 322898 | |||
| POIGNÉE LATÉRALE (ANCIEN 322283/322898) | ||||
| 26A | 376050 | 1.20 | 1.44 | |
| Entretoise | ||||
| 27 | 326696 | 1.05 | 1.26 | |
| Vis M.4*8 | ||||
| 28 | 317200 | 1.65 | 1.98 | |
| Tôle à ressort | ||||
| 29 | 322903 | 2.10 | 2.52 | |
| Rondelle M8 (x10) Paquet de 10 | ||||
| 30 | 949457 | 1.05 | 1.26 | |
| Vis M8*16 (paquet de 10) | ||||
| 31 | 949655 | 3.90 | 4.68 | |
| NYLON MOER M12 | ||||
| 32 | 371741 | 1.00 | 1.20 | |
| Pas d'informations disponibles, non commandable | ||||
| 33 | 322952 | |||
| Ecrou Papillon M.6*15 | ||||
| 34 | 301806 | 1.05 | 1.26 | |
| Vis 10*66 | ||||
| 35 | 302522 | 9.60 | 11.52 | |
| Rondelle M.6 (x10) paquet de 10 | ||||
| 37 | 949432 | 1.05 | 1.26 | |
| Plaque de serrage | ||||
| 38 | 302532 | 2.40 | 2.88 | |
| Vis machine M4x10 (10 pièces) (ANCIEN 949216Z) | ||||
| 39 | 949216 | 1.05 | 1.26 | |
| Pas d'informations disponibles, non commandable | ||||
| 40 | 322954 | |||
| Vis 8x35 (paquet de 10) | ||||
| 41 | 949678 | 2.55 | 3.06 | |
| Rondelle M.8 (x10) Paquet de 10 | ||||
| 42 | 949433 | 1.05 | 1.26 | |
| Ecrou Papillon M.6*15 | ||||
| 43 | 301806 | 1.05 | 1.26 | |
| Pas d'informations disponibles, non commandable | ||||
| 44 | 371721 | |||
| Pas d'informations disponibles, non commandable | ||||
| 44A | 375117 | |||
| Butee Longitudinale | ||||
| 45 | 326705 | 3.15 | 3.78 | |
| STYLO EN CAOUTCHOUC | ||||
| 46 | 931701 | 1.05 | 1.26 | |
| Boulon M6*12 (x10) Paquet de 10 (till 12.1999 For | ||||
| 47 | 949611 | 1.05 | 1.26 | |
| Vis M6x10 (paquet de 10) | ||||
| 47A | 949610 | 1.20 | 1.44 | |
| Pas d'informations disponibles, non commandable | ||||
| 48 | 371720 | |||
| ENSEMBLE BASE (ANCIEN 371718) | ||||
| 49 | 372289 | 44.00 | 52.80 | |
| ENSEMBLE BASE (ANCIEN 371718) | ||||
| 49A | 372289 | 44.00 | 52.80 | |
| Arbre (b) | ||||
| 50 | 371738 | 1.35 | 1.62 | |
| ÉCHELLE (A) | ||||
| 51 | 372290 | 4.05 | 4.86 | |
| Pas d'informations disponibles, non commandable | ||||
| 52 | 326704 | |||
| Ecrou Plastique Nr 83aa | ||||
| 53 | 963837 | 1.05 | 1.26 | |
| Plaque | ||||
| 54 | 326711 | 1.65 | 1.98 | |
| Vis M.6*25 (paquet de 10) | ||||
| 55 | 949342 | 1.65 | 1.98 | |
| BOULON À TÊTE HEXAGONALE GAUCHE M7 | ||||
| 71 | 371730 | 1.04 | 1.24 | |
| Pas d'informations disponibles, non commandable | ||||
| 72 | 371731 | |||
| Pas d'informations disponibles, non commandable | ||||
| 73 | 318963 | |||
| Flange (D) | ||||
| 74 | 308789 | 15.84 | 19.00 | |
| Pas d'informations disponibles, non commandable | ||||
| 75 | 371725 | |||
| Vis M4*10 | ||||
| 76 | 990430 | 1.04 | 1.24 | |
| Couvercle | ||||
| 77 | 322919 | 1.05 | 1.26 | |
| Roulement à billes 6003 Vv | ||||
| 78 | 6003VV | 7.65 | 9.18 | |
| Logement De Rlt C 10fce | ||||
| 79 | 322918 | 4.65 | 5.58 | |
| Pas d'informations disponibles, non commandable | ||||
| 80 | 371726 | |||
| Roulement A Billes | ||||
| 81 | 608VVM | 5.70 | 6.84 | |
| Vis M5 X 16 | ||||
| 82 | 987512 | 1.04 | 1.24 | |
| Poignee | ||||
| 83 | 326708 | 5.40 | 6.48 | |
| Vis Speciale Ø 6 For Europe,aus,model (s) | ||||
| 84 | 322950 | 1.05 | 1.26 | |
| Rondelle diam 7 | ||||
| 85 | 322948 | 1.05 | 1.26 | |
| Pas d'informations disponibles, non commandable | ||||
| 86 | 371734 | |||
| Vis M.6*16 (paquet de 10) | ||||
| 87 | 949340 | 1.35 | 1.62 | |
| Butee C9u/c6u/c6dd | ||||
| 88 | 961729 | 1.05 | 1.26 | |
| Pas d'informations disponibles, non commandable | ||||
| 89 | 371735 | |||
| Vis Speciale Ø 5 | ||||
| 90 | 322947 | 1.05 | 1.26 | |
| Rondelle | ||||
| 91 | 322938 | 1.05 | 1.26 | |
| SPACER (B) | ||||
| 92 | 371745 | 1.00 | 1.20 | |
| Rondelle de ressort M5 (10 pièces) | ||||
| 93 | 949454 | 1.04 | 1.24 | |
| Vis machine M4x8 (noir) | ||||
| 94 | 315500 | 1.35 | 1.62 | |
| Vis Ø 4x8 Noir | ||||
| 95 | 323211 | 1.05 | 1.26 | |
| Pas d'informations disponibles, non commandable | ||||
| 96 | 371736 | |||
| Pas d'informations disponibles, non commandable | ||||
| 97 | 500242Z | |||
| Pas d'informations disponibles, non commandable | ||||
| 98 | 371728 | |||
| Vis Ø 4*25 noir | ||||
| 99 | 307028 | 1.05 | 1.26 | |
| Pas d'informations disponibles, non commandable | ||||
| 100 | 984750 | |||
| Serre Cable | ||||
| 101 | 937631 | 1.04 | 1.24 | |
| Vis à tarauder D4x20 avec bride (noir) | ||||
| 102 | 301653 | 1.04 | 1.24 | |
| Entree De Cable Ø 10,1 | ||||
| 103 | 938051 | 1.04 | 1.24 | |
| Connecteur 50092 | ||||
| 104 | 959141 | 3.75 | 4.50 | |
| Pas d'informations disponibles, non commandable | ||||
| 105 | 371723 | |||
| Pas d'informations disponibles, non commandable | ||||
| 106 | 361063 | |||
| Roulement A Billes | ||||
| 107 | 6002DD | 7.05 | 8.46 | |
| Roulement A Billes | ||||
| 107A | 6002VV | 7.35 | 8.82 | |
| Verrouillage | ||||
| 108 | 322916 | 1.05 | 1.26 | |
| Roulement A Billes | ||||
| 109 | 608VVM | 5.70 | 6.84 | |
| Pas d'informations disponibles, non commandable | ||||
| 110 | 371724 | |||
| Raccord | ||||
| 111 | 930703 | 2.40 | 2.88 | |
| Pas d'informations disponibles, non commandable | ||||
| 112 | 340969 | |||
| Pas d'informations disponibles, non commandable | ||||
| 113 | 371737 | |||
| Pas d'informations disponibles, non commandable | ||||
| 113A | 375114 | |||
| Pas d'informations disponibles, non commandable | ||||
| 114 | 326699 | |||
| COMMUTATEUR (TYPE 3P FASTON) SANS VERROU | ||||
| 114A | 375672 | 10.50 | 12.60 | |
| Pas d'informations disponibles, non commandable | ||||
| 115 | 371722 | |||
| Pas d'informations disponibles, non commandable | ||||
| 115A | 371722 | |||
| Vis de réglage hexagonale M5x8 | ||||
| 116 | 938477 | 1.05 | 1.26 | |
| S/e Porte Balais | ||||
| 117 | 958900 | 6.45 | 7.74 | |
| Charbons (1 Paire) | ||||
| 118 | 999043 | 4.50 | 5.40 | |
| Bouchon Charbon | ||||
| 119 | 945161 | 1.20 | 1.44 | |
| Vis M.5*45 | ||||
| 120 | 302434 | 1.04 | 1.24 | |
| BOUTON | ||||
| 121 | 375116 | 1.04 | 1.24 | |
| Pas d'informations disponibles, non commandable | ||||
| 501 | 322955 | |||
| Pas d'informations disponibles, non commandable | ||||
| 502 | 944459 | |||
| Boulon M10x35 (10 pcs) | ||||
| 503 | 949695 | 3.30 | 3.96 | |
| Pas d'informations disponibles, non commandable | ||||
| 601 | 322957 | |||
| Pas d'informations disponibles, non commandable | ||||
| 602 | 321551 | |||
| Bouton C 8fs | ||||
| 603 | 998836 | 1.65 | 1.98 | |
| Pas d'informations disponibles, non commandable | ||||
| 605 | 306985 | |||
| Silent Bloc Cc-14 | ||||
| 606 | 964851 | 1.05 | 1.26 | |
| Vis machine (avec rondelles) M4x10 (noir) | ||||
| 607 | 304043 | 1.05 | 1.26 | |
| Axe | ||||
| 608 | 318967 | 3.00 | 3.60 | |
| Pas d'informations disponibles, non commandable | ||||
| 609 | 322713 | |||
| Ecrou Papillon M.6*15 | ||||
| 610 | 301806 | 1.05 | 1.26 | |
| Pas d'informations disponibles, non commandable | ||||
| 612 | 321390 | |||
| Vis papillon M6x52 | ||||
| 613 | 316030 | 14.70 | 17.64 | |
| Pas d'informations disponibles, non commandable | ||||
| 614 | 322714 | |||
| Pas d'informations disponibles, non commandable | ||||
| 615 | 321390 | |||
| Ensemble Support Incluant 620-625 | ||||
| 617 | 322956 | 20.49 | 24.58 | |
| Pas d'informations disponibles, non commandable | ||||
| 618 | 321549 | |||
| Papillon M6 (paquet de 10) | ||||
| 619 | 949313 | 4.65 | 5.58 | |
| Ecrou M.6 (x10) (paquet de 10) For Europe (sl),us | ||||
| 620 | 949556 | 1.05 | 1.26 | |
| KLEMPLAAT | ||||
| 621 | 322047 | 1.38 | 1.66 | |
| Rondelle M.6 (x10) paquet de 10 | ||||
| 622 | 949425 | 1.05 | 1.26 | |
| Pas d'informations disponibles, non commandable | ||||
| 623 | 323134 | |||
| Arrêt | ||||
| 624 | 974561 | 7.05 | 8.46 | |
| Vis à papillon M6x20 | ||||
| 625 | 949404 | 7.65 | 9.18 | |
| Pas d'informations disponibles, non commandable | ||||
| 626 | 323682 | |||
| Pas d'informations disponibles, non commandable | ||||
| 627 | 322710 | |||
| Pas d'informations disponibles, non commandable | ||||
| 628 | 322712 | |||
| Vis M.6*20 (paquet de 10) | ||||
| 629 | 949258 | 1.65 | 1.98 | |
| HOUDER | ||||
| 630 | 974562 | 9.36 | 11.23 | |