Vous trouverez ici toutes les pièces et dessins disponibles du 'Hikoki C10FCE2'. De là, vous pouvez commander directement toutes les pièces souhaitées. De nombreuses pièces doivent être commandées auprès du fabricant, selon la marque, cela prend une à quatre semaines. Toutes les informations dont nous disposons se trouvent sur notre site Web, nous ne pouvons pas vous conseiller sur ce dont vous avez besoin, pour cela vous devrez retourner la machine pour réparation. Veuillez noter ce qui suit lors de la commande:
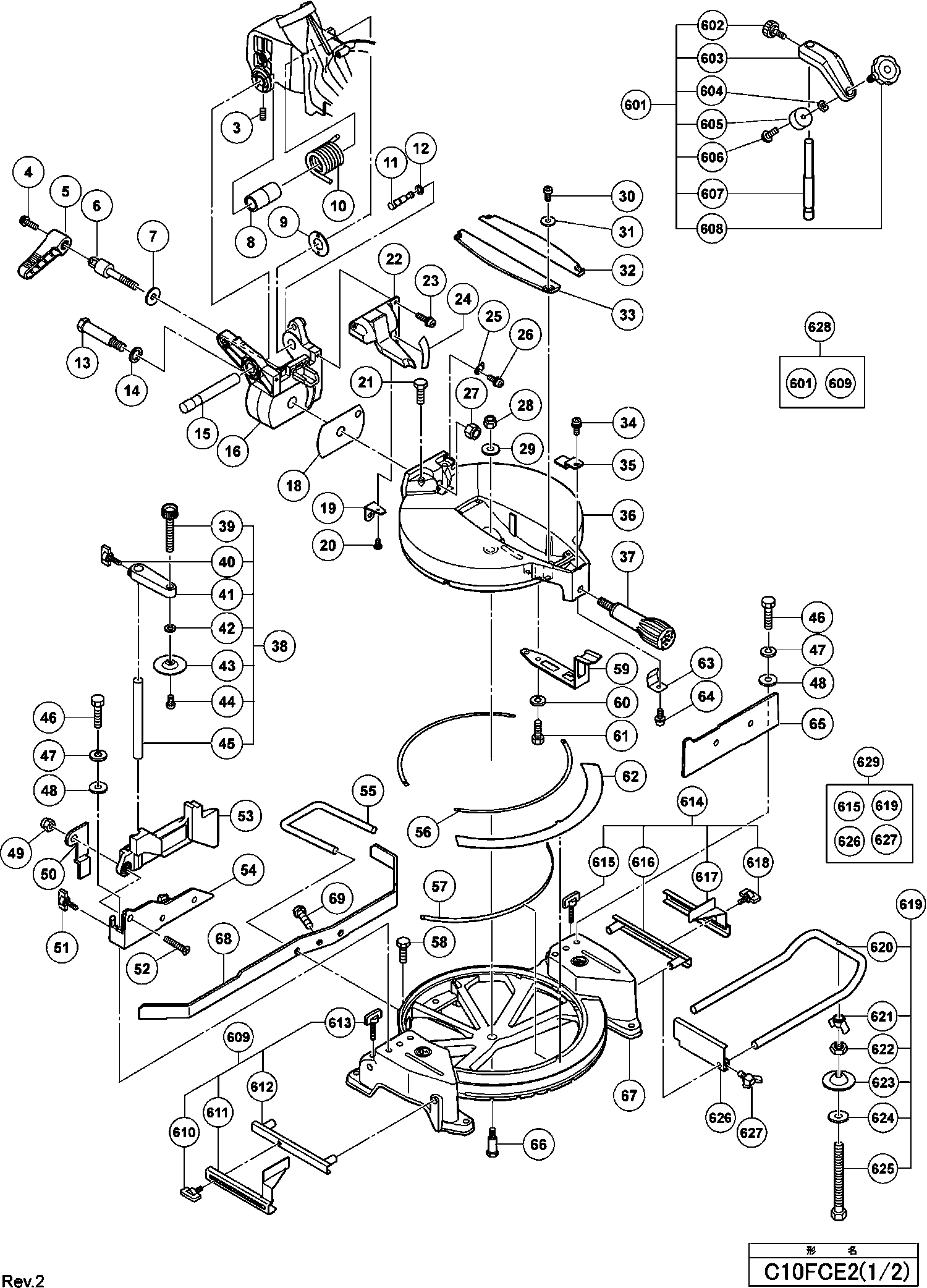
Dessins des Hikoki C10FCE2
Liste de pièces de rechange des Hikoki C10FCE2
| Pos. | Description | Prix hors TVA | Prix TTC | |
| Les prix affichés incluent la TVA | ||||
| Flange (D) | ||||
| *101 | 308789 | 15.84 | 19.00 | |
| Rondelle | ||||
| *101 | 318961 | 3.00 | 3.60 | |
| Rondelle | ||||
| *101 | 318962 | 3.00 | 3.60 | |
| Pas d'informations disponibles, non commandable | ||||
| *102 | 319107 | |||
| Pas d'informations disponibles, non commandable | ||||
| *102A | 318963 | |||
| Bague Except For Europe,aus,usa,can,model (s) | ||||
| *103 | 976819 | 4.80 | 5.76 | |
| Carter | ||||
| *123 | 326702 | 45.65 | 54.78 | |
| Levier De Deverrouillage C 10fce Includ.132,133,1 | ||||
| *142 | 323980 | 12.45 | 14.94 | |
| Tige de liaison | ||||
| *142A | 336357 | 7.20 | 8.64 | |
| LIEN (A) | ||||
| *142B | 375674 | 4.50 | 5.40 | |
| SNOER 2.5M 2 X 1.0 H05VV-F W/PLUG 13A/250V (OLD 50 | ||||
| *154 | 500423Z | 12.87 | 15.44 | |
| Cordon 2,5m 2 X 1.0 H05vv-f (ancien 500395z) | ||||
| *154 | 500447Z | 6.60 | 7.92 | |
| Pas d'informations disponibles, non commandable | ||||
| *159 | 958308Z | |||
| Commutateur | ||||
| *166 | 326700 | 10.20 | 12.24 | |
| Induit 220-230 Volt | ||||
| *168 | 360695E | 49.50 | 59.40 | |
| ANKER 110-120 VOLT | ||||
| *168 | 360656U | 46.20 | 55.44 | |
| Inducteur Includ.177 | ||||
| *176 | 340687E | 45.65 | 54.78 | |
| Charbons | ||||
| *182 | 999065 | 7.95 | 9.54 | |
| Pas d'informations disponibles, non commandable | ||||
| *504 | 322955M | |||
| Vis à six pans creux M6x10 | ||||
| 3 | 307956 | 1.05 | 1.26 | |
| Pas d'informations disponibles, non commandable | ||||
| 4 | 323208 | |||
| POIGNÉE DE SERRAGE (ANCIEN 322935) | ||||
| 5A | 371742 | 1.20 | 1.44 | |
| Boulon (main gauche) M10 | ||||
| 6A | 371743 | 2.40 | 2.88 | |
| Rondelle | ||||
| 7 | 318934 | 1.50 | 1.80 | |
| Douille | ||||
| 8 | 322889 | 1.05 | 1.26 | |
| Rondelle de guidage (d) | ||||
| 9 | 322965 | 1.05 | 1.26 | |
| Ressort | ||||
| 10 | 322890 | 4.20 | 5.04 | |
| Goupille (avec o ring) Includ.94 | ||||
| 11 | 302518 | 4.50 | 5.40 | |
| O Ring (p-6) | ||||
| 12 | 984528 | 1.05 | 1.26 | |
| Arbre (d) | ||||
| 13A | 371740 | 2.10 | 2.52 | |
| Rondelle | ||||
| 14 | 322934 | 1.05 | 1.26 | |
| Axe | ||||
| 15 | 322888 | 5.10 | 6.12 | |
| Charnière | ||||
| 16 | 322932 | 13.75 | 16.50 | |
| Bague de guidage (b) | ||||
| 18 | 322937 | 1.05 | 1.26 | |
| Support de guide de poussière C10fch | ||||
| 19 | 322963 | 1.05 | 1.26 | |
| Vis M4*8 (paquet de 10) | ||||
| 20 | 949215 | 1.05 | 1.26 | |
| NYLOCK BOUT M8X25 | ||||
| 21 | 303409 | 1.00 | 1.20 | |
| Pare Eclats Includ.19,20,24 | ||||
| 22 | 322891 | 4.20 | 5.04 | |
| Vis M5 X 16 | ||||
| 23 | 987512 | 1.04 | 1.24 | |
| Graduation | ||||
| 24 | 322892 | 1.05 | 1.26 | |
| Indicateur (b) | ||||
| 25 | 322893 | 1.05 | 1.26 | |
| Vis machine (avec rondelles) M4x10 (noir) | ||||
| 26 | 304043 | 1.05 | 1.26 | |
| Ecrou Diam 12 | ||||
| 27 | 680418 | 3.30 | 3.96 | |
| Pas d'informations disponibles, non commandable | ||||
| 28 | 975348 | |||
| Pas d'informations disponibles, non commandable | ||||
| 29 | 318929 | |||
| Vis M4*12 (paquet de 10) | ||||
| 30 | 949217 | 1.05 | 1.26 | |
| Rondelle M4 (x10) Paquet de 10 | ||||
| 31 | 949429 | 1.05 | 1.26 | |
| Guide De Table D | ||||
| 32 | 322929 | 1.05 | 1.26 | |
| Guide De Table G | ||||
| 33 | 322930 | 1.05 | 1.26 | |
| Vis machine (avec rondelles) M4x10 (noir) | ||||
| 34 | 304043 | 1.05 | 1.26 | |
| Indicateur | ||||
| 35 | 322904 | 1.05 | 1.26 | |
| Table Tournante | ||||
| 36 | 326695 | 45.65 | 54.78 | |
| Pas d'informations disponibles, non commandable | ||||
| 37 | 322898 | |||
| POIGNÉE LATÉRALE (ANCIEN 322283/322898) | ||||
| 37A | 376050 | 1.20 | 1.44 | |
| Pas d'informations disponibles, non commandable | ||||
| 38 | 322952 | |||
| Vis 10*66 | ||||
| 39 | 302522 | 9.60 | 11.52 | |
| Ecrou Papillon M.6*15 | ||||
| 40 | 301806 | 1.05 | 1.26 | |
| Rondelle M.6 (x10) paquet de 10 | ||||
| 42 | 949432 | 1.05 | 1.26 | |
| Plaque de serrage | ||||
| 43 | 302532 | 2.40 | 2.88 | |
| Vis machine M4x10 (10 pièces) (ANCIEN 949216Z) | ||||
| 44 | 949216 | 1.05 | 1.26 | |
| Pas d'informations disponibles, non commandable | ||||
| 45 | 322954 | |||
| Vis 8x35 (paquet de 10) | ||||
| 46 | 949678 | 2.55 | 3.06 | |
| Rondelle M8 (x10) Paquet de 10 | ||||
| 47 | 949457 | 1.05 | 1.26 | |
| Rondelle M.8 (x10) Paquet de 10 | ||||
| 48 | 949433 | 1.05 | 1.26 | |
| Ecrou Plastique Nr 83aa | ||||
| 49 | 963837 | 1.05 | 1.26 | |
| Plaque | ||||
| 50 | 326711 | 1.65 | 1.98 | |
| Ecrou Papillon M.6*15 | ||||
| 51 | 301806 | 1.05 | 1.26 | |
| Vis M.6*25 (paquet de 10) | ||||
| 52 | 949342 | 1.65 | 1.98 | |
| Pas d'informations disponibles, non commandable | ||||
| 53 | 326704 | |||
| Guide (b) | ||||
| 54 | 326698 | 7.95 | 9.54 | |
| Butee Longitudinale | ||||
| 55 | 326705 | 3.15 | 3.78 | |
| Glisseur | ||||
| 56 | 322901 | 1.05 | 1.26 | |
| Doublure (c) C10fch | ||||
| 57 | 322964 | 1.05 | 1.26 | |
| Boulon M6*12 (x10) Paquet de 10 (till 12.1999 For | ||||
| 58 | 949611 | 1.05 | 1.26 | |
| Tôle à ressort | ||||
| 59 | 322903 | 2.10 | 2.52 | |
| Rondelle M8 (x10) Paquet de 10 | ||||
| 60 | 949457 | 1.05 | 1.26 | |
| Vis M8*16 (paquet de 10) | ||||
| 61 | 949655 | 3.90 | 4.68 | |
| Regle | ||||
| 62 | 326826 | 3.30 | 3.96 | |
| Entretoise | ||||
| 63 | 326696 | 1.05 | 1.26 | |
| Vis M.4*8 | ||||
| 64 | 317200 | 1.65 | 1.98 | |
| Guide C 12lch | ||||
| 65 | 326697 | 11.70 | 14.04 | |
| Arbre (b) | ||||
| 66A | 371738 | 1.35 | 1.62 | |
| Plaque de base | ||||
| 67 | 326694 | 49.50 | 59.40 | |
| Logement D'axe H90sc/se | ||||
| 68 | 336353 | 7.20 | 8.64 | |
| Boulon M6*12 (x10) Paquet de 10 (till 12.1999 For | ||||
| 69 | 949611 | 1.05 | 1.26 | |
| Vis 7x17,5mm pas a gauche | ||||
| 100 | 998335 | 1.05 | 1.26 | |
| Pas d'informations disponibles, non commandable | ||||
| 102 | 319107 | |||
| Pas d'informations disponibles, non commandable | ||||
| 102A | 318963 | |||
| Pas d'informations disponibles, non commandable | ||||
| 103 | 974663Z | |||
| Engrenage Complet | ||||
| 104 | 323133 | 22.83 | 27.39 | |
| Vis M4*10 | ||||
| 105 | 990430 | 1.04 | 1.24 | |
| Couvercle | ||||
| 106 | 322919 | 1.05 | 1.26 | |
| Roulement à billes 6003 Vv | ||||
| 107 | 6003VV | 7.65 | 9.18 | |
| Logement De Rlt C 10fce | ||||
| 108 | 322918 | 4.65 | 5.58 | |
| Engrenage | ||||
| 109 | 322917 | 11.70 | 14.04 | |
| Pas d'informations disponibles, non commandable | ||||
| 110 | 982027 | |||
| ROUL. À AIGUILLES | ||||
| 110A | 373278 | 1.04 | 1.24 | |
| Vis M5 X 16 | ||||
| 111 | 987512 | 1.04 | 1.24 | |
| Vis M.5*10 (paquet de 10) | ||||
| 115 | 949819 | 2.55 | 3.06 | |
| Butee C9u/c6u/c6dd | ||||
| 116 | 961729 | 1.05 | 1.26 | |
| Vis M.6*16 (paquet de 10) | ||||
| 117 | 949340 | 1.35 | 1.62 | |
| Vis M4*12 (paquet de 10) | ||||
| 118 | 949217 | 1.05 | 1.26 | |
| Rondelle M4 (x10) Paquet de 10 | ||||
| 119 | 949429 | 1.05 | 1.26 | |
| Pas d'informations disponibles, non commandable | ||||
| 120 | 322920 | |||
| Poignee | ||||
| 121 | 326708 | 5.40 | 6.48 | |
| Pas d'informations disponibles, non commandable | ||||
| 122 | 323208 | |||
| Carter | ||||
| 123B | 336354 | 51.43 | 61.71 | |
| Ressort | ||||
| 124 | 323987 | 1.05 | 1.26 | |
| Axe For Europe,aus,nzl | ||||
| 125 | 323990 | 2.10 | 2.52 | |
| Levier For Europe | ||||
| 126 | 323979 | 3.15 | 3.78 | |
| Patte For Europe | ||||
| 127 | 323982 | 2.10 | 2.52 | |
| Ecrou Plastique M5 | ||||
| 128 | 877371 | 1.05 | 1.26 | |
| Vis M.5*10 (paquet de 10) For Irl | ||||
| 129 | 949236 | 1.05 | 1.26 | |
| Vis Speciale Ø 6 For Europe,aus,model (s) | ||||
| 132 | 322950 | 1.05 | 1.26 | |
| Rondelle diam 7 | ||||
| 133 | 322948 | 1.05 | 1.26 | |
| Ecrou Papillon M.6*15 | ||||
| 134 | 301806 | 1.05 | 1.26 | |
| Vis Speciale Ø 6 For Europe,aus,model (s) | ||||
| 135 | 322950 | 1.05 | 1.26 | |
| Plaque indicatrice | ||||
| 136 | 323986 | 4.20 | 5.04 | |
| Plaque d'arrêt Pour l'Europe, AUS, NZL | ||||
| 137 | 323985 | 2.10 | 2.52 | |
| Rondelle de ressort M5 (10 pièces) | ||||
| 138 | 949454 | 1.04 | 1.24 | |
| Vis M4*8 (paquet de 10) | ||||
| 139 | 949215 | 1.05 | 1.26 | |
| Rondelle M4 (x10) Paquet de 10 | ||||
| 140 | 949429 | 1.05 | 1.26 | |
| Protecteur | ||||
| 141 | 326707 | 22.83 | 27.39 | |
| Protecteur | ||||
| 141A | 336356 | 20.63 | 24.75 | |
| Protecteur | ||||
| 141B | 336356 | 20.63 | 24.75 | |
| Levier De Deverrouillage C 10fce Includ.132,133,1 | ||||
| 142 | 323980 | 12.45 | 14.94 | |
| Tige de liaison | ||||
| 142A | 336357 | 7.20 | 8.64 | |
| Vis Ø 4x12 noir Till 8.2019 (since 9.2017 Except | ||||
| 144 | 935196 | 1.04 | 1.24 | |
| Vis Speciale Ø 5 | ||||
| 145 | 322947 | 1.05 | 1.26 | |
| Rondelle | ||||
| 146 | 322938 | 1.05 | 1.26 | |
| Ressort For Europe,aus,nzl | ||||
| 147 | 323984 | 1.05 | 1.26 | |
| Plaque indicatrice | ||||
| 148 | 323989 | 3.15 | 3.78 | |
| Axe For Europe,aus,nzl | ||||
| 149 | 323988 | 2.10 | 2.52 | |
| Vis Ø 4*25 noir | ||||
| 151 | 307028 | 1.05 | 1.26 | |
| Vis à tarauder D4x20 avec bride (noir) | ||||
| 152 | 301653 | 1.04 | 1.24 | |
| Jeu De Poignees | ||||
| 153 | 326703 | 17.19 | 20.62 | |
| POIGNÉE DE COMMUTATEUR | ||||
| 153A | 375673 | 10.95 | 13.14 | |
| SNOER 2.5M 2 X 1.0 H05VV-F W/PLUG 13A/250V (OLD 50 | ||||
| 154 | 500423Z | 12.87 | 15.44 | |
| Cordon 2,5m 2 X 1.0 H05vv-f (ancien 500395z) | ||||
| 154 | 500447Z | 6.60 | 7.92 | |
| Entree De Cable Ø 10,7 | ||||
| 155 | 940778 | 2.10 | 2.52 | |
| Pas d'informations disponibles, non commandable | ||||
| 162 | 984750 | |||
| Serre Cable | ||||
| 163 | 937631 | 1.04 | 1.24 | |
| Commutateur | ||||
| 166 | 326700 | 10.20 | 12.24 | |
| COMMUTATEUR (TYPE 3P FASTON) SANS VERROU | ||||
| 166A | 375672 | 10.50 | 12.60 | |
| Plaq.en Caoutchouc (1) | ||||
| 167 | 303792 | 1.05 | 1.26 | |
| Induit 220-230 Volt | ||||
| 168 | 360695E | 49.50 | 59.40 | |
| ANKER 110-120 VOLT | ||||
| 168 | 360656U | 46.20 | 55.44 | |
| Roulement | ||||
| 169 | 6202VV | 7.05 | 8.46 | |
| Rondelle | ||||
| 170 | 980700 | 1.04 | 1.24 | |
| Bague | ||||
| 171 | 302428 | 1.04 | 1.24 | |
| Roulement | ||||
| 172 | 6000VV | 6.15 | 7.38 | |
| Verrouillage | ||||
| 173 | 322916 | 1.05 | 1.26 | |
| Baffle | ||||
| 174 | 322915 | 2.25 | 2.70 | |
| Vis Ø 5*50 | ||||
| 175 | 953121 | 1.04 | 1.24 | |
| Inducteur Includ.177 | ||||
| 176 | 340687E | 45.65 | 54.78 | |
| Raccord | ||||
| 177 | 937623 | 1.04 | 1.24 | |
| Vis de machine (avec rondelles) M5x40 (noir) | ||||
| 178 | 322123 | 1.65 | 1.98 | |
| Carcasse | ||||
| 179 | 322914 | 22.83 | 27.39 | |
| Vis de réglage hexagonale M5x8 | ||||
| 180 | 938477 | 1.05 | 1.26 | |
| Pte Charbon Pde | ||||
| 181 | 938241 | 6.45 | 7.74 | |
| Charbons | ||||
| 182 | 999065 | 7.95 | 9.54 | |
| Bouchon Charbon | ||||
| 183 | 945161 | 1.20 | 1.44 | |
| Guide Except For Europe | ||||
| 184 | 322949 | 3.15 | 3.78 | |
| Vis machine (avec rondelles) M4x10 (noir) | ||||
| 194 | 304043 | 1.05 | 1.26 | |
| Carter Protection (1) | ||||
| 195 | 336358 | 1.05 | 1.26 | |
| BOUTON | ||||
| 197 | 375116 | 1.04 | 1.24 | |
| Pas d'informations disponibles, non commandable | ||||
| 501 | 940543 | |||
| Boulon M10x35 (10 pcs) | ||||
| 502 | 949695 | 3.30 | 3.96 | |
| Pas d'informations disponibles, non commandable | ||||
| 503 | 974663Z | |||
| Pas d'informations disponibles, non commandable | ||||
| 504 | 322955 | |||
| Pas d'informations disponibles, non commandable | ||||
| 601 | 322957 | |||
| Bouton C 8fs | ||||
| 602 | 998836 | 1.65 | 1.98 | |
| Pas d'informations disponibles, non commandable | ||||
| 604 | 306985 | |||
| Silent Bloc Cc-14 | ||||
| 605 | 964851 | 1.05 | 1.26 | |
| Vis machine (avec rondelles) M4x10 (noir) | ||||
| 606 | 304043 | 1.05 | 1.26 | |
| Axe | ||||
| 607 | 318967 | 3.00 | 3.60 | |
| Pas d'informations disponibles, non commandable | ||||
| 608 | 321551 | |||
| Pas d'informations disponibles, non commandable | ||||
| 609 | 322713 | |||
| Ecrou Papillon M.6*15 | ||||
| 610 | 301806 | 1.05 | 1.26 | |
| Pas d'informations disponibles, non commandable | ||||
| 612 | 321390 | |||
| Vis papillon M6x52 | ||||
| 613 | 316030 | 14.70 | 17.64 | |
| Pas d'informations disponibles, non commandable | ||||
| 614 | 322714 | |||
| Vis papillon M6x52 | ||||
| 615 | 316030 | 14.70 | 17.64 | |
| Pas d'informations disponibles, non commandable | ||||
| 616 | 321390 | |||
| Ecrou Papillon M.6*15 | ||||
| 618 | 301806 | 1.05 | 1.26 | |
| Ensemble Support Incluant 620-625 | ||||
| 619 | 322956 | 20.49 | 24.58 | |
| Pas d'informations disponibles, non commandable | ||||
| 620 | 321549 | |||
| Papillon M6 (paquet de 10) | ||||
| 621 | 949313 | 4.65 | 5.58 | |
| Ecrou M.6 (x10) (paquet de 10) For Europe (sl),us | ||||
| 622 | 949556 | 1.05 | 1.26 | |
| KLEMPLAAT | ||||
| 623 | 322047 | 1.38 | 1.66 | |
| Rondelle M.6 (x10) paquet de 10 | ||||
| 624 | 949425 | 1.05 | 1.26 | |
| Pas d'informations disponibles, non commandable | ||||
| 625 | 323134 | |||
| Arrêt | ||||
| 626 | 974561 | 7.05 | 8.46 | |
| Vis à papillon M6x20 | ||||
| 627 | 949404 | 7.65 | 9.18 | |
| Pas d'informations disponibles, non commandable | ||||
| 628 | 322712 | |||
| Pas d'informations disponibles, non commandable | ||||
| 629 | 322710 | |||