Vous trouverez ici toutes les pièces et dessins disponibles du 'Festool 583075 ( SR201E-AS )'. De là, vous pouvez commander directement toutes les pièces souhaitées. De nombreuses pièces doivent être commandées auprès du fabricant, selon la marque, cela prend une à quatre semaines. Toutes les informations dont nous disposons se trouvent sur notre site Web, nous ne pouvons pas vous conseiller sur ce dont vous avez besoin, pour cela vous devrez retourner la machine pour réparation. Veuillez noter ce qui suit lors de la commande:
En raison d'une réorganisation au sein de Festool, les commandes Festool ne seront pas livrées avant la seconde moitié de janvier 2026.
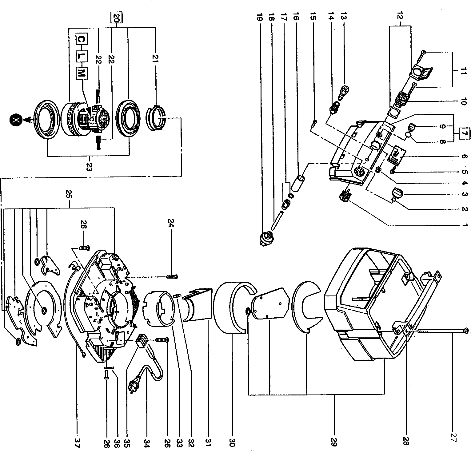
Dessins des Festool 583075 ( SR201E-AS )
Liste de pièces de rechange des Festool 583075 ( SR201E-AS )
| Pos. | Description | Prix hors TVA | Prix TTC | |
| Les prix affichés incluent la TVA | ||||
| Pas d'informations disponibles, non commandable | ||||
| 1 | xxx | |||
| Joint torique | ||||
| 2 | 625308 | 9.43 | 11.32 | |
| Plus disponible, pas de remplacement | ||||
| 3 | 445234 | |||
| Pas d'informations disponibles, non commandable | ||||
| 5 | xxx | |||
| Pas d'informations disponibles, non commandable | ||||
| 6 | xxx | |||
| Pas d'informations disponibles, non commandable | ||||
| 7 | xxx | |||
| Pas d'informations disponibles, non commandable | ||||
| 8 | 222037 | |||
| Plus disponible, pas de remplacement | ||||
| 9 | 445241 | |||
| Prise de courant Eu | ||||
| 10 | 445235 | 43.44 | 52.13 | |
| Pas d'informations disponibles, non commandable | ||||
| 11 | xxx | |||
| Cache | ||||
| 12 | 200504 | 12.83 | 15.40 | |
| Pas d'informations disponibles, non commandable | ||||
| 13 | xxx | |||
| Pas d'informations disponibles, non commandable | ||||
| 14 | xxx | |||
| Vis à tête fraisée M4 x 12 | ||||
| 15 | 228555 | 1.39 | 1.67 | |
| Pas d'informations disponibles, non commandable | ||||
| 16 | xxx | |||
| Pas d'informations disponibles, non commandable | ||||
| 17 | xxx | |||
| Tuyau | ||||
| 18 | 626534 | 11.92 | 14.30 | |
| Contact A Pression | ||||
| 19 | 436877 | 52.39 | 62.87 | |
| Moteur 230 V | ||||
| 20 | 490755 | 288.71 | 346.45 | |
| Pas d'informations disponibles, non commandable | ||||
| 21 | 490668 | |||
| charbon | ||||
| 22 | 625316 | 52.64 | 63.17 | |
| Charbon de déconnexion (pair) 230v | ||||
| 22 | 452876 | 43.92 | 52.70 | |
| Pas d'informations disponibles, non commandable | ||||
| 23 | 490668 | |||
| Pas d'informations disponibles, non commandable | ||||
| 24 | 412054 | |||
| Plateau | ||||
| 25 | 487119 | 186.82 | 224.18 | |
| Pas d'informations disponibles, non commandable | ||||
| 26 | 412094 | |||
| Vis à tête fraisée bombée | ||||
| 27 | 445248 | 3.77 | 4.52 | |
| Pas d'informations disponibles, non commandable | ||||
| 28 | xxx | |||
| Pas d'informations disponibles, non commandable | ||||
| 29 | xxx | |||
| Pas d'informations disponibles, non commandable | ||||
| 30 | xxx | |||
| Pas d'informations disponibles, non commandable | ||||
| 31 | xxx | |||
| Pas d'informations disponibles, non commandable | ||||
| 32 | xxx | |||
| Pas d'informations disponibles, non commandable | ||||
| 33 | xxx | |||
| Câble 7,5 m Eu | ||||
| 34 | 452078 | 70.42 | 84.50 | |
| Pas d'informations disponibles, non commandable | ||||
| 35 | xxx | |||
| Pas d'informations disponibles, non commandable | ||||
| 36 | xxx | |||
| Pas d'informations disponibles, non commandable | ||||
| 37 | xxx | |||
| Pas d'informations disponibles, non commandable | ||||
| 101 | xxx | |||
| Pas d'informations disponibles, non commandable | ||||
| 102 | xxx | |||
| Pas d'informations disponibles, non commandable | ||||
| 103 | xxx | |||
| Pas d'informations disponibles, non commandable | ||||
| 104 | 412054 | |||
| Pas d'informations disponibles, non commandable | ||||
| 105 | xxx | |||
| Pas d'informations disponibles, non commandable | ||||
| 106 | xxx | |||
| Pas d'informations disponibles, non commandable | ||||
| 107 | xxx | |||
| Pas d'informations disponibles, non commandable | ||||
| 108 | 485808 | |||
| Plus disponible, pas de remplacement | ||||
| 109 | 412092 | |||
| Pièce en T | ||||
| 110 | 4951 | 46.10 | 55.32 | |
| Pas d'informations disponibles, non commandable | ||||
| 111 | xxx | |||
| Pas d'informations disponibles, non commandable | ||||
| 112 | 10014024 | |||
| Cône | ||||
| 113 | 439584 | 52.27 | 62.72 | |
| Pas d'informations disponibles, non commandable | ||||
| 115 | 500677 | |||
| Pas d'informations disponibles, non commandable | ||||
| 116 | 202346 | |||
| Pas d'informations disponibles, non commandable | ||||
| 118 | xxx | |||
| Pas d'informations disponibles, non commandable | ||||
| 119 | 412039 | |||
| Pas d'informations disponibles, non commandable | ||||
| 120 | xxx | |||
| Pas d'informations disponibles, non commandable | ||||
| 121 | xxx | |||
| Pas d'informations disponibles, non commandable | ||||
| 122 | 487070 | |||
| Pas d'informations disponibles, non commandable | ||||
| 123 | xxx | |||
| Disque 4,3 mm | ||||
| 124 | 200576 | 1.39 | 1.67 | |
| Plus disponible, pas de remplacement | ||||
| 125 | 438702 | |||
| Pas d'informations disponibles, non commandable | ||||
| 126 | xxx | |||
| Plus disponible, pas de remplacement | ||||
| 127 | 445211 | |||
| Fixation de roue | ||||
| 128 | 445210 | 7.46 | 8.95 | |
| Plus disponible, pas de remplacement | ||||
| 129 | 445209 | |||
| Roulette pivotante | ||||
| 130 | 625333 | 19.24 | 23.09 | |
| Pas d'informations disponibles, non commandable | ||||
| 131 | xxx | |||
| Pas d'informations disponibles, non commandable | ||||
| 132 | xxx | |||