Vous trouverez ici toutes les pièces et dessins disponibles du 'Festool 487912 ( RS3E-STF230V )'. De là, vous pouvez commander directement toutes les pièces souhaitées. De nombreuses pièces doivent être commandées auprès du fabricant, selon la marque, cela prend une à quatre semaines. Toutes les informations dont nous disposons se trouvent sur notre site Web, nous ne pouvons pas vous conseiller sur ce dont vous avez besoin, pour cela vous devrez retourner la machine pour réparation. Veuillez noter ce qui suit lors de la commande:
En raison d'une réorganisation au sein de Festool, les commandes Festool ne seront pas livrées avant la seconde moitié de janvier 2026.
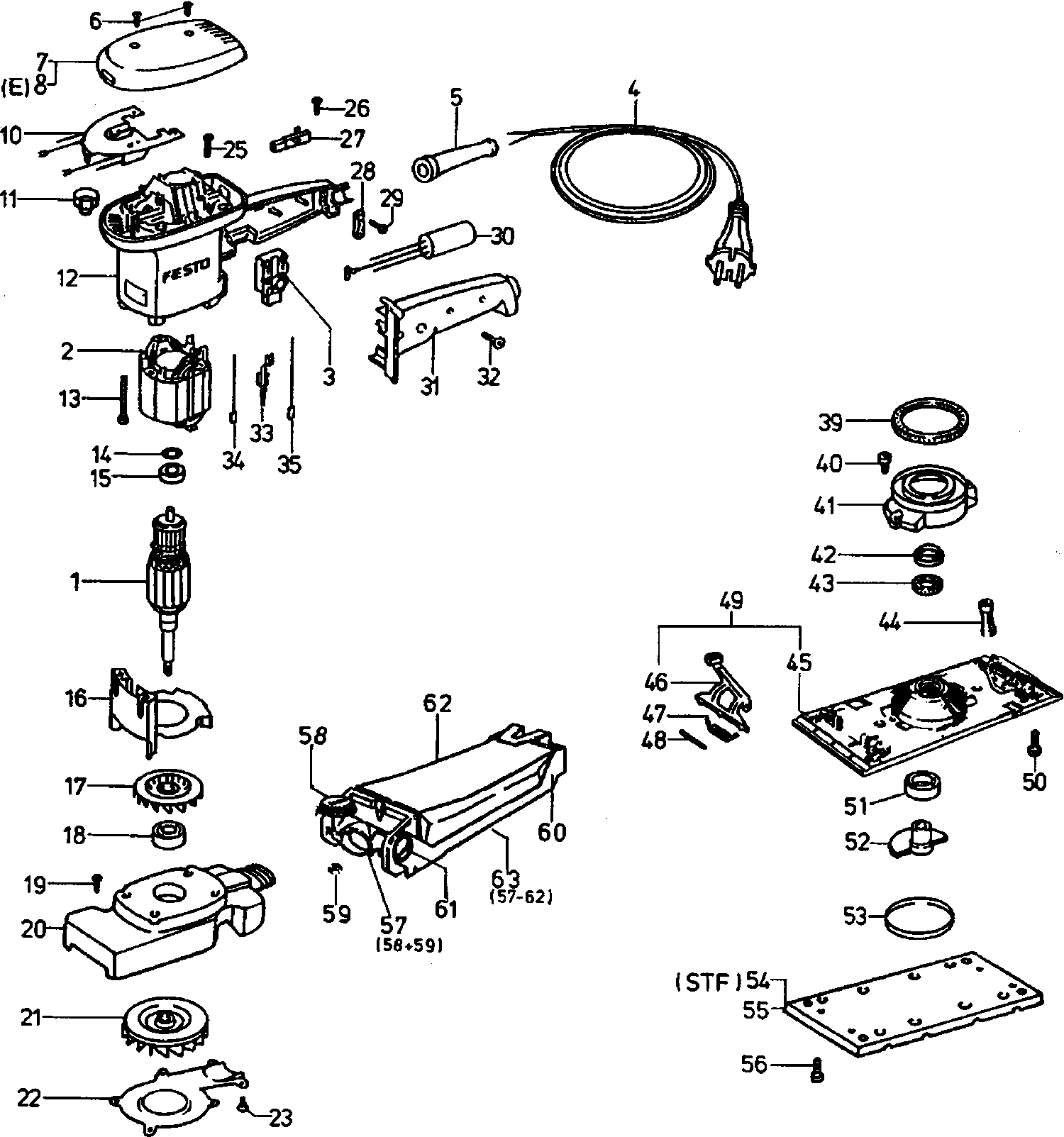
Dessins des Festool 487912 ( RS3E-STF230V )
Liste de pièces de rechange des Festool 487912 ( RS3E-STF230V )
| Pos. | Description | Prix hors TVA | Prix TTC | |
| Les prix affichés incluent la TVA | ||||
| Induit 230v | ||||
| 1 | 493160 | 124.75 | 149.70 | |
| Empilage de tôle d'inducteur 230 V | ||||
| 2 | 493161 | 46.22 | 55.46 | |
| Groupe interrupteur | ||||
| 3 | 486317 | 15.00 | 18.00 | |
| Câble Eu | ||||
| 4 | 457600 | 24.32 | 29.18 | |
| Gaine de protection de câble | ||||
| 5 | 432436 | 1.39 | 1.67 | |
| Vis à tête bombée 3,5 x 10 mm | ||||
| 6 | 219031 | 7.32 | 8.78 | |
| Capuchon | ||||
| 8 | 488661 | 11.78 | 14.14 | |
| Electronique de régulation 230 V | ||||
| 10 | 486686 | 61.47 | 73.76 | |
| Pas d'informations disponibles, non commandable | ||||
| 11 | xxx | |||
| Carter de moteur | ||||
| 12 | 487834 | 37.51 | 45.01 | |
| Vis à tête bombée 4 x 50 mm | ||||
| 13 | 228707 | 1.39 | 1.67 | |
| Rondelle de compensation 14 x 21,8 x 0,3 mm | ||||
| 14 | 203777 | 1.39 | 1.67 | |
| Roulement à billes à gorge 608 D1 MC3 E U152 J2 HA | ||||
| 15 | 10775821 | 5.09 | 6.11 | |
| Disque de guidage d'air | ||||
| 16 | 434430 | 2.11 | 2.53 | |
| Ventilateur | ||||
| 17 | 441731 | 3.56 | 4.27 | |
| Roulement rainuré à billes | ||||
| 18 | 401601 | 8.05 | 9.66 | |
| Vis à tête fraisée bombée M4 x 10 | ||||
| 19 | 228572 | 1.39 | 1.67 | |
| Chapeau de palier | ||||
| 20 | 442217 | 49.00 | 58.80 | |
| Pas d'informations disponibles, non commandable | ||||
| 21 | xxx | |||
| Plateau | ||||
| 22 | 438717 | 4.03 | 4.84 | |
| Vis à tête bombée M4 x 8 | ||||
| 23 | 228570 | 9.17 | 11.00 | |
| Vis à tête bombée M4 x 20 | ||||
| 25 | 228569 | 1.39 | 1.67 | |
| Vis à tête bombée 3,5 x 10 mm | ||||
| 26 | 219031 | 7.32 | 8.78 | |
| Charbon (pair) 220-230v | ||||
| 27 | 489018 | 10.75 | 12.90 | |
| Pont | ||||
| 28 | 439288 | 1.39 | 1.67 | |
| Vis à tête bombée 3,5 x 16 mm | ||||
| 29 | 228663 | 1.39 | 1.67 | |
| Condensateur | ||||
| 30 | 436753 | 11.55 | 13.86 | |
| Capot | ||||
| 31 | 451402 | 6.26 | 7.51 | |
| Vis à tête bombée PT-4,0x20-KT15 | ||||
| 32 | 228567 | 1.39 | 1.67 | |
| Support en U | ||||
| 33 | 443331 | 1.51 | 1.81 | |
| Pas d'informations disponibles, non commandable | ||||
| 34 | 440585 | |||
| Pas d'informations disponibles, non commandable | ||||
| 35 | 443878 | |||
| Bague d'étanchéité | ||||
| 39 | 434525 | 6.67 | 8.00 | |
| Vis à tête bombée M4 x 10 | ||||
| 40 | 228586 | 1.39 | 1.67 | |
| Capot d'aspiration | ||||
| 41 | 438293 | 2.64 | 3.17 | |
| Plus disponible, pas de remplacement | ||||
| 42 | 438173 | |||
| Pas d'informations disponibles, non commandable | ||||
| 43 | xxx | |||
| Pied en caoutchouc | ||||
| 44 | 483723 | 7.20 | 8.64 | |
| Plateau | ||||
| 45 | 486259 | 117.37 | 140.84 | |
| Plateau | ||||
| 45 | 462119 | 51.42 | 61.70 | |
| Pince | ||||
| 46 | 482039 | 31.22 | 37.46 | |
| Ressort de torsion | ||||
| 47 | 434588 | 2.30 | 2.76 | |
| Broche | ||||
| 48 | 434528 | 1.92 | 2.30 | |
| Plateau | ||||
| 49 | 486259 | 117.37 | 140.84 | |
| Vis à tête bombée M4 x 8 | ||||
| 50 | 228735 | 1.39 | 1.67 | |
| Roulement rainuré à billes | ||||
| 51 | 228756 | 9.50 | 11.40 | |
| Excentrique | ||||
| 52 | 451089 | 26.50 | 31.80 | |
| Capuchon | ||||
| 53 | 435290 | 1.78 | 2.14 | |
| Patin de ponçage STICKFIX | ||||
| 54 | 483905 | 29.00 | 34.80 | |
| Plus disponible, pas de remplacement | ||||
| 55 | 489630 | |||
| Vis à tête bombée M4 x 10 | ||||
| 56 | 228733 | 1.39 | 1.67 | |
| Support de filtre | ||||
| 57 | 486759 | 15.97 | 19.16 | |
| Bouton tournant M4 | ||||
| 58 | 486767 | 1.39 | 1.67 | |
| Ecrou hexagonal M4 | ||||
| 59 | 200715 | 1.39 | 1.67 | |
| Kit Turbo filtre | ||||
| 60 | 487780 | 25.00 | 30.00 | |
| Vis à collet | ||||
| 61 | 444327 | 1.39 | 1.67 | |
| Filtre Turbo | ||||
| 62 | 487779 | 8.00 | 9.60 | |
| Kit Turbo filtre | ||||
| 63 | 487780 | 25.00 | 30.00 | |