Vous trouverez ici toutes les pièces et dessins disponibles du 'Festool 490040 ( RAP180.03E )'. De là, vous pouvez commander directement toutes les pièces souhaitées. De nombreuses pièces doivent être commandées auprès du fabricant, selon la marque, cela prend une à quatre semaines. Toutes les informations dont nous disposons se trouvent sur notre site Web, nous ne pouvons pas vous conseiller sur ce dont vous avez besoin, pour cela vous devrez retourner la machine pour réparation. Veuillez noter ce qui suit lors de la commande:
En raison d'une réorganisation au sein de Festool, les commandes Festool ne seront pas livrées avant la seconde moitié de janvier 2026.
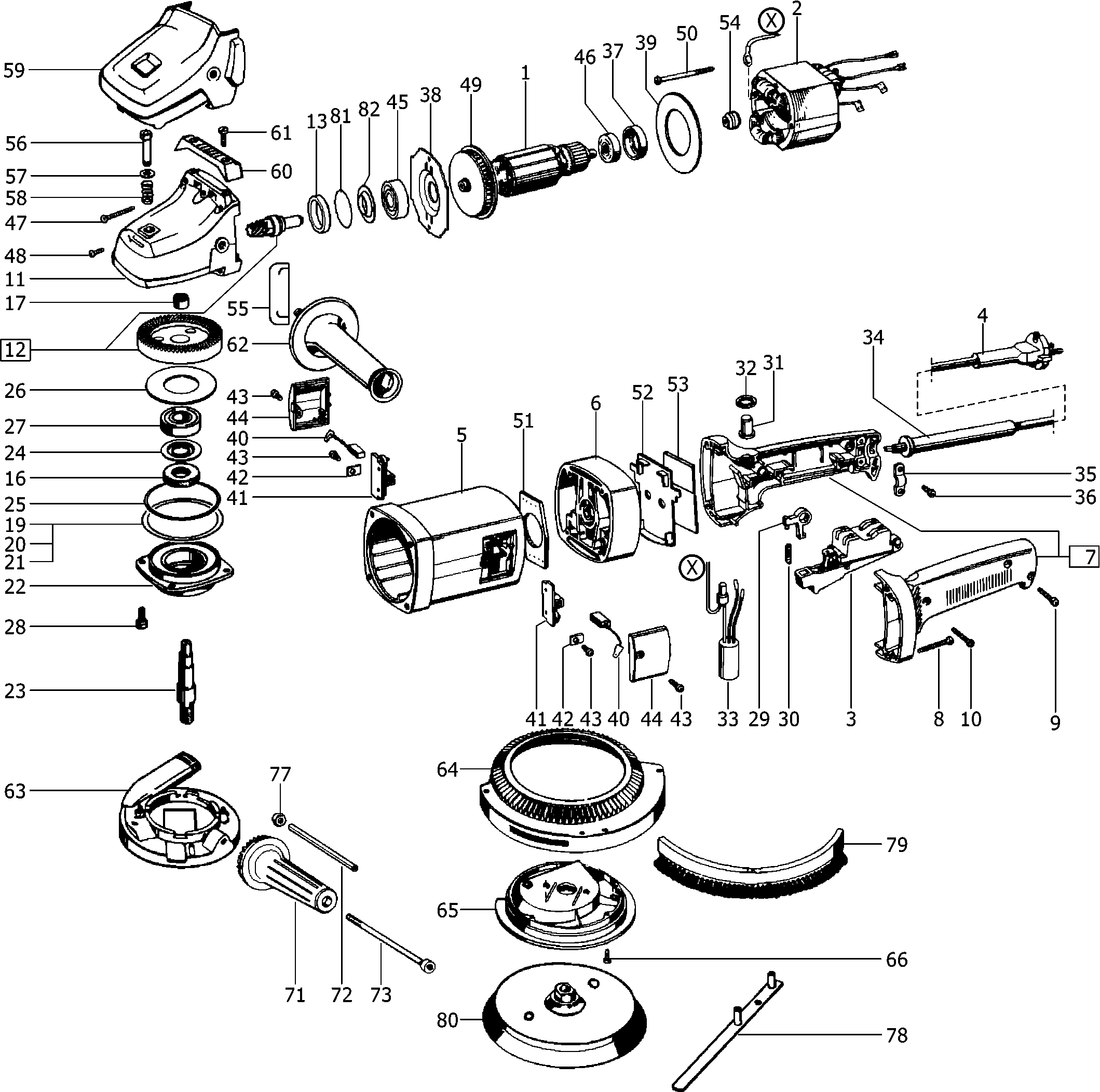
Dessins des Festool 490040 ( RAP180.03E )
Liste de pièces de rechange des Festool 490040 ( RAP180.03E )
| Pos. | Description | Prix hors TVA | Prix TTC | |
| Les prix affichés incluent la TVA | ||||
| Induit 230 V | ||||
| 1 | 440676 | 128.62 | 154.34 | |
| Empilage de tôle d'inducteur 230 V | ||||
| 2 | 447519 | 94.74 | 113.69 | |
| Interrupteur 230 V | ||||
| 3 | 437616 | 64.13 | 76.96 | |
| Câble Eu | ||||
| 4 | 457410 | 24.32 | 29.18 | |
| Carter de moteur | ||||
| 5 | 458226 | 110.59 | 132.71 | |
| Régulation électronique 230 V | ||||
| 6 | 486775 | 130.80 | 156.96 | |
| Poignée | ||||
| 7 | 437611 | 82.88 | 99.46 | |
| Vis à tête bombée 5,0 x 70 mm | ||||
| 8 | 228714 | 2.18 | 2.62 | |
| Vis à tête bombée 4,0 x 25 mm | ||||
| 9 | 437613 | 2.11 | 2.53 | |
| Vis à tête bombée 4,0 x 30 mm | ||||
| 10 | 412005 | 1.39 | 1.67 | |
| Boîte de transmission | ||||
| 11 | 459116 | 175.81 | 210.97 | |
| Transmission | ||||
| 12 | 493569 | 157.18 | 188.62 | |
| Douille d'étanchéité | ||||
| 13 | 459115 | 25.77 | 30.92 | |
| Bague d'étanchéité | ||||
| 16 | 411762 | 5.74 | 6.89 | |
| Coussinet fritté | ||||
| 17 | 437615 | 14.88 | 17.86 | |
| Bague d'espacement 0,25 mm | ||||
| 19 | 474442 | 6.73 | 8.08 | |
| Bague d'écartement 0,2 Mm | ||||
| 20 | 411846 | 5.09 | 6.11 | |
| Bague d'écartement 0,3 Mm | ||||
| 21 | 411847 | 5.41 | 6.49 | |
| Pas d'informations disponibles, non commandable | ||||
| 22 | 411758 | |||
| Arbre de transmission | ||||
| 23 | 411759 | 86.88 | 104.26 | |
| Bague | ||||
| 24 | 411742 | 9.24 | 11.09 | |
| Joint torique O-ring 68 x 2 | ||||
| 25 | 411752 | 4.09 | 4.91 | |
| Rondelle ressort | ||||
| 26 | 411761 | 15.61 | 18.73 | |
| Roulement rainuré à billes | ||||
| 27 | 401612 | 36.66 | 43.99 | |
| Vis à tête cylindrique M5 x 16 | ||||
| 28 | 200671 | 1.39 | 1.67 | |
| Crochet de commutation | ||||
| 29 | 437617 | 9.43 | 11.32 | |
| Ressort de pression | ||||
| 30 | 437618 | 2.30 | 2.76 | |
| Bouton-poussoir | ||||
| 31 | 437619 | 8.78 | 10.54 | |
| Bague en feutre | ||||
| 32 | 437620 | 2.11 | 2.53 | |
| Condensateur | ||||
| 33 | 440660 | 19.96 | 23.95 | |
| Gaine de protection de câble | ||||
| 34 | 411745 | 13.79 | 16.55 | |
| Serre-câble | ||||
| 35 | 411747 | 4.42 | 5.30 | |
| Vis à tête bombée 4,0 x 12 mm | ||||
| 36 | 219071 | 1.39 | 1.67 | |
| Bague de palier | ||||
| 37 | 462385 | 4.09 | 4.91 | |
| Chapeau de palier | ||||
| 38 | 437622 | 20.93 | 25.12 | |
| Déflecteur d'air | ||||
| 39 | 411756 | 12.46 | 14.95 | |
| Charbon (pair) 230v | ||||
| 40 | 485202 | 38.12 | 45.74 | |
| Porte-balai de charbon 230 V | ||||
| 41 | 437610 | 17.54 | 21.05 | |
| Languette | ||||
| 42 | 437624 | 4.42 | 5.30 | |
| Vis à tête bombée 4,0 x 12 mm | ||||
| 43 | 219071 | 1.39 | 1.67 | |
| Couvercle de porte-balai de charbon (pair) | ||||
| 44 | 462218 | 11.35 | 13.62 | |
| Roulement rainuré à billes | ||||
| 45 | 789575 | 6.34 | 7.61 | |
| Roulement rainuré à billes | ||||
| 46 | 401518 | 8.58 | 10.30 | |
| Vis à tête bombée 5,0 x 35 mm | ||||
| 47 | 437626 | 2.11 | 2.53 | |
| Vis à tête bombée M4 x 8 | ||||
| 48 | 203806 | 1.39 | 1.67 | |
| Oreille | ||||
| 49 | 437627 | 14.04 | 16.85 | |
| Vis à tête bombée 4,0 x 55 mm | ||||
| 50 | 437628 | 1.45 | 1.74 | |
| Plaque d'étanchéité | ||||
| 51 | 437629 | 6.60 | 7.92 | |
| Plateau | ||||
| 52 | 440655 | 6.60 | 7.92 | |
| Plaque d'étanchéité | ||||
| 53 | 440656 | 4.49 | 5.39 | |
| Bague magnétique | ||||
| 54 | 441386 | 23.11 | 27.73 | |
| Déflecteur d'air | ||||
| 55 | 442102 | 4.36 | 5.23 | |
| Bouton de blocage | ||||
| 56 | 486703 | 25.29 | 30.35 | |
| Joint torique | ||||
| 57 | 443249 | 2.11 | 2.53 | |
| Ressort de pression | ||||
| 58 | 443247 | 2.11 | 2.53 | |
| Capot | ||||
| 59 | 444211 | 53.97 | 64.76 | |
| Barre de dépose | ||||
| 60 | 486706 | 20.21 | 24.25 | |
| Vis à tête cylindrique M4 x 12 | ||||
| 61 | 774303 | 1.39 | 1.67 | |
| Poignée supplémentaire | ||||
| 62 | 487865 | 8.00 | 9.60 | |
| Boîtier | ||||
| 63 | 441308 | 77.68 | 93.22 | |
| Bague dentée | ||||
| 64 | 441309 | 25.53 | 30.64 | |
| Capot | ||||
| 65 | 441311 | 14.88 | 17.86 | |
| Vis à tête fraisée bombée M3 x 10 | ||||
| 66 | 228697 | 1.39 | 1.67 | |
| Dispositif de verrouillage | ||||
| 67 | 485169 | 40.78 | 48.94 | |
| Ressort à branches | ||||
| 70 | 441325 | 4.03 | 4.84 | |
| Poignée | ||||
| 71 | 441282 | 15.00 | 18.00 | |
| Tube | ||||
| 72 | 441278 | 16.70 | 20.04 | |
| Vis à tête cylindrique | ||||
| 73 | 441279 | 14.16 | 16.99 | |
| Pas d'informations disponibles, non commandable | ||||
| 74 | xxx | |||
| Ecrou hexagonal M8 | ||||
| 77 | 200602 | 1.39 | 1.67 | |
| clé à ergots | ||||
| 78 | 441682 | 19.12 | 22.94 | |
| Brosse pour Ras | ||||
| 79 | 485274 | 52.39 | 62.87 | |
| Plateau de ponçage | ||||
| 80 | 485296 | 45.00 | 54.00 | |
| Plateau de ponçage | ||||
| 80 | 485253 | 45.00 | 54.00 | |
| Joint torique | ||||
| 81 | 469941 | 3.83 | 4.60 | |
| Manchette d'étanchéité | ||||
| 82 | 469942 | 17.30 | 20.76 | |