Vous trouverez ici toutes les pièces et dessins disponibles du 'Festool 205264 ( PSBC420EBKR )'. De là, vous pouvez commander directement toutes les pièces souhaitées. De nombreuses pièces doivent être commandées auprès du fabricant, selon la marque, cela prend une à quatre semaines. Toutes les informations dont nous disposons se trouvent sur notre site Web, nous ne pouvons pas vous conseiller sur ce dont vous avez besoin, pour cela vous devrez retourner la machine pour réparation. Veuillez noter ce qui suit lors de la commande:
En raison d'une réorganisation au sein de Festool, les commandes Festool ne seront pas livrées avant la seconde moitié de janvier 2026.
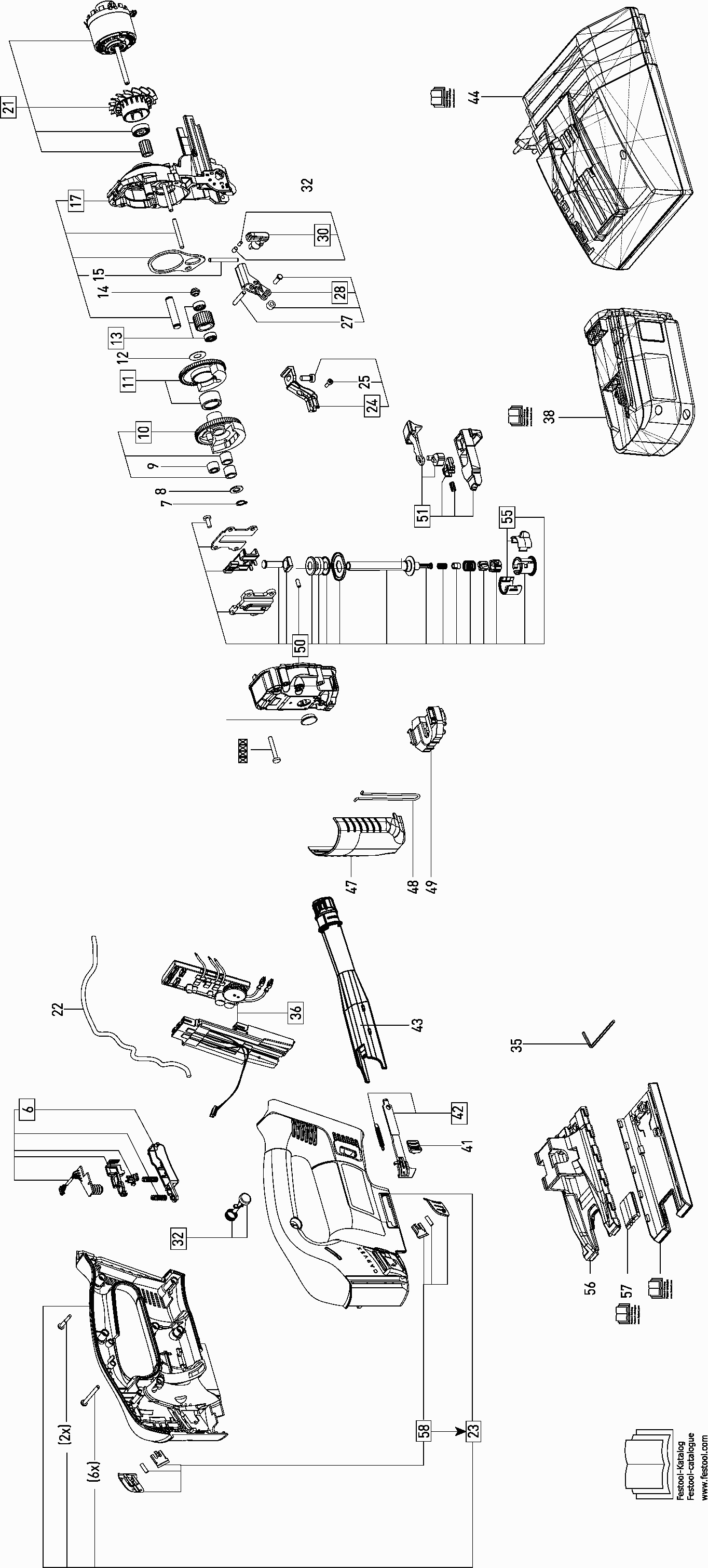
Dessins des Festool 205264 ( PSBC420EBKR )
Liste de pièces de rechange des Festool 205264 ( PSBC420EBKR )
| Pos. | Description | Prix hors TVA | Prix TTC | |
| Les prix affichés incluent la TVA | ||||
| Electronique PSBC 420 | ||||
| 6 | 205352 | 17.91 | 21.49 | |
| Circlips | ||||
| 7 | 200617 | 1.39 | 1.67 | |
| Rondelle support | ||||
| 8 | 400009 | 1.39 | 1.67 | |
| Roulement PS 400 | ||||
| 9 | 10184323 | 14.88 | 17.86 | |
| Roue d'entraînement | ||||
| 10 | 497573 | 45.01 | 54.01 | |
| Unité d'équilibrage | ||||
| 11 | 497571 | 42.35 | 50.82 | |
| Disque | ||||
| 12 | 457043 | 1.39 | 1.67 | |
| Roue intermédiaire | ||||
| 13 | 497607 | 32.19 | 38.63 | |
| Douille | ||||
| 14 | 478209 | 4.42 | 5.30 | |
| Goupille cylindrique | ||||
| 15 | 475546 | 1.39 | 1.67 | |
| Boîte de transmission | ||||
| 17 | 499654 | 65.94 | 79.13 | |
| Moteur | ||||
| 21 | 497587 | 175.69 | 210.83 | |
| Câble de traînage PS 420 7xAWG30 | ||||
| 22 | 10210062 | 13.43 | 16.12 | |
| Boîtier | ||||
| 23 | 499721 | 70.30 | 84.36 | |
| Support | ||||
| 24 | 499657 | 43.92 | 52.70 | |
| Vis à tête cylindrique M3 x 8 | ||||
| 25 | 400678 | 1.98 | 2.38 | |
| Broche | ||||
| 27 | 400670 | 1.39 | 1.67 | |
| Support rouleau | ||||
| 28 | 499661 | 37.39 | 44.87 | |
| Levier de commande pendulaire | ||||
| 30 | 497575 | 25.17 | 30.20 | |
| Bouton de blocage | ||||
| 32 | 499713 | 21.05 | 25.26 | |
| Tournevis | ||||
| 35 | 400609 | 1.39 | 1.67 | |
| Électronique PSC 420 | ||||
| 36 | 205268 | 126.20 | 151.44 | |
| Pas d'informations disponibles, non commandable | ||||
| 38 | 200181 | |||
| Interrupteur à coulisse | ||||
| 41 | 475607 | 1.39 | 1.67 | |
| Curseur | ||||
| 42 | 499658 | 19.24 | 23.09 | |
| Raccord d'aspiration | ||||
| 43 | 10027687 | 4.15 | 4.98 | |
| Pas d'informations disponibles, non commandable | ||||
| 44 | 499335 | |||
| Protecteur contre les projections de copeaux | ||||
| 47 | 477081 | 4.36 | 5.23 | |
| Etrier | ||||
| 48 | 477100 | 1.85 | 2.22 | |
| Electronique | ||||
| 49 | 205289 | 43.20 | 51.84 | |
| Couvercle de transmission | ||||
| 50 | 499659 | 117.73 | 141.28 | |
| Poignée | ||||
| 51 | 499660 | 46.10 | 55.32 | |
| Douille de serrage | ||||
| 55 | 497578 | 15.12 | 18.14 | |
| Base DF 700 | ||||
| 56 | 10029367 | 16.09 | 19.31 | |
| Pare-éclats | ||||
| 57 | 490120 | 7.00 | 8.40 | |
| Interrupteur | ||||
| 58 | 499756 | 20.09 | 24.11 | |