Vous trouverez ici toutes les pièces et dessins disponibles du 'Festool 561900 ( PS1E220V )'. De là, vous pouvez commander directement toutes les pièces souhaitées. De nombreuses pièces doivent être commandées auprès du fabricant, selon la marque, cela prend une à quatre semaines. Toutes les informations dont nous disposons se trouvent sur notre site Web, nous ne pouvons pas vous conseiller sur ce dont vous avez besoin, pour cela vous devrez retourner la machine pour réparation. Veuillez noter ce qui suit lors de la commande:
En raison d'une réorganisation au sein de Festool, les commandes Festool ne seront pas livrées avant la seconde moitié de janvier 2026.
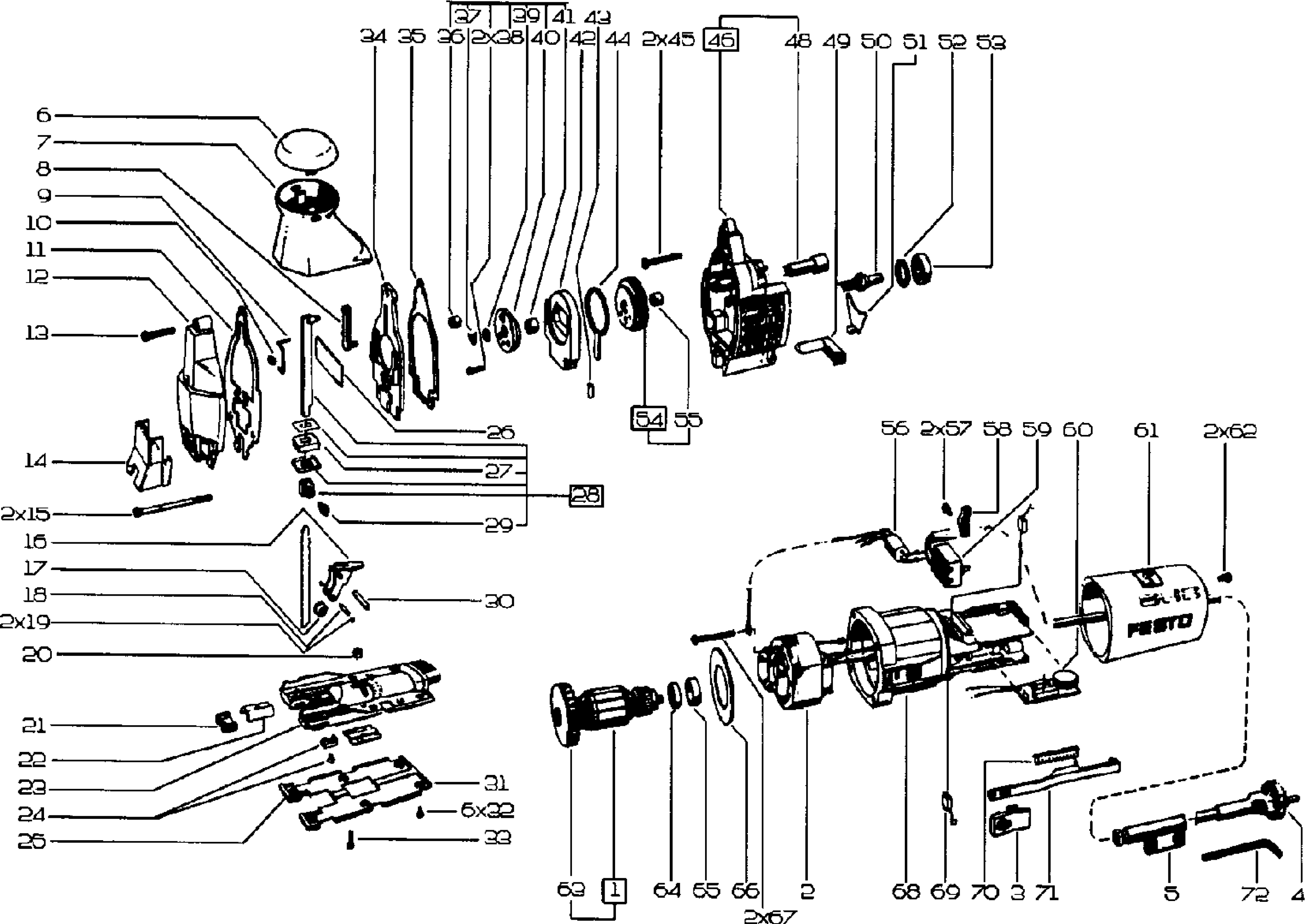
Dessins des Festool 561900 ( PS1E220V )
Liste de pièces de rechange des Festool 561900 ( PS1E220V )
| Pos. | Description | Prix hors TVA | Prix TTC | |
| Les prix affichés incluent la TVA | ||||
| Pas d'informations disponibles, non commandable | ||||
| 1 | xxx | |||
| Pas d'informations disponibles, non commandable | ||||
| 2 | xxx | |||
| Pas d'informations disponibles, non commandable | ||||
| 3 | xxx | |||
| Câble 220v | ||||
| 4 | 440240 | 24.32 | 29.18 | |
| Passe-câble | ||||
| 5 | 437024 | 2.57 | 3.08 | |
| Pas d'informations disponibles, non commandable | ||||
| 6 | xxx | |||
| Pas d'informations disponibles, non commandable | ||||
| 7 | xxx | |||
| Pas d'informations disponibles, non commandable | ||||
| 8 | xxx | |||
| Pas d'informations disponibles, non commandable | ||||
| 9 | xxx | |||
| Pas d'informations disponibles, non commandable | ||||
| 10 | xxx | |||
| Pas d'informations disponibles, non commandable | ||||
| 11 | xxx | |||
| Pas d'informations disponibles, non commandable | ||||
| 12 | xxx | |||
| Vis à tête bombée M4 x 30 | ||||
| 13 | 203760 | 1.39 | 1.67 | |
| Pas d'informations disponibles, non commandable | ||||
| 14 | xxx | |||
| Pas d'informations disponibles, non commandable | ||||
| 15 | xxx | |||
| Pas d'informations disponibles, non commandable | ||||
| 16 | xxx | |||
| Pas d'informations disponibles, non commandable | ||||
| 17 | xxx | |||
| Axe | ||||
| 18 | 443883 | 2.45 | 2.94 | |
| Circlips | ||||
| 19 | 200614 | 1.39 | 1.67 | |
| Ecrou carré M5 | ||||
| 20 | 228520 | 1.39 | 1.67 | |
| Pas d'informations disponibles, non commandable | ||||
| 21 | 483372 | |||
| Pas d'informations disponibles, non commandable | ||||
| 22 | xxx | |||
| Pas d'informations disponibles, non commandable | ||||
| 23 | xxx | |||
| Pas d'informations disponibles, non commandable | ||||
| 24 | xxx | |||
| Semelle | ||||
| 25 | 437031 | 12.46 | 14.95 | |
| Pas d'informations disponibles, non commandable | ||||
| 26 | xxx | |||
| Pas d'informations disponibles, non commandable | ||||
| 27 | xxx | |||
| Pas d'informations disponibles, non commandable | ||||
| 28 | xxx | |||
| Vis à tête cylindrique M5 x 8 | ||||
| 29 | 204482 | 1.39 | 1.67 | |
| Goupille cylindrique | ||||
| 30 | 228519 | 1.39 | 1.67 | |
| Pas d'informations disponibles, non commandable | ||||
| 31 | xxx | |||
| Pas d'informations disponibles, non commandable | ||||
| 32 | xxx | |||
| Vis à tête cylindrique M5 x 16 | ||||
| 33 | 200671 | 1.39 | 1.67 | |
| Pas d'informations disponibles, non commandable | ||||
| 34 | xxx | |||
| Pas d'informations disponibles, non commandable | ||||
| 35 | xxx | |||
| Pas d'informations disponibles, non commandable | ||||
| 36 | xxx | |||
| Disque | ||||
| 37 | 228518 | 1.39 | 1.67 | |
| Vis à tête cylindrique DIN 912-M4x16-8.8 | ||||
| 38 | 200664 | 1.39 | 1.67 | |
| Pas d'informations disponibles, non commandable | ||||
| 39 | xxx | |||
| Pas d'informations disponibles, non commandable | ||||
| 40 | xxx | |||
| Pas d'informations disponibles, non commandable | ||||
| 41 | xxx | |||
| Pas d'informations disponibles, non commandable | ||||
| 42 | xxx | |||
| Pas d'informations disponibles, non commandable | ||||
| 43 | xxx | |||
| Pas d'informations disponibles, non commandable | ||||
| 44 | xxx | |||
| Vis à tête bombée 4,0 x 40 mm | ||||
| 45 | 219080 | 1.39 | 1.67 | |
| Pas d'informations disponibles, non commandable | ||||
| 46 | xxx | |||
| Pas d'informations disponibles, non commandable | ||||
| 48 | xxx | |||
| Pas d'informations disponibles, non commandable | ||||
| 49 | xxx | |||
| Pas d'informations disponibles, non commandable | ||||
| 50 | xxx | |||
| Tôle | ||||
| 51 | 443437 | 10.43 | 12.52 | |
| Pas d'informations disponibles, non commandable | ||||
| 52 | xxx | |||
| Roulement rainuré à billes | ||||
| 53 | 789575 | 6.34 | 7.61 | |
| Pas d'informations disponibles, non commandable | ||||
| 54 | xxx | |||
| Pas d'informations disponibles, non commandable | ||||
| 55 | xxx | |||
| Plus disponible, pas de remplacement | ||||
| 56 | 412010 | |||
| Vis à tête bombée 4,0 x 12 mm | ||||
| 57 | 219071 | 1.39 | 1.67 | |
| Serre-câble | ||||
| 58 | 411871 | 7.73 | 9.28 | |
| Interrupteur 220v | ||||
| 59 | 412006 | 17.18 | 20.62 | |
| Pas d'informations disponibles, non commandable | ||||
| 60 | xxx | |||
| Pas d'informations disponibles, non commandable | ||||
| 61 | xxx | |||
| Vis à tête bombée 4,0 x 12 mm | ||||
| 62 | 219071 | 1.39 | 1.67 | |
| Pas d'informations disponibles, non commandable | ||||
| 63 | 411694 | |||
| Roulement rainuré à billes | ||||
| 64 | 401518 | 8.58 | 10.30 | |
| Bague de palier | ||||
| 65 | 462385 | 4.09 | 4.91 | |
| Déflecteur d'air | ||||
| 66 | 411705 | 13.19 | 15.83 | |
| Vis à tête bombée 4,0 x 40 mm | ||||
| 67 | 219080 | 1.39 | 1.67 | |
| Pas d'informations disponibles, non commandable | ||||
| 68 | xxx | |||
| Pas d'informations disponibles, non commandable | ||||
| 69 | 484694 | |||
| Pas d'informations disponibles, non commandable | ||||
| 70 | xxx | |||
| Pas d'informations disponibles, non commandable | ||||
| 71 | xxx | |||
| Tournevis Sw 4 DIN 911 | ||||
| 72 | 202751 | 1.39 | 1.67 | |