Vous trouverez ici toutes les pièces et dessins disponibles du 'Festool 484815 ( OF900E )'. De là, vous pouvez commander directement toutes les pièces souhaitées. De nombreuses pièces doivent être commandées auprès du fabricant, selon la marque, cela prend une à quatre semaines. Toutes les informations dont nous disposons se trouvent sur notre site Web, nous ne pouvons pas vous conseiller sur ce dont vous avez besoin, pour cela vous devrez retourner la machine pour réparation. Veuillez noter ce qui suit lors de la commande:
En raison d'une réorganisation au sein de Festool, les commandes Festool ne seront pas livrées avant la seconde moitié de janvier 2026.
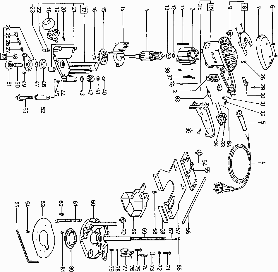
Dessins des Festool 484815 ( OF900E )
Liste de pièces de rechange des Festool 484815 ( OF900E )
| Pos. | Description | Prix hors TVA | Prix TTC | |
| Les prix affichés incluent la TVA | ||||
| Induit 230 V | ||||
| 1 | 492040 | 135.88 | 163.06 | |
| Empilage de tôle d'inducteur 230 V | ||||
| 2 | 491885 | 55.30 | 66.36 | |
| Groupe interrupteur | ||||
| 3 | 486317 | 15.00 | 18.00 | |
| Câble Eu | ||||
| 4 | 457600 | 24.32 | 29.18 | |
| Gaine de protection de câble | ||||
| 5 | 432436 | 1.39 | 1.67 | |
| Vis à tête bombée 3,5 x 10 mm | ||||
| 6 | 219031 | 7.32 | 8.78 | |
| Capuchon | ||||
| 7 | 488661 | 11.78 | 14.14 | |
| Plus disponible, pas de remplacement | ||||
| 8 | 488952 | |||
| Pas d'informations disponibles, non commandable | ||||
| 10 | 487836 | |||
| Vis à tête bombée 4 x 50 mm | ||||
| 11 | 228707 | 1.39 | 1.67 | |
| Rondelle de compensation 15 x 21,8 x 0,2 mm | ||||
| 12 | 228759 | 1.39 | 1.67 | |
| Rondelle de compensation 14 x 21,8 x 0,3 mm | ||||
| 12 | 203777 | 1.39 | 1.67 | |
| Roulement à billes à gorge 608 D1 MC3 E U152 J2 HA | ||||
| 13 | 10775821 | 5.09 | 6.11 | |
| Disque de guidage d'air | ||||
| 14 | 434430 | 2.11 | 2.53 | |
| Ventilateur | ||||
| 15 | 440171 | 2.11 | 2.53 | |
| Circlips | ||||
| 16 | 401191 | 1.39 | 1.67 | |
| Chapeau de palier | ||||
| 17 | 488771 | 117.49 | 140.99 | |
| Bouton | ||||
| 18 | 436189 | 4.75 | 5.70 | |
| Demi-poignée | ||||
| 19 | 436192 | 9.77 | 11.72 | |
| Ressort de pression | ||||
| 20 | 440729 | 1.39 | 1.67 | |
| Douille | ||||
| 21 | 400994 | 1.39 | 1.67 | |
| Bague | ||||
| 22 | 436301 | 2.45 | 2.94 | |
| Douille Du 12x14x12 GGB 1212 DP4 | ||||
| 23 | 210031 | 1.39 | 1.67 | |
| Douille | ||||
| 24 | 200747 | 1.39 | 1.67 | |
| Capuchon | ||||
| 25 | 450206 | 1.39 | 1.67 | |
| Boulon | ||||
| 26 | 436305 | 9.17 | 11.00 | |
| Ressort de pression | ||||
| 27 | 444754 | 1.39 | 1.67 | |
| Vis à tête bombée M4 x 20 | ||||
| 28 | 228569 | 1.39 | 1.67 | |
| Vis à tête bombée 3,5 x 10 mm | ||||
| 29 | 219031 | 7.32 | 8.78 | |
| Porte-balai de charbon (pair) 230v | ||||
| 30 | 488579 | 10.56 | 12.67 | |
| Pont | ||||
| 31 | 439288 | 1.39 | 1.67 | |
| Vis à tête bombée 3,5 x 16 mm | ||||
| 32 | 228663 | 1.39 | 1.67 | |
| Condensateur | ||||
| 33 | 492778 | 18.15 | 21.78 | |
| Bande | ||||
| 34 | 434716 | 1.39 | 1.67 | |
| Capot | ||||
| 35 | 451403 | 6.67 | 8.00 | |
| Vis à tête bombée PT-4,0x20-KT15 | ||||
| 36 | 228567 | 1.39 | 1.67 | |
| Support en U | ||||
| 37 | 443331 | 1.51 | 1.81 | |
| Tresse | ||||
| 38 | 440586 | 1.51 | 1.81 | |
| Pas d'informations disponibles, non commandable | ||||
| 39 | 440585 | |||
| Circlips | ||||
| 40 | 216770 | 1.39 | 1.67 | |
| RONDELLE D'AJUSTAGE 13 X 19 X 0,5 MM | ||||
| 41 | 228503 | 1.39 | 1.67 | |
| Molette | ||||
| 42 | 439282 | 5.09 | 6.11 | |
| Rondelle de compensation 13,2 x 18,8 x 0,2 mm | ||||
| 43 | 436828 | 1.39 | 1.67 | |
| Disque 4,3 mm | ||||
| 44 | 200576 | 1.39 | 1.67 | |
| Vis à tête bombée M4 x 8 | ||||
| 45 | 228570 | 9.17 | 11.00 | |
| Roulement rainuré à billes | ||||
| 46 | 462795 | 9.64 | 11.57 | |
| Circlips | ||||
| 47 | 401191 | 1.39 | 1.67 | |
| Capot | ||||
| 48 | 473550 | 6.79 | 8.15 | |
| Vis à tête fraisée M4 x 10 | ||||
| 49 | 228581 | 1.39 | 1.67 | |
| Pince de serrage | ||||
| 50 | 488755 | 46.00 | 55.20 | |
| Pince de serrage | ||||
| 51 | 488755 | 46.00 | 55.20 | |
| Pas d'informations disponibles, non commandable | ||||
| 52 | xxx | |||
| Pas d'informations disponibles, non commandable | ||||
| 53 | xxx | |||
| Bouton tournant | ||||
| 54 | 436195 | 1.58 | 1.90 | |
| Guide | ||||
| 55 | 483449 | 5.74 | 6.89 | |
| Guidage circulaire | ||||
| 56 | 451754 | 6.73 | 8.08 | |
| Butée limite DF500 | ||||
| 57 | 10035623 | 19.12 | 22.94 | |
| Vis à tête fraisée 4,0 x 10 mm | ||||
| 58 | 219102 | 1.39 | 1.67 | |
| Capot récupérateur copeaux | ||||
| 59 | 437307 | 7.06 | 8.47 | |
| Plateau | ||||
| 60 | 497763 | 85.91 | 103.09 | |
| Butée | ||||
| 61 | 437197 | 18.39 | 22.07 | |
| Vis à tête cylindrique M6 x 8 | ||||
| 62 | 437999 | 1.39 | 1.67 | |
| Plateau | ||||
| 63 | 436477 | 14.16 | 16.99 | |
| Vis à tête fraisée M4 x 8 | ||||
| 64 | 219043 | 1.39 | 1.67 | |
| Pas d'informations disponibles, non commandable | ||||
| 65 | xxx | |||
| Pas d'informations disponibles, non commandable | ||||
| 66 | xxx | |||
| Pas d'informations disponibles, non commandable | ||||
| 67 | xxx | |||
| Support | ||||
| 68 | 437478 | 1.39 | 1.67 | |
| Ressort de pression | ||||
| 69 | 436377 | 1.51 | 1.81 | |
| Bouton tournant | ||||
| 70 | 436195 | 1.58 | 1.90 | |
| Vis à tête cylindrique M6 x 25 | ||||
| 71 | 400859 | 1.39 | 1.67 | |
| Disque 6,4 mm | ||||
| 72 | 200578 | 1.39 | 1.67 | |
| Douille | ||||
| 73 | 436300 | 1.78 | 2.14 | |
| Vis à tête cylindrique M5 | ||||
| 74 | 436813 | 2.04 | 2.45 | |
| Vis à tête cylindrique M5 | ||||
| 75 | 436812 | 1.85 | 2.22 | |
| Vis à tête cylindrique M5 x 20 | ||||
| 76 | 436811 | 1.58 | 1.90 | |
| Butée | ||||
| 77 | 436520 | 13.43 | 16.12 | |
| Bille | ||||
| 78 | 783305 | 1.39 | 1.67 | |
| Ressort de pression | ||||
| 79 | 436528 | 2.04 | 2.45 | |
| Douille | ||||
| 80 | 10364663 | 1.58 | 1.90 | |
| Vis à tête fraisée M4 x 8 | ||||
| 81 | 228737 | 1.39 | 1.67 | |
| Capot | ||||
| 82 | 494788 | 13.67 | 16.40 | |
| Bornier | ||||
| 84 | 410377 | 1.39 | 1.67 | |