Vous trouverez ici toutes les pièces et dessins disponibles du 'Festool 487253 ( OF2000 )'. De là, vous pouvez commander directement toutes les pièces souhaitées. De nombreuses pièces doivent être commandées auprès du fabricant, selon la marque, cela prend une à quatre semaines. Toutes les informations dont nous disposons se trouvent sur notre site Web, nous ne pouvons pas vous conseiller sur ce dont vous avez besoin, pour cela vous devrez retourner la machine pour réparation. Veuillez noter ce qui suit lors de la commande:
En raison d'une réorganisation au sein de Festool, les commandes Festool ne seront pas livrées avant la seconde moitié de janvier 2026.
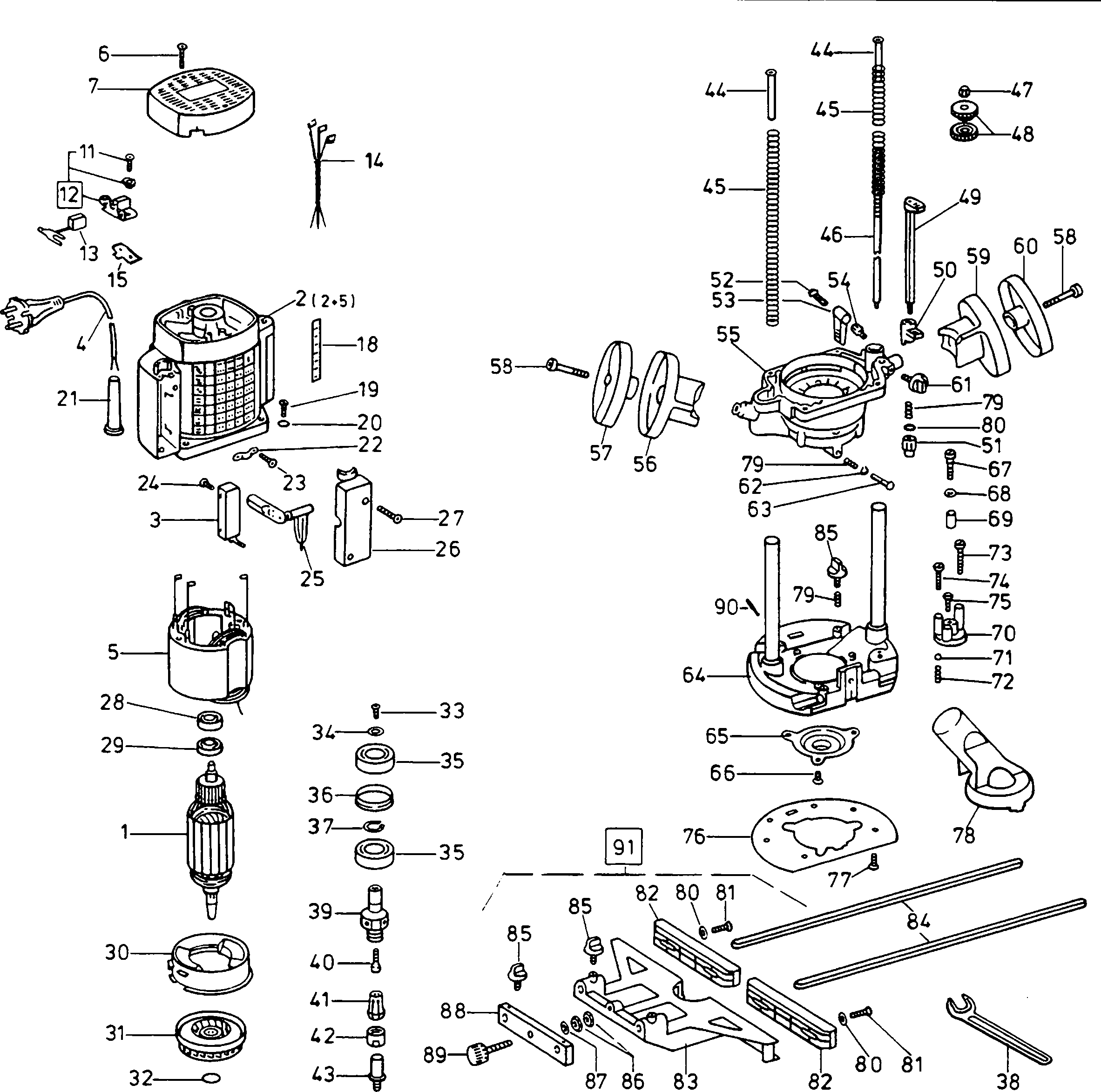
Dessins des Festool 487253 ( OF2000 )
Liste de pièces de rechange des Festool 487253 ( OF2000 )
| Pos. | Description | Prix hors TVA | Prix TTC | |
| Les prix affichés incluent la TVA | ||||
| Pas d'informations disponibles, non commandable | ||||
| 1 | xxx | |||
| Pas d'informations disponibles, non commandable | ||||
| 2 | xxx | |||
| Pas d'informations disponibles, non commandable | ||||
| 3 | 444709 | |||
| Câble Eu | ||||
| 4 | 457603 | 24.80 | 29.76 | |
| Pas d'informations disponibles, non commandable | ||||
| 5 | xxx | |||
| Pas d'informations disponibles, non commandable | ||||
| 6 | xxx | |||
| Pas d'informations disponibles, non commandable | ||||
| 7 | xxx | |||
| Pas d'informations disponibles, non commandable | ||||
| 11 | xxx | |||
| Porte-brosse | ||||
| 12 | 491664 | 37.99 | 45.59 | |
| Plus disponible, pas de remplacement | ||||
| 13 | 489342 | |||
| Pas d'informations disponibles, non commandable | ||||
| 14 | xxx | |||
| Pas d'informations disponibles, non commandable | ||||
| 15 | xxx | |||
| Pas d'informations disponibles, non commandable | ||||
| 18 | xxx | |||
| Pas d'informations disponibles, non commandable | ||||
| 19 | xxx | |||
| Pas d'informations disponibles, non commandable | ||||
| 20 | xxx | |||
| Pas d'informations disponibles, non commandable | ||||
| 21 | xxx | |||
| Pas d'informations disponibles, non commandable | ||||
| 22 | xxx | |||
| Vis à tôle à tête bombée 3,9 x 13 mm | ||||
| 23 | 203796 | 1.39 | 1.67 | |
| Pas d'informations disponibles, non commandable | ||||
| 24 | xxx | |||
| Pas d'informations disponibles, non commandable | ||||
| 25 | xxx | |||
| Pas d'informations disponibles, non commandable | ||||
| 26 | xxx | |||
| Pas d'informations disponibles, non commandable | ||||
| 27 | xxx | |||
| Roulement rainuré à billes | ||||
| 28 | 401550 | 9.37 | 11.24 | |
| Pas d'informations disponibles, non commandable | ||||
| 29 | xxx | |||
| Pas d'informations disponibles, non commandable | ||||
| 30 | xxx | |||
| Ventilateur | ||||
| 31 | 486880 | 6.14 | 7.37 | |
| Pas d'informations disponibles, non commandable | ||||
| 32 | xxx | |||
| Pas d'informations disponibles, non commandable | ||||
| 33 | xxx | |||
| Disque | ||||
| 34 | 403100 | 1.39 | 1.67 | |
| Roulement rainuré à billes | ||||
| 35 | 400467 | 19.48 | 23.38 | |
| Pas d'informations disponibles, non commandable | ||||
| 36 | xxx | |||
| Circlips | ||||
| 37 | 200352 | 1.39 | 1.67 | |
| Clé à fourche Sw 22 (<-2008) | ||||
| 38 | 401745 | 8.58 | 10.30 | |
| Pas d'informations disponibles, non commandable | ||||
| 39 | xxx | |||
| Vis à tête cylindrique M6 x 16 | ||||
| 40 | 228664 | 1.39 | 1.67 | |
| Pince de serrage D 8,0 | ||||
| 41 | 494460 | 55.00 | 66.00 | |
| Pas d'informations disponibles, non commandable | ||||
| 42 | --- | |||
| Pas d'informations disponibles, non commandable | ||||
| 43 | 487160 | |||
| Pas d'informations disponibles, non commandable | ||||
| 44 | xxx | |||
| Pas d'informations disponibles, non commandable | ||||
| 45 | xxx | |||
| Pas d'informations disponibles, non commandable | ||||
| 46 | xxx | |||
| Ecrou borgne M8 | ||||
| 47 | 400103 | 1.39 | 1.67 | |
| Pas d'informations disponibles, non commandable | ||||
| 48 | xxx | |||
| Butée de profondeur | ||||
| 49 | 487165 | 61.23 | 73.48 | |
| Pas d'informations disponibles, non commandable | ||||
| 50 | xxx | |||
| Réglage en profondeur | ||||
| 51 | 444381 | 21.54 | 25.85 | |
| Vis à tête fraisée bombée M5 x 12 | ||||
| 52 | 400090 | 1.39 | 1.67 | |
| Levier | ||||
| 53 | 438944 | 1.51 | 1.81 | |
| Pas d'informations disponibles, non commandable | ||||
| 54 | xxx | |||
| Pas d'informations disponibles, non commandable | ||||
| 55 | 486938 | |||
| Poignée | ||||
| 56 | 444726 | 15.85 | 19.02 | |
| Capot | ||||
| 57 | 444727 | 12.70 | 15.24 | |
| Vis à tête cylindrique M6 x 40 | ||||
| 58 | 400080 | 1.39 | 1.67 | |
| Poignée | ||||
| 59 | 444724 | 15.85 | 19.02 | |
| Pas d'informations disponibles, non commandable | ||||
| 60 | xxx | |||
| Bouton tournant M6 | ||||
| 61 | 438320 | 8.90 | 10.68 | |
| Disque | ||||
| 62 | 400106 | 3.89 | 4.67 | |
| Pas d'informations disponibles, non commandable | ||||
| 63 | xxx | |||
| Pas d'informations disponibles, non commandable | ||||
| 64 | xxx | |||
| Pas d'informations disponibles, non commandable | ||||
| 65 | --- | |||
| Pas d'informations disponibles, non commandable | ||||
| 66 | xxx | |||
| Vis à tête cylindrique M6 x 25 | ||||
| 67 | 400859 | 1.39 | 1.67 | |
| Disque 6,4 mm | ||||
| 68 | 200578 | 1.39 | 1.67 | |
| Douille | ||||
| 69 | 436300 | 1.78 | 2.14 | |
| Butée | ||||
| 70 | 436520 | 13.43 | 16.12 | |
| Bille | ||||
| 71 | 783305 | 1.39 | 1.67 | |
| Ressort de pression | ||||
| 72 | 436528 | 2.04 | 2.45 | |
| Vis à tête cylindrique M5 | ||||
| 73 | 436813 | 2.04 | 2.45 | |
| Vis à tête cylindrique M5 | ||||
| 74 | 436812 | 1.85 | 2.22 | |
| Vis à tête cylindrique M5 x 20 | ||||
| 75 | 436811 | 1.58 | 1.90 | |
| Plus disponible, pas de remplacement | ||||
| 76 | 444748 | |||
| Vis à tête fraisée M4 x 8 | ||||
| 77 | 770273 | 1.39 | 1.67 | |
| Plus disponible, pas de remplacement | ||||
| 78 | 444376 | |||
| Ressort de pression | ||||
| 79 | 444754 | 1.39 | 1.67 | |
| Disque | ||||
| 80 | 217149 | 1.39 | 1.67 | |
| Vis à tête cylindrique M6 x 16 | ||||
| 81 | 770443 | 1.39 | 1.67 | |
| Coulisseaux | ||||
| 82 | 444719 | 42.83 | 51.40 | |
| Pas d'informations disponibles, non commandable | ||||
| 83 | xxx | |||
| Pas d'informations disponibles, non commandable | ||||
| 84 | 444745 | |||
| Bouton tournant | ||||
| 85 | 444633 | 2.04 | 2.45 | |
| Ecrou hexagonal M6 | ||||
| 86 | 200601 | 1.39 | 1.67 | |
| Pas d'informations disponibles, non commandable | ||||
| 87 | xxx | |||
| Pas d'informations disponibles, non commandable | ||||
| 88 | xxx | |||
| Plus disponible, pas de remplacement | ||||
| 89 | 484791 | |||
| Pas d'informations disponibles, non commandable | ||||
| 90 | xxx | |||
| Pas d'informations disponibles, non commandable | ||||
| 91 | xxx | |||