Vous trouverez ici toutes les pièces et dessins disponibles du 'Festool 488777 ( ET2E-C )'. De là, vous pouvez commander directement toutes les pièces souhaitées. De nombreuses pièces doivent être commandées auprès du fabricant, selon la marque, cela prend une à quatre semaines. Toutes les informations dont nous disposons se trouvent sur notre site Web, nous ne pouvons pas vous conseiller sur ce dont vous avez besoin, pour cela vous devrez retourner la machine pour réparation. Veuillez noter ce qui suit lors de la commande:
En raison d'une réorganisation au sein de Festool, les commandes Festool ne seront pas livrées avant la seconde moitié de janvier 2026.
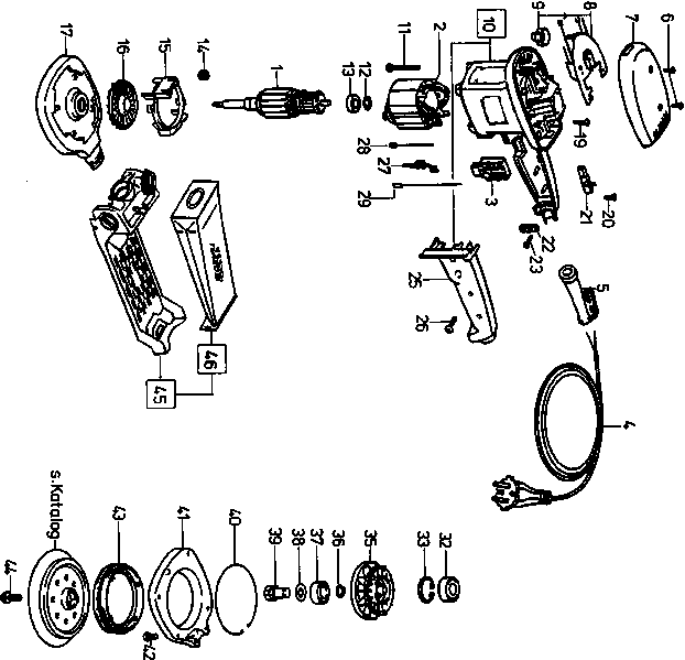
Dessins des Festool 488777 ( ET2E-C )
Liste de pièces de rechange des Festool 488777 ( ET2E-C )
| Pos. | Description | Prix hors TVA | Prix TTC | |
| Les prix affichés incluent la TVA | ||||
| Induit 230v | ||||
| 1 | 493135 | 128.62 | 154.34 | |
| Plus disponible, pas de remplacement | ||||
| 2 | 493137 | |||
| Groupe interrupteur | ||||
| 3 | 486317 | 15.00 | 18.00 | |
| Câble Eu | ||||
| 4 | 457600 | 24.32 | 29.18 | |
| Pas d'informations disponibles, non commandable | ||||
| 5 | xxx | |||
| Vis à tête bombée 3,5 x 10 mm | ||||
| 6 | 219031 | 7.32 | 8.78 | |
| Capuchon | ||||
| 7 | 488661 | 11.78 | 14.14 | |
| Electronique de régulation 230 V | ||||
| 8 | 486686 | 61.47 | 73.76 | |
| Pas d'informations disponibles, non commandable | ||||
| 9 | xxx | |||
| Carter de moteur | ||||
| 10 | 487834 | 37.51 | 45.01 | |
| Vis à tête bombée 4,0 x 40 mm | ||||
| 11 | 219080 | 1.39 | 1.67 | |
| Rondelle de compensation 14 x 21,8 x 0,3 mm | ||||
| 12 | 203777 | 1.39 | 1.67 | |
| Roulement à billes à gorge 608 D1 MC3 E U152 J2 HA | ||||
| 13 | 10775821 | 5.09 | 6.11 | |
| Ecrou hexagonal M4 | ||||
| 14 | 200715 | 1.39 | 1.67 | |
| Disque de guidage d'air | ||||
| 15 | 443109 | 2.57 | 3.08 | |
| Ventilateur | ||||
| 16 | 436451 | 2.18 | 2.62 | |
| Pas d'informations disponibles, non commandable | ||||
| 17 | xxx | |||
| Vis à tête bombée M4 x 20 | ||||
| 19 | 228569 | 1.39 | 1.67 | |
| Vis à tête bombée 3,5 x 10 mm | ||||
| 20 | 219031 | 7.32 | 8.78 | |
| Charbon (pair) 220-230v | ||||
| 21 | 489018 | 10.75 | 12.90 | |
| Pont | ||||
| 22 | 439288 | 1.39 | 1.67 | |
| Vis à tête bombée 3,5 x 16 mm | ||||
| 23 | 228663 | 1.39 | 1.67 | |
| Capot | ||||
| 25 | 451402 | 6.26 | 7.51 | |
| Vis à tête bombée PT-4,0x20-KT15 | ||||
| 26 | 228567 | 1.39 | 1.67 | |
| Support en U | ||||
| 27 | 443331 | 1.51 | 1.81 | |
| Pas d'informations disponibles, non commandable | ||||
| 28 | 440585 | |||
| Pas d'informations disponibles, non commandable | ||||
| 29 | 443878 | |||
| Roulement rainuré à billes | ||||
| 32 | 228659 | 8.11 | 9.73 | |
| Circlips | ||||
| 33 | 401246 | 1.39 | 1.67 | |
| Pas d'informations disponibles, non commandable | ||||
| 35 | 488856 | |||
| Circlips | ||||
| 36 | 200619 | 1.39 | 1.67 | |
| Roulement rainuré à billes | ||||
| 37 | 400048 | 7.58 | 9.10 | |
| Disque | ||||
| 38 | 443660 | 1.39 | 1.67 | |
| Vis de palier | ||||
| 39 | 720438 | 26.38 | 31.66 | |
| Pas d'informations disponibles, non commandable | ||||
| 40 | xxx | |||
| Cache | ||||
| 41 | 442925 | 9.90 | 11.88 | |
| Vis à tête bombée M4 x 12 | ||||
| 42 | 228509 | 1.39 | 1.67 | |
| Manchette | ||||
| 43 | 701156 | 7.39 | 8.87 | |
| Vis à tête cylindrique | ||||
| 44 | 401165 | 1.39 | 1.67 | |
| Kit Turbo filtre | ||||
| 45 | 487780 | 32.00 | 38.40 | |
| Filtre Turbo | ||||
| 46 | 487779 | 11.00 | 13.20 | |