Vous trouverez ici toutes les pièces et dessins disponibles du 'Festool 454816 ( CT33E )'. De là, vous pouvez commander directement toutes les pièces souhaitées. De nombreuses pièces doivent être commandées auprès du fabricant, selon la marque, cela prend une à quatre semaines. Toutes les informations dont nous disposons se trouvent sur notre site Web, nous ne pouvons pas vous conseiller sur ce dont vous avez besoin, pour cela vous devrez retourner la machine pour réparation. Veuillez noter ce qui suit lors de la commande:
En raison d'une réorganisation au sein de Festool, les commandes Festool ne seront pas livrées avant la seconde moitié de janvier 2026.
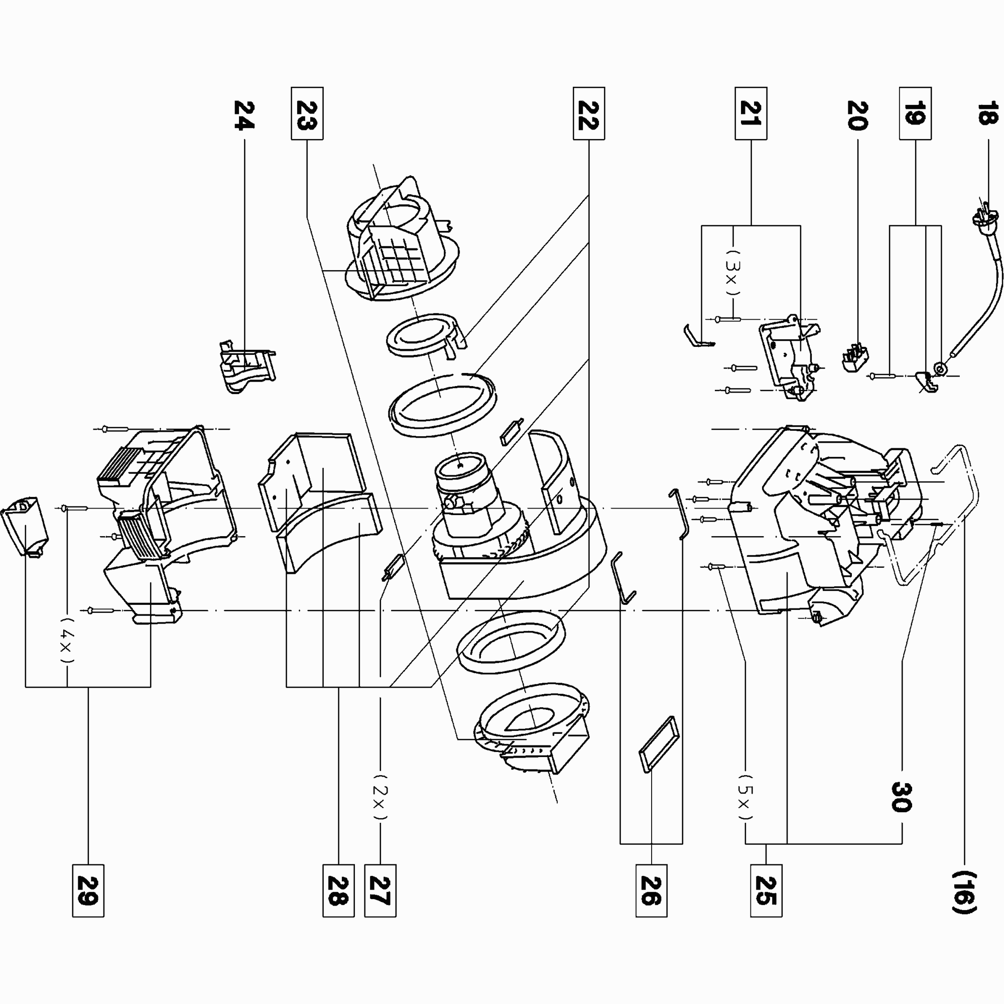
Dessins des Festool 454816 ( CT33E )
Liste de pièces de rechange des Festool 454816 ( CT33E )
| Pos. | Description | Prix hors TVA | Prix TTC | |
| Les prix affichés incluent la TVA | ||||
| Pas d'informations disponibles, non commandable | ||||
| 1 | xxx | |||
| Cache | ||||
| 3 | 200504 | 12.83 | 15.40 | |
| Interrupteur 230 V | ||||
| 4 | 452862 | 19.60 | 23.52 | |
| Régulation électronique 230 V | ||||
| 5 | 456773 | 133.22 | 159.86 | |
| Pas d'informations disponibles, non commandable | ||||
| 6 | 452866 | |||
| Boîtier de filtre | ||||
| 7 | 452869 | 85.91 | 103.09 | |
| Pas d'informations disponibles, non commandable | ||||
| 8 | xxx | |||
| Plus disponible, pas de remplacement | ||||
| 9 | 452854 | |||
| Capot | ||||
| 10 | 454966 | 134.19 | 161.03 | |
| Pince | ||||
| 11 | 452858 | 14.64 | 17.57 | |
| Pas d'informations disponibles, non commandable | ||||
| 12 | xxx | |||
| Poignée | ||||
| 13 | 452864 | 11.79 | 14.15 | |
| Fourche | ||||
| 14 | 452021 | 8.78 | 10.54 | |
| Plus disponible, pas de remplacement | ||||
| 15 | 452870 | |||
| Jeu de joints | ||||
| 16 | 454750 | 28.31 | 33.97 | |
| Support de filtre | ||||
| 17 | 452960 | 50.58 | 60.70 | |
| Pas d'informations disponibles, non commandable | ||||
| 19 | xxx | |||
| Pince | ||||
| 20 | 452099 | 6.94 | 8.33 | |
| Plus disponible, pas de remplacement | ||||
| 21 | 452872 | |||
| Unité d'entraînement 230-240v | ||||
| 22 | 454737 | 200.86 | 241.03 | |
| Pas d'informations disponibles, non commandable | ||||
| 23 | 452873 | |||
| Support | ||||
| 24 | 452091 | 2.83 | 3.40 | |
| Plus disponible, pas de remplacement | ||||
| 25 | 454746 | |||
| Pas d'informations disponibles, non commandable | ||||
| 26 | 454748 | |||
| Charbon de déconnexion (pair) 230v | ||||
| 27 | 452876 | 43.92 | 52.70 | |
| Tapis isolant | ||||
| 28 | 454747 | 18.76 | 22.51 | |
| Capot | ||||
| 29 | 454749 | 79.38 | 95.26 | |
| Résistance à coefficient de température positif | ||||
| 30 | 452149 | 6.79 | 8.15 | |
| Vis de palier | ||||
| 31 | 452016 | 1.39 | 1.67 | |
| Récipient | ||||
| 101 | 452848 | 166.74 | 200.09 | |
| Pas d'informations disponibles, non commandable | ||||
| 102 | 452846 | |||
| Palier | ||||
| 103 | 452847 | 15.37 | 18.44 | |
| Pas d'informations disponibles, non commandable | ||||
| 104 | 452845 | |||
| Porte | ||||
| 105 | 452955 | 30.61 | 36.73 | |
| Pas d'informations disponibles, non commandable | ||||
| 106 | xxx | |||
| Crochet de câble | ||||
| 107 | 452837 | 19.00 | 22.80 | |
| Pas d'informations disponibles, non commandable | ||||
| 108 | xxx | |||
| Sol | ||||
| 109 | 452003 | 16.94 | 20.33 | |
| Pas d'informations disponibles, non commandable | ||||
| 110 | 452004 | |||
| Pas d'informations disponibles, non commandable | ||||
| 111 | 452949 | |||
| Tirant | ||||
| 112 | 452852 | 26.74 | 32.09 | |
| Roulettes | ||||
| 113 | 452840 | 18.76 | 22.51 | |
| Châssis | ||||
| 114 | 452841 | 152.58 | 183.10 | |
| Plus disponible, pas de remplacement | ||||
| 115 | 454743 | |||
| Roue | ||||
| 116 | 452951 | 43.56 | 52.27 | |
| Plus disponible, pas de remplacement | ||||
| 117 | 452965 | |||
| Plus disponible, pas de remplacement | ||||
| 118 | 452009 | |||