Vous trouverez ici toutes les pièces et dessins disponibles du 'Festool 485775 ( AP55 )'. De là, vous pouvez commander directement toutes les pièces souhaitées. De nombreuses pièces doivent être commandées auprès du fabricant, selon la marque, cela prend une à quatre semaines. Toutes les informations dont nous disposons se trouvent sur notre site Web, nous ne pouvons pas vous conseiller sur ce dont vous avez besoin, pour cela vous devrez retourner la machine pour réparation. Veuillez noter ce qui suit lors de la commande:
En raison d'une réorganisation au sein de Festool, les commandes Festool ne seront pas livrées avant la seconde moitié de janvier 2026.
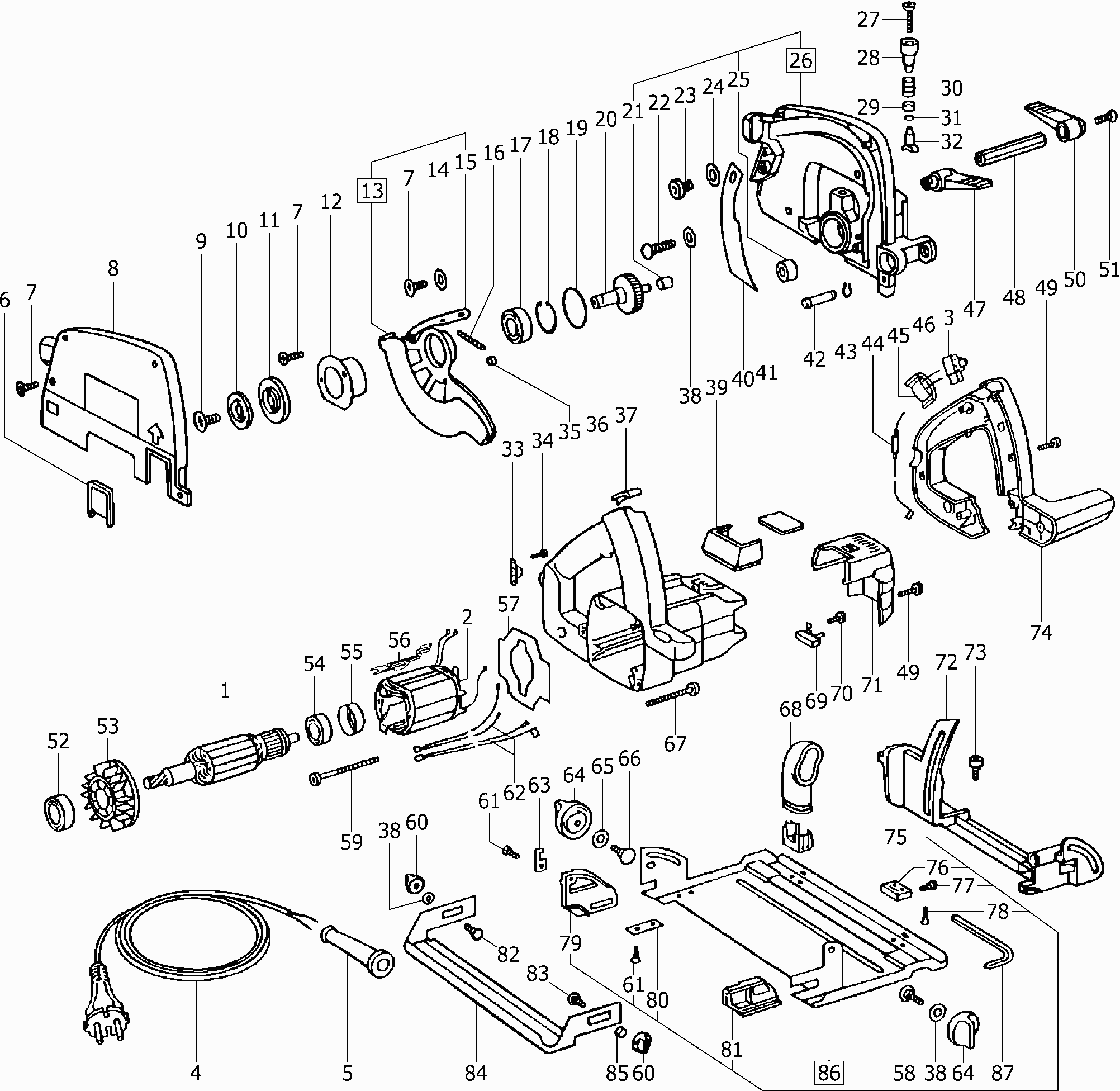
Dessins des Festool 485775 ( AP55 )
Liste de pièces de rechange des Festool 485775 ( AP55 )
| Pos. | Description | Prix hors TVA | Prix TTC | |
| Les prix affichés incluent la TVA | ||||
| Induit 230v | ||||
| 1 | 493219 | 157.18 | 188.62 | |
| VELDPAKKET AP 55 | ||||
| 2 | 493220 | 78.17 | 93.80 | |
| Pas d'informations disponibles, non commandable | ||||
| 3 | 490843 | |||
| Câble Eu | ||||
| 4 | 461124 | 24.32 | 29.18 | |
| Gaine de protection de câble | ||||
| 5 | 432436 | 1.39 | 1.67 | |
| Fenêtres | ||||
| 6 | 438943 | 3.89 | 4.67 | |
| Vis à tête fraisée M4 x 10 | ||||
| 7 | 228736 | 1.39 | 1.67 | |
| Pas d'informations disponibles, non commandable | ||||
| 8 | xxx | |||
| Vis à tête fraisée | ||||
| 9 | 439269 | 1.85 | 2.22 | |
| Contre-bride | ||||
| 10 | 440089 | 5.74 | 6.89 | |
| Pas d'informations disponibles, non commandable | ||||
| 11 | xxx | |||
| Pas d'informations disponibles, non commandable | ||||
| 12 | xxx | |||
| Pas d'informations disponibles, non commandable | ||||
| 13 | 488077 | |||
| Pas d'informations disponibles, non commandable | ||||
| 14 | xxx | |||
| Pas d'informations disponibles, non commandable | ||||
| 15 | xxx | |||
| Ressort de traction | ||||
| 16 | 440723 | 1.45 | 1.74 | |
| Roulement rainuré à billes | ||||
| 17 | 228659 | 8.11 | 9.73 | |
| Circlips | ||||
| 18 | 401246 | 1.39 | 1.67 | |
| Joint torique | ||||
| 19 | 215499 | 1.39 | 1.67 | |
| Arbre de transmission | ||||
| 20 | 441034 | 49.73 | 59.68 | |
| Palier cylindrique | ||||
| 21 | 439042 | 2.38 | 2.86 | |
| Vis à tête bombée | ||||
| 22 | 444362 | 1.39 | 1.67 | |
| Vis à tête cylindrique M6 x 12 | ||||
| 23 | 774326 | 1.92 | 2.30 | |
| Disque 6,4 mm | ||||
| 24 | 228546 | 1.39 | 1.67 | |
| Tampon | ||||
| 25 | 714434 | 4.75 | 5.70 | |
| Pas d'informations disponibles, non commandable | ||||
| 26 | 487572 | |||
| Vis à tête bombée M4 x 40 | ||||
| 27 | 228591 | 1.39 | 1.67 | |
| Bouton | ||||
| 28 | 440441 | 3.24 | 3.89 | |
| Rondelle support | ||||
| 29 | 444142 | 1.39 | 1.67 | |
| Ressort de pression | ||||
| 30 | 201134 | 1.39 | 1.67 | |
| Joint torique | ||||
| 31 | 444234 | 1.39 | 1.67 | |
| Boulon | ||||
| 32 | 444114 | 8.98 | 10.78 | |
| Pont | ||||
| 33 | 439288 | 1.39 | 1.67 | |
| Vis à tête bombée 3,5 x 16 mm | ||||
| 34 | 228663 | 1.39 | 1.67 | |
| Pas d'informations disponibles, non commandable | ||||
| 35 | xxx | |||
| Carter de moteur | ||||
| 36 | 446281 | 22.14 | 26.57 | |
| Pas d'informations disponibles, non commandable | ||||
| 37 | xxx | |||
| Disque | ||||
| 38 | 402935 | 1.39 | 1.67 | |
| Cache | ||||
| 39 | 438607 | 4.09 | 4.91 | |
| Guide-lame | ||||
| 40 | 440035 | 6.53 | 7.84 | |
| Pas d'informations disponibles, non commandable | ||||
| 41 | xxx | |||
| Pas d'informations disponibles, non commandable | ||||
| 42 | xxx | |||
| Pas d'informations disponibles, non commandable | ||||
| 43 | xxx | |||
| Condensateur | ||||
| 45 | 492778 | 18.15 | 21.78 | |
| Bande | ||||
| 46 | 434716 | 1.39 | 1.67 | |
| Levier | ||||
| 47 | 486639 | 7.00 | 8.40 | |
| Ecrou de serrage | ||||
| 48 | 438950 | 12.70 | 15.24 | |
| Vis à tête bombée 4,0 x 25 mm | ||||
| 49 | 228580 | 1.39 | 1.67 | |
| Levier | ||||
| 50 | 438944 | 1.51 | 1.81 | |
| Vis à tête fraisée M6 x 10 | ||||
| 51 | 402365 | 1.39 | 1.67 | |
| Roulement rainuré à billes | ||||
| 52 | 228798 | 5.68 | 6.82 | |
| Ventilateur | ||||
| 53 | 715024 | 2.11 | 2.53 | |
| Roulement rainuré à billes | ||||
| 54 | 228559 | 4.30 | 5.16 | |
| Bague de palier | ||||
| 55 | 438613 | 1.39 | 1.67 | |
| Support en U | ||||
| 56 | 443331 | 1.51 | 1.81 | |
| Disque de guidage d'air | ||||
| 57 | 457606 | 11.42 | 13.70 | |
| Vis à tête bombée | ||||
| 58 | 444362 | 1.39 | 1.67 | |
| Vis à tête bombée 4,0 x 60 mm | ||||
| 59 | 228708 | 1.39 | 1.67 | |
| Bouton tournant M6 | ||||
| 60 | 440712 | 2.51 | 3.01 | |
| Vis à tête fraisée M4 x 10 | ||||
| 61 | 228727 | 1.39 | 1.67 | |
| Pas d'informations disponibles, non commandable | ||||
| 62 | xxx | |||
| Indicateur | ||||
| 63 | 439275 | 2.04 | 2.45 | |
| Bouton tournant | ||||
| 64 | 440713 | 2.71 | 3.25 | |
| Disque 6,4 mm | ||||
| 65 | 228546 | 1.39 | 1.67 | |
| Vis à tête plate M6 x 25 | ||||
| 66 | 228603 | 1.39 | 1.67 | |
| Vis à tête cylindrique | ||||
| 67 | 203780 | 1.66 | 1.99 | |
| Déflecteur de copeaux | ||||
| 68 | 439696 | 7.99 | 9.59 | |
| Porte-balai de charbon mit Kohle (paar) 230v | ||||
| 69 | 488915 | 17.54 | 21.05 | |
| Vis à tête bombée 3,5 x 8 mm | ||||
| 70 | 219047 | 1.39 | 1.67 | |
| Capuchon | ||||
| 71 | 439824 | 9.17 | 11.00 | |
| Support | ||||
| 72 | 439012 | 68.85 | 82.62 | |
| Vis à tête cylindrique M5 x 16 | ||||
| 73 | 228617 | 1.39 | 1.67 | |
| Capot | ||||
| 74 | 438637 | 11.68 | 14.02 | |
| Pièce de réglage | ||||
| 75 | 442809 | 1.45 | 1.74 | |
| Pièce de réglage | ||||
| 76 | 443971 | 1.39 | 1.67 | |
| Goujon fileté M6 x 12 | ||||
| 77 | 442597 | 1.39 | 1.67 | |
| Vis à tête fraisée 4,0 x 10 mm | ||||
| 78 | 400014 | 1.39 | 1.67 | |
| Segment inclinable | ||||
| 79 | 438855 | 2.30 | 2.76 | |
| Barre filetée | ||||
| 80 | 439789 | 1.85 | 2.22 | |
| Segment inclinable | ||||
| 81 | 438856 | 1.92 | 2.30 | |
| Vis à tête plate M6 x 12 | ||||
| 82 | 228592 | 1.39 | 1.67 | |
| Vis à tête bombée M6 x 20 | ||||
| 83 | 228661 | 1.39 | 1.67 | |
| Extension de table | ||||
| 84 | 438857 | 17.54 | 21.05 | |
| Douille d'écartement | ||||
| 85 | 439715 | 2.04 | 2.45 | |
| Plateau | ||||
| 86 | 484685 | 50.34 | 60.41 | |
| Clé mâle | ||||
| 87 | 439236 | 3.70 | 4.44 | |