Vous trouverez ici toutes les pièces et dessins disponibles du 'Festool 583174 ( AFZUIGARM )'. De là, vous pouvez commander directement toutes les pièces souhaitées. De nombreuses pièces doivent être commandées auprès du fabricant, selon la marque, cela prend une à quatre semaines. Toutes les informations dont nous disposons se trouvent sur notre site Web, nous ne pouvons pas vous conseiller sur ce dont vous avez besoin, pour cela vous devrez retourner la machine pour réparation. Veuillez noter ce qui suit lors de la commande:
En raison d'une réorganisation au sein de Festool, les commandes Festool ne seront pas livrées avant la seconde moitié de janvier 2026.
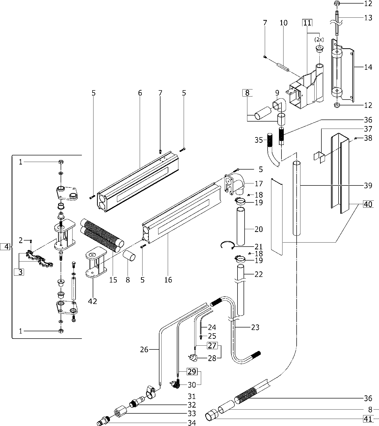
Dessins des Festool 583174 ( AFZUIGARM )
Liste de pièces de rechange des Festool 583174 ( AFZUIGARM )
| Pos. | Description | Prix hors TVA | Prix TTC | |
| Les prix affichés incluent la TVA | ||||
| Ecrou hexagonal M14 | ||||
| 1 | 400588 | 3.89 | 4.67 | |
| Vis à tête fraisée M6 x 16 | ||||
| 2 | 400990 | 1.39 | 1.67 | |
| Roue dentée | ||||
| 3 | 496322 | 86.15 | 103.38 | |
| Pas d'informations disponibles, non commandable | ||||
| 4 | xxx | |||
| Vis à tête cylindrique M8 x 35 | ||||
| 5 | 200695 | 1.39 | 1.67 | |
| Pas d'informations disponibles, non commandable | ||||
| 6 | xxx | |||
| Vis à tête cylindrique M8 x 20 | ||||
| 7 | 400153 | 6.41 | 7.69 | |
| Tube Ø 50 x 100 mm | ||||
| 8 | 445461 | 12.83 | 15.40 | |
| Raccord | ||||
| 9 | 445460 | 31.82 | 38.18 | |
| Boulon | ||||
| 10 | 445446 | 35.33 | 42.40 | |
| Bride | ||||
| 11 | 488452 | 339.89 | 407.87 | |
| Pas d'informations disponibles, non commandable | ||||
| 12 | 200738 | |||
| Axe | ||||
| 13 | 495835 | 70.91 | 85.09 | |
| Console Asa 5000 / 6000 | ||||
| 14 | 495837 | 302.26 | 362.71 | |
| Tuyau Ø 50 x 0,3 m | ||||
| 15 | 445463 | 26.14 | 31.37 | |
| Bras Asa 2500 / 5000 | ||||
| 16 | 445452 | 422.65 | 507.18 | |
| Bride | ||||
| 17 | 445450 | 290.64 | 348.77 | |
| Rivet aveugle | ||||
| 18 | 445469 | 7.85 | 9.42 | |
| Pince | ||||
| 19 | 445467 | 22.26 | 26.71 | |
| Tuyau Asa 2500 / 5000 | ||||
| 20 | 445466 | 59.17 | 71.00 | |
| Serre-câble | ||||
| 21 | 446862 | 6.73 | 8.08 | |
| Tube | ||||
| 22 | 445468 | 70.18 | 84.22 | |
| Tuyau 1650 mm | ||||
| 23 | 449907 | 29.40 | 35.28 | |
| Pas d'informations disponibles, non commandable | ||||
| 24 | 449824 | |||
| Pas d'informations disponibles, non commandable | ||||
| 25 | 2150 | |||
| Tuyau à air comprimé Asa 2500 / 5000 | ||||
| 26 | 495749 | 89.06 | 106.87 | |
| Pas d'informations disponibles, non commandable | ||||
| 27 | xxx | |||
| Pas d'informations disponibles, non commandable | ||||
| 28 | xxx | |||
| Pas d'informations disponibles, non commandable | ||||
| 29 | xxx | |||
| Pas d'informations disponibles, non commandable | ||||
| 30 | xxx | |||
| Pince | ||||
| 31 | 9274 | 3.77 | 4.52 | |
| Pas d'informations disponibles, non commandable | ||||
| 32 | xxx | |||
| Manchon | ||||
| 33 | 200477 | 29.04 | 34.85 | |
| Pas d'informations disponibles, non commandable | ||||
| 34 | xxx | |||
| Pas d'informations disponibles, non commandable | ||||
| 35 | 449908 | |||
| Tuyau Ø 50 x 1 m | ||||
| 36 | 445459 | 51.79 | 62.15 | |
| Collier de tuyau | ||||
| 37 | 445456 | 37.39 | 44.87 | |
| Rivet | ||||
| 38 | 400152 | 5.47 | 6.56 | |
| Tube Ø 50 x 2000 mm | ||||
| 39 | 445472 | 117.13 | 140.56 | |
| Canal d'installation L=2000 mm | ||||
| 40 | 445473 | 139.88 | 167.86 | |
| Pièce de raccordement | ||||
| 41 | 489397 | 37.27 | 44.72 | |
| Pas d'informations disponibles, non commandable | ||||
| 42 | 445441 | |||