Vous trouverez ici toutes les pièces et dessins disponibles du 'Fein 72055127620 ( WBP10 )'. De là, vous pouvez commander directement toutes les pièces souhaitées. De nombreuses pièces doivent être commandées auprès du fabricant, selon la marque, cela prend une à quatre semaines. Toutes les informations dont nous disposons se trouvent sur notre site Web, nous ne pouvons pas vous conseiller sur ce dont vous avez besoin, pour cela vous devrez retourner la machine pour réparation. Veuillez noter ce qui suit lors de la commande:
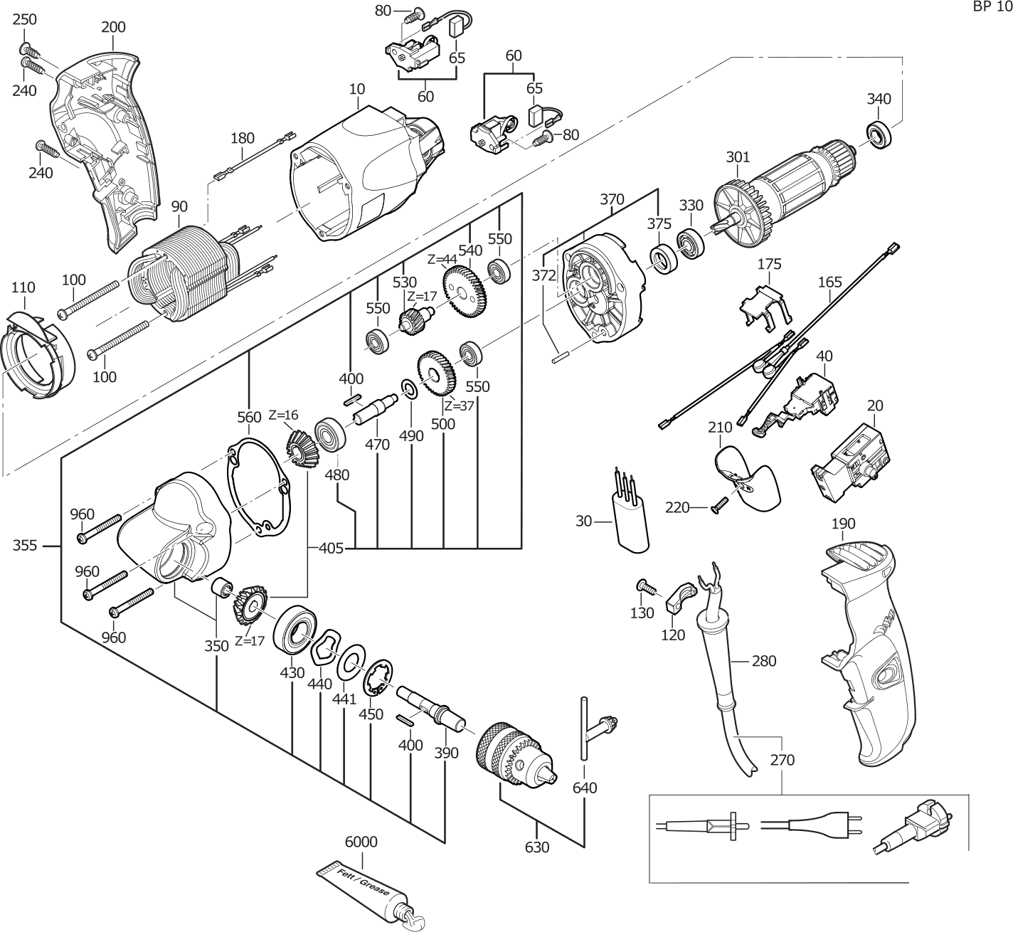
Dessins des Fein 72055127620 ( WBP10 )
Liste de pièces de rechange des Fein 72055127620 ( WBP10 )
| Pos. | Description | Prix hors TVA | Prix TTC | |
| Les prix affichés incluent la TVA | ||||
| Carter moteur | ||||
| 10 | 31901138011 | 33.81 | 40.57 | |
| Interrupteur | ||||
| 20 | 30701228002 | 53.59 | 64.31 | |
| Tige | ||||
| 20 | 40242051000 | 1.04 | 1.25 | |
| Condensateur | ||||
| 30 | 30722183018 | 7.80 | 9.36 | |
| Commutateur | ||||
| 40 | 30701249004 | 16.91 | 20.29 | |
| Porte balai | ||||
| 60 | 30712089039 | 28.39 | 34.07 | |
| Balai | ||||
| 65 | 30711165000 | 11.69 | 14.03 | |
| Vis | ||||
| 80 | 43070018009 | 1.04 | 1.25 | |
| Stator | ||||
| 90 | 51274014230 | 75.28 | 90.34 | |
| Vis | ||||
| 100 | 43070014000 | 1.04 | 1.25 | |
| Anneau de guidage d'air | ||||
| 110 | 31428149008 | 8.08 | 9.70 | |
| Serre-câble | ||||
| 120 | 32431046000 | 1.67 | 2.00 | |
| Vis | ||||
| 130 | 43070006008 | 1.04 | 1.25 | |
| Système antiparasite | ||||
| 165 | 30722188010 | 8.21 | 9.85 | |
| Support | ||||
| 175 | 30240283000 | 4.10 | 4.92 | |
| Câble de connexion | ||||
| 180 | 30719729010 | 1.67 | 2.00 | |
| Demi-coque de poignée | ||||
| 190 | 31201136020 | 18.50 | 22.20 | |
| Demi-coque de poignée | ||||
| 200 | 31201137000 | 17.54 | 21.05 | |
| Bouton de commande | ||||
| 210 | 32805191002 | 5.99 | 7.19 | |
| Vis à tête fraisée | ||||
| 220 | 43066009038 | 1.04 | 1.25 | |
| Vis | ||||
| 240 | 43046003009 | 1.04 | 1.25 | |
| Vis | ||||
| 250 | 43070007002 | 1.04 | 1.25 | |
| Cordon avec fiche | ||||
| 270 | 30707343017 | 12.63 | 15.16 | |
| Gaine de cordon | ||||
| 280 | 31413233000 | 2.71 | 3.25 | |
| Rotor | ||||
| 301 | 53274020230 | 112.29 | 134.75 | |
| Roulement à billes | ||||
| 330 | 41701117170 | 10.16 | 12.19 | |
| Roulement à billes | ||||
| 340 | 41701001260 | 5.77 | 6.92 | |
| Palier | ||||
| 350 | 31508297010 | 60.61 | 72.73 | |
| Palier | ||||
| 355 | 31508297020 | 341.97 | 410.36 | |
| Palier intermédiaire | ||||
| 370 | 31506401020 | 45.30 | 54.36 | |
| Tige | ||||
| 372 | 40242051000 | 1.04 | 1.25 | |
| Douille | ||||
| 375 | 30507238000 | 1.46 | 1.75 | |
| Arbre | ||||
| 390 | 33401085000 | 49.13 | 58.96 | |
| Clavette | ||||
| 400 | 40221003006 | 1.25 | 1.50 | |
| Engrenage conique | ||||
| 405 | 33809072017 | 127.60 | 153.12 | |
| Roulement à billes | ||||
| 430 | 41701207033 | 8.50 | 10.20 | |
| Disque | ||||
| 440 | 42446015000 | 1.04 | 1.25 | |
| Disque | ||||
| 441 | 32408346008 | 4.10 | 4.92 | |
| Circlips | ||||
| 450 | 42635003004 | 1.04 | 1.25 | |
| Arbre | ||||
| 470 | 33406078004 | 27.43 | 32.92 | |
| Roulement à billes | ||||
| 480 | 41701004015 | 6.19 | 7.43 | |
| Disque | ||||
| 490 | 32408152006 | 1.46 | 1.75 | |
| Roue dentée | ||||
| 500 | 33657012006 | 21.05 | 25.26 | |
| Roue dentée | ||||
| 530 | 33757008007 | 34.45 | 41.34 | |
| Roue dentée | ||||
| 540 | 33657009002 | 28.39 | 34.07 | |
| Roulement à billes | ||||
| 550 | 41701202018 | 5.77 | 6.92 | |
| Joint | ||||
| 560 | 30610050000 | 2.51 | 3.01 | |
| Pas d'informations disponibles, non commandable | ||||
| 630 | 63202044018 | |||
| Pas d'informations disponibles, non commandable | ||||
| 640 | 62914002005 | |||
| Vis | ||||
| 960 | 43072010009 | 1.04 | 1.25 | |
| Puce RFID | ||||
| 2500 | 32217517000 | 1.25 | 1.50 | |
| Plus disponible, pas de remplacement | ||||
| 6000 | 32160003014 | |||