Vous trouverez ici toutes les pièces et dessins disponibles du 'Fein 72363113117 ( FSC1.6 )'. De là, vous pouvez commander directement toutes les pièces souhaitées. De nombreuses pièces doivent être commandées auprès du fabricant, selon la marque, cela prend une à quatre semaines. Toutes les informations dont nous disposons se trouvent sur notre site Web, nous ne pouvons pas vous conseiller sur ce dont vous avez besoin, pour cela vous devrez retourner la machine pour réparation. Veuillez noter ce qui suit lors de la commande:
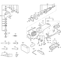
Dessins des Fein 72363113117 ( FSC1.6 )
Liste de pièces de rechange des Fein 72363113117 ( FSC1.6 )
| Pos. | Description | Prix hors TVA | Prix TTC | |
| Les prix affichés incluent la TVA | ||||
| Plus disponible, pas de remplacement | ||||
| 10 | 31901139015 | |||
| Curseur de commande | ||||
| 20 | 32805195001 | 3.13 | 3.76 | |
| Tringle de commande | ||||
| 30 | 32816060001 | 8.90 | 10.68 | |
| Stator | ||||
| 40 | 51274006114 | 59.97 | 71.96 | |
| Vis | ||||
| 50 | 43070014000 | 1.04 | 1.25 | |
| Anneau de guidage d'air | ||||
| 60 | 31428151009 | 4.32 | 5.18 | |
| Bouton rotatif | ||||
| 80 | 32805194016 | 6.61 | 7.93 | |
| Couvercle | ||||
| 90 | 32427120011 | 11.98 | 14.38 | |
| Régulateur de vitesse | ||||
| 100 | 30762484990 | 146.74 | 176.09 | |
| Câble de connexion | ||||
| 110 | 30719696010 | 2.09 | 2.51 | |
| Serre-câble | ||||
| 120 | 32431044000 | 1.46 | 1.75 | |
| Serre-câble | ||||
| 130 | 32431043002 | 1.04 | 1.25 | |
| Vis | ||||
| 140 | 43070038007 | 1.04 | 1.25 | |
| Gaine de cordon | ||||
| 150 | 31413229000 | 2.29 | 2.75 | |
| Cordon | ||||
| 160 | 30706334015 | 26.48 | 31.78 | |
| Cordon avec fiche | ||||
| 165 | 30707410010 | 18.82 | 22.58 | |
| Porte balai | ||||
| 175 | 30712091024 | 38.28 | 45.94 | |
| Balai | ||||
| 180 | 30711146001 | 11.69 | 14.03 | |
| Vis à tête fraisée | ||||
| 200 | 43041040048 | 1.04 | 1.25 | |
| Poussoir | ||||
| 210 | 31415095009 | 1.46 | 1.75 | |
| Rotor | ||||
| 255 | 53274010114 | 183.74 | 220.49 | |
| Roulement à billes | ||||
| 260 | 41701001260 | 5.77 | 6.92 | |
| Aimant torique | ||||
| 270 | 31428152002 | 17.32 | 20.78 | |
| Roulement à billes | ||||
| 280 | 41701007038 | 8.90 | 10.68 | |
| Anneau | ||||
| 290 | 32603036005 | 21.69 | 26.03 | |
| Tête de machine | ||||
| 405 | 31508253018 | 246.27 | 295.52 | |
| Palier intermédiaire | ||||
| 410 | 31506369016 | 45.94 | 55.13 | |
| Levier | ||||
| 420 | 33218119002 | 77.84 | 93.41 | |
| Arbre | ||||
| 430 | 33406296005 | 54.23 | 65.08 | |
| Douille | ||||
| 445 | 30507234010 | 19.46 | 23.35 | |
| Roulement à aiguilles | ||||
| 500 | 41706041005 | 23.61 | 28.33 | |
| Roulement à billes | ||||
| 530 | 41701010054 | 7.24 | 8.69 | |
| Bague d'étanchéité | ||||
| 550 | 40612024009 | 1.88 | 2.26 | |
| Bague d'étanchéité | ||||
| 560 | 40612093004 | 1.04 | 1.25 | |
| Joint | ||||
| 570 | 30610035002 | 2.29 | 2.75 | |
| Bague d'étanchéité | ||||
| 580 | 40608072005 | 5.99 | 7.19 | |
| Circlips | ||||
| 600 | 42616027009 | 1.04 | 1.25 | |
| Disque | ||||
| 610 | 42446016003 | 1.04 | 1.25 | |
| Vis | ||||
| 620 | 43074001000 | 1.04 | 1.25 | |
| Vis | ||||
| 630 | 33001039017 | 40.19 | 48.23 | |
| Pas d'informations disponibles, non commandable | ||||
| 5000 | 62907037003 | |||
| Pas d'informations disponibles, non commandable | ||||
| 5010 | 33901118200 | |||
| Pas d'informations disponibles, non commandable | ||||
| 5020 | 63719010014 | |||
| Pas d'informations disponibles, non commandable | ||||
| 6000 | 04010101004 | |||
| Extracteur (SW0016, L 130 MM, M 12) | ||||
| 7010 | 64104150008 | 116.75 | 140.10 | |
| Extracteur | ||||
| 7020 | 64104028005 | 77.00 | 92.40 | |
| Boulon | ||||
| 7030 | 64131008001 | 11.82 | 14.18 | |
| Boulon | ||||
| 7040 | 64131009005 | 16.50 | 19.80 | |
| Instruction de montage | ||||
| 7050 | 64131014001 | 27.22 | 32.66 | |
| Instruction de montage | ||||
| 7060 | 64131010007 | 9.12 | 10.94 | |
| Pas d'informations disponibles, non commandable | ||||
| 7070 | 64131012000 | |||
| Tube (SW0006, OD 40 MM, ID 32.6 MM) | ||||
| 7080 | 64101028003 | 61.25 | 73.50 | |
| Dispositif de serrage (SW0019, ID 19 MM, M 6) | ||||
| 7090 | 64107019007 | 96.98 | 116.38 | |
| Dispositif de serrage (SW0019, ID 26 MM, M 6) | ||||
| 7100 | 64107026000 | 111.01 | 133.21 | |
| Instruction de montage (SW0053) | ||||
| 7110 | 64131013003 | 14.99 | 17.99 | |