Vous trouverez ici toutes les pièces et dessins disponibles du 'Fein 72302600233 ( BLS2.5 )'. De là, vous pouvez commander directement toutes les pièces souhaitées. De nombreuses pièces doivent être commandées auprès du fabricant, selon la marque, cela prend une à quatre semaines. Toutes les informations dont nous disposons se trouvent sur notre site Web, nous ne pouvons pas vous conseiller sur ce dont vous avez besoin, pour cela vous devrez retourner la machine pour réparation. Veuillez noter ce qui suit lors de la commande:
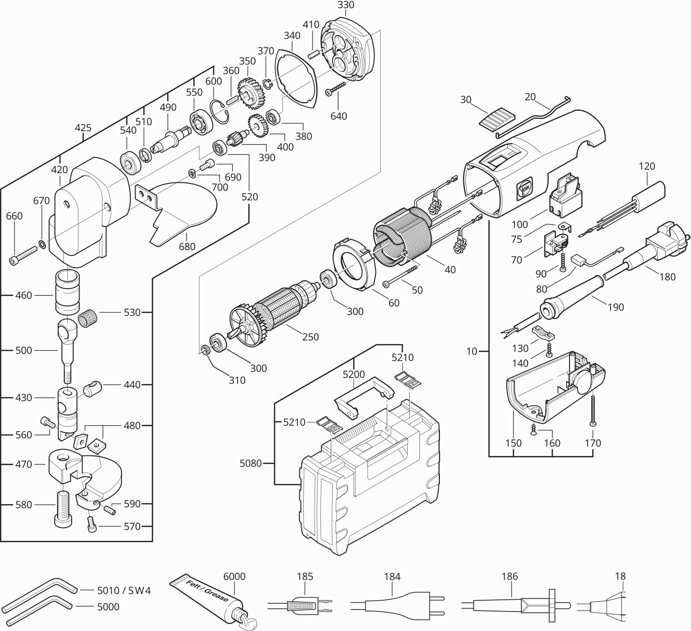
Dessins des Fein 72302600233 ( BLS2.5 )
Liste de pièces de rechange des Fein 72302600233 ( BLS2.5 )
| Pos. | Description | Prix hors TVA | Prix TTC | |
| Les prix affichés incluent la TVA | ||||
| Carter moteur | ||||
| 10 | 31901109024 | 37.00 | 44.40 | |
| Tringle de commande | ||||
| 20 | 32816051001 | 7.10 | 8.52 | |
| Curseur de commande | ||||
| 30 | 32805152009 | 2.71 | 3.25 | |
| Stator | ||||
| 40 | 51272004235 | 63.80 | 76.56 | |
| Vis | ||||
| 50 | 43070014000 | 1.04 | 1.25 | |
| Anneau de guidage d'air | ||||
| 60 | 31428114008 | 2.71 | 3.25 | |
| Porte balai | ||||
| 70 | 30712087015 | 6.19 | 7.43 | |
| Connecteur | ||||
| 75 | 30717193000 | 1.04 | 1.25 | |
| Balai | ||||
| 80 | 30711129009 | 6.19 | 7.43 | |
| Vis | ||||
| 90 | 43070015004 | 1.04 | 1.25 | |
| Interrupteur | ||||
| 100 | 30701060000 | 19.46 | 23.35 | |
| Condensateur | ||||
| 120 | 30722178020 | 14.02 | 16.82 | |
| Serre-câble | ||||
| 130 | 32431026009 | 1.04 | 1.25 | |
| Vis | ||||
| 140 | 43070001006 | 1.04 | 1.25 | |
| Couvercle | ||||
| 150 | 32427108016 | 12.51 | 15.01 | |
| Vis | ||||
| 160 | 43070036005 | 1.04 | 1.25 | |
| Vis | ||||
| 170 | 43070016007 | 1.04 | 1.25 | |
| Cordon avec fiche | ||||
| 180 | 30707373014 | 15.95 | 19.14 | |
| Gaine de cordon | ||||
| 190 | 31413164009 | 2.51 | 3.01 | |
| Rotor | ||||
| 250 | 53272005231 | 159.50 | 191.40 | |
| Roulement à billes | ||||
| 300 | 41701001172 | 8.21 | 9.85 | |
| Bague d'étanchéité | ||||
| 310 | 32612125000 | 2.29 | 2.75 | |
| Palier intermédiaire | ||||
| 330 | 31506353007 | 89.32 | 107.18 | |
| Joint | ||||
| 340 | 30610033000 | 2.09 | 2.51 | |
| Roue dentée | ||||
| 350 | 33657105002 | 70.18 | 84.22 | |
| Clavette | ||||
| 360 | 40221003006 | 1.25 | 1.50 | |
| Circlips | ||||
| 370 | 42616034007 | 1.04 | 1.25 | |
| Roulement à billes | ||||
| 380 | 41701202018 | 5.77 | 6.92 | |
| Arbre, à denture | ||||
| 390 | 33757014007 | 53.59 | 64.31 | |
| Roue dentée | ||||
| 400 | 33657167003 | 38.92 | 46.70 | |
| Tige (SW0017, DO 4 MM, L 12 MM) | ||||
| 410 | 40242006007 | 1.04 | 1.25 | |
| Carter | ||||
| 420 | 31308076009 | 179.92 | 215.90 | |
| Tête de machine | ||||
| 425 | 31308076018 | 833.23 | 999.88 | |
| Poinçon | ||||
| 430 | 31308077003 | 236.06 | 283.27 | |
| Boulon | ||||
| 440 | 31308078001 | 80.39 | 96.47 | |
| Douille | ||||
| 460 | 31308079005 | 65.08 | 78.10 | |
| Table de coupe | ||||
| 470 | 30109138008 | 372.59 | 447.11 | |
| Pas d'informations disponibles, non commandable | ||||
| 480 | 63601101009 | |||
| Arbre excentrique | ||||
| 490 | 33405027006 | 202.88 | 243.46 | |
| Bielle | ||||
| 500 | 31308080007 | 116.12 | 139.34 | |
| Anneau | ||||
| 510 | 32601225003 | 9.89 | 11.87 | |
| Roulement à billes | ||||
| 520 | 41701202018 | 5.77 | 6.92 | |
| Cage à aiguilles | ||||
| 530 | 41715032003 | 20.10 | 24.12 | |
| Roulement à billes | ||||
| 540 | 41701006028 | 11.35 | 13.62 | |
| Roulement à billes | ||||
| 550 | 41701007038 | 8.90 | 10.68 | |
| Vis à tête cylindrique | ||||
| 560 | 43035013058 | 1.04 | 1.25 | |
| Vis à tête cylindrique | ||||
| 570 | 43035014056 | 1.04 | 1.25 | |
| Vis à tête cylindrique | ||||
| 580 | 43013042127 | 10.58 | 12.70 | |
| Tige filetée | ||||
| 590 | 43045044051 | 1.04 | 1.25 | |
| Circlips | ||||
| 600 | 42616001005 | 1.04 | 1.25 | |
| Vis | ||||
| 640 | 43070026006 | 1.04 | 1.25 | |
| Vis à tête cylindrique | ||||
| 660 | 43033015052 | 1.04 | 1.25 | |
| Bague d'étanchéité | ||||
| 670 | 40611001002 | 1.88 | 2.26 | |
| Déflecteur | ||||
| 680 | 30229159001 | 36.37 | 43.64 | |
| Vis à tête cylindrique | ||||
| 690 | 43035013058 | 1.04 | 1.25 | |
| Circlips | ||||
| 700 | 42445002053 | 1.67 | 2.00 | |
| Pas d'informations disponibles, non commandable | ||||
| 5000 | 62907015008 | |||
| Clé Allen | ||||
| 5010 | 62907023005 | 2.82 | 3.38 | |
| Pas d'informations disponibles, non commandable | ||||
| 5080 | 33901118010 | |||
| Poignée | ||||
| 5200 | 32119122000 | 7.66 | 9.19 | |
| Etrier métallique | ||||
| 5210 | 30232050000 | 8.63 | 10.36 | |
| Plus disponible, pas de remplacement | ||||
| 6000 | 32160003083 | |||
| Consignes de sécurité | ||||
| 9020 | 34130054061 | 1.86 | 2.23 | |