Vous trouverez ici toutes les pièces et dessins disponibles du 'Fein 72230208223 ( AHsl636c )'. De là, vous pouvez commander directement toutes les pièces souhaitées. De nombreuses pièces doivent être commandées auprès du fabricant, selon la marque, cela prend une à quatre semaines. Toutes les informations dont nous disposons se trouvent sur notre site Web, nous ne pouvons pas vous conseiller sur ce dont vous avez besoin, pour cela vous devrez retourner la machine pour réparation. Veuillez noter ce qui suit lors de la commande:
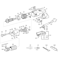
Dessins des Fein 72230208223 ( AHsl636c )
Liste de pièces de rechange des Fein 72230208223 ( AHsl636c )
| Pos. | Description | Prix hors TVA | Prix TTC | |
| Les prix affichés incluent la TVA | ||||
| Curseur de commande | ||||
| 50 | 32805118013 | 7.38 | 8.86 | |
| Rondelle frein | ||||
| 165 | 42442009996 | 1.04 | 1.25 | |
| Cordon avec fiche | ||||
| 178 | 30707128014 | 24.88 | 29.86 | |
| Pas d'informations disponibles, non commandable | ||||
| 5000 | 63203034010 | |||
| Pas d'informations disponibles, non commandable | ||||
| 5005 | 62914002005 | |||
| Pas d'informations disponibles, non commandable | ||||
| 5010 | 62903002009 | |||
| Plus disponible, pas de remplacement | ||||
| 6000 | 32160003014 | |||