Vous trouverez ici toutes les pièces et dessins disponibles du 'Fein 71300109950 ( ABSS1.6E )'. De là, vous pouvez commander directement toutes les pièces souhaitées. De nombreuses pièces doivent être commandées auprès du fabricant, selon la marque, cela prend une à quatre semaines. Toutes les informations dont nous disposons se trouvent sur notre site Web, nous ne pouvons pas vous conseiller sur ce dont vous avez besoin, pour cela vous devrez retourner la machine pour réparation. Veuillez noter ce qui suit lors de la commande:
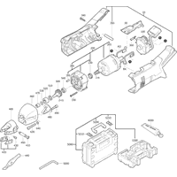
Dessins des Fein 71300109950 ( ABSS1.6E )
Liste de pièces de rechange des Fein 71300109950 ( ABSS1.6E )
| Pos. | Description | Prix hors TVA | Prix TTC | |
| Les prix affichés incluent la TVA | ||||
| Carter moteur | ||||
| 10 | 31901156020 | 45.94 | 55.13 | |
| Curseur de commande | ||||
| 30 | 32805237000 | 3.13 | 3.76 | |
| Régulateur de vitesse | ||||
| 100 | 30762569990 | 90.60 | 108.72 | |
| Moteur | ||||
| 200 | 54112010950 | 164.60 | 197.52 | |
| Anneau | ||||
| 230 | 32636044000 | 3.34 | 4.01 | |
| Anneau de palier moteur | ||||
| 265 | 30610038010 | 9.47 | 11.36 | |
| Vis | ||||
| 330 | 43074004000 | 1.04 | 1.25 | |
| Vis | ||||
| 340 | 43074010000 | 1.04 | 1.25 | |
| Poussoir | ||||
| 350 | 31415108000 | 1.25 | 1.50 | |
| Ressort | ||||
| 360 | 30907070000 | 4.10 | 4.92 | |
| Tige (SW0017, DO 4 MM, L 12 MM) | ||||
| 395 | 40242006007 | 1.04 | 1.25 | |
| Tête de machine | ||||
| 400 | 31308155007 | 223.30 | 267.96 | |
| Circlips | ||||
| 410 | 42615142008 | 1.04 | 1.25 | |
| Pas d'informations disponibles, non commandable | ||||
| 420 | 31308153014 | |||
| Vis à tête cylindrique | ||||
| 430 | 43033089048 | 1.04 | 1.25 | |
| Pas d'informations disponibles, non commandable | ||||
| 440 | 31308150009 | |||
| Boulon | ||||
| 450 | 31308156000 | 13.40 | 16.08 | |
| Carter | ||||
| 460 | 31308154003 | 116.12 | 139.34 | |
| Douille à aiguilles | ||||
| 470 | 41705006006 | 4.52 | 5.42 | |
| Ressort | ||||
| 480 | 31308157004 | 14.36 | 17.23 | |
| Vis à tête cylindrique | ||||
| 490 | 43035019059 | 1.04 | 1.25 | |
| Arbre excentrique | ||||
| 500 | 31308158011 | 108.46 | 130.15 | |
| Rondelle d'ajustage | ||||
| 510 | 32408385001 | 1.04 | 1.25 | |
| Rouleau | ||||
| 520 | 41724003002 | 55.51 | 66.61 | |
| Rondelle d'ajustage | ||||
| 530 | 32408386004 | 1.04 | 1.25 | |
| Roulement à billes | ||||
| 540 | 41701202018 | 5.77 | 6.92 | |
| Vis à tête cylindrique | ||||
| 630 | 43035016053 | 1.04 | 1.25 | |
| Circlips | ||||
| 640 | 42445002053 | 1.67 | 2.00 | |
| Pas d'informations disponibles, non commandable | ||||
| 5000 | 62907015008 | |||
| Pas d'informations disponibles, non commandable | ||||
| 5080 | 33901128820 | |||
| Poignée | ||||
| 5200 | 32119122000 | 7.66 | 9.19 | |
| Etrier métallique | ||||
| 5210 | 30232050000 | 8.63 | 10.36 | |
| Insert en EPP | ||||
| 5300 | 33904492000 | 30.30 | 36.36 | |
| Plus disponible, pas de remplacement | ||||
| 6000 | 32160003083 | |||