Vous trouverez ici toutes les pièces et dessins disponibles du 'Bosch 0603400802 ( PWS600 )'. De là, vous pouvez commander directement toutes les pièces souhaitées. De nombreuses pièces doivent être commandées auprès du fabricant, selon la marque, cela prend une à quatre semaines. Toutes les informations dont nous disposons se trouvent sur notre site Web, nous ne pouvons pas vous conseiller sur ce dont vous avez besoin, pour cela vous devrez retourner la machine pour réparation. Veuillez noter ce qui suit lors de la commande:
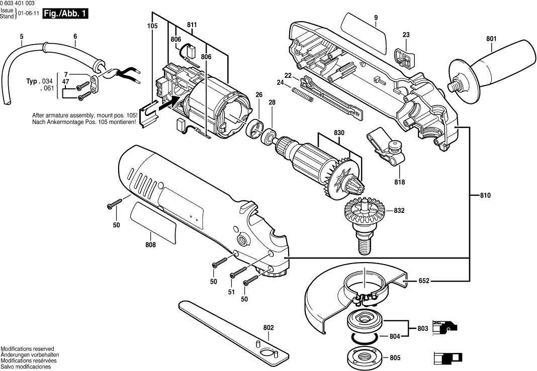
Dessins des Bosch 0603400802 ( PWS600 )
Liste de pièces de rechange des Bosch 0603400802 ( PWS600 )
| Pos. | Description | Prix hors TVA | Prix TTC | |
| Les prix affichés incluent la TVA | ||||
| Câble d alimentation CN 2,65m 2 x 0,75mm H05 W-F | ||||
| 5 | 1607000387 | 9.47 | 11.36 | |
| Manchon Ø6,5-Ø6,9x95 MM | ||||
| 6 | 2600703012 | 2.52 | 3.02 | |
| Plaque De Marque CÔTÉ SOLEIL | ||||
| 9 | 1601118853 | 2.71 | 3.25 | |
| Plus disponible, pas de remplacement | ||||
| 22 | 1602319014 | |||
| Poignee D’interrupteur NOIR | ||||
| 23 | 1602026077 | 1.32 | 1.58 | |
| Ressort De Compression | ||||
| 24 | 1604611026 | 1.00 | 1.20 | |
| Douille Caoutchouc | ||||
| 26 | 1600502020 | 2.18 | 2.62 | |
| Plus disponible, pas de remplacement | ||||
| 28 | 1600905021 | |||
| Vis A Tete Bombee Torx 4x20 | ||||
| 50 | 1619P00105 | 1.32 | 1.58 | |
| Vis | ||||
| 51 | 1619P00106 | 1.00 | 1.20 | |
| Plaque Intermediaire | ||||
| 105 | 1600591034 | 1.94 | 2.33 | |
| Enveloppe De Protection | ||||
| 652 | 2609000390 | 11.02 | 13.22 | |
| Capot De Protection | ||||
| 801 | 1600A025XP | 8.48 | 10.18 | |
| Cle A Ergots | ||||
| 802 | 1607950052 | 3.04 | 3.65 | |
| Bride De Fixation Ø22,3xØ42 MM | ||||
| 803 | 2605703014 | 4.58 | 5.50 | |
| Joint torique 20,35x1,78 MM | ||||
| 804 | 1600210039 | 1.90 | 2.28 | |
| Ecrou Cylindrique M14 | ||||
| 805 | 1603345043 | 7.32 | 8.78 | |
| Plus disponible, pas de remplacement | ||||
| 806 | 1607000994 | |||
| Plaque signalétique | ||||
| 808 | 160111A3H3 | 2.18 | 2.62 | |
| Jeu De Boitiers | ||||
| 810 | 1607000371 | 20.42 | 24.50 | |
| Épanouissement Polaire 230-240V | ||||
| 811 | 1607000723 | 30.08 | 36.10 | |
| Plus disponible, pas de remplacement | ||||
| 818 | 1607000993 | |||
| Plus disponible, pas de remplacement | ||||
| 830 | 1607000990 | |||
| Plus disponible, pas de remplacement | ||||
| 832 | 1607000992 | |||