Vous trouverez ici toutes les pièces et dessins disponibles du 'Bosch 0603383703 ( PST850PE )'. De là, vous pouvez commander directement toutes les pièces souhaitées. De nombreuses pièces doivent être commandées auprès du fabricant, selon la marque, cela prend une à quatre semaines. Toutes les informations dont nous disposons se trouvent sur notre site Web, nous ne pouvons pas vous conseiller sur ce dont vous avez besoin, pour cela vous devrez retourner la machine pour réparation. Veuillez noter ce qui suit lors de la commande:
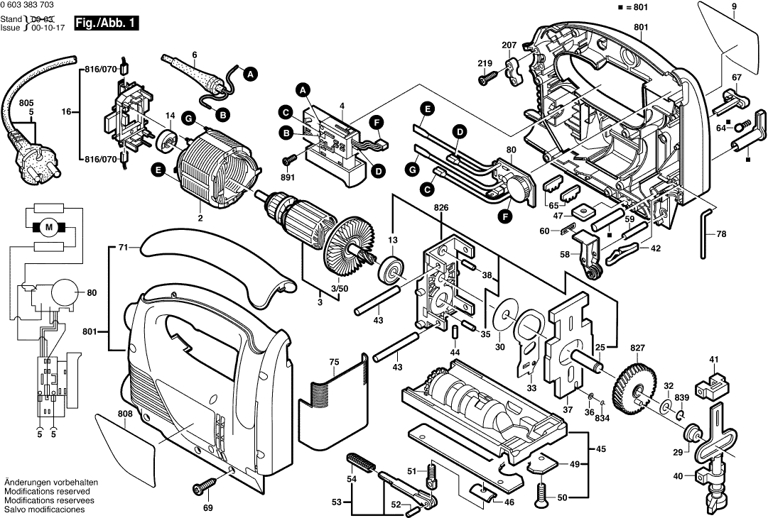
Dessins des Bosch 0603383703 ( PST850PE )
Liste de pièces de rechange des Bosch 0603383703 ( PST850PE )
| Pos. | Description | Prix hors TVA | Prix TTC | |
| Les prix affichés incluent la TVA | ||||
| Plus disponible, pas de remplacement | ||||
| 2 | 2604220655 | |||
| Induit 220-240V | ||||
| 3 | 2604011234 | 44.82 | 53.78 | |
| Ventilateur | ||||
| 3/50 | 2606610029 | 2.18 | 2.62 | |
| Commutateur ROUGE | ||||
| 4 | 2607200524 | 18.19 | 21.83 | |
| Manchon Ø6,4-Ø7,2x76 MM | ||||
| 6 | 2600703017 | 2.18 | 2.62 | |
| Plaque De Marque | ||||
| 9 | 2601117239 | 2.71 | 3.25 | |
| Plaque De Marque | ||||
| 9 | 2601116702 | 0.83 | 1.00 | |
| Roulement A Billes Rigide 9x24x7 | ||||
| 13 | 2600905021 | 7.32 | 8.78 | |
| Flasque-Palier | ||||
| 14 | 2605805008 | 4.58 | 5.50 | |
| Couronne Porte-Balais | ||||
| 16 | 1600A012AZ | 9.47 | 11.36 | |
| Axe D’articulation | ||||
| 25 | 2603105080 | 2.18 | 2.62 | |
| Douille à aiguilles | ||||
| 29 | 2600914022 | 5.96 | 7.15 | |
| Rondelle De Compensation 0,5 MM | ||||
| 30 | 2600101048 | 1.32 | 1.58 | |
| Rondelle De Compensation 0,5 MM | ||||
| 32 | 2600101077 | 1.32 | 1.58 | |
| Levier A Fourche | ||||
| 33 | 2601923012 | 3.71 | 4.45 | |
| Axe D’articulation | ||||
| 35 | 2603105091 | 2.18 | 2.62 | |
| Rondelle De Compensation 0,5 MM | ||||
| 36 | 2600100588 | 1.32 | 1.58 | |
| Contrepoids | ||||
| 37 | 2601098060 | 8.45 | 10.14 | |
| Aiguille 4x15,8 MM | ||||
| 38 | 1903201054 | 1.00 | 1.20 | |
| Plus disponible, pas de remplacement | ||||
| 40 | 2600780147 | |||
| Palier-Glisseur | ||||
| 41 | 2605801038 | 4.58 | 5.50 | |
| Ressort de compression | ||||
| 42 | 2604613004 | 1.32 | 1.58 | |
| Ressort De Compression | ||||
| 42 | 160461201E | 1.32 | 1.58 | |
| Aiguille | ||||
| 43 | 2603201089 | 5.27 | 6.32 | |
| Axe D’articulation | ||||
| 44 | 2603105084 | 1.90 | 2.28 | |
| Plus disponible, pas de remplacement | ||||
| 45 | 2601098081 | |||
| Plus disponible, pas de remplacement | ||||
| 46 | 2602317037 | |||
| Plaque De Fixation | ||||
| 47 | 2600040003 | 1.90 | 2.28 | |
| Plaque De Base | ||||
| 49 | 2601098050 | 5.83 | 7.00 | |
| Vis autotaradeuse p. défo | ||||
| 50 | 2603421014 | 1.32 | 1.58 | |
| Raccord Fileté | ||||
| 51 | 2603349011 | 5.27 | 6.32 | |
| Goupille Cylindrique 4M 6x10 N31A | ||||
| 52 | 2917850094 | 1.00 | 1.20 | |
| Levier De Tension | ||||
| 53 | 2602098016 | 7.32 | 8.78 | |
| Capuchon De Poignee | ||||
| 54 | 2600591013 | 1.70 | 2.04 | |
| Plus disponible, pas de remplacement | ||||
| 58 | 2601321051 | |||
| Goupille Cylindrique | ||||
| 59 | 2609002725 | 1.00 | 1.20 | |
| Plateau D’etancheite | ||||
| 60 | 2601015077 | 1.32 | 1.58 | |
| Capuchon A Crans D'arret | ||||
| 64 | 2600590006 | 1.32 | 1.58 | |
| Plus disponible, pas de remplacement | ||||
| 65 | 2601038111 | |||
| Poussoir De Commutation | ||||
| 67 | 2602026096 | 1.70 | 2.04 | |
| Vis 4x16 | ||||
| 69 | 2603490022 | 1.00 | 1.20 | |
| Poignee Couvercle | ||||
| 71 | 2608040148 | 5.33 | 6.40 | |
| Plus disponible, pas de remplacement | ||||
| 75 | 2605510169 | |||
| Goupille D’arret | ||||
| 78 | 2603105088 | 1.00 | 1.20 | |
| Regulateur De Vitesse 230V | ||||
| 80 | 2607233051 | 33.45 | 40.14 | |
| Support De Cable | ||||
| 207 | 2601035001 | 1.32 | 1.58 | |
| Vis 4x16 | ||||
| 219 | 2603490022 | 1.00 | 1.20 | |
| Coquille | ||||
| 801 | 2605104788 | 23.75 | 28.50 | |
| Câble d alimentation EU 230V 4,15m 2 x 1,0mm H05 | ||||
| 805 | 1607000386 | 17.60 | 21.12 | |
| Plaquette Indicatrice | ||||
| 808 | 2601117208 | 2.71 | 3.25 | |
| Jeu De Balais | ||||
| 816/070 | 2604321925 | 7.32 | 8.78 | |
| Console Terminale | ||||
| 826 | 2605807936 | 18.19 | 21.83 | |
| Roue Dentee A Excentrique | ||||
| 827 | 2606320904 | 18.19 | 21.83 | |
| Anneau de retenue DIN 471-4x0,4-FSt | ||||
| 834 | 2916640001 | 1.00 | 1.20 | |
| Anneau de retenue DIN 471-8x0,8 FSt | ||||
| 839 | 2916640005 | 1.00 | 1.20 | |
| Vis Empreinte Cruciforme M3x5 | ||||
| 891 | 2603410046 | 1.90 | 2.28 | |
| Fermeture | ||||
| 895 | 2601320027 | 2.52 | 3.02 | |