Vous trouverez ici toutes les pièces et dessins disponibles du 'Bosch 0603303603 ( PST700PAE )'. De là, vous pouvez commander directement toutes les pièces souhaitées. De nombreuses pièces doivent être commandées auprès du fabricant, selon la marque, cela prend une à quatre semaines. Toutes les informations dont nous disposons se trouvent sur notre site Web, nous ne pouvons pas vous conseiller sur ce dont vous avez besoin, pour cela vous devrez retourner la machine pour réparation. Veuillez noter ce qui suit lors de la commande:
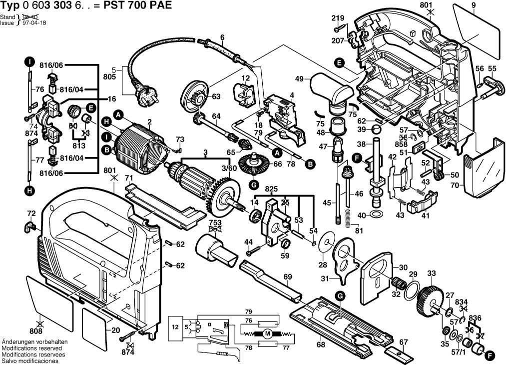
Dessins des Bosch 0603303603 ( PST700PAE )
Liste de pièces de rechange des Bosch 0603303603 ( PST700PAE )
| Pos. | Description | Prix hors TVA | Prix TTC | |
| Les prix affichés incluent la TVA | ||||
| Épanouissement Polaire 230-240V | ||||
| 2 | 2604220447 | 20.42 | 24.50 | |
| Induit 230V | ||||
| 3 | 2604010895 | 36.85 | 44.22 | |
| Ventilateur | ||||
| 3/60 | 2606610050 | 3.31 | 3.97 | |
| Interrupteur | ||||
| 4 | 2607200411 | 33.45 | 40.14 | |
| Plus disponible, pas de remplacement | ||||
| 6 | 2600703007 | |||
| Plaque De Marque CÔTÉ SOLEIL | ||||
| 9 | 2601118351 | 1.70 | 2.04 | |
| Plus disponible, pas de remplacement | ||||
| 12 | 2607329138 | |||
| Roulement A Billes Rigide 9x24x7 | ||||
| 14 | 2600905021 | 7.32 | 8.78 | |
| Plus disponible, pas de remplacement | ||||
| 16 | 2605807060 | |||
| Vis à tête cylindrique M3x6,5-4.8 | ||||
| 18 | 2603410001 | 1.32 | 1.58 | |
| Rondelle De Compensation 0,3 MM | ||||
| 27 | 2600101047 | 1.32 | 1.58 | |
| Rondelle De Compensation 0,5 MM | ||||
| 28 | 2600101048 | 1.32 | 1.58 | |
| Rondelle De Compensation 0,5 MM | ||||
| 29 | 2600102614 | 0.83 | 1.00 | |
| Contrepoids 5,5 MM | ||||
| 30 | 2601098025 | 4.70 | 5.64 | |
| Levier A Fourche | ||||
| 31 | 2601923009 | 3.31 | 3.97 | |
| Couronne D’aiguilles | ||||
| 32 | 2600913007 | 5.83 | 7.00 | |
| Roue Dentee A Excentrique Z=39 | ||||
| 33 | 2606320049 | 20.42 | 24.50 | |
| Bague Intermediaire | ||||
| 35 | 2600200035 | 1.18 | 1.42 | |
| Plus disponible, pas de remplacement | ||||
| 38 | 2600780060 | |||
| Bague En Metal Fritte | ||||
| 39 | 2600302009 | 1.94 | 2.33 | |
| Rondelle De Compensation 0,5 MM | ||||
| 40 | 2600101612 | 1.32 | 1.58 | |
| Plaque d’appui | ||||
| 41 | 2602316011 | 1.18 | 1.42 | |
| Plus disponible, pas de remplacement | ||||
| 42 | 2601322014 | |||
| Ressort De Compression | ||||
| 43 | 2604613000 | 1.32 | 1.58 | |
| Vis A Tete Bombee DIN 7985-M4x18-8.8-H | ||||
| 44 | 2910950128 | 0.83 | 1.00 | |
| Plus disponible, pas de remplacement | ||||
| 45 | 2603490004 | |||
| Plus disponible, pas de remplacement | ||||
| 46 | 2606491012 | |||
| Plus disponible, pas de remplacement | ||||
| 47 | 2606491010 | |||
| Plus disponible, pas de remplacement | ||||
| 48 | 2600451002 | |||
| Plus disponible, pas de remplacement | ||||
| 49 | 2608040073 | |||
| Plus disponible, pas de remplacement | ||||
| 50 | 2601321049 | |||
| Plateau D’etancheite | ||||
| 51 | 2601015057 | 2.52 | 3.02 | |
| Goupille Cylindrique | ||||
| 52 | 2609002725 | 1.00 | 1.20 | |
| Goupille Cylindrique DIN 6325-4m6x20 | ||||
| 53 | 2917530099 | 0.83 | 1.00 | |
| Rondelle De Compensation 0,5 MM | ||||
| 54 | 2600100510 | 2.18 | 2.62 | |
| Commutateur 230V NOIR | ||||
| 55 | 2602026055 | 2.71 | 3.25 | |
| Capuchon A Crans D'arret | ||||
| 56 | 2600590006 | 1.32 | 1.58 | |
| Rondelle De Compensation 0,5 MM | ||||
| 57 | 2600100568 | 1.32 | 1.58 | |
| Rondelle De Compensation 0,3 MM | ||||
| 57 | 2600100607 | 1.32 | 1.58 | |
| Rondelle De Compensation | ||||
| 57 | 2600100572 | 1.18 | 1.42 | |
| Segment de retenue | ||||
| 59 | 2600400030 | 1.18 | 1.42 | |
| Axe D’articulation | ||||
| 62 | 2603201020 | 1.00 | 1.20 | |
| Poignee De Manoeuvre | ||||
| 63 | 2608040074 | 2.24 | 2.69 | |
| Plus disponible, pas de remplacement | ||||
| 64 | 2606491013 | |||
| Plus disponible, pas de remplacement | ||||
| 65 | 2606333029 | |||
| Plus disponible, pas de remplacement | ||||
| 66 | 2606333028 | |||
| Plus disponible, pas de remplacement | ||||
| 67 | 2602317028 | |||
| Plus disponible, pas de remplacement | ||||
| 68 | 2601016073 | |||
| Plus disponible, pas de remplacement | ||||
| 69 | 2605730037 | |||
| Capot de recouvrement | ||||
| 70 | 2605510149 | 1.94 | 2.33 | |
| Piece D’insertion | ||||
| 71 | 2608040075 | 1.70 | 2.04 | |
| Capuchon De Fermeture | ||||
| 72 | 2608040077 | 1.18 | 1.42 | |
| Ressort De Contact | ||||
| 73 | 2601329047 | 1.18 | 1.42 | |
| Plus disponible, pas de remplacement | ||||
| 75 | 2603100055 | |||
| Cable De Connexion L=50 MM BLANC | ||||
| 76 | 2604448190 | 2.71 | 3.25 | |
| Plus disponible, pas de remplacement | ||||
| 77 | 2604448123 | |||
| Cable De Connexion L=213 MM BLEU | ||||
| 78 | 2604448118 | 1.32 | 1.58 | |
| Cable De Connexion L=263MM BLEU | ||||
| 79 | 2604448119 | 1.18 | 1.42 | |
| Ressort De Compression | ||||
| 81 | 2604610040 | 1.32 | 1.58 | |
| Plus disponible, pas de remplacement | ||||
| 753 | 2600499032 | |||
| Coquille VERT | ||||
| 801 | 2605104853 | 44.82 | 53.78 | |
| Plus disponible, pas de remplacement | ||||
| 805 | 1607000389 | |||
| Plaque signalétique | ||||
| 808 | 2601119252 | 2.71 | 3.25 | |
| Plus disponible, pas de remplacement | ||||
| 813 | 2600917902 | |||
| Jeu De Balais | ||||
| 816/04 | 2604321905 | 9.47 | 11.36 | |
| Capuchon A Crans D'arret | ||||
| 816/06 | 2601322013 | 1.32 | 1.58 | |
| Capuchon A Crans D'arret | ||||
| 816/06 | 2601329051 | 1.32 | 1.58 | |
| Console Terminale | ||||
| 825 | 2605807925 | 11.88 | 14.26 | |
| Anneau D’arret DIN 6799-6-FST | ||||
| 834 | 2916080909 | 1.00 | 1.20 | |
| Douille à aiguilles | ||||
| 836 | 2600917900 | 7.32 | 8.78 | |
| Plus disponible, pas de remplacement | ||||
| 858 | 2916080008 | |||
| Vis à Tôle DIN 7981-ST3,9x19-C-H | ||||
| 874 | 2910611020 | 1.32 | 1.58 | |