Vous trouverez ici toutes les pièces et dessins disponibles du 'Bosch 0603379063 ( PST550 )'. De là, vous pouvez commander directement toutes les pièces souhaitées. De nombreuses pièces doivent être commandées auprès du fabricant, selon la marque, cela prend une à quatre semaines. Toutes les informations dont nous disposons se trouvent sur notre site Web, nous ne pouvons pas vous conseiller sur ce dont vous avez besoin, pour cela vous devrez retourner la machine pour réparation. Veuillez noter ce qui suit lors de la commande:
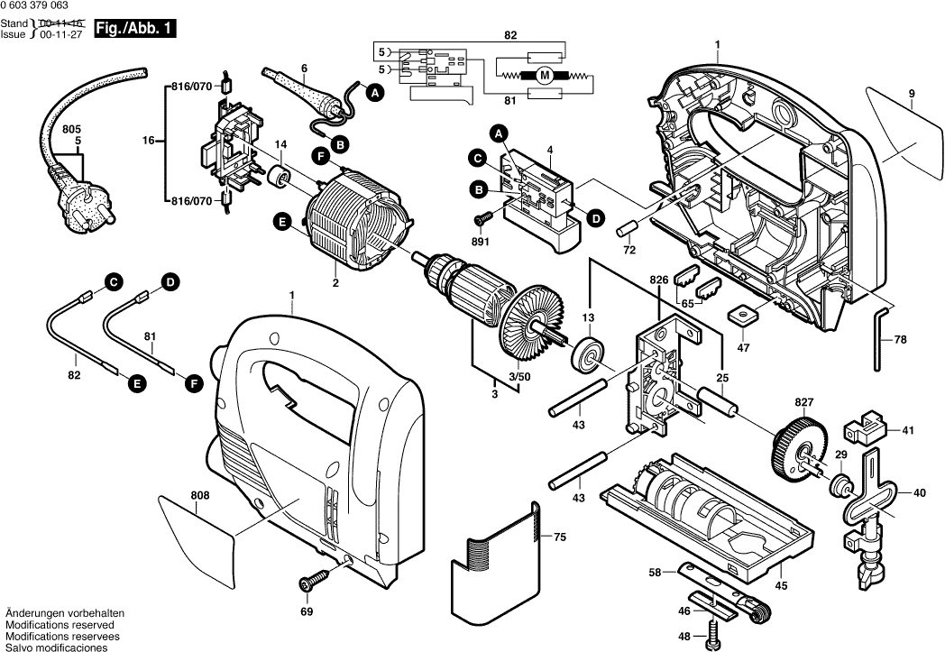
Dessins des Bosch 0603379063 ( PST550 )
Liste de pièces de rechange des Bosch 0603379063 ( PST550 )
| Pos. | Description | Prix hors TVA | Prix TTC | |
| Les prix affichés incluent la TVA | ||||
| Coquille | ||||
| 1 | 2605105900 | 36.85 | 44.22 | |
| Plus disponible, pas de remplacement | ||||
| 2 | 2604220601 | |||
| Induit 230-240V | ||||
| 3 | 2604011231 | 29.75 | 35.70 | |
| Ventilateur | ||||
| 3/50 | 2606610097 | 3.04 | 3.65 | |
| Plus disponible, pas de remplacement | ||||
| 4 | 2607200523 | |||
| Manchon Ø6,4-Ø7,2x76 MM | ||||
| 6 | 2600703017 | 2.18 | 2.62 | |
| Plaque De Marque | ||||
| 9 | 2601117899 | 2.18 | 2.62 | |
| Roulement A Billes Rigide 9x24x7 | ||||
| 13 | 2600905021 | 7.32 | 8.78 | |
| Douille à aiguilles | ||||
| 14 | 2600917002 | 3.04 | 3.65 | |
| Couronne Porte-Balais | ||||
| 16 | 1600A012AZ | 9.47 | 11.36 | |
| Axe D’articulation | ||||
| 25 | 2603105083 | 2.52 | 3.02 | |
| Plus disponible, pas de remplacement | ||||
| 29 | 2605801044 | |||
| Plus disponible, pas de remplacement | ||||
| 40 | 2600780145 | |||
| Palier-Glisseur | ||||
| 41 | 2605801038 | 4.58 | 5.50 | |
| Aiguille | ||||
| 43 | 2603201089 | 5.27 | 6.32 | |
| Plus disponible, pas de remplacement | ||||
| 45 | 2601016080 | |||
| Baguette Profilee | ||||
| 46 | 2601032021 | 2.18 | 2.62 | |
| Plaque De Fixation | ||||
| 47 | 2600040003 | 1.90 | 2.28 | |
| Vis à tête cylindrique | ||||
| 48 | 2603413034 | 1.32 | 1.58 | |
| Plus disponible, pas de remplacement | ||||
| 58 | 2601321063 | |||
| Plus disponible, pas de remplacement | ||||
| 65 | 2601038111 | |||
| Vis 4x16 | ||||
| 69 | 2603490022 | 1.00 | 1.20 | |
| Tampon En Caoutchouc | ||||
| 72 | 2603100056 | 1.32 | 1.58 | |
| Plus disponible, pas de remplacement | ||||
| 75 | 2605510169 | |||
| Goupille D’arret | ||||
| 78 | 2603105088 | 1.00 | 1.20 | |
| Cable De Connexion L=243 MM BLANC | ||||
| 81 | 2604448033 | 1.18 | 1.42 | |
| Cable De Connexion L=220 MM BLEU | ||||
| 82 | 2604448232 | 1.90 | 2.28 | |
| Câble d alimentation EU 230V 4,15m 2 x 1,0mm H05 | ||||
| 805 | 1607000386 | 17.60 | 21.12 | |
| Plaquette Indicatrice | ||||
| 808 | 2601117926 | 2.71 | 3.25 | |
| Jeu De Balais | ||||
| 816/070 | 2604321925 | 7.32 | 8.78 | |
| Console Terminale | ||||
| 826 | 2605807935 | 18.19 | 21.83 | |
| Plus disponible, pas de remplacement | ||||
| 827 | 2606320903 | |||
| Vis Empreinte Cruciforme M3x5 | ||||
| 891 | 2603410046 | 1.90 | 2.28 | |