Vous trouverez ici toutes les pièces et dessins disponibles du 'Bosch 0603229203 ( PST53A )'. De là, vous pouvez commander directement toutes les pièces souhaitées. De nombreuses pièces doivent être commandées auprès du fabricant, selon la marque, cela prend une à quatre semaines. Toutes les informations dont nous disposons se trouvent sur notre site Web, nous ne pouvons pas vous conseiller sur ce dont vous avez besoin, pour cela vous devrez retourner la machine pour réparation. Veuillez noter ce qui suit lors de la commande:
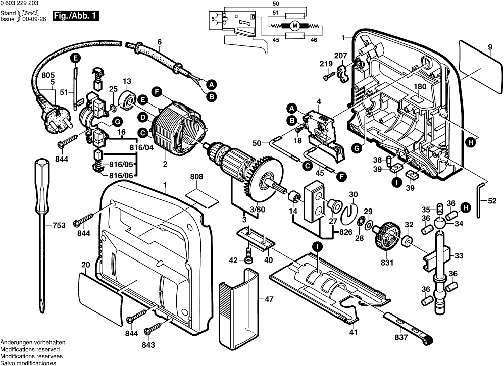
Dessins des Bosch 0603229203 ( PST53A )
Liste de pièces de rechange des Bosch 0603229203 ( PST53A )
| Pos. | Description | Prix hors TVA | Prix TTC | |
| Les prix affichés incluent la TVA | ||||
| Coquille VERT | ||||
| 1 | 2605104526 | 15.71 | 18.85 | |
| Épanouissement Polaire 230-240V | ||||
| 2 | 2604220568 | 12.41 | 14.89 | |
| Induit 230V | ||||
| 3 | 2604011097 | 33.45 | 40.14 | |
| Ventilateur | ||||
| 3/60 | 1619P11262 | 2.52 | 3.02 | |
| Plus disponible, pas de remplacement | ||||
| 4 | 2607200365 | |||
| Plus disponible, pas de remplacement | ||||
| 6 | 2600703007 | |||
| Plaque De Marque | ||||
| 9 | 2601118893 | 2.71 | 3.25 | |
| Roulement A Billes Rigide 8x19x6 | ||||
| 13 | 2600905046 | 9.47 | 11.36 | |
| Roulement A Aiguilles Ø8x8 MM | ||||
| 14 | 2600917003 | 2.52 | 3.02 | |
| Plus disponible, pas de remplacement | ||||
| 16 | 2604337118 | |||
| Vis à tête cylindrique M3x6,5-4.8 | ||||
| 18 | 2603410001 | 1.32 | 1.58 | |
| Plaquette Indicatrice CÔTÉ OMBRE | ||||
| 20 | 2601118894 | 2.71 | 3.25 | |
| Joint torique 5,0x1,5 MM | ||||
| 25 | 1900210000 | 1.32 | 1.58 | |
| Plus disponible, pas de remplacement | ||||
| 27 | 2600322003 | |||
| Rondelle Elastique | ||||
| 28 | 2600190040 | 1.18 | 1.42 | |
| Rondelle De Compensation 0,5 MM | ||||
| 29 | 2600100505 | 0.83 | 1.00 | |
| Rondelle De Compensation 0,2 MM | ||||
| 30 | 2600040001 | 1.18 | 1.42 | |
| Plus disponible, pas de remplacement | ||||
| 32 | 2600301014 | |||
| Tringle De Course | ||||
| 33 | 2600780073 | 15.71 | 18.85 | |
| Plus disponible, pas de remplacement | ||||
| 34 | 2600302008 | |||
| Vis De Serrage | ||||
| 35 | 2603400000 | 3.71 | 4.45 | |
| Plus disponible, pas de remplacement | ||||
| 36 | 2603239006 | |||
| Plus disponible, pas de remplacement | ||||
| 38 | 2603120037 | |||
| Plus disponible, pas de remplacement | ||||
| 39 | 2601030006 | |||
| Baguette Profilee | ||||
| 40 | 2601032017 | 1.32 | 1.58 | |
| Plaque D’embase | ||||
| 41 | 2601016012 | 7.32 | 8.78 | |
| Vis à tête cylindrique DIN 84-AM4x14-5.8 | ||||
| 42 | 2910011124 | 0.83 | 1.00 | |
| Cable De Connexion L=213 MM BLEU | ||||
| 45 | 2604448118 | 1.32 | 1.58 | |
| Plus disponible, pas de remplacement | ||||
| 47 | 2605510052 | |||
| Cable De Connexion L=263MM BLEU | ||||
| 50 | 2604448119 | 1.18 | 1.42 | |
| Plus disponible, pas de remplacement | ||||
| 51 | 2604448123 | |||
| Plus disponible, pas de remplacement | ||||
| 52 | 2603105051 | |||
| Support De Cable | ||||
| 207 | 2601035001 | 1.32 | 1.58 | |
| Câble d alimentation EU 2,65m 2 x 1,0mm H05 RN-F | ||||
| 805 | 1607000388 | 10.68 | 12.82 | |
| Plaque signalétique | ||||
| 808 | 160111A3H3 | 2.18 | 2.62 | |
| Plus disponible, pas de remplacement | ||||
| 816/04 | 2604321917 | |||
| Ressort De Compression | ||||
| 816/05 | 2604610026 | 2.18 | 2.62 | |
| Capuchon A Crans D'arret | ||||
| 816/06 | 2601322013 | 1.32 | 1.58 | |
| Capuchon A Crans D'arret | ||||
| 816/06 | 2601329051 | 1.32 | 1.58 | |
| Plus disponible, pas de remplacement | ||||
| 826 | 2605807918 | |||
| Plus disponible, pas de remplacement | ||||
| 831 | 2606316900 | |||
| Etrier de blocage | ||||
| 837 | 2608135901 | 9.47 | 11.36 | |
| Vis à Tôle DIN 7981-ST3,9x13-C-H | ||||
| 843 | 2910611018 | 1.32 | 1.58 | |
| Vis à Tôle DIN 7981-ST3,9x19-C-H | ||||
| 844 | 2910611020 | 1.32 | 1.58 | |