Vous trouverez ici toutes les pièces et dessins disponibles du 'Bosch 0603285508 ( PSS28AE )'. De là, vous pouvez commander directement toutes les pièces souhaitées. De nombreuses pièces doivent être commandées auprès du fabricant, selon la marque, cela prend une à quatre semaines. Toutes les informations dont nous disposons se trouvent sur notre site Web, nous ne pouvons pas vous conseiller sur ce dont vous avez besoin, pour cela vous devrez retourner la machine pour réparation. Veuillez noter ce qui suit lors de la commande:
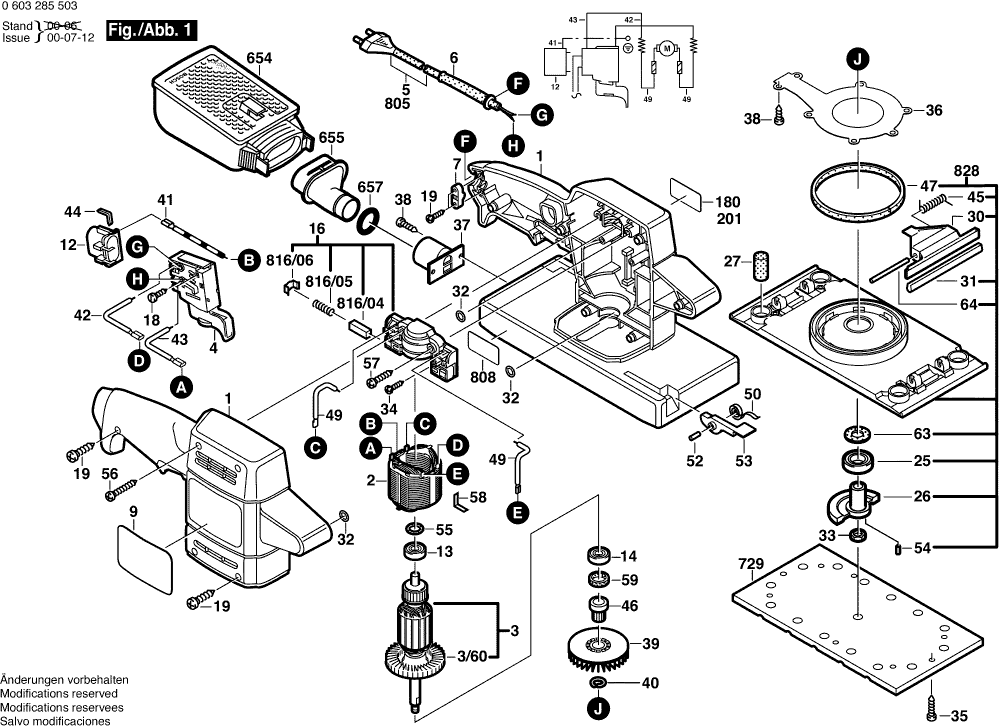
Dessins des Bosch 0603285508 ( PSS28AE )
Liste de pièces de rechange des Bosch 0603285508 ( PSS28AE )
| Pos. | Description | Prix hors TVA | Prix TTC | |
| Les prix affichés incluent la TVA | ||||
| Coquille VERT | ||||
| 1 | 2605104542 | 36.85 | 44.22 | |
| Épanouissement Polaire 220-240V | ||||
| 2 | 2604220476 | 26.84 | 32.21 | |
| Induit 230-240V | ||||
| 3 | 2604011057 | 49.56 | 59.47 | |
| Ventilateur | ||||
| 3/60 | 2606610062 | 2.71 | 3.25 | |
| Commutateur | ||||
| 4 | 2607200222 | 44.82 | 53.78 | |
| Plus disponible, pas de remplacement | ||||
| 6 | 2600703007 | |||
| Support De Cable | ||||
| 7 | 2601035001 | 1.32 | 1.58 | |
| Plaque De Marque | ||||
| 9 | 2601117753 | 2.71 | 3.25 | |
| Plus disponible, pas de remplacement | ||||
| 12 | 2607329114 | |||
| Roulement A Billes Rigide 7x19x6 | ||||
| 13 | 1900905044 | 6.53 | 7.84 | |
| Roulement A Billes Rigide 8x22x7 | ||||
| 14 | 1900905041 | 11.02 | 13.22 | |
| Plus disponible, pas de remplacement | ||||
| 16 | 2609992604 | |||
| Vis à tête cylindrique M3x6,5-4.8 | ||||
| 18 | 2603410001 | 1.32 | 1.58 | |
| Vis 4x16 | ||||
| 19 | 2603490022 | 1.00 | 1.20 | |
| Roulement A Billes Rigide 15x32x9 | ||||
| 25 | 2600905068 | 12.21 | 14.65 | |
| Disque Excentrique | ||||
| 26 | 2600499037 | 13.93 | 16.72 | |
| Plus disponible, pas de remplacement | ||||
| 27 | 2603100050 | |||
| Levier De Tension | ||||
| 30 | 2601923007 | 2.24 | 2.69 | |
| Plus disponible, pas de remplacement | ||||
| 31 | 2601099030 | |||
| Joint torique 5,0x1,5 MM | ||||
| 32 | 1900210000 | 1.32 | 1.58 | |
| Plus disponible, pas de remplacement | ||||
| 33 | 2603300013 | |||
| Vis A Tete Bombee Torx 3x18 | ||||
| 34 | 2603490018 | 1.00 | 1.20 | |
| Vis autotaradeuse p. défo M4x8 | ||||
| 35 | 2603410048 | 1.32 | 1.58 | |
| Tole De Protection | ||||
| 36 | 2600034004 | 3.31 | 3.97 | |
| Plus disponible, pas de remplacement | ||||
| 37 | 2605702018 | |||
| Vis A Tete Bombee Torx 4x8 | ||||
| 38 | 2603490020 | 1.00 | 1.20 | |
| Ventilateur | ||||
| 39 | 2606610026 | 2.24 | 2.69 | |
| Rondelle élastique DIN 127-A6-FST | ||||
| 40 | 2916680033 | 1.18 | 1.42 | |
| Conducteur De Terre | ||||
| 41 | 2604448097 | 1.32 | 1.58 | |
| Plus disponible, pas de remplacement | ||||
| 42 | 2604448045 | |||
| Cable L=249 MM BLEU | ||||
| 43 | 2604448057 | 1.18 | 1.42 | |
| Plus disponible, pas de remplacement | ||||
| 44 | 2601022000 | |||
| Ressort Action Angulaire | ||||
| 45 | 2604651008 | 1.94 | 2.33 | |
| Douille Entretoise | ||||
| 46 | 2600320018 | 1.70 | 2.04 | |
| Plus disponible, pas de remplacement | ||||
| 47 | 2601005014 | |||
| Cable De Connexion L=115 MM BLANC | ||||
| 49 | 2604448109 | 1.00 | 1.20 | |
| Ressort Spiral | ||||
| 50 | 1604652004 | 2.18 | 2.62 | |
| Goupille Cylindr. Fendue | ||||
| 52 | 2604681001 | 1.18 | 1.42 | |
| Levier De Commande | ||||
| 53 | 2602010000 | 2.24 | 2.69 | |
| Rouleau Cylindrique | ||||
| 54 | 2603200022 | 1.18 | 1.42 | |
| Joint torique 65,7x1,78 MM | ||||
| 55 | 2600210042 | 1.70 | 2.04 | |
| Vis A Tete Bombee Torx 4x25 | ||||
| 56 | 2603490024 | 1.32 | 1.58 | |
| Vis A Tete Bombee Torx 4x20 | ||||
| 57 | 2603490023 | 1.00 | 1.20 | |
| Ressort De Contact | ||||
| 58 | 2601329057 | 2.18 | 2.62 | |
| joint d’étanchéité | ||||
| 59 | 2600290029 | 2.24 | 2.69 | |
| joint d’étanchéité | ||||
| 63 | 2600290028 | 2.24 | 2.69 | |
| Goupille Cylindrique | ||||
| 64 | 2603201085 | 1.32 | 1.58 | |
| Plus disponible, pas de remplacement | ||||
| 654 | 2605411121 | |||
| Raccord | ||||
| 655 | 2605702035 | 2.71 | 3.25 | |
| Joint torique 20,0x1,5 MM | ||||
| 657 | 1610210075 | 2.18 | 2.62 | |
| Plaque De Fermeture | ||||
| 729 | 2608000107 | 0.83 | 1.00 | |
| Câble d alimentation EU 2,65m 2 x 1,0mm H05 RN-F | ||||
| 805 | 1607000388 | 10.68 | 12.82 | |
| Plaque de marquage | ||||
| 808 | 2601117776 | 2.71 | 3.25 | |
| Plus disponible, pas de remplacement | ||||
| 816/04 | 2607014001 | |||
| Ressort De Compression | ||||
| 816/05 | 2604610026 | 2.18 | 2.62 | |
| Capuchon A Crans D'arret | ||||
| 816/06 | 2601322013 | 1.32 | 1.58 | |
| Plaque Vibrante | ||||
| 828 | 2608000916 | 55.25 | 66.30 | |