Vous trouverez ici toutes les pièces et dessins disponibles du 'Bosch 0603926703 ( PSB9,6VE )'. De là, vous pouvez commander directement toutes les pièces souhaitées. De nombreuses pièces doivent être commandées auprès du fabricant, selon la marque, cela prend une à quatre semaines. Toutes les informations dont nous disposons se trouvent sur notre site Web, nous ne pouvons pas vous conseiller sur ce dont vous avez besoin, pour cela vous devrez retourner la machine pour réparation. Veuillez noter ce qui suit lors de la commande:
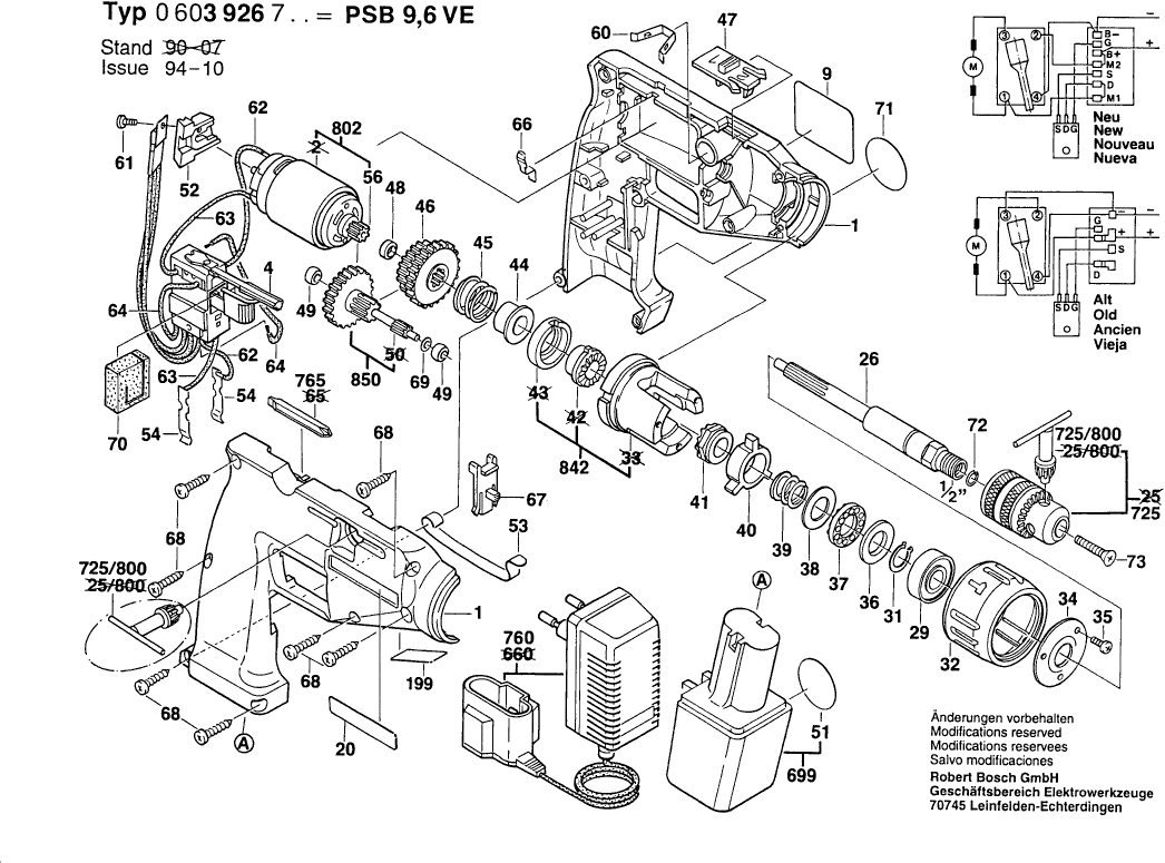
Dessins des Bosch 0603926703 ( PSB9,6VE )
Liste de pièces de rechange des Bosch 0603926703 ( PSB9,6VE )
| Pos. | Description | Prix hors TVA | Prix TTC | |
| Les prix affichés incluent la TVA | ||||
| Coquille VERT | ||||
| 1 | 2605104356 | 15.71 | 18.85 | |
| Interrupteur | ||||
| 4 | 2607200302 | 45.52 | 54.62 | |
| Etiquette Adhesive CÔTÉ SOLEIL | ||||
| 9 | 2601110986 | 1.70 | 2.04 | |
| Etiquette Adhesive CÔTÉ OMBRE | ||||
| 20 | 2601110606 | 1.18 | 1.42 | |
| Broche De Percage 1/2",SW 11,1/4" | ||||
| 26 | 2606135031 | 23.75 | 28.50 | |
| Roulement A Billes Rigide 15x32x9 | ||||
| 29 | 1900905122 | 8.48 | 10.18 | |
| Etrier D’arret DIN 471-15x1-FSt | ||||
| 31 | 2916650006 | 1.32 | 1.58 | |
| Bague De Reglage | ||||
| 32 | 2600451000 | 5.33 | 6.40 | |
| Rondelle D’arret | ||||
| 34 | 2600190048 | 1.18 | 1.42 | |
| Vis autotaradeuse p. défo DIN 7500 C M 3x8 MM | ||||
| 35 | 2603490003 | 1.18 | 1.42 | |
| Bague Pour Palier | ||||
| 36 | 2600190049 | 8.45 | 10.14 | |
| Cage A Billes | ||||
| 37 | 2600923001 | 2.71 | 3.25 | |
| Rondelle De Compensation 1,5 MM | ||||
| 38 | 2600101668 | 2.52 | 3.02 | |
| Ressort De Compression | ||||
| 39 | 2604617000 | 2.18 | 2.62 | |
| Bague D’appui | ||||
| 40 | 2600290021 | 4.70 | 5.64 | |
| Disque Troue | ||||
| 41 | 2606490049 | 10.73 | 12.88 | |
| Frappeur | ||||
| 44 | 2600322045 | 3.31 | 3.97 | |
| Ressort De Compression | ||||
| 45 | 2604618000 | 1.94 | 2.33 | |
| Roue Cylindrique Z=58/67 | ||||
| 46 | 1609340007 | 12.21 | 14.65 | |
| Curseur De Reglage NOIR | ||||
| 47 | 2601099027 | 1.18 | 1.42 | |
| Bague En Metal Fritte | ||||
| 48 | 2600301011 | 1.32 | 1.58 | |
| Bague En Metal Fritte | ||||
| 49 | 2600302002 | 1.32 | 1.58 | |
| Plus disponible, pas de remplacement | ||||
| 51 | 2601110461 | |||
| Refroidisseur | ||||
| 52 | 2605715000 | 3.31 | 3.97 | |
| Plus disponible, pas de remplacement | ||||
| 53 | 2601251003 | |||
| Ressort De Contact | ||||
| 54 | 2601324012 | 1.32 | 1.58 | |
| Pignon Z=14 | ||||
| 56 | 2606316120 | 5.83 | 7.00 | |
| Plus disponible, pas de remplacement | ||||
| 60 | 2601250003 | |||
| Vis A Tete Bombee DIN 7985-M3x8-4.8 | ||||
| 61 | 2910641050 | 1.00 | 1.20 | |
| Cable De Connexion | ||||
| 62 | 2604413009 | 0.83 | 1.00 | |
| Cable De Connexion L=52 MM BLANC | ||||
| 63 | 2604413005 | 1.18 | 1.42 | |
| Cable De Connexion L=79 MM BLANC | ||||
| 64 | 2604413004 | 1.18 | 1.42 | |
| Ressort De Maintien | ||||
| 66 | 2601250002 | 1.18 | 1.42 | |
| Levier De Verrouillage 36,5 MM | ||||
| 67 | 2601099026 | 1.18 | 1.42 | |
| Vis à Tôle DIN 7981-ST3,9x16-C-H | ||||
| 68 | 2910611019 | 2.52 | 3.02 | |
| Rondelle De Compensation 0,3 MM ÉPAIS | ||||
| 69 | 2600100636 | 1.18 | 1.42 | |
| Plus disponible, pas de remplacement | ||||
| 70 | 2601010038 | |||
| Etiquette Adhesive JAUNE | ||||
| 71 | 2601110230 | 1.18 | 1.42 | |
| Anneau élastique | ||||
| 72 | 2604601004 | 1.32 | 1.58 | |
| Plus disponible, pas de remplacement | ||||
| 73 | 2603421209 | |||
| Plus disponible, pas de remplacement | ||||
| 199 | 1601110265 | |||
| Plus disponible, pas de remplacement | ||||
| 699 | 2607335203 | |||
| Pas d'informations disponibles, non commandable | ||||
| 725 | 1608571068 | |||
| Pas d'informations disponibles, non commandable | ||||
| 725/800 | 1607950053 | |||
| Plus disponible, pas de remplacement | ||||
| 760 | 2607224030 | |||
| Lame De Tournevis 6 MM | ||||
| 765 | 1609200147 | 3.04 | 3.65 | |
| Moteur à Courant Continu 9,6-12V | ||||
| 802 | 2607022921 | 29.75 | 35.70 | |
| Rondelle A Crans | ||||
| 842 | 2606490915 | 26.84 | 32.21 | |
| Arbre Dentele Z= 10/19/63 | ||||
| 850 | 2606308914 | 15.71 | 18.85 | |
| Pas d'informations disponibles, non commandable | ||||
| 899 | 0603926727 | |||