Vous trouverez ici toutes les pièces et dessins disponibles du 'Bosch 0603161508 ( PSB680-2RE )'. De là, vous pouvez commander directement toutes les pièces souhaitées. De nombreuses pièces doivent être commandées auprès du fabricant, selon la marque, cela prend une à quatre semaines. Toutes les informations dont nous disposons se trouvent sur notre site Web, nous ne pouvons pas vous conseiller sur ce dont vous avez besoin, pour cela vous devrez retourner la machine pour réparation. Veuillez noter ce qui suit lors de la commande:
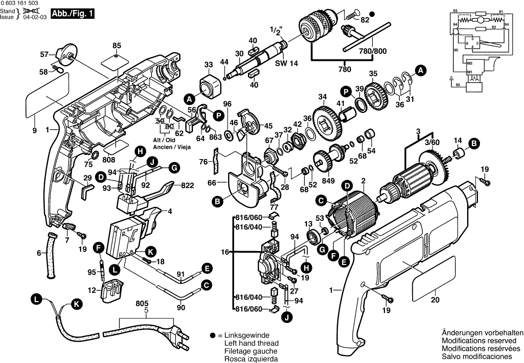
Dessins des Bosch 0603161508 ( PSB680-2RE )
Liste de pièces de rechange des Bosch 0603161508 ( PSB680-2RE )
| Pos. | Description | Prix hors TVA | Prix TTC | |
| Les prix affichés incluent la TVA | ||||
| Coquille VERT | ||||
| 1 | 2605104506 | 15.71 | 18.85 | |
| Épanouissement Polaire 230V | ||||
| 2 | 2604220647 | 17.60 | 21.12 | |
| Plaque De Marque 230-240V | ||||
| 3 | 2604011090 | 36.85 | 44.22 | |
| Ventilateur | ||||
| 3/60 | 2606610029 | 2.18 | 2.62 | |
| Commutateur | ||||
| 4 | 2607200190 | 55.56 | 66.67 | |
| Manchon Ø6,9 MM | ||||
| 6 | 2600707059 | 3.04 | 3.65 | |
| Support De Cable | ||||
| 7 | 2601035001 | 1.32 | 1.58 | |
| Plaque De Marque CÔTÉ SOLEIL | ||||
| 9 | 2601118844 | 2.71 | 3.25 | |
| Plus disponible, pas de remplacement | ||||
| 12 | 2607329114 | |||
| Roulement A Billes 7x19x6 | ||||
| 13 | 2600905032 | 4.58 | 5.50 | |
| Douille à aiguilles | ||||
| 14 | 2600914019 | 4.58 | 5.50 | |
| Plus disponible, pas de remplacement | ||||
| 16 | 2605807060 | |||
| Vis à tête cylindrique M3x6,5-4.8 | ||||
| 18 | 2603410001 | 1.32 | 1.58 | |
| Vis 4x16 | ||||
| 19 | 2603490022 | 1.00 | 1.20 | |
| Plaquette Indicatrice CÔTÉ OMBRE | ||||
| 20 | 2601118563 | 1.94 | 2.33 | |
| Vis A Tete Bombee Torx 3x10 | ||||
| 27 | 2603490017 | 1.90 | 2.28 | |
| Vis A Tete Bombee | ||||
| 28 | 2603429006 | 1.18 | 1.42 | |
| Plus disponible, pas de remplacement | ||||
| 29 | 2601022000 | |||
| Broche De Percage 1/2" | ||||
| 30 | 2606135072 | 13.93 | 16.72 | |
| Anneau D’arret 0,3 MM | ||||
| 31 | 2600118006 | 1.70 | 2.04 | |
| Anneau D’arret 0,8 MM | ||||
| 31 | 2600118002 | 1.32 | 1.58 | |
| Anneau D’arret 0,6 MM | ||||
| 31 | 2600118001 | 1.00 | 1.20 | |
| Ressort De Compression | ||||
| 32 | 2604616006 | 1.32 | 1.58 | |
| Bague En Metal Fritte 14,7-0,15 | ||||
| 33 | 2600301031 | 3.71 | 4.45 | |
| Roue Cylindrique | ||||
| 34 | 2606317082 | 10.73 | 12.88 | |
| Roue Cylindrique | ||||
| 35 | 2606317083 | 9.47 | 11.36 | |
| Rondelle De Compensation 1,0 MM | ||||
| 36 | 2600101515 | 1.00 | 1.20 | |
| Rondelle De Compensation 0,3 MM | ||||
| 37 | 2600101047 | 1.32 | 1.58 | |
| Rondelle D’arret | ||||
| 39 | 2600101084 | 1.32 | 1.58 | |
| Clavette Mince | ||||
| 40 | 2602300034 | 1.94 | 2.33 | |
| Tole De Soutien | ||||
| 41 | 2601098031 | 1.32 | 1.58 | |
| Rondelle D’arret | ||||
| 42 | 2600190070 | 5.27 | 6.32 | |
| Bille DIN 5401-5,5MM-III-ST | ||||
| 44 | 1903230010 | 1.00 | 1.20 | |
| Plus disponible, pas de remplacement | ||||
| 45 | 2601990001 | |||
| Plateau De Pression | ||||
| 46 | 2601074003 | 1.00 | 1.20 | |
| Rondelle De Compensation 0,3 MM | ||||
| 52 | 2600100607 | 1.32 | 1.58 | |
| Bague Entretoise | ||||
| 53 | 2600209012 | 1.18 | 1.42 | |
| Coussinet-Douille | ||||
| 54 | 2600400027 | 3.71 | 4.45 | |
| Levier A Fourche | ||||
| 56 | 2601990009 | 1.00 | 1.20 | |
| Tete Tournante | ||||
| 57 | 2602026091 | 4.10 | 4.92 | |
| Capuchon A Crans D'arret | ||||
| 58 | 2600590006 | 1.32 | 1.58 | |
| Tenon D’entrainement | ||||
| 62 | 2601335001 | 1.90 | 2.28 | |
| Rondelle D’ajustage | ||||
| 64 | 2600100618 | 1.00 | 1.20 | |
| Console Terminale | ||||
| 66 | 2605807073 | 7.58 | 9.10 | |
| Rondelle D’arret | ||||
| 67 | 2600190071 | 5.96 | 7.15 | |
| Roulement A Aiguilles Ø6 MM | ||||
| 68 | 2600914010 | 2.52 | 3.02 | |
| Joint torique 5,0x1,5 MM | ||||
| 75 | 1900210000 | 1.32 | 1.58 | |
| Bande De Feutre | ||||
| 76 | 2601005011 | 1.70 | 2.04 | |
| Bande De Feutre | ||||
| 77 | 2601005016 | 1.18 | 1.42 | |
| Vis à tête fraisée M6x27 FILET À GAUCHE | ||||
| 82 | 2603421226 | 1.32 | 1.58 | |
| Etiquette Adhesive | ||||
| 85 | 2601110117 | 1.18 | 1.42 | |
| Plus disponible, pas de remplacement | ||||
| 90 | 2604448060 | |||
| Plus disponible, pas de remplacement | ||||
| 91 | 2604448045 | |||
| Cable De Connexion L=88 MM BLANC | ||||
| 92 | 2604448034 | 1.32 | 1.58 | |
| Cable De Connexion L=103 MM BLEU | ||||
| 93 | 2604448132 | 1.00 | 1.20 | |
| Cable De Raccordement L=73 MM BLANC | ||||
| 94 | 2604448115 | 1.00 | 1.20 | |
| Plus disponible, pas de remplacement | ||||
| 95 | 2604448170 | |||
| Rondelle plate | ||||
| 96 | 2600100066 | 1.00 | 1.20 | |
| Poignee Auxiliaire M10 | ||||
| 753 | 1619PB4323 | 8.48 | 10.18 | |
| Ecrou Hex | ||||
| 753/20 | 2915011007 | 1.00 | 1.20 | |
| Vis A Oreilles M6x(15)55 | ||||
| 753/30 | 1613480007 | 1.32 | 1.58 | |
| Plus disponible, pas de remplacement | ||||
| 753/50 | 2608040014 | |||
| Vis A Oreilles M6x20 MM | ||||
| 753/60 | 1613480008 | 1.32 | 1.58 | |
| Plus disponible, pas de remplacement | ||||
| 754 | 2607000122 | |||
| Pas d'informations disponibles, non commandable | ||||
| 755 | 2603001019 | |||
| Mandrin Ø1,5-13 MM, 1/2" | ||||
| 780 | 1608571069 | 22.88 | 27.46 | |
| Cle De Mandrin SG2 | ||||
| 780/800 | 2607950007 | 5.96 | 7.15 | |
| Câble d alimentation EU 2,65m 2 x 1,0mm H05 RN-F | ||||
| 805 | 1607000388 | 10.68 | 12.82 | |
| Plaque signalétique | ||||
| 808 | 160111A3H3 | 2.18 | 2.62 | |
| Plus disponible, pas de remplacement | ||||
| 816/040 | 2604321916 | |||
| Capuchon A Crans D'arret | ||||
| 816/060 | 2601322013 | 1.32 | 1.58 | |
| Capuchon A Crans D'arret | ||||
| 816/060 | 2601329051 | 1.32 | 1.58 | |
| Commutateur | ||||
| 822 | 2607200231 | 13.90 | 16.68 | |
| Plus disponible, pas de remplacement | ||||
| 849 | 2606309931 | |||
| Anneau D’arret DIN 6799-4-FSt | ||||
| 863 | 2916080007 | 2.18 | 2.62 | |