Vous trouverez ici toutes les pièces et dessins disponibles du 'Bosch 0603261669 ( POF600ACE )'. De là, vous pouvez commander directement toutes les pièces souhaitées. De nombreuses pièces doivent être commandées auprès du fabricant, selon la marque, cela prend une à quatre semaines. Toutes les informations dont nous disposons se trouvent sur notre site Web, nous ne pouvons pas vous conseiller sur ce dont vous avez besoin, pour cela vous devrez retourner la machine pour réparation. Veuillez noter ce qui suit lors de la commande:
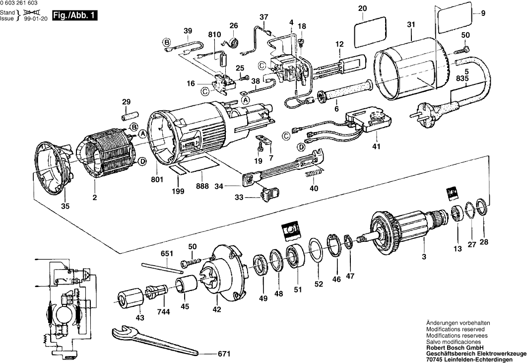
Dessins des Bosch 0603261669 ( POF600ACE )
Liste de pièces de rechange des Bosch 0603261669 ( POF600ACE )
| Pos. | Description | Prix hors TVA | Prix TTC | |
| Les prix affichés incluent la TVA | ||||
| Épanouissement Polaire 220-230V | ||||
| 2 | 2604220491 | 20.39 | 24.47 | |
| Induit 220-230V | ||||
| 3 | 2604010769 | 67.98 | 81.58 | |
| Interrupteur | ||||
| 4 | 1607200086 | 9.47 | 11.36 | |
| Manchon Ø6,5-Ø6,9x95 MM | ||||
| 6 | 2600703012 | 2.52 | 3.02 | |
| Collier De Fixation | ||||
| 7 | 1601302017 | 1.00 | 1.20 | |
| Plaque De Marque | ||||
| 9 | 2601118932 | 2.71 | 3.25 | |
| Filtre D’antiparasitage | ||||
| 12 | 2607329124 | 8.48 | 10.18 | |
| Plus disponible, pas de remplacement | ||||
| 13 | 2600905018 | |||
| Porte-Balais | ||||
| 16 | 1600A003G4 | 3.04 | 3.65 | |
| Porte-Balais | ||||
| 16 | 2601323022 | 2.52 | 3.02 | |
| Vis à tête cylindrique M3x6,5-4.8 | ||||
| 18 | 2603410001 | 1.32 | 1.58 | |
| Vis A Tete Bombee Torx 4x12 | ||||
| 19 | 2603490021 | 1.00 | 1.20 | |
| Plaque De Marque | ||||
| 20 | 2601118932 | 2.71 | 3.25 | |
| Vis A Tete Bombee Torx 3x10 | ||||
| 25 | 2603490017 | 1.90 | 2.28 | |
| Ressort Spiral | ||||
| 26 | 2604652009 | 1.32 | 1.58 | |
| Rondelle De Compensation | ||||
| 27 | 2600150033 | 1.90 | 2.28 | |
| Rondelle D’ajustage 0,3 MM | ||||
| 28 | 2600101027 | 1.32 | 1.58 | |
| Rondelle D’ajustage 0,2 MM | ||||
| 28 | 2600101665 | 1.32 | 1.58 | |
| Rondelle D’ajustage 0,5 MM | ||||
| 28 | 2600101667 | 1.32 | 1.58 | |
| Pas d'informations disponibles, non commandable | ||||
| 29 | 1610712034 | |||
| Couvercle De Carter VERT | ||||
| 31 | 1600508009 | 5.33 | 6.40 | |
| Poignee D’interrupteur NOIR | ||||
| 33 | 1602026057 | 1.32 | 1.58 | |
| Curseur De Reglage | ||||
| 34 | 1602319002 | 2.18 | 2.62 | |
| Disque De Recouvrement | ||||
| 35 | 2601328045 | 1.90 | 2.28 | |
| Cable De Connexion L=52MM BLANC | ||||
| 37 | 2604448016 | 1.32 | 1.58 | |
| Cable | ||||
| 38 | 2604448149 | 1.32 | 1.58 | |
| Filtre D’antiparasitage | ||||
| 39 | 2604465096 | 4.58 | 5.50 | |
| Ressort De Compression | ||||
| 40 | 1619P09932 | 1.28 | 1.54 | |
| Regulateur De Vitesse 230V | ||||
| 41 | 2607230013 | 41.30 | 49.56 | |
| Plus disponible, pas de remplacement | ||||
| 42 | 2605806376 | |||
| Ecrou-Raccord SW 17, Ø 18,5 MM | ||||
| 43 | 2603312006 | 5.96 | 7.15 | |
| Douille D’etancheite | ||||
| 45 | 2600300073 | 5.96 | 7.15 | |
| Etrier D’arret DIN 472-32x1,2 MM | ||||
| 46 | 2916660013 | 1.90 | 2.28 | |
| Etrier D’arret DIN 471-15x1-FSt | ||||
| 47 | 2916650006 | 1.32 | 1.58 | |
| Rondelle Cuvette | ||||
| 48 | 2600500033 | 2.18 | 2.62 | |
| Rondelle De Feutre | ||||
| 49 | 2600108033 | 1.32 | 1.58 | |
| Vis A Tete Bombee Torx 4x20 | ||||
| 50 | 2603490023 | 1.00 | 1.20 | |
| Roulement A Billes Rigide 15x32x9 | ||||
| 51 | 2600905017 | 8.48 | 10.18 | |
| Rondelle De Compensation 0,1 MM ÉPAIS | ||||
| 52 | 1600102626 | 1.90 | 2.28 | |
| Plus disponible, pas de remplacement | ||||
| 199 | 1601110265 | |||
| Plus disponible, pas de remplacement | ||||
| 200 | 2607030004 | |||
| Plus disponible, pas de remplacement | ||||
| 201 | 2608000014 | |||
| Plus disponible, pas de remplacement | ||||
| 202 | 2604615011 | |||
| Plus disponible, pas de remplacement | ||||
| 203 | 2601010052 | |||
| Plus disponible, pas de remplacement | ||||
| 204 | 1603480003 | |||
| Plus disponible, pas de remplacement | ||||
| 205 | 2608005014 | |||
| Plus disponible, pas de remplacement | ||||
| 206 | 1603501018 | |||
| Plus disponible, pas de remplacement | ||||
| 207 | 2603345015 | |||
| Plus disponible, pas de remplacement | ||||
| 208 | 2604611008 | |||
| Axe D’arret | ||||
| 209 | 2602305044 | 1.00 | 1.20 | |
| Vis Tête Hexagonale DIN 931-M8x60-8.8 | ||||
| 210 | 2911001258 | 1.94 | 2.33 | |
| Plus disponible, pas de remplacement | ||||
| 211 | 1613349015 | |||
| Plus disponible, pas de remplacement | ||||
| 212 | 2603200020 | |||
| Poignee NOIR | ||||
| 213 | 2602026001 | 4.58 | 5.50 | |
| Plaque De Marque | ||||
| 214 | 2601118933 | 2.71 | 3.25 | |
| Plus disponible, pas de remplacement | ||||
| 215 | 2916011884 | |||
| Vis à tête cylindrique DIN 84-AM6x16-5.8 | ||||
| 216 | 2910011191 | 0.83 | 1.00 | |
| Etiquette Adhesive | ||||
| 218 | 2601110137 | 0.83 | 1.00 | |
| Plaque Perforée | ||||
| 219 | 2601031002 | 1.18 | 1.42 | |
| Goupille Cylindrique 4x60 MM | ||||
| 651 | 2603101035 | 2.52 | 3.02 | |
| Plus disponible, pas de remplacement | ||||
| 654 | 2602053000 | |||
| Plus disponible, pas de remplacement | ||||
| 655 | 2607000032 | |||
| Vis à tête fraisée M 6x16 DIN 963-4.8 | ||||
| 656 | 2910761197 | 0.83 | 1.00 | |
| Vis à tête cylindrique DIN 84-AM6x16-5.8 | ||||
| 657 | 2910011191 | 0.83 | 1.00 | |
| Plus disponible, pas de remplacement | ||||
| 658 | 2603102007 | |||
| Plus disponible, pas de remplacement | ||||
| 659 | 2607000067 | |||
| Plus disponible, pas de remplacement | ||||
| 660 | 1603480003 | |||
| Plus disponible, pas de remplacement | ||||
| 661 | 2607000033 | |||
| Plus disponible, pas de remplacement | ||||
| 662 | 2607000031 | |||
| Ecrou Hex | ||||
| 663 | 2915011007 | 1.00 | 1.20 | |
| Plus disponible, pas de remplacement | ||||
| 665 | 2601332007 | |||
| Ecrou Hex | ||||
| 666 | 2915011007 | 1.00 | 1.20 | |
| Plus disponible, pas de remplacement | ||||
| 671 | 2607950511 | |||
| Plus disponible, pas de remplacement | ||||
| 672 | 2608190008 | |||
| Plus disponible, pas de remplacement | ||||
| 673 | 2605730034 | |||
| Pas d'informations disponibles, non commandable | ||||
| 744 | 2608570049 | |||
| Plus disponible, pas de remplacement | ||||
| 801 | 2605108907 | |||
| Jeu De Balais | ||||
| 810 | 2604320910 | 8.48 | 10.18 | |
| Plaque signalétique | ||||
| 888 | 160111A3H3 | 2.18 | 2.62 | |