Vous trouverez ici toutes les pièces et dessins disponibles du 'Bosch 0603268203 ( PHG490 )'. De là, vous pouvez commander directement toutes les pièces souhaitées. De nombreuses pièces doivent être commandées auprès du fabricant, selon la marque, cela prend une à quatre semaines. Toutes les informations dont nous disposons se trouvent sur notre site Web, nous ne pouvons pas vous conseiller sur ce dont vous avez besoin, pour cela vous devrez retourner la machine pour réparation. Veuillez noter ce qui suit lors de la commande:
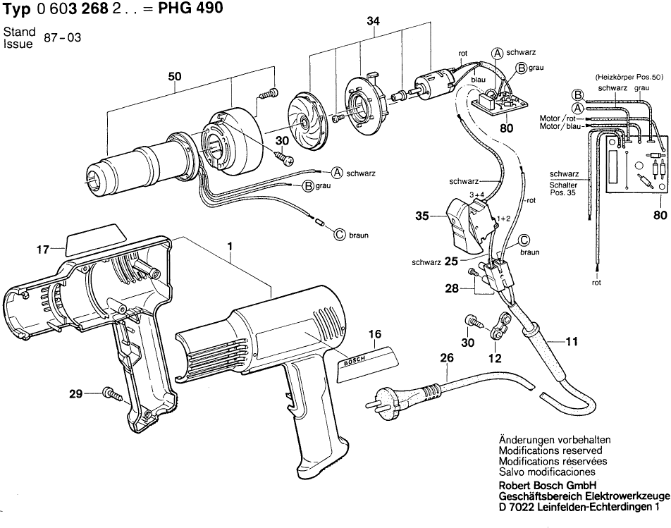
Dessins des Bosch 0603268203 ( PHG490 )
Liste de pièces de rechange des Bosch 0603268203 ( PHG490 )
| Pos. | Description | Prix hors TVA | Prix TTC | |
| Les prix affichés incluent la TVA | ||||
| Plus disponible, pas de remplacement | ||||
| 1 | 1609201792 | |||
| Manchon | ||||
| 11 | 1609202793 | 2.18 | 2.62 | |
| Collier De Fixation | ||||
| 12 | 1609201487 | 1.18 | 1.42 | |
| Plaque De Marque | ||||
| 16 | 1601110504 | 1.94 | 2.33 | |
| Plaque signalétique | ||||
| 17 | 1601110505 | 0.83 | 1.00 | |
| Cable De Connexion | ||||
| 25 | 1609201492 | 2.24 | 2.69 | |
| Plus disponible, pas de remplacement | ||||
| 26 | 1609201493 | |||
| Borne À 2 PÔLES | ||||
| 28 | 1609390042 | 1.32 | 1.58 | |
| Vis à Tôle DIN 7983-B2,9x16 | ||||
| 29 | 2910615507 | 1.70 | 2.04 | |
| Vis à Tôle DIN 7981-ST 2,9x13-F-H | ||||
| 30 | 2910614406 | 1.00 | 1.20 | |
| Moteur à Courant Continu 115-240V | ||||
| 34 | 1609201572 | 13.90 | 16.68 | |
| Plus disponible, pas de remplacement | ||||
| 35 | 1609201728 | |||
| Plus disponible, pas de remplacement | ||||
| 50 | 1609201501 | |||
| Carte Imprimée Equipée 220-240V | ||||
| 80 | 1609201505 | 15.71 | 18.85 | |
| Plus disponible, pas de remplacement | ||||
| 701 | 1609390450 | |||
| Pas d'informations disponibles, non commandable | ||||
| 702 | 1609390451 | |||
| Pas d'informations disponibles, non commandable | ||||
| 703 | 1609390452 | |||
| Pas d'informations disponibles, non commandable | ||||
| 704 | 1609390453 | |||
| Pas d'informations disponibles, non commandable | ||||
| 705 | 1609201648 | |||
| Lame | ||||
| 706 | 1609201745 | 8.45 | 10.14 | |
| Lame | ||||
| 707 | 1609201746 | 8.45 | 10.14 | |
| Pas d'informations disponibles, non commandable | ||||
| 708 | 1609201751 | |||
| Plus disponible, pas de remplacement | ||||
| 709 | 1609201752 | |||
| Pas d'informations disponibles, non commandable | ||||
| 710 | 1609201795 | |||
| Pas d'informations disponibles, non commandable | ||||
| 711 | 1609201796 | |||
| Ecrou Hex DIN 934-M8-8-A | ||||
| 720 | 2915011009 | 2.18 | 2.62 | |
| Rondelle plate 8,4 DIN 433-ST | ||||
| 721 | 2916011015 | 1.00 | 1.20 | |