Vous trouverez ici toutes les pièces et dessins disponibles du 'Bosch 0603310708 ( PEX12AE )'. De là, vous pouvez commander directement toutes les pièces souhaitées. De nombreuses pièces doivent être commandées auprès du fabricant, selon la marque, cela prend une à quatre semaines. Toutes les informations dont nous disposons se trouvent sur notre site Web, nous ne pouvons pas vous conseiller sur ce dont vous avez besoin, pour cela vous devrez retourner la machine pour réparation. Veuillez noter ce qui suit lors de la commande:
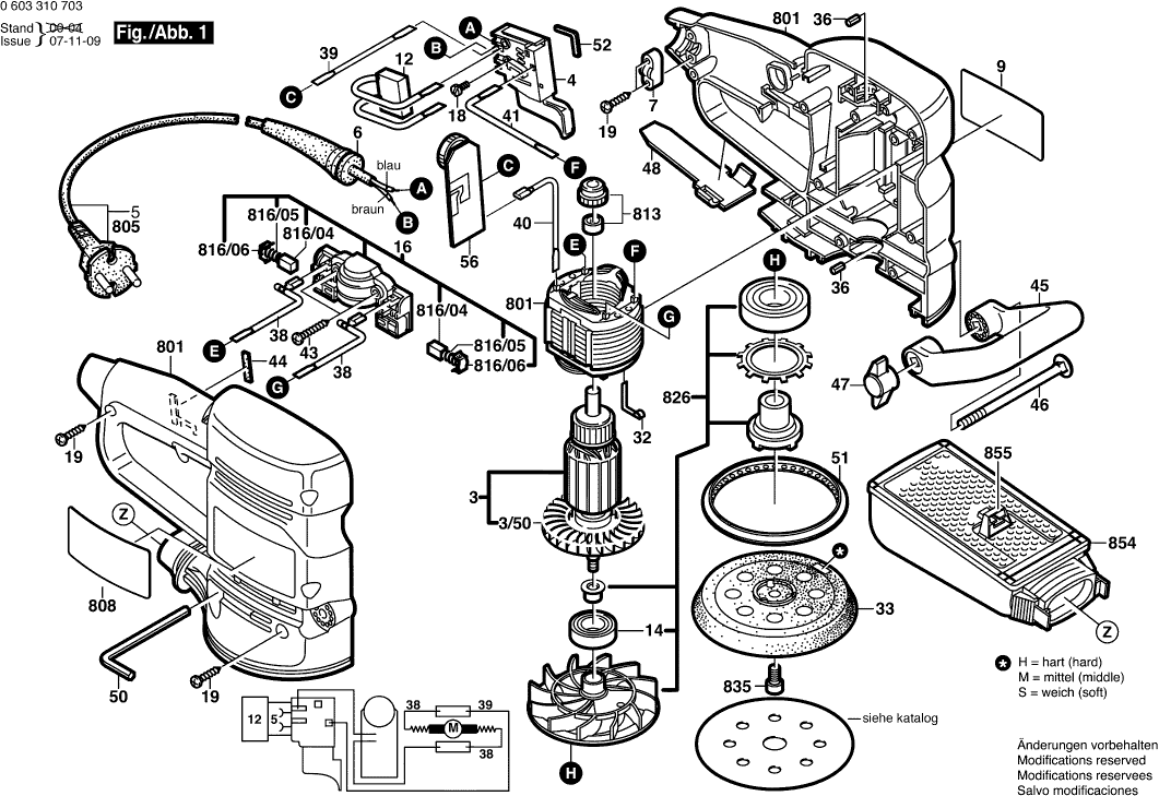
Dessins des Bosch 0603310708 ( PEX12AE )
Liste de pièces de rechange des Bosch 0603310708 ( PEX12AE )
| Pos. | Description | Prix hors TVA | Prix TTC | |
| Les prix affichés incluent la TVA | ||||
| Plus disponible, pas de remplacement | ||||
| 3 | 2604011265 | |||
| Plus disponible, pas de remplacement | ||||
| 3/50 | 2606610077 | |||
| Commutateur | ||||
| 4 | 2607200260 | 9.47 | 11.36 | |
| Manchon Ø6,4-Ø7,2x76 MM | ||||
| 6 | 2600703017 | 2.18 | 2.62 | |
| Support De Cable | ||||
| 7 | 2601035001 | 1.32 | 1.58 | |
| Plaque De Marque CÔTÉ SOLEIL | ||||
| 9 | 2601118416 | 1.94 | 2.33 | |
| Roulement A Billes Rigide | ||||
| 14 | 2600905034 | 11.02 | 13.22 | |
| Couronne Porte-Balais | ||||
| 16 | 2604337118 | 22.88 | 27.46 | |
| Vis à tête cylindrique M3x6,5-4.8 | ||||
| 18 | 2603410001 | 1.32 | 1.58 | |
| Vis 4x16 | ||||
| 19 | 2603490022 | 1.00 | 1.20 | |
| Ressort De Contact | ||||
| 32 | 2601329057 | 2.18 | 2.62 | |
| Plateau De Meulage | ||||
| 33 | 2608601902 | 22.88 | 27.46 | |
| Tampon En Caoutchouc | ||||
| 36 | 1603100036 | 1.32 | 1.58 | |
| Cable De Connexion L=113 MM BLANC | ||||
| 38 | 2604448180 | 1.00 | 1.20 | |
| Cable De Connexion L=233 MM BLANC | ||||
| 40 | 2604448181 | 1.90 | 2.28 | |
| Cable De Connexion L=83 MM BLANC | ||||
| 41 | 2604448183 | 1.70 | 2.04 | |
| Vis A Tete Bombee Torx 4x20 | ||||
| 43 | 2603490023 | 1.00 | 1.20 | |
| Joint | ||||
| 44 | 2602380003 | 1.18 | 1.42 | |
| Plus disponible, pas de remplacement | ||||
| 45 | 2602025068 | |||
| Boulon A Tete Bombee DIN 603-M6x110 | ||||
| 46 | 2910285226 | 1.32 | 1.58 | |
| Ecrou Hex | ||||
| 47 | 2610387875 | 2.18 | 2.62 | |
| Poussoir | ||||
| 48 | 2608005043 | 1.00 | 1.20 | |
| Tournevis Coude | ||||
| 50 | 1907950006 | 3.71 | 4.45 | |
| Cle Male Coudee Pour Vis | ||||
| 50 | 2610364015 | 3.04 | 3.65 | |
| Plus disponible, pas de remplacement | ||||
| 51 | 2600206015 | |||
| Plus disponible, pas de remplacement | ||||
| 52 | 2601022000 | |||
| Actuateur Vitesse Rotatio 230-240V | ||||
| 56 | 2607233023 | 22.88 | 27.46 | |
| Sac A Poussiere 1 PIÈCE | ||||
| 654 | 2605411069 | 3.04 | 3.65 | |
| Coquille | ||||
| 801 | 2605104800 | 36.85 | 44.22 | |
| Câble d alimentation EU 2,65m 2 x 1,0mm H05 RN-F | ||||
| 805 | 1607000388 | 10.68 | 12.82 | |
| Plaque signalétique | ||||
| 808 | 2601117247 | 2.71 | 3.25 | |
| Plus disponible, pas de remplacement | ||||
| 813 | 2605805005 | |||
| Plus disponible, pas de remplacement | ||||
| 816/04 | 2604321917 | |||
| Ressort De Compression | ||||
| 816/05 | 2604610026 | 2.18 | 2.62 | |
| Capuchon A Crans D'arret | ||||
| 816/06 | 2601322013 | 1.32 | 1.58 | |
| Capuchon A Crans D'arret | ||||
| 816/06 | 2601329051 | 1.32 | 1.58 | |
| Plus disponible, pas de remplacement | ||||
| 826 | 2606610901 | |||
| Vis cyl SixPans Creux CHC | ||||
| 835 | 2603414062 | 1.90 | 2.28 | |
| Collecteur De Poussiere | ||||
| 854 | 1619X06377 | 10.68 | 12.82 | |
| Adaptateur | ||||
| 855 | 2605702039 | 4.58 | 5.50 | |