Vous trouverez ici toutes les pièces et dessins disponibles du 'Bosch 0603309703 ( PEX11AE )'. De là, vous pouvez commander directement toutes les pièces souhaitées. De nombreuses pièces doivent être commandées auprès du fabricant, selon la marque, cela prend une à quatre semaines. Toutes les informations dont nous disposons se trouvent sur notre site Web, nous ne pouvons pas vous conseiller sur ce dont vous avez besoin, pour cela vous devrez retourner la machine pour réparation. Veuillez noter ce qui suit lors de la commande:
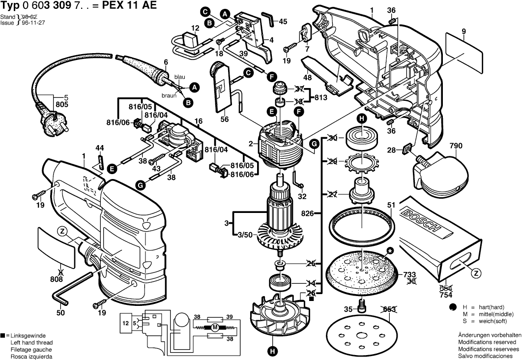
Dessins des Bosch 0603309703 ( PEX11AE )
Liste de pièces de rechange des Bosch 0603309703 ( PEX11AE )
| Pos. | Description | Prix hors TVA | Prix TTC | |
| Les prix affichés incluent la TVA | ||||
| Plus disponible, pas de remplacement | ||||
| 1 | 2605104419 | |||
| Épanouissement Polaire 230V | ||||
| 2 | 2604220538 | 15.71 | 18.85 | |
| Plus disponible, pas de remplacement | ||||
| 3 | 2604011018 | |||
| Ventilateur | ||||
| 3/50 | 2606610079 | 3.31 | 3.97 | |
| Commutateur | ||||
| 4 | 2607200260 | 9.47 | 11.36 | |
| Manchon Ø6,4-Ø7,2x76 MM | ||||
| 6 | 2600703017 | 2.18 | 2.62 | |
| Support De Cable | ||||
| 7 | 2601035001 | 1.32 | 1.58 | |
| Plaque De Marque CÔTÉ SOLEIL | ||||
| 9 | 2601118414 | 1.94 | 2.33 | |
| Plus disponible, pas de remplacement | ||||
| 12 | 1607328028 | |||
| Plus disponible, pas de remplacement | ||||
| 16 | 2604337118 | |||
| Vis à tête cylindrique M3x6,5-4.8 | ||||
| 18 | 2603410001 | 1.32 | 1.58 | |
| Vis 4x16 | ||||
| 19 | 2603490022 | 1.00 | 1.20 | |
| Ecrou Carre DIN 562-M6-04 | ||||
| 28 | 2915121006 | 2.18 | 2.62 | |
| Ressort De Contact | ||||
| 32 | 2601329057 | 2.18 | 2.62 | |
| Plus disponible, pas de remplacement | ||||
| 35 | 2910975197 | |||
| Tampon En Caoutchouc | ||||
| 36 | 1603100036 | 1.32 | 1.58 | |
| Cable De Connexion L=115 MM BLANC | ||||
| 38 | 2604448109 | 1.00 | 1.20 | |
| Cable L=233 MM BLANC | ||||
| 39 | 1614431010 | 3.04 | 3.65 | |
| Vis A Tete Bombee Torx 4x20 | ||||
| 43 | 2603490023 | 1.00 | 1.20 | |
| Joint | ||||
| 44 | 2602380003 | 1.18 | 1.42 | |
| Plus disponible, pas de remplacement | ||||
| 45 | 2601022000 | |||
| Poussoir | ||||
| 48 | 2608005043 | 1.00 | 1.20 | |
| Tournevis Coude | ||||
| 50 | 1907950006 | 3.71 | 4.45 | |
| Cle Male Coudee Pour Vis | ||||
| 50 | 2610364015 | 3.04 | 3.65 | |
| Bague De Friction | ||||
| 51 | 2600206011 | 3.31 | 3.97 | |
| Actuateur Vitesse Rotatio 230V | ||||
| 56 | 2607233021 | 20.42 | 24.50 | |
| Pas d'informations disponibles, non commandable | ||||
| 733 | 2608601066 | |||
| Pas d'informations disponibles, non commandable | ||||
| 754 | 2605411096 | |||
| Plus disponible, pas de remplacement | ||||
| 790 | 2602026057 | |||
| Câble d alimentation EU 2,65m 2 x 1,0mm H05 RN-F | ||||
| 805 | 1607000388 | 10.68 | 12.82 | |
| Plaque signalétique | ||||
| 808 | 2601119273 | 2.71 | 3.25 | |
| Plus disponible, pas de remplacement | ||||
| 813 | 2605805005 | |||
| Plus disponible, pas de remplacement | ||||
| 816/04 | 2604321917 | |||
| Ressort De Compression | ||||
| 816/05 | 2604610026 | 2.18 | 2.62 | |
| Capuchon A Crans D'arret | ||||
| 816/06 | 2601322013 | 1.32 | 1.58 | |
| Capuchon A Crans D'arret | ||||
| 816/06 | 2601329051 | 1.32 | 1.58 | |
| Plus disponible, pas de remplacement | ||||
| 826 | 2606610900 | |||