Vous trouverez ici toutes les pièces et dessins disponibles du 'Bosch 0603326708 ( PBH240RE )'. De là, vous pouvez commander directement toutes les pièces souhaitées. De nombreuses pièces doivent être commandées auprès du fabricant, selon la marque, cela prend une à quatre semaines. Toutes les informations dont nous disposons se trouvent sur notre site Web, nous ne pouvons pas vous conseiller sur ce dont vous avez besoin, pour cela vous devrez retourner la machine pour réparation. Veuillez noter ce qui suit lors de la commande:
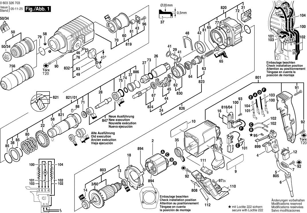
Dessins des Bosch 0603326708 ( PBH240RE )
Liste de pièces de rechange des Bosch 0603326708 ( PBH240RE )
| Pos. | Description | Prix hors TVA | Prix TTC | |
| Les prix affichés incluent la TVA | ||||
| Épanouissement Polaire 230-240V | ||||
| 2 | 1614220115 | 17.60 | 21.12 | |
| Ventilateur NOIR | ||||
| 3/60 | 1616610072 | 1.90 | 2.28 | |
| Plus disponible, pas de remplacement | ||||
| 4 | 2607200209 | |||
| Manchon Ø7,3-Ø8,6x76 MM | ||||
| 6 | 2600703018 | 2.18 | 2.62 | |
| Support De Cable | ||||
| 7 | 1611035005 | 1.90 | 2.28 | |
| Plaque De Marque | ||||
| 9 | 1611110932 | 2.71 | 3.25 | |
| Plaquette Indicatrice | ||||
| 10 | 1611110933 | 2.71 | 3.25 | |
| Filtre D’antiparasitage | ||||
| 12 | 1617328026 | 6.53 | 7.84 | |
| Roulement A Billes Rigide 7x19x6 | ||||
| 13 | 1610905025 | 5.96 | 7.15 | |
| Roulement A Billes Rigide 9x24x7 | ||||
| 14 | 1610905048 | 7.32 | 8.78 | |
| Porte-Balais | ||||
| 16 | 1617000343 | 9.47 | 11.36 | |
| Plus disponible, pas de remplacement | ||||
| 18 | 1610522009 | |||
| Roue Cylindrique Z=50 | ||||
| 22 | 1616317602 | 10.68 | 12.82 | |
| Arbre Dentele Z=3/9 | ||||
| 24 | 1617000518 | 36.85 | 44.22 | |
| Plus disponible, pas de remplacement | ||||
| 26 | 1618700062 | |||
| Frappeur | ||||
| 27 | 1618710057 | 13.90 | 16.68 | |
| Percuteur | ||||
| 28 | 1613124052 | 9.47 | 11.36 | |
| Axe De Piston | ||||
| 29 | 1613105012 | 3.04 | 3.65 | |
| Grille De Protection | ||||
| 31 | 1615510003 | 2.18 | 2.62 | |
| Bague En Caoutchouc | ||||
| 35 | 1610206021 | 1.32 | 1.58 | |
| Douille D’amortissement | ||||
| 37 | 1610390017 | 4.58 | 5.50 | |
| Plus disponible, pas de remplacement | ||||
| 38 | 1610102026 | |||
| Rondelle D’ajustage 1,2 MM ÉPAIS | ||||
| 41 | 1610101011 | 1.32 | 1.58 | |
| Palier-Glisseur | ||||
| 42 | 1610202015 | 2.52 | 3.02 | |
| Frein D’ecrou | ||||
| 43 | 1611098005 | 2.52 | 3.02 | |
| Element De Commutation | ||||
| 44 | 1615820092 | 2.18 | 2.62 | |
| Ressort D’actionnement | ||||
| 45 | 1614651014 | 1.32 | 1.58 | |
| Tenon D’entrainement | ||||
| 46 | 1614690002 | 1.32 | 1.58 | |
| Tole De Maintien | ||||
| 48 | 1611016003 | 1.90 | 2.28 | |
| Bouton De Commande ROUGE | ||||
| 49 | 1612026035 | 1.32 | 1.58 | |
| Mandrin A Serrage Rapide | ||||
| 50 | 1617000352 | 60.65 | 72.78 | |
| Bouchon de protection | ||||
| 50/34 | 1610508047 | 1.90 | 2.28 | |
| Bille DIN 5401-5,5MM-III-ST | ||||
| 58 | 1903230010 | 1.00 | 1.20 | |
| Roulement A Aiguilles | ||||
| 60 | 1610910073 | 9.47 | 11.36 | |
| Douille à aiguilles | ||||
| 61 | 1610910098 | 3.04 | 3.65 | |
| Douille à aiguilles | ||||
| 62 | 1610910074 | 3.04 | 3.65 | |
| Plus disponible, pas de remplacement | ||||
| 63 | 1610910064 | |||
| Couronne D’aiguilles | ||||
| 64 | 1610913010 | 3.71 | 4.45 | |
| Palier-Glisseur | ||||
| 65 | 1610591016 | 2.52 | 3.02 | |
| Roulement A Billes Rigide | ||||
| 67 | 1610905016 | 8.48 | 10.18 | |
| Joint A Lèvres | ||||
| 70 | 1610283019 | 6.53 | 7.84 | |
| Racleur | ||||
| 71 | 1610290029 | 3.04 | 3.65 | |
| Joint torique 24,0x2,5 MM | ||||
| 72 | 1610210068 | 1.32 | 1.58 | |
| Joint torique | ||||
| 73 | 1610210187 | 1.90 | 2.28 | |
| Joint torique 11,0x3,5 MM | ||||
| 74 | 1610210104 | 2.18 | 2.62 | |
| Joint torique 18,0x3,5 MM | ||||
| 75 | 1610210105 | 3.71 | 4.45 | |
| Joint torique 10,5x2,7 MM | ||||
| 76 | 1610210046 | 1.90 | 2.28 | |
| Joint torique 60,0x3,0 MM | ||||
| 77 | 1610210106 | 2.18 | 2.62 | |
| Anneau élastique | ||||
| 79 | 1614601026 | 1.32 | 1.58 | |
| Ressort De Compression | ||||
| 80 | 1614634005 | 1.32 | 1.58 | |
| Ressort De Compression | ||||
| 81 | 1614611009 | 1.32 | 1.58 | |
| Ressort De Compression | ||||
| 83 | 1614611006 | 3.04 | 3.65 | |
| Anneau élastique | ||||
| 85 | 1614601011 | 1.32 | 1.58 | |
| ROULEAU | ||||
| 88 | 1613200007 | 1.32 | 1.58 | |
| Vis à Tôle 4,8x78 MM, TORX T-20 | ||||
| 90 | 1603435036 | 1.32 | 1.58 | |
| Vis A Tete Bombee 4x32 | ||||
| 91 | 2603490026 | 1.00 | 1.20 | |
| Vis A Tete Bombee Torx 4x20 | ||||
| 92 | 2603490023 | 1.00 | 1.20 | |
| Vis à Tôle DIN 7971-ST2,9x9,5-F | ||||
| 93 | 2910211005 | 1.00 | 1.20 | |
| Vis à tête cylindrique M3x6,5-4.8 | ||||
| 95 | 2603410001 | 1.32 | 1.58 | |
| Vis à Tôle DIN7981-ST3,9x13-C-Z | ||||
| 96 | 2912401018 | 1.00 | 1.20 | |
| Vis A Tete Bombee Torx 4x12 | ||||
| 97 | 2603490021 | 1.00 | 1.20 | |
| Filtre D’antiparasitage L=148 MM NOIR | ||||
| 100 | 2604465086 | 5.27 | 6.32 | |
| Filtre D’antiparasitage L=126 MM BLANC | ||||
| 101 | 2604465097 | 5.27 | 6.32 | |
| Cable L=130 MM BLANC | ||||
| 102 | 2604448005 | 1.32 | 1.58 | |
| Cable De Connexion L=55 MM BLANC | ||||
| 103 | 1614448017 | 1.90 | 2.28 | |
| Plus disponible, pas de remplacement | ||||
| 104 | 2604448137 | |||
| Poignee | ||||
| 110 | 1615132067 | 2.24 | 2.69 | |
| Support De Cavalier | ||||
| 111 | 1618040070 | 1.70 | 2.04 | |
| Plaquette Indicatrice | ||||
| 112 | 1601118B75 | 1.00 | 1.20 | |
| Ecrou Hex | ||||
| 120/20 | 2915011007 | 1.00 | 1.20 | |
| Vis A Oreilles M6x(15)55 | ||||
| 120/30 | 1613480007 | 1.32 | 1.58 | |
| Plus disponible, pas de remplacement | ||||
| 120/50 | 2608040014 | |||
| Vis A Oreilles M6x20 MM | ||||
| 120/60 | 1613480008 | 1.32 | 1.58 | |
| Poignee Auxiliaire M10 | ||||
| 720 | 1619PB4323 | 8.48 | 10.18 | |
| Plus disponible, pas de remplacement | ||||
| 724 | 1613001005 | |||
| Plus disponible, pas de remplacement | ||||
| 754 | 2607000122 | |||
| Mandrin Automatique | ||||
| 756 | 1617000332 | 102.63 | 123.16 | |
| Plus disponible, pas de remplacement | ||||
| 791 | 2605438301 | |||
| Plus disponible, pas de remplacement | ||||
| 801 | 1617000498 | |||
| Induit Avec Ventilateur 230-240V | ||||
| 803 | 1614010703 | 55.56 | 66.67 | |
| Câble d alimentation EU 4,15m 2 x 1,0mm H07 RN-F | ||||
| 805 | 1614460026 | 15.61 | 18.73 | |
| Plaque signalétique | ||||
| 808 | 160111A3H5 | 2.18 | 2.62 | |
| Jeu De Balais | ||||
| 816/04 | 1617014134 | 7.32 | 8.78 | |
| Carter D’engrenages VERT | ||||
| 819 | 1615806131 | 18.19 | 21.83 | |
| Bride Intermediaire | ||||
| 820 | 1617000981 | 26.62 | 31.94 | |
| Porte Outil | ||||
| 821 | 1617000325 | 41.30 | 49.56 | |
| Porte Outil | ||||
| 821/01 | 1617000326 | 60.65 | 72.78 | |
| Douille Dentee Z=26/6 | ||||
| 823 | 1616328042 | 36.85 | 44.22 | |
| Arbre Dentele Z=3/9 | ||||
| 826 | 1617000517 | 73.72 | 88.46 | |
| Palier d’entraînement | ||||
| 830 | 1615819018 | 55.25 | 66.30 | |
| Manette NOIR | ||||
| 832 | 1612026037 | 8.48 | 10.18 | |
| Bague De Guidage | ||||
| 847 | 1617000348 | 12.21 | 14.65 | |
| Anneau élastique | ||||
| 886 | 1614601024 | 1.32 | 1.58 | |
| Vis Empreinte Cruciforme DIN 7981-ST3,5x9,5-F | ||||
| 894 | 2603435015 | 1.90 | 2.28 | |
| Commutateur | ||||
| 899 | 2607200231 | 13.90 | 16.68 | |