Vous trouverez ici toutes les pièces et dessins disponibles du 'Bosch 3601H31000 ( GWS8-115Z )'. De là, vous pouvez commander directement toutes les pièces souhaitées. De nombreuses pièces doivent être commandées auprès du fabricant, selon la marque, cela prend une à quatre semaines. Toutes les informations dont nous disposons se trouvent sur notre site Web, nous ne pouvons pas vous conseiller sur ce dont vous avez besoin, pour cela vous devrez retourner la machine pour réparation. Veuillez noter ce qui suit lors de la commande:
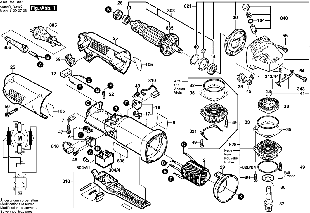
Dessins des Bosch 3601H31000 ( GWS8-115Z )
Liste de pièces de rechange des Bosch 3601H31000 ( GWS8-115Z )
| Pos. | Description | Prix hors TVA | Prix TTC | |
| Les prix affichés incluent la TVA | ||||
| Carter De Moteur BLEU | ||||
| 1 | 1605108222 | 13.90 | 16.68 | |
| Épanouissement Polaire 220-230V | ||||
| 2 | 1604220282 | 26.62 | 31.94 | |
| Épanouissement Polaire 230V | ||||
| 2 | 1604220458 | 18.19 | 21.83 | |
| Collier De Fixation | ||||
| 7 | 1601302017 | 1.00 | 1.20 | |
| Plaque De Marque | ||||
| 9 | 1601118K21 | 3.04 | 3.65 | |
| Filtre D’antiparasitage | ||||
| 12 | 1607328070 | 2.52 | 3.02 | |
| Roulement A Billes 7x19x6 | ||||
| 13 | 2600905032 | 4.58 | 5.50 | |
| Roulement A Billes Rigide 8x22x7 | ||||
| 14 | 1600905032 | 5.27 | 6.32 | |
| Porte-Balais | ||||
| 16 | 1601323025 | 3.04 | 3.65 | |
| Ressort Spiral | ||||
| 17 | 1604652013 | 1.32 | 1.58 | |
| Couvercle De Carter BLEU | ||||
| 25 | 1600508031 | 9.47 | 11.36 | |
| Bague En Caoutchouc | ||||
| 26 | 1600206036 | 1.32 | 1.58 | |
| Bague En Caoutchouc | ||||
| 27 | 1600206025 | 1.90 | 2.28 | |
| Deflecteur D’air | ||||
| 29 | 1600591038 | 1.94 | 2.33 | |
| Deflecteur D’air | ||||
| 30 | 1600591014 | 2.18 | 2.62 | |
| Broche De Rectifieuse | ||||
| 32 | 1607000D6A | 6.53 | 7.84 | |
| Joint torique 46,0x1,1 MM | ||||
| 33 | 1600210035 | 1.32 | 1.58 | |
| Rondelle De Compensation 0,15 MM ÉPAIS | ||||
| 35 | 1600136020 | 3.04 | 3.65 | |
| Rondelle De Compensation 0,1 MM ÉPAIS | ||||
| 35 | 1600136013 | 2.18 | 2.62 | |
| Rondelle De Compensation 0,2 MM ÉPAIS | ||||
| 35 | 1600136014 | 2.18 | 2.62 | |
| Rondelle De Compensation 0,3 MM ÉPAIS | ||||
| 35 | 1600136015 | 2.18 | 2.62 | |
| Plus disponible, pas de remplacement | ||||
| 38 | 1606333616 | |||
| Pas d'informations disponibles, non commandable | ||||
| 39 | 1606333617 | |||
| Etrier D’arret | ||||
| 40 | 1600119011 | 1.90 | 2.28 | |
| Palier-Glisseur | ||||
| 41 | 1600200029 | 3.71 | 4.45 | |
| Ecrou Hex M7, SW10 | ||||
| 45 | 1603300016 | 1.32 | 1.58 | |
| Vis A Tete Bombee Torx 4x12 | ||||
| 47 | 2603490021 | 1.00 | 1.20 | |
| Vis A Tete Bombee 3x10 ST | ||||
| 48 | 1613435034 | 1.00 | 1.20 | |
| Vis autotaradeuse p. défo | ||||
| 49 | 1603435026 | 1.90 | 2.28 | |
| Vis à Tôle ST3,9x32 ARGENT | ||||
| 50 | 1603435051 | 1.70 | 2.04 | |
| Element De Connexion | ||||
| 52 | 1604478015 | 1.00 | 1.20 | |
| Vis autotaradeuse p. défo M4x16 | ||||
| 54 | 2914491410 | 1.00 | 1.20 | |
| Vis A Tete Bombee Torx | ||||
| 55 | 1603435078 | 1.00 | 1.20 | |
| Bouchon BLEU | ||||
| 59 | 1602025082 | 2.52 | 3.02 | |
| Disque De Recouvrement | ||||
| 80 | 1619P09390 | 1.90 | 2.28 | |
| Joint torique 4,5x1,0 MM BLEU | ||||
| 104 | 1600210044 | 1.00 | 1.20 | |
| Plaque Isolante | ||||
| 105 | 1601071000 | 1.00 | 1.20 | |
| Commutateur | ||||
| 304/4 | 1607200155 | 12.21 | 14.65 | |
| Vis A Tete Bombee | ||||
| 304/51 | 1603415004 | 1.32 | 1.58 | |
| Levier D’enclenchement | ||||
| 343 | 1607000742 | 6.53 | 7.84 | |
| Ressort De Compression | ||||
| 343/44 | 1604611042 | 1.32 | 1.58 | |
| Capot De Protection 115 MM | ||||
| 651 | 1600A00XK8 | 11.88 | 14.26 | |
| Induit Avec Ventilateur 220-230V | ||||
| 803 | 1604010633 | 67.98 | 81.58 | |
| Câble d alimentation EU 4,15m 2 x 1,0mm H07 RN-F | ||||
| 805 | 1607000227 | 22.88 | 27.46 | |
| Manchon | ||||
| 806 | 1600703040 | 1.90 | 2.28 | |
| Plaque signalétique | ||||
| 808 | 160111A3H3 | 2.18 | 2.62 | |
| Jeu De Balais Kohlebürstensatz 10 x 1 607 014 176 | ||||
| 810 | 1607000482 | 102.63 | 123.16 | |
| Jeu De Balais | ||||
| 810 | 1607014176 | 11.02 | 13.22 | |
| Cliquet D’engrenage | ||||
| 818 | 1607000744 | 8.48 | 10.18 | |
| Carter D’engrenages | ||||
| 821 | 16058065SC | 15.61 | 18.73 | |
| LAGERFLENS | ||||
| 828 | 1607000D6C | 10.68 | 12.82 | |
| Joint torique 47,0x1,5 MM | ||||
| 828/04 | 3600210109 | 1.90 | 2.28 | |
| Partie De Ressort | ||||
| 831 | 1601290013 | 1.00 | 1.20 | |
| Ventilateur | ||||
| 835 | 1606610129 | 1.90 | 2.28 | |
| Bouton-Poussoir NOIR | ||||
| 840 | 1607000253 | 1.90 | 2.28 | |
| Joint torique 20,35x1,78 MM | ||||
| 890 | 1600210039 | 1.90 | 2.28 | |
| Poignee Auxiliaire | ||||
| 891 | 16020250A0 | 9.47 | 11.36 | |
| Capot De Protection | ||||
| 891 | 1600A025XP | 8.48 | 10.18 | |
| Ecrou Cylindrique M14 | ||||
| 892 | 1603345043 | 7.32 | 8.78 | |
| Cle A Ergots | ||||
| 893 | 1607950052 | 3.04 | 3.65 | |
| Bride De Fixation Ø22,3xØ42 MM | ||||
| 895 | 2605703014 | 4.58 | 5.50 | |
| SNELSPANMOER | ||||
| 896 | 1603340027 | 45.52 | 54.62 | |
| Ecrou De Blocage Rapide | ||||
| 896 | 1600A016PP | 41.30 | 49.56 | |