Vous trouverez ici toutes les pièces et dessins disponibles du 'Bosch 0601700903 ( GWS7-115 )'. De là, vous pouvez commander directement toutes les pièces souhaitées. De nombreuses pièces doivent être commandées auprès du fabricant, selon la marque, cela prend une à quatre semaines. Toutes les informations dont nous disposons se trouvent sur notre site Web, nous ne pouvons pas vous conseiller sur ce dont vous avez besoin, pour cela vous devrez retourner la machine pour réparation. Veuillez noter ce qui suit lors de la commande:
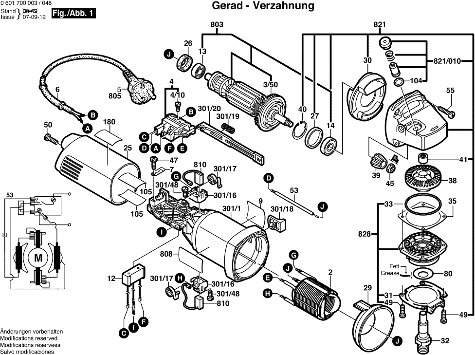
Dessins des Bosch 0601700903 ( GWS7-115 )
Liste de pièces de rechange des Bosch 0601700903 ( GWS7-115 )
| Pos. | Description | Prix hors TVA | Prix TTC | |
| Les prix affichés incluent la TVA | ||||
| Épanouissement Polaire 220-230V | ||||
| 2 | 1604220282 | 26.62 | 31.94 | |
| Épanouissement Polaire 230V | ||||
| 2 | 1604220458 | 18.19 | 21.83 | |
| Ventilateur | ||||
| 3/50 | 1606610129 | 1.90 | 2.28 | |
| Interrupteur | ||||
| 4 | 1607200086 | 9.47 | 11.36 | |
| Vis à tête cylindrique DIN 85-AM3x6-CUZN | ||||
| 4/10 | 2910110048 | 1.00 | 1.20 | |
| Manchon Ø7,6-Ø8,2x95 MM | ||||
| 6 | 2600703013 | 2.18 | 2.62 | |
| Collier De Fixation | ||||
| 7 | 1601302017 | 1.00 | 1.20 | |
| Plaque De Marque | ||||
| 9 | 1601118A70 | 1.90 | 2.28 | |
| Plus disponible, pas de remplacement | ||||
| 12 | 1607328039 | |||
| Roulement A Billes 7x19x6 | ||||
| 13 | 2600905032 | 4.58 | 5.50 | |
| Roulement A Billes Rigide 8x22x7 | ||||
| 14 | 1600905032 | 5.27 | 6.32 | |
| Couvercle De Carter BLEU | ||||
| 25 | 1600508017 | 5.27 | 6.32 | |
| Bague En Caoutchouc | ||||
| 26 | 1600206036 | 1.32 | 1.58 | |
| Bague En Caoutchouc | ||||
| 27 | 1600206025 | 1.90 | 2.28 | |
| Deflecteur D’air | ||||
| 29 | 1600591025 | 2.18 | 2.62 | |
| Deflecteur D’air | ||||
| 30 | 1600591014 | 2.18 | 2.62 | |
| Plus disponible, pas de remplacement | ||||
| 31 | 1601290007 | |||
| Broche De Rectifieuse | ||||
| 32 | 1607000D6A | 6.53 | 7.84 | |
| Joint torique 46,0x1,1 MM ROUGE | ||||
| 33 | 3600210124 | 2.52 | 3.02 | |
| Rondelle De Compensation 0,15 MM ÉPAIS | ||||
| 35 | 1600136020 | 3.04 | 3.65 | |
| Rondelle De Compensation 0,1 MM ÉPAIS | ||||
| 35 | 1600136013 | 2.18 | 2.62 | |
| Rondelle De Compensation 0,2 MM ÉPAIS | ||||
| 35 | 1600136014 | 2.18 | 2.62 | |
| Rondelle De Compensation 0,3 MM ÉPAIS | ||||
| 35 | 1600136015 | 2.18 | 2.62 | |
| Plus disponible, pas de remplacement | ||||
| 38 | 1606333616 | |||
| Pas d'informations disponibles, non commandable | ||||
| 39 | 1606333617 | |||
| Etrier D’arret | ||||
| 40 | 1600119011 | 1.90 | 2.28 | |
| Douille à aiguilles Ø8xØ12x8 MM | ||||
| 41 | 1600910018 | 4.58 | 5.50 | |
| Ecrou Hex M7, SW10 | ||||
| 45 | 1603300016 | 1.32 | 1.58 | |
| Vis à Tôle DIN7981-ST3,9x13-C-Z | ||||
| 47 | 2912401018 | 1.00 | 1.20 | |
| Vis autotaradeuse p. défo | ||||
| 49 | 1603435026 | 1.90 | 2.28 | |
| Vis à Tôle DIN7981-ST3,9x19-F-Z | ||||
| 50 | 2912401420 | 1.00 | 1.20 | |
| Cable De Connexion L=90 MM BLANC | ||||
| 53 | 1604448013 | 1.90 | 2.28 | |
| Pas d'informations disponibles, non commandable | ||||
| 55 | 1603415005 | |||
| Disque De Recouvrement | ||||
| 80 | 1619P09390 | 1.90 | 2.28 | |
| Joint torique 4,5x1,0 MM BLEU | ||||
| 104 | 1600210044 | 1.00 | 1.20 | |
| Plaque Isolante | ||||
| 105 | 1601008005 | 4.58 | 5.50 | |
| Carter De Moteur BLEU | ||||
| 301/1 | 1605108213 | 7.32 | 8.78 | |
| Porte-Balais | ||||
| 301/16 | 1601323025 | 3.04 | 3.65 | |
| Ressort Spiral | ||||
| 301/17 | 1604652013 | 1.32 | 1.58 | |
| Poignee D’interrupteur NOIR | ||||
| 301/18 | 1602026057 | 1.32 | 1.58 | |
| Ressort De Compression | ||||
| 301/19 | 1604611026 | 1.00 | 1.20 | |
| Curseur De Reglage NOIR | ||||
| 301/20 | 1602319010 | 1.32 | 1.58 | |
| Vis à Tôle DIN7981-ST2,9x9,5C-Z | ||||
| 301/48 | 2912401005 | 1.00 | 1.20 | |
| Joint torique 20,35x1,78 MM | ||||
| 650/50/20 | 1600210039 | 1.90 | 2.28 | |
| Capot De Protection | ||||
| 750/10 | 1600A025XP | 8.48 | 10.18 | |
| Pas d'informations disponibles, non commandable | ||||
| 750/20 | 1603340040 | |||
| Pas d'informations disponibles, non commandable | ||||
| 750/30 | 1607950043 | |||
| Pas d'informations disponibles, non commandable | ||||
| 750/50 | 1605703099 | |||
| Plus disponible, pas de remplacement | ||||
| 751 | 2605510102 | |||
| SNELSPANMOER | ||||
| 752 | 1603340027 | 45.52 | 54.62 | |
| Ecrou De Blocage Rapide | ||||
| 752 | 1600A016PP | 41.30 | 49.56 | |
| Plus disponible, pas de remplacement | ||||
| 753 | 1605438100 | |||
| Induit Avec Ventilateur 220-230V | ||||
| 803 | 1604010633 | 67.98 | 81.58 | |
| Câble d alimentation EU 4,15m 2 x 1,0mm H07 RN-F | ||||
| 805 | 1607000227 | 22.88 | 27.46 | |
| Câble d alimentation EU 230V 4,15m 2 x 1,0mm H05 | ||||
| 805 | 1607000386 | 17.60 | 21.12 | |
| Plaque signalétique | ||||
| 808 | 160111A3H3 | 2.18 | 2.62 | |
| Jeu De Balais | ||||
| 810 | 1607014176 | 11.02 | 13.22 | |
| Carter D’engrenages ARGENT | ||||
| 821 | 1605806465 | 41.30 | 49.56 | |
| Bouton-Poussoir NOIR | ||||
| 821/010 | 1607000253 | 1.90 | 2.28 | |
| Flasque De Palier NOIR | ||||
| 828 | 1605805079 | 15.61 | 18.73 | |