Vous trouverez ici toutes les pièces et dessins disponibles du 'Bosch 0601755973 ( GWS25-180JS )'. De là, vous pouvez commander directement toutes les pièces souhaitées. De nombreuses pièces doivent être commandées auprès du fabricant, selon la marque, cela prend une à quatre semaines. Toutes les informations dont nous disposons se trouvent sur notre site Web, nous ne pouvons pas vous conseiller sur ce dont vous avez besoin, pour cela vous devrez retourner la machine pour réparation. Veuillez noter ce qui suit lors de la commande:
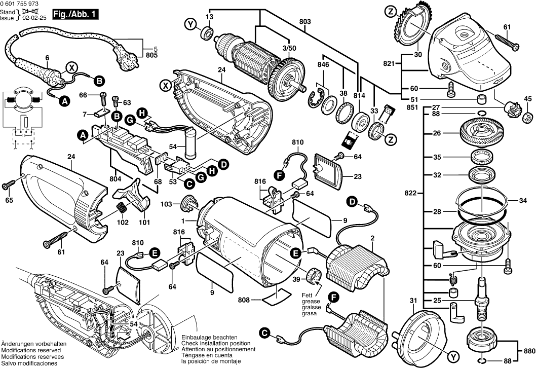
Dessins des Bosch 0601755973 ( GWS25-180JS )
Liste de pièces de rechange des Bosch 0601755973 ( GWS25-180JS )
| Pos. | Description | Prix hors TVA | Prix TTC | |
| Les prix affichés incluent la TVA | ||||
| Carter De Moteur BLEU | ||||
| 1 | 1605108190 | 15.61 | 18.73 | |
| Épanouissement Polaire | ||||
| 2 | 160422057K | 67.98 | 81.58 | |
| VENTILATOR | ||||
| 3/50 | 1606610142 | 3.71 | 4.45 | |
| Manchon Ø 10,5-Ø11,0x100 MM | ||||
| 6 | 1600703023 | 2.18 | 2.62 | |
| Collier De Fixation | ||||
| 7 | 1601302018 | 1.32 | 1.58 | |
| Plaque De Marque | ||||
| 9 | 1601118690 | 2.71 | 3.25 | |
| Roulement A Billes Rigide 8x22x7 | ||||
| 13 | 1600905011 | 5.27 | 6.32 | |
| Pas d'informations disponibles, non commandable | ||||
| 23 | 1618B00802 | |||
| Plus disponible, pas de remplacement | ||||
| 24 | 1605132130 | |||
| Plus disponible, pas de remplacement | ||||
| 25 | 1603523114 | |||
| Plus disponible, pas de remplacement | ||||
| 26 | 1606333618 | |||
| Roue Conique Z=17 | ||||
| 27 | 1606333237 | 26.84 | 32.21 | |
| Joint torique 79,0x1,78 MM | ||||
| 28 | 1600210033 | 1.32 | 1.58 | |
| Distributeur D’air | ||||
| 30 | 1600591029 | 2.18 | 2.62 | |
| Plus disponible, pas de remplacement | ||||
| 31 | 1600591075 | |||
| Segment de retenue | ||||
| 32 | 1600290019 | 1.32 | 1.58 | |
| Bague D’etancheite 18,7 MM ROUGE | ||||
| 33 | 1600290013 | 2.18 | 2.62 | |
| Rondelle De Compensation 0,3 MM ÉPAIS | ||||
| 34 | 1600190021 | 2.18 | 2.62 | |
| Rondelle De Compensation 0,1 MM ÉPAIS | ||||
| 34 | 1600190022 | 1.32 | 1.58 | |
| Rondelle De Compensation 0,15 MM ÉPAIS | ||||
| 34 | 1600190020 | 1.32 | 1.58 | |
| Rondelle De Feutre | ||||
| 35 | 1600205034 | 1.32 | 1.58 | |
| Bague En Caoutchouc 7 MM LARGE | ||||
| 38 | 1600206020 | 1.32 | 1.58 | |
| Bague En Caoutchouc | ||||
| 39 | 1600206030 | 1.32 | 1.58 | |
| Ecrou Hex M10, SW14 | ||||
| 45 | 1603300019 | 1.32 | 1.58 | |
| Palier-Glisseur Ø14 MM | ||||
| 51 | 1600200031 | 2.52 | 3.02 | |
| Boitier Femelle | ||||
| 53 | 1605190068 | 1.00 | 1.20 | |
| Plus disponible, pas de remplacement | ||||
| 54 | 1604503015 | |||
| Vis autotaradeuse p. défo TT M5x18 MM | ||||
| 60 | 1603435023 | 1.90 | 2.28 | |
| Vis à Tôle DIN 7981-4,8x38-C-Z-ST | ||||
| 61 | 2912401038 | 1.00 | 1.20 | |
| Vis à tête cylindrique M4x10 MM | ||||
| 63 | 1603410014 | 1.32 | 1.58 | |
| Vis Pour Plastique St3,9x12 | ||||
| 64 | 1603435042 | 1.32 | 1.58 | |
| Vis à Tôle DIN 7981-3,9x19-C-Z-ST | ||||
| 65 | 2912401020 | 1.90 | 2.28 | |
| Vis à Tôle DIN 7971-ST3,9x16-F | ||||
| 66 | 2910211019 | 1.00 | 1.20 | |
| Tole D’etancheite | ||||
| 68 | 1601006011 | 2.18 | 2.62 | |
| Anneau élastique | ||||
| 88 | 1604601026 | 0.83 | 1.00 | |
| Poussoir A Cran | ||||
| 101 | 1601990004 | 2.18 | 2.62 | |
| Ressort De Compression | ||||
| 102 | 1604616022 | 1.32 | 1.58 | |
| Conduite De Cable | ||||
| 103 | 1602388035 | 1.32 | 1.58 | |
| Jeu De Pieces Ø180 MM | ||||
| 700 | 1607000250 | 0.83 | 1.00 | |
| Plus disponible, pas de remplacement | ||||
| 700/10 | 1605510222 | |||
| Boulon A Tete Bombee DIN 603-M 8x25 | ||||
| 700/20/30 | 2910281244 | 1.18 | 1.42 | |
| Ecrou A Oreilles DIN 315-M8-GT-C | ||||
| 700/20/40 | 2915191007 | 3.04 | 3.65 | |
| Ressort De Compression | ||||
| 700/20/60 | 1604643003 | 5.96 | 7.15 | |
| Plus disponible, pas de remplacement | ||||
| 701 | 1608135003 | |||
| Pas d'informations disponibles, non commandable | ||||
| 702 | 1605510179 | |||
| Pas d'informations disponibles, non commandable | ||||
| 703 | 1607000247 | |||
| Vis Tête Hexagonale M14x16x1,5 MM | ||||
| 703/11 | 2603450007 | 5.27 | 6.32 | |
| Plus disponible, pas de remplacement | ||||
| 704 | 1605510181 | |||
| Plus disponible, pas de remplacement | ||||
| 730 | 1608601006 | |||
| Pas d'informations disponibles, non commandable | ||||
| 730/20 | 1603345004 | |||
| Rondelle plate DIN 125-A15-ST | ||||
| 730/30 | 2916011022 | 1.32 | 1.58 | |
| Pas d'informations disponibles, non commandable | ||||
| 740 | 1601329013 | |||
| Pas d'informations disponibles, non commandable | ||||
| 750/10 | 2602025075 | |||
| Pas d'informations disponibles, non commandable | ||||
| 750/20 | 1607950048 | |||
| Pas d'informations disponibles, non commandable | ||||
| 750/40 | 1603340040 | |||
| Plus disponible, pas de remplacement | ||||
| 751 | 1605510222 | |||
| Pas d'informations disponibles, non commandable | ||||
| 763 | 1600793007 | |||
| Pas d'informations disponibles, non commandable | ||||
| 764 | 1607950004 | |||
| Induit 230-240V | ||||
| 803 | 1604011179 | 101.94 | 122.33 | |
| Commutateur GRIS | ||||
| 804 | 1607000970 | 41.30 | 49.56 | |
| Câble d alimentation EU 4,15m 2 x 1,5mm H07 RN-F | ||||
| 805 | 1607000228 | 22.88 | 27.46 | |
| Plaque signalétique | ||||
| 808 | 160111A3H3 | 2.18 | 2.62 | |
| Jeu De Balais | ||||
| 810 | 1607014171 | 12.21 | 14.65 | |
| Roulement A Billes Rigide 10x35x11 | ||||
| 814 | 1600905023 | 10.68 | 12.82 | |
| Porte-Balais | ||||
| 816 | 1604336048 | 6.53 | 7.84 | |
| Plus disponible, pas de remplacement | ||||
| 821 | 1607000969 | |||
| Plus disponible, pas de remplacement | ||||
| 822 | 1607000965 | |||
| Rondelle D’arret | ||||
| 846 | 1607000342 | 3.04 | 3.65 | |
| Roulement A Aiguilles Ø14 MM | ||||
| 851 | 2600910001 | 3.71 | 4.45 | |
| Flasque De Serrage Rapide | ||||
| 880 | 1607000317 | 0.83 | 1.00 | |