Vous trouverez ici toutes les pièces et dessins disponibles du 'Bosch 0601361903 ( GWS23-180 )'. De là, vous pouvez commander directement toutes les pièces souhaitées. De nombreuses pièces doivent être commandées auprès du fabricant, selon la marque, cela prend une à quatre semaines. Toutes les informations dont nous disposons se trouvent sur notre site Web, nous ne pouvons pas vous conseiller sur ce dont vous avez besoin, pour cela vous devrez retourner la machine pour réparation. Veuillez noter ce qui suit lors de la commande:
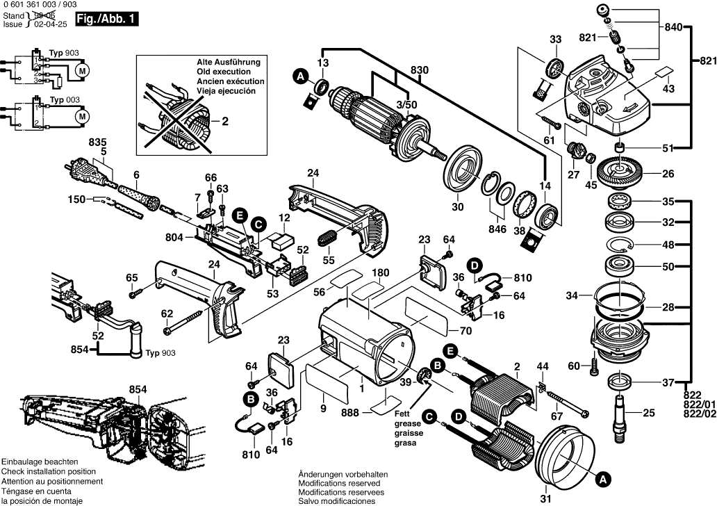
Dessins des Bosch 0601361903 ( GWS23-180 )
Liste de pièces de rechange des Bosch 0601361903 ( GWS23-180 )
| Pos. | Description | Prix hors TVA | Prix TTC | |
| Les prix affichés incluent la TVA | ||||
| Carter De Moteur NOIR | ||||
| 1 | 1605108145 | 22.88 | 27.46 | |
| Épanouissement Polaire | ||||
| 2 | 160422057K | 67.98 | 81.58 | |
| Ventilateur | ||||
| 3/50 | 1606610127 | 2.52 | 3.02 | |
| Manchon Ø 10,5-Ø11,0x100 MM | ||||
| 6 | 1600703023 | 2.18 | 2.62 | |
| Collier De Fixation | ||||
| 7 | 1601302018 | 1.32 | 1.58 | |
| Plaque De Marque | ||||
| 9 | 1601118338 | 2.24 | 2.69 | |
| Filtre d'interférence TURBO II R1 ET-BG | ||||
| 12 | 1607328035 | 3.71 | 4.45 | |
| Roulement A Billes Rigide 8x22x7 | ||||
| 13 | 1600905011 | 5.27 | 6.32 | |
| Roulement à billes rigide 10x35x11 | ||||
| 14 | 1600905025 | 9.53 | 11.44 | |
| Porte-Balais | ||||
| 16 | 1604336021 | 2.52 | 3.02 | |
| Couvercle NOIR | ||||
| 23 | 1605500150 | 3.04 | 3.65 | |
| Poignee BLEU | ||||
| 24 | 1605132117 | 9.47 | 11.36 | |
| Broche De Rectifieuse M14, SW17 | ||||
| 25 | 1603523100 | 12.21 | 14.65 | |
| Plus disponible, pas de remplacement | ||||
| 26 | 1606333618 | |||
| Roue Conique Z=17 | ||||
| 27 | 1606333237 | 26.84 | 32.21 | |
| Joint torique 79,0x1,78 MM | ||||
| 28 | 1600210033 | 1.32 | 1.58 | |
| Deflecteur D’air | ||||
| 30 | 1600591010 | 1.90 | 2.28 | |
| Deflecteur D’air | ||||
| 31 | 1600591011 | 1.32 | 1.58 | |
| Segment de retenue | ||||
| 32 | 1600290019 | 1.32 | 1.58 | |
| Bague D’etancheite 18,7 MM ROUGE | ||||
| 33 | 1600290013 | 2.18 | 2.62 | |
| Rondelle De Compensation 0,3 MM ÉPAIS | ||||
| 34 | 1600190021 | 2.18 | 2.62 | |
| Rondelle De Compensation 0,1 MM ÉPAIS | ||||
| 34 | 1600190022 | 1.32 | 1.58 | |
| Rondelle De Compensation 0,15 MM ÉPAIS | ||||
| 34 | 1600190020 | 1.32 | 1.58 | |
| Rondelle De Feutre | ||||
| 35 | 1600205034 | 1.32 | 1.58 | |
| Ressort Spiral | ||||
| 36 | 1604652015 | 2.52 | 3.02 | |
| joint d’étanchéité NOIR | ||||
| 37 | 1600290036 | 1.90 | 2.28 | |
| Bague En Caoutchouc 7 MM LARGE | ||||
| 38 | 1600206020 | 1.32 | 1.58 | |
| Bague En Caoutchouc | ||||
| 39 | 1600206030 | 1.32 | 1.58 | |
| Plaquette Indicatrice | ||||
| 43 | 1601110470 | 1.00 | 1.20 | |
| Piece D’angle | ||||
| 44 | 1601334008 | 2.18 | 2.62 | |
| Ecrou Hex M10, SW14 | ||||
| 45 | 1603300019 | 1.32 | 1.58 | |
| Anneau de retenue | ||||
| 48 | 1600119010 | 1.32 | 1.58 | |
| Roulement A Billes Rigide | ||||
| 50 | 3600905134 | 9.47 | 11.36 | |
| Palier-Glisseur Ø14 MM | ||||
| 51 | 1600200031 | 2.52 | 3.02 | |
| Conduite De Cable | ||||
| 52 | 1602388027 | 2.18 | 2.62 | |
| Boitier Femelle | ||||
| 53 | 1605190038 | 1.32 | 1.58 | |
| Listel De Reception NOIR | ||||
| 55 | 1602388029 | 1.32 | 1.58 | |
| Plaquette Indicatrice | ||||
| 56 | 1601110530 | 0.83 | 1.00 | |
| Vis autotaradeuse p. défo TT M5x18 MM | ||||
| 60 | 1603435023 | 1.90 | 2.28 | |
| Vis à Tôle DIN 7981-4,8x38-C-Z-ST | ||||
| 61 | 2912401038 | 1.00 | 1.20 | |
| Vis à Tôle C4,8x63 MM | ||||
| 62 | 1603435024 | 1.32 | 1.58 | |
| Vis à tête cylindrique M4x10 MM | ||||
| 63 | 1603410014 | 1.32 | 1.58 | |
| Vis Pour Plastique St3,9x12 | ||||
| 64 | 1603435042 | 1.32 | 1.58 | |
| Vis à Tôle DIN 7981-3,9x19-C-Z-ST | ||||
| 65 | 2912401020 | 1.90 | 2.28 | |
| Vis à Tôle DIN 7971-ST3,9x16-F | ||||
| 66 | 2910211019 | 1.00 | 1.20 | |
| Vis à Tôle BZ 4,8x78 MM | ||||
| 67 | 1603435019 | 1.18 | 1.42 | |
| Plaque De Marque | ||||
| 70 | 1601110553 | 1.70 | 2.04 | |
| Joint torique 20,35x1,78 MM | ||||
| 650/30/20 | 1600210039 | 1.90 | 2.28 | |
| Jeu De Pieces Ø180 MM | ||||
| 700 | 1607000250 | 0.83 | 1.00 | |
| Plus disponible, pas de remplacement | ||||
| 700/10 | 1605510222 | |||
| Plus disponible, pas de remplacement | ||||
| 700/20 | 1608135003 | |||
| Plus disponible, pas de remplacement | ||||
| 701 | 1608135003 | |||
| Pas d'informations disponibles, non commandable | ||||
| 702 | 1605510179 | |||
| Pas d'informations disponibles, non commandable | ||||
| 703 | 1607000247 | |||
| Vis Tête Hexagonale M14x16x1,5 MM | ||||
| 703/11 | 2603450007 | 5.27 | 6.32 | |
| Plus disponible, pas de remplacement | ||||
| 704 | 1605510181 | |||
| Plus disponible, pas de remplacement | ||||
| 730 | 1608601006 | |||
| Pas d'informations disponibles, non commandable | ||||
| 730/20 | 1603345004 | |||
| Pas d'informations disponibles, non commandable | ||||
| 740 | 1601329013 | |||
| Pas d'informations disponibles, non commandable | ||||
| 750/10 | 2602025075 | |||
| Vis Tête Hexagonale M14x16x1,5 MM | ||||
| 750/11 | 2603450007 | 5.27 | 6.32 | |
| Pas d'informations disponibles, non commandable | ||||
| 750/20 | 1607950048 | |||
| Boulon A Tete Bombee DIN 603-M 8x25 | ||||
| 750/20/30 | 2910281244 | 1.18 | 1.42 | |
| Ecrou A Oreilles DIN 315-M8-GT-C | ||||
| 750/20/40 | 2915191007 | 3.04 | 3.65 | |
| Ressort De Compression | ||||
| 750/20/50 | 1604643003 | 5.96 | 7.15 | |
| Ressort De Compression | ||||
| 750/20/60 | 1604643003 | 5.96 | 7.15 | |
| Pas d'informations disponibles, non commandable | ||||
| 750/30 | 1605703099 | |||
| Pas d'informations disponibles, non commandable | ||||
| 750/40 | 1603340040 | |||
| Pas d'informations disponibles, non commandable | ||||
| 763 | 1600793007 | |||
| Pas d'informations disponibles, non commandable | ||||
| 764 | 1607950004 | |||
| SNELSPANMOER | ||||
| 770 | 1603340027 | 45.52 | 54.62 | |
| Ecrou De Blocage Rapide | ||||
| 770 | 1600A016PP | 41.30 | 49.56 | |
| Commutateur | ||||
| 804 | 1607200105 | 50.23 | 60.28 | |
| Jeu De Balais | ||||
| 810 | 1607014171 | 12.21 | 14.65 | |
| Carter D’engrenages | ||||
| 821 | 1605805592 | 82.63 | 99.16 | |
| Plus disponible, pas de remplacement | ||||
| 822 | 1607000986 | |||
| Flasque De Palier Ø180 MM NOIR | ||||
| 822/01 | 1607000931 | 29.75 | 35.70 | |
| Flasque De Palier Ø180 MM ARGENT | ||||
| 822/02 | 1607000921 | 40.61 | 48.73 | |
| Plus disponible, pas de remplacement | ||||
| 830 | 1604011153 | |||
| Câble d alimentation EU 4,15m 2 x 1,5mm H07 RN-F | ||||
| 835 | 1607000228 | 22.88 | 27.46 | |
| Bouton-Poussoir NOIR | ||||
| 840 | 1607000206 | 9.47 | 11.36 | |
| Rondelle D’arret | ||||
| 846 | 1607000342 | 3.04 | 3.65 | |
| Plus disponible, pas de remplacement | ||||
| 854 | 1607000926 | |||
| Plaque signalétique | ||||
| 888 | 160111A3H3 | 2.18 | 2.62 | |