Vous trouverez ici toutes les pièces et dessins disponibles du 'Bosch 0601997679 ( GST100CE )'. De là, vous pouvez commander directement toutes les pièces souhaitées. De nombreuses pièces doivent être commandées auprès du fabricant, selon la marque, cela prend une à quatre semaines. Toutes les informations dont nous disposons se trouvent sur notre site Web, nous ne pouvons pas vous conseiller sur ce dont vous avez besoin, pour cela vous devrez retourner la machine pour réparation. Veuillez noter ce qui suit lors de la commande:
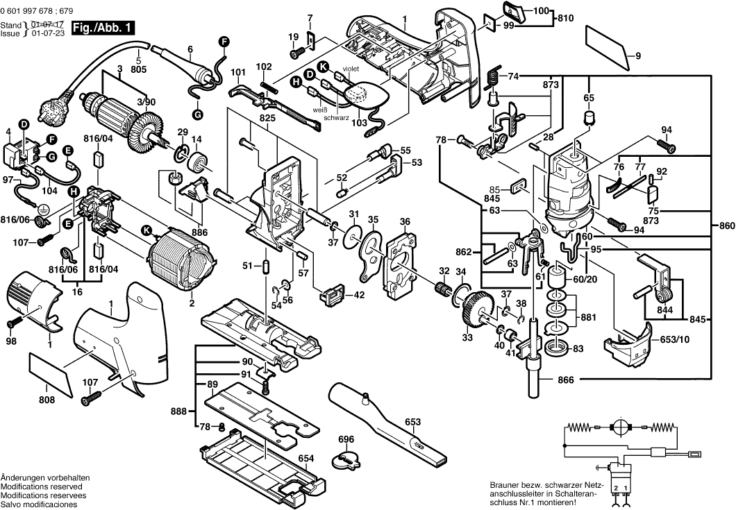
Dessins des Bosch 0601997679 ( GST100CE )
Liste de pièces de rechange des Bosch 0601997679 ( GST100CE )
| Pos. | Description | Prix hors TVA | Prix TTC | |
| Les prix affichés incluent la TVA | ||||
| Coquille BLEU MARINE | ||||
| 1 | 2605104557 | 13.93 | 16.72 | |
| Épanouissement Polaire 230-240V | ||||
| 2 | 2604220584 | 20.39 | 24.47 | |
| Plus disponible, pas de remplacement | ||||
| 3 | 2604011115 | |||
| Ventilateur | ||||
| 3/90 | 2606610089 | 4.58 | 5.50 | |
| Plus disponible, pas de remplacement | ||||
| 4 | 2607200345 | |||
| Câble d alimentation EU 230V 4,15m 2 x 1,0mm H05 | ||||
| 5 | 1607000386 | 17.60 | 21.12 | |
| Manchon Ø6,4-Ø7,2x76 MM | ||||
| 6 | 2600703017 | 2.18 | 2.62 | |
| Collier De Fixation | ||||
| 7 | 2601302011 | 1.18 | 1.42 | |
| Plaque De Marque | ||||
| 9 | 2601116505 | 2.71 | 3.25 | |
| Roulement A Billes Rigide 9x24x7 | ||||
| 14 | 2600905039 | 10.68 | 12.82 | |
| Couronne Porte-Balais | ||||
| 16 | 2605807082 | 26.62 | 31.94 | |
| Vis A Tete Bombee Torx 4x12 | ||||
| 19 | 2603490021 | 1.00 | 1.20 | |
| Aiguille DIN 5402-A3x11,8-G2 | ||||
| 28 | 1903201042 | 1.90 | 2.28 | |
| Anneau de retenue DIN 472-24x1,2 MM | ||||
| 29 | 2916660008 | 1.90 | 2.28 | |
| Rondelle De Compensation 0,5 MM | ||||
| 31 | 2600101048 | 1.32 | 1.58 | |
| Couronne D’aiguilles | ||||
| 32 | 2600913040 | 5.27 | 6.32 | |
| Roue Dentee A Excentrique | ||||
| 33 | 2606320101 | 26.62 | 31.94 | |
| Rondelle De Compensation 0,5 MM | ||||
| 34 | 2600102614 | 0.83 | 1.00 | |
| Levier A Fourche | ||||
| 35 | 2601923010 | 1.90 | 2.28 | |
| Contrepoids | ||||
| 36 | 2601098032 | 12.21 | 14.65 | |
| Rondelle De Compensation 0,3 MM | ||||
| 37 | 2600101047 | 1.32 | 1.58 | |
| Anneau D’arret DIN 6799-6-FST | ||||
| 38 | 2916080909 | 1.00 | 1.20 | |
| Bague Intermediaire | ||||
| 40 | 2600200038 | 1.00 | 1.20 | |
| Douille à aiguilles | ||||
| 41 | 2600917900 | 7.32 | 8.78 | |
| Purgeur D’air | ||||
| 42 | 2602305048 | 1.18 | 1.42 | |
| Axe D’articulation | ||||
| 51 | 2603105053 | 1.00 | 1.20 | |
| Capuchon A Crans D'arret | ||||
| 52 | 2600590006 | 1.32 | 1.58 | |
| Bouton Rotatif NOIR | ||||
| 53 | 2602026063 | 2.18 | 2.62 | |
| Anneau D’arret 5 DIN 6799 | ||||
| 54 | 2916080908 | 1.00 | 1.20 | |
| Bouton Rotatif NOIR | ||||
| 55 | 2602026065 | 1.90 | 2.28 | |
| Rondelle De Compensation 0,3 MM | ||||
| 56 | 2600100607 | 1.32 | 1.58 | |
| Goupille Cylindrique 17,35+0,1 MM | ||||
| 57 | 2603100069 | 1.32 | 1.58 | |
| Couvercle D’engrenage | ||||
| 60 | 2605808081 | 40.61 | 48.73 | |
| Coussinet | ||||
| 60/20 | 2600301037 | 1.32 | 1.58 | |
| Ressort De Compression | ||||
| 61 | 2604610042 | 1.32 | 1.58 | |
| Rondelle De Compensation | ||||
| 63 | 2600101095 | 1.32 | 1.58 | |
| Joint | ||||
| 65 | 2601015064 | 1.32 | 1.58 | |
| Ressort De Torsion | ||||
| 74 | 2604651011 | 2.52 | 3.02 | |
| Capuchon De Poignee NOIR | ||||
| 75 | 2600591010 | 2.18 | 2.62 | |
| Joint | ||||
| 76 | 2601015065 | 1.32 | 1.58 | |
| Plaque De Recouvrement | ||||
| 77 | 2601016079 | 4.58 | 5.50 | |
| Vis autotaradeuse p. défo | ||||
| 78 | 2603421014 | 1.32 | 1.58 | |
| Segment de retenue | ||||
| 83 | 2600202037 | 1.90 | 2.28 | |
| Plateau D’etancheite | ||||
| 85 | 2601015057 | 2.52 | 3.02 | |
| Plus disponible, pas de remplacement | ||||
| 89 | 2601098082 | |||
| Baguette Profilee | ||||
| 90 | 2601030022 | 2.18 | 2.62 | |
| Vis cyl SixPans Creux CHC DIN 912-M6x16-8.8 | ||||
| 91 | 2910141197 | 1.00 | 1.20 | |
| Goupille Elastique 2x6 DIN 1481 | ||||
| 92 | 2917760034 | 1.00 | 1.20 | |
| Vis autotaradeuse p. défo M4x12 MM | ||||
| 94 | 2603410049 | 1.32 | 1.58 | |
| Etrier De Protection NOIR | ||||
| 95 | 2603101046 | 1.32 | 1.58 | |
| Conducteur De Terre | ||||
| 97 | 2604448211 | 1.32 | 1.58 | |
| Vis A Tete Bombee Torx 3x18 | ||||
| 98 | 2603490018 | 1.00 | 1.20 | |
| Protection Anti-Poussiere | ||||
| 99 | 2601010062 | 2.18 | 2.62 | |
| Plus disponible, pas de remplacement | ||||
| 100 | 2602026066 | |||
| Plus disponible, pas de remplacement | ||||
| 101 | 2601099072 | |||
| Ressort De Compression | ||||
| 102 | 2604611033 | 1.90 | 2.28 | |
| Plus disponible, pas de remplacement | ||||
| 103 | 2607230042 | |||
| Cable De Connexion L=63 MM BLANC | ||||
| 104 | 2604448104 | 1.32 | 1.58 | |
| Vis A Tete Bombee Torx 4x25 | ||||
| 107 | 2603490024 | 1.32 | 1.58 | |
| Plus disponible, pas de remplacement | ||||
| 653 | 2605730038 | |||
| Plus disponible, pas de remplacement | ||||
| 653/10 | 2605510159 | |||
| Plus disponible, pas de remplacement | ||||
| 654 | 2608000184 | |||
| Protection Brise Copeaux | ||||
| 696 | 2601016065 | 4.58 | 5.50 | |
| Plaquette Indicatrice | ||||
| 808 | 2601116109 | 2.71 | 3.25 | |
| Plus disponible, pas de remplacement | ||||
| 810 | 2602026902 | |||
| Plus disponible, pas de remplacement | ||||
| 816/04 | 2604320914 | |||
| Ressort Spiral | ||||
| 816/06 | 1604652013 | 1.32 | 1.58 | |
| Carter D’engrenages | ||||
| 825 | 2605806896 | 45.52 | 54.62 | |
| Plus disponible, pas de remplacement | ||||
| 844 | 2600326904 | |||
| Plus disponible, pas de remplacement | ||||
| 845 | 2601321904 | |||
| Couvercle D’engrenage | ||||
| 860 | 2605808927 | 130.32 | 156.38 | |
| Etrier De Guidage | ||||
| 862 | 2601322900 | 10.73 | 12.88 | |
| Plus disponible, pas de remplacement | ||||
| 866 | 2600780911 | |||
| Plus disponible, pas de remplacement | ||||
| 873 | 2601990906 | |||
| Plus disponible, pas de remplacement | ||||
| 881 | 2600290902 | |||
| Couvercle De Ventilateur BLEU | ||||
| 886 | 2605500908 | 1.70 | 2.04 | |
| Plus disponible, pas de remplacement | ||||
| 888 | 2608000917 | |||